Ang CD4050 IC ay isang malawak na ginagamit na hex buffer chip na nagtatampok ng anim na hindi pag-iikot na buffer.Ito ay perpekto para sa mga aplikasyon tulad ng signal regeneration at conversion ng antas ng boltahe.Sakop ng artikulong ito ang mga tampok nito, mga prinsipyo ng pagtatrabaho, pagsasaayos ng PIN, at mga aplikasyon sa isang simple, paraan ng madaling-mambabasa.

Ang CD4050 Ang IC ay isang hex buffer chip na may anim na non-inverting buffers na pumasa sa mga senyales na hindi nagbabago, mainam para sa pag-convert ng antas ng boltahe at pagbabagong-buhay ng signal.Maaari itong magmaneho hanggang sa dalawang aparato ng TTL o DTL nang sabay -sabay, na nag -aalok ng maaasahang pagganap na may mababang pagkonsumo ng kuryente.Ang mataas na kakayahan ng paglubog nito ay nagsisiguro na hawakan nito ang maraming mga naglo -load nang mahusay, na ginagawa itong isang maraming nalalaman na pagpipilian para sa mga digital na circuit.
Ang seksyon na ito ay nagbibigay ng mga pangunahing highlight at pagtutukoy ng CD4050 IC, kasama na ang operating boltahe, kasalukuyang pagkonsumo, at mga sukatan ng pagganap.
| Parameter | Pagtukoy |
| Operating boltahe | 3V - 15V DC |
| Kasalukuyang pagkonsumo (MAX) | 50MA |
| Lumubog ang kasalukuyang kakayahan | Mataas na sink kasalukuyang para sa pagmamaneho ng 2 TTL na naglo -load |
| Pinakamataas na mababang antas ng boltahe ng output | 0.5V sa 5V VCC |
| Minimum na mataas na antas ng boltahe ng output | 4.95V sa 5V VCC |

| Numero ng pin | Uri ng pin | Paglalarawan/direksyon |
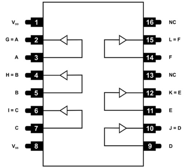
| 1 | VCC | Positibong supply ng input |
| 2 | G | Non-inverted Output 1 |
| 3 | A | Input 1 |
| 4 | H | Non-inverted Output 2 |
| 5 | B | Input 2 |
| 6 | I | Non-inverted Output 3 |
| 7 | C | Input 3 |
| 8 | VSS | Negatibong supply |
| 9 | D | Input 4 |
| 10 | J | Non-inverted Output 4 |
| 11 | E | Input 5 |
| 12 | K | Non-inverted Output 5 |
| 13 | NC | Walang koneksyon |
| 14 | F | Input 6 |
| 15 | L | Non-inverted Output 6 |
| 16 | NC | Walang koneksyon |
Ang CD4050 IC ay dinisenyo gamit ang mga non-inverting buffer na nagpapanatili ng signal ng pag-input tulad nito, nang hindi binabago ang estado ng lohika.Hindi tulad ng isang inverter, na nag-flip ng signal, tinitiyak ng isang non-inverting buffer na ang output ay tumutugma sa input.Ang pangunahing layunin nito ay upang palakasin ang signal, na naghahatid ng isang malinaw na mataas o mababa sa output.

Ang bawat buffer sa loob ng IC ay may isang solong input at isang solong output.Ang output ay palaging katumbas ng input, na ginagawang angkop para sa mga aplikasyon kung saan kailangang mapangalagaan ang integridad ng signal.Ang mga buffer na ito ay maaari ring magpakilala ng isang bahagyang pagkaantala sa pagpapalaganap, na maaaring maging kapaki -pakinabang sa mga tiyak na disenyo ng circuit.
Ang panloob na istraktura ng CD4050 IC ay naglalaman ng anim na non-inverting buffer, ang bawat isa ay naka-link sa mga tiyak na input at output pin.Ang imahe sa ibaba ay naglalarawan kung paano nakaayos ang mga buffer na ito sa loob ng IC at ipinapakita ang kanilang mga koneksyon sa kaukulang mga pin.Halimbawa, kapag ang isang signal ay inilalapat sa input A (pin 3), ang output ay magkapareho sa g (pin 2).Katulad nito, ang input B ay tumutugma sa output h, input c sa output i, at iba pa.

Ang pare -pareho na pag -uugali na ito ay nagsisiguro na ang IC ay mapagkakatiwalaang mga signal ng pag -input ng mga signal sa mga output nito nang walang anumang mga pagbabago sa kanilang estado ng lohika.
Ang talahanayan sa ibaba ay nagtatampok ng talahanayan ng katotohanan para sa IC, na nagpapatunay na ang output ay palaging tumutugma sa input.Kung ang pag -input ay mataas o mababa, ang output ay sumasalamin sa parehong estado, tinitiyak ang walang tahi na integridad ng signal.
| Input signal (a, b, c, d, e, f) | Output Signal (G, H, I, J, K, L) |
| Mataas | Mataas |
| Mababa | Mababa |
• Soic
• PDIP
• CDIP
Ang CD4050 IC ay ginagamit upang ligtas na iakma ang mga signal mula sa mas mataas hanggang sa mas mababang mga antas ng boltahe, pagpapagana ng pagiging tugma sa pagitan ng mga circuit na nagpapatakbo sa iba't ibang mga boltahe.
Ang IC na ito ay nagsisilbing isang hex converter, na nagpapahintulot sa makinis na pakikipag -ugnay sa pagitan ng mga pamilya ng logic ng DTL at TTL, na humahawak ng maraming mga signal nang madali.
Ang CD4050 ay maaaring kumilos bilang isang kasalukuyang lababo o mapagkukunan, na tinitiyak ang matatag na kasalukuyang daloy upang magmaneho ng maraming mga naglo -load sa mga sistema ng CMOS nang epektibo.
Ang modelo ng 2D ng non-inverting IC, na ipinakita sa ibaba, ay kasama ang mga sukat nito sa parehong milimetro at pulgada.Ang impormasyong ito ay kapaki -pakinabang para sa paglikha ng mga pasadyang mga bakas ng paa at mainam para magamit sa disenyo ng PCB at pagmomolde ng CAD.

Mangyaring magpadala ng isang pagtatanong, tutugon kami kaagad.
sa 2024/12/20
sa 2024/12/20
sa 8000/04/18 147757
sa 2000/04/18 111936
sa 1600/04/18 111349
sa 0400/04/18 83721
sa 1970/01/1 79508
sa 1970/01/1 66907
sa 1970/01/1 63037
sa 1970/01/1 63012
sa 1970/01/1 54081
sa 1970/01/1 52125