
Ang Mabilis na Fourier Transform (FFT) ay isang foundational algorithm sa pagproseso ng digital signal, na nagpapagana ng mahusay na pag -convert ng data sa pagitan ng oras at dalas na mga domain.Ipinakilala nina Cooley at Tukey noong 1965, binago nito ang Computational Matematika sa pamamagitan ng pagbabawas ng pagiging kumplikado ng discrete Fourier Transform (DFT) mula sa n2 Ang mga operasyon sa 𝑁 log 𝑁.Nakakamit ng FFT ang kahusayan na ito sa pamamagitan ng pagsira sa mga malalaking pagkakasunud-sunod sa mas maliit na mga sub-sunud-sunod, pagproseso ng mga ito nang recursively, at pag-agaw ng simetrya at pagkakasunud-sunod ng mga sinusoidal waveform.Karaniwang ginagamit na mga diskarte sa agnas tulad ng RADIX-2 at RADIX-4 ay nagbibigay-daan para sa mga naka-streamline na kalkulasyon, ginagawang praktikal ang FFT para sa mga aplikasyon tulad ng pagproseso ng audio, telecommunication, at pagsusuri ng imahe.Bilang karagdagan sa pagkalkula ng mga DFT, ang FFT ay mahusay para sa mga gawain tulad ng kabaligtaran na mga pagbabago, pagbubuo, at ugnayan, kapansin -pansin ang isang perpektong balanse sa pagitan ng teorya ng matematika at pagiging praktiko ng computational.Sa paglipas ng panahon, ang mga pagpipino sa mga pamamaraan ng Radix at mga diskarte sa hybrid ay higit na na -optimize ang pagganap nito, na semento ang FFT bilang isang mahalagang tool sa modernong teknolohiya.
Ang Mabilis na Fourier Transform (FFT) ay nagbabago kung paano ang discrete Fourier Transform (DFT) ay kinakalkula sa pamamagitan ng pagsira nito sa mas maliit, mahusay na mga segment, pag -agaw ng mga katangian tulad ng pagkakasunud -sunod at simetrya upang maalis ang mga kalkulasyon ng kalabisan.Ang mga makabagong ideya tulad ng Winograd Fourier Transform Algorithm (WFTA) at ang Prime Factor algorithm ay higit na mapahusay ang kahusayan, lalo na sa paghawak ng mga pagkakasunud-sunod ng mga tiyak na haba o punong-bilang na mga input.Ang mga advanced na algorithm na ito ay may malalim na praktikal na aplikasyon, mula sa pagpabilis ng oras ng pagproseso ng digital signal upang mai -optimize ang paggamit ng mapagkukunan sa kumplikadong pagsusuri ng data.Higit pa sa mga teknikal na natamo, ang FFT at ang mga derivatives nito ay nagpapalalim ng aming pag -unawa sa mga prinsipyo sa matematika at computational, na nagpapakita ng kagandahan ng paglutas ng mga kumplikadong problema sa pamamagitan ng sistematikong pagpapagaan.
Ang mga algorithm ng FFT ay inuri batay sa kanilang paggamit ng mga kadahilanan ng pagpapalawak.Ang bawat uri ay may natatanging mga aplikasyon at mga diskarte sa computational.
Ang algorithm ng Cooley-Tukey ay isang malakas na pamamaraan na higit sa mga factoring composite number sa mga pinamamahalaan na mga sangkap.Sa pamamagitan ng pag -asa sa modular na agnas, pinapabuti nito ang pagganap ng computational.Ang pamamaraang ito ay nag -optimize ng mga kalkulasyon sa pamamagitan ng pagsira ng mga problema sa pag -iingat, na ginagawang mas madali itong malutas.Ang diskarte nito ay maihahambing sa modular na disenyo sa engineering, dahil pinapasimple nito ang mga kumplikadong sistema upang mapahusay ang pamamahala ng error at kahusayan.

Ang Radix-2 algorithm ay isang espesyal na kaso ng pamamaraan ng Cooley-Tukey, partikular na idinisenyo para sa mga haba ng data na mga kapangyarihan ng dalawa.Gumagana ito sa pamamagitan ng paghahati ng input sa dalawang magkakaugnay na mga segment, na nagpapagana ng mahusay na pagbabalanse ng mga operasyon.Ang isang pangunahing lakas ng pamamaraang ito ay ang pagiging tuwid at pagiging maaasahan, na ginawa nitong malawak na ginagamit.Ang algorithm na ito ay mainam para sa mga datasets na may haba sa anyo ng 2𝑛.

Ang split-radix at halo-halo-radix algorithm ay idinisenyo upang hawakan ang mga sukat ng pag-input na hindi pinigilan sa mga kapangyarihan ng dalawa.Pinagsasama ng split-radix algorithm ang mga elemento ng mga pamamaraan ng RADIX-2 at RADIX-4 upang mapahusay ang kahusayan sa computational, habang ang halo-halo-radix algorithm ay umaangkop sa mga hindi lakas-ng-dalawang haba ng data sa pamamagitan ng kakayahang umangkop sa pagpapatunay ng laki ng pag-input.Ang isang pangunahing lakas ng mga algorithm na ito ay ang kanilang kakayahang magamit at kahusayan, na ginagawang maayos ang mga ito para sa pagproseso ng data na may di-makatwirang haba.Sa pamamagitan ng pag -aayos ng mga diskarte sa factorization, pinapanatili nila ang mataas na bilis ng computational anuman ang laki ng pag -input.

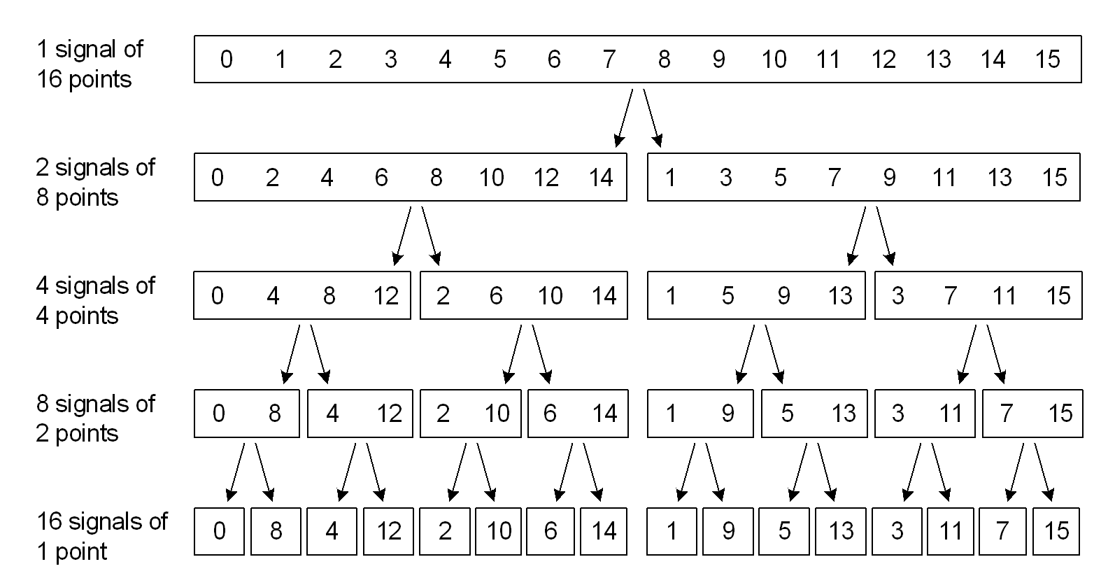
Ang pag -unawa sa FFT (Mabilis na Fourier Transform) ay nagsasangkot sa pagsusuri sa parehong oras at dalas ng mga domain nang detalyado.Sa domain ng oras, ang data ay nahati sa kahit na at kakaibang mga bahagi upang gawing simple ang pagproseso.Ang pamamaraang ito, na ipinares sa algorithm ng "butterfly", ay tumutulong sa pag -aayos ng mga pagkalkula at ginagawang mahusay ang proseso sa pamamagitan ng pagpapanatili ng lahat sa lugar sa panahon ng mga kalkulasyon.
Oras-domain decomposition: Ang paglabag sa data sa mas maliit na mga bahagi sa domain ng oras ay ginagawang mas madaling maunawaan at mas mahusay ang FFT.Ang bawat hakbang ay nagpapakita ng mas detalyado tungkol sa pagkakasunud -sunod, na katulad ng paglutas ng isang malaking problema sa pamamagitan ng pagsira nito sa mas maliit, mapapamahalaan na mga gawain.Ang hakbang na ito sa pamamagitan ng hakbang na ito ay nagpapabuti sa parehong bilis at pag-unawa sa pagproseso.
Simula sa dalas ng domain: Simula mula sa dalas ng domain ay nag -aalok ng isa pang paraan upang maproseso ang FFT.Ang pamamaraang ito ay gumagana nang maayos kapag ang data ng dalas ay ang pokus, pamamahagi ng trabaho nang pantay -pantay.Ipinapakita nito kung paano maaaring umangkop ang mga algorithm sa iba't ibang mga istruktura at pangangailangan ng data.
Ang algorithm ng "Butterfly": Ang "butterfly" algorithm ay susi sa FFT, pinasimple at mailarawan kung paano nagbago ang data.Ito ay naglalabas ng daloy ng data sa bawat hakbang, na ginagawang mas madaling maunawaan ang mga kumplikadong pagkalkula, katulad ng isang mahusay na iginuhit na mapa na nagpapasimple ng nabigasyon.
Mga Resulta ng Pag -synchronize: Ang pagpapanatiling intermediate at pangwakas na mga resulta na nakahanay sa pagproseso ng in-lugar ng FFT ay nagsisiguro ng kawastuhan at kahusayan.Ang koordinasyon na ito ay binabawasan ang mga pagkakamali, matalino ang mga mapagkukunan, at pinapanatili ang katumpakan sa iba't ibang mga aplikasyon.
Ang kamangha -manghang kapasidad ng FFT upang mag -streamline ng discrete Fourier na mga pagbabago ay nagbibigay -daan sa pagproseso ng signal ng oras.Sa mga sistema ng komunikasyon, ang mabilis na paglipat sa pagitan ng oras at dalas ng mga domain ay ginagamit para sa mahusay na pamamahala ng iba't ibang mga uri ng data.Ang pagbabagong ito ay hinihimok ng FFT, na nagpapaliit sa mga kahilingan sa computational, pagkamit ng mas mababang latency at pinahusay na throughput, kahit na sa gitna ng mga intricacy ng mga modernong network.
Ang FFT ay nakatulong sa pagproseso ng signal ng audio sa pamamagitan ng pagpino ng kalidad ng tunog, pagbabawas ng ingay, at mga modulate effects.Higit pa sa tradisyonal na mga gawain sa audio, nakakaimpluwensya ngayon sa mga nakaka -engganyong karanasan sa pandinig tulad ng 3D tunog modeling at oras ng pag -render ng audio.Gumamit ng data na may mataas na katapatan na inaalok ng FFT upang likhain ang mga detalyadong detalyadong tunog, na binabanggit ang mga damdamin na naka-embed sa kanilang sining.
Para sa mga sistema ng radar at sonar, ang kahusayan ng pag -convert ng signal ay sentro sa pag -alis, pagsusuri, at pagtugon sa iba't ibang mga input.Ang FFT ay nagiging hilaw na data sa mga mai-access na istatistika, pinadali ang pag-agaw ng pagpapasya sa mga konteksto tulad ng militar, aviation, at operasyon ng maritime.Ang iba ay nakasalalay sa kahusayan ng FFT upang mapanatili ang pagiging maaasahan at kawastuhan sa mga application na ito.
Ang pagsusuri ng spectrum ay lubos na pinahusay ng kawastuhan at katumpakan ng FFT.Pinapadali nito ang masalimuot na mga signal sa mga indibidwal na frequency, na tumutulong sa pag-unawa sa pag-uugali ng signal at pakikipag-ugnay, sa gayon isulong ang pagputol ng mga sistema ng pagproseso ng signal ng digital.Ang application na ito ay kapaki -pakinabang sa maraming larangan, kabilang ang mga wireless na komunikasyon at electronics, kung saan ang isang malinaw na interpretasyon ng signal ay apela sa aming intrinsic na paghahanap para sa pag -unawa.
Mangyaring magpadala ng isang pagtatanong, tutugon kami kaagad.
sa 2024/12/29
sa 2024/12/29
sa 8000/04/18 147757
sa 2000/04/18 111936
sa 1600/04/18 111349
sa 0400/04/18 83721
sa 1970/01/1 79508
sa 1970/01/1 66905
sa 1970/01/1 63033
sa 1970/01/1 63012
sa 1970/01/1 54081
sa 1970/01/1 52125