
Ang LTC6957HMS-3#trpbf, na binuo ng mga linear na teknolohiya/analog na aparato, ay nagsisilbing isang sopistikadong fanout clock buffer.Ang operasyon nito ay mahusay na umaabot hanggang sa 300MHz, na akomodasyon ng mga uri ng pag -input tulad ng CML, CMOS, LVD, at LVPECL.Sa pamamagitan ng isang boltahe ng supply na naitala sa pagitan ng 3.15V at 3.45V, naaangkop ito sa iba't ibang mga aplikasyon.Marami ang pinahahalagahan ang kakayahang pamahalaan ang magkakaibang mga format ng pag -input.Ang kakayahang umangkop na ito ay nagpapagaan sa pagsasama sa iba't ibang mga system, na pinipigilan ang pangangailangan para sa malawak na muling pagdisenyo at pag -aalaga ng walang tahi na pagiging tugma sa umiiral na mga teknolohikal na kapaligiran.
Ang pagpapatakbo ng hanggang sa 300MHz ay nakahanay sa IC na may mga application na may mataas na dalas.Ginagawa nitong akma para sa mga advanced na sistema ng komunikasyon, kung saan ang tumpak na tiyempo at pag -synchronize ay nagpapataas ng pagiging maaasahan ng system at mapahusay ang pagganap sa praktikal na paggamit.Nagtatampok ng isang saklaw ng supply ng 3.15V hanggang 3.45V, pinapanatili ng IC ang pag -andar sa iba't ibang mga kondisyon, katatagan ng pagpapahiram at potensyal na pagpapalawak ng habang -buhay ng aparato.Ang kakayahang umangkop na ito ay maaaring magbigay kapangyarihan sa mga aplikasyon upang umunlad sa mga pabago -bagong setting.
Ang pagsasama ng IC na ito sa isang system ay nangangailangan ng pananaw sa mga de -koryenteng katangian at pakikipag -ugnayan sa mga umiiral na sangkap.Ang kapansin-pansin na isang balanse sa pagitan ng mga hadlang sa disenyo at mga layunin sa pagganap ay madalas na kinakailangan, at ang pagpili ng isang buffer ng orasan tulad ng LTC6957HMS-3#TRPBF ay maaaring gawing simple ang mga hamong ito.Ang LTC6957HMS-3#TRPBF ay sumasaklaw sa isang pagkakaisa ng kakayahang umangkop, kapasidad ng dalas, at pagiging tugma ng boltahe.Ang maalalahanin na pagsasaalang-alang ng disenyo ay tumutugma sa iba't ibang mga kaso ng paggamit, na ginagawa itong isang mahalagang sangkap sa mga disenyo ng elektronikong pagganap.Sa pamamagitan ng pagsasama ng IC na ito, ang mga operasyon ay maaaring mai -streamline, marahil pagbabawas ng mga gastos sa pamamagitan ng nabawasan na pagiging kumplikado ng system.
Ang LTC6957HMS -3#TRPBF ay itinayo upang mapaglabanan ang mga temperatura mula -40 ° C hanggang 125 ° C, na akomodasyon ng mga proyekto na sumusubok sa mga limitasyon ng pagbabata ng temperatura.Tinitiyak ng pagiging matatag nito ang matatag na pagganap sa parehong mga setting ng pang -industriya at automotiko, na sumasalamin sa mga nag -navigate sa mga hinihingi na kapaligiran kung saan ang mga pagbabagu -bago ng temperatura ay isang palaging hamon.
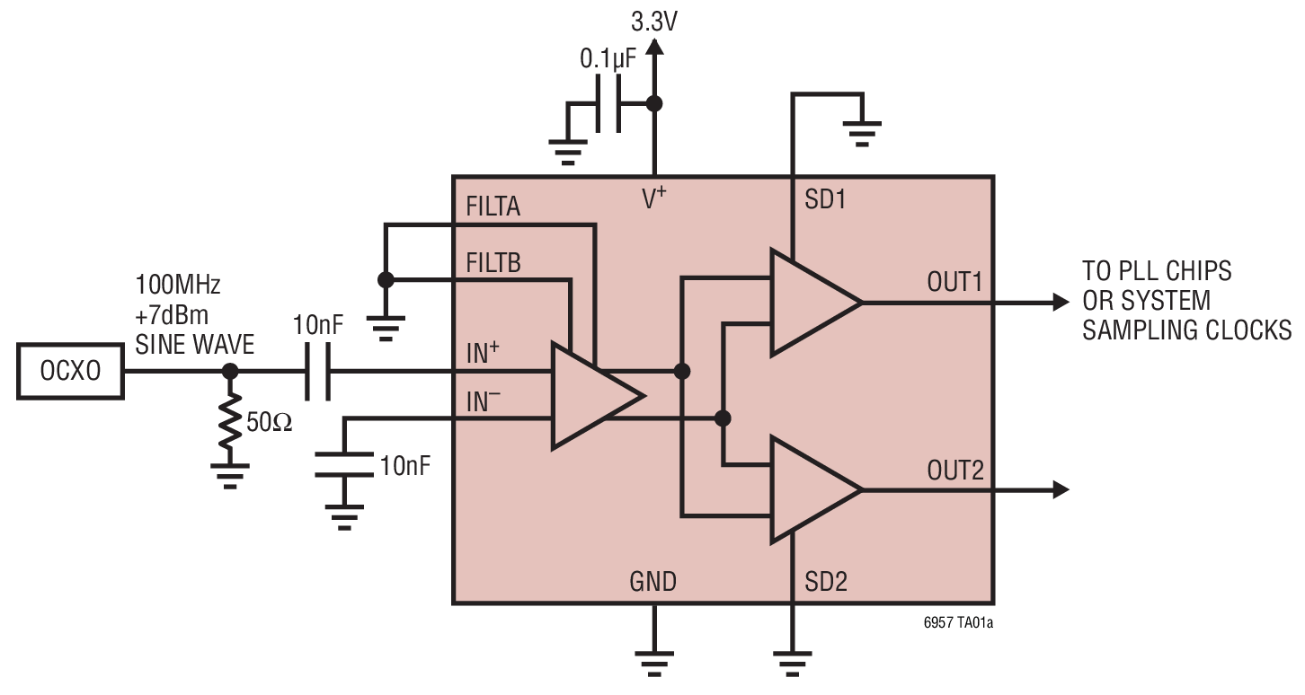
Nag-aalok ang aparato na ito ng mga output sa isang pag-setup ng CMOS, na pinahahalagahan para sa mga benepisyo na makatipid ng enerhiya at kaunting panghihimasok.Ang 1: 2 input sa output ratio, kasabay ng pagkakaiba -iba ng input/output, pinalalaki ang integridad ng signal at paglaban sa ingay.Ang mga aspeto na ito ay ginagamit kapag ang mga aplikasyon ng mataas na dalas na hinihiling ng hindi magagawang kalinawan ng signal, na hinihimok ng mga pangangailangan upang maiwasan ang mga pagkagambala sa system.
Naka-encode sa isang 12-TSSOP package, ang LTC6957HMS-3#TRPBF ay nagbibigay ng isang matikas na solusyon para sa mga disenyo na may limitadong puwang, walang putol na pagsasama sa mas maliit na mga board nang hindi nakompromiso sa kakayahan.Ang pagsunod sa mga pamantayan ng ROHS3 ay binibigyang diin ang isang pagtatalaga sa mga kasanayan sa eco-friendly, na sumasalamin sa isang lumalagong paglipat ng industriya patungo sa pagpapanatili.
Ang pagpapatakbo sa isang 3.3V na supply, ang aparato ay nakahanay sa mga kontemporaryong mababang-boltahe na pamantayan, pinadali ang kahusayan ng enerhiya at walang tahi na pagsasama sa mga kasalukuyang system.Ang pagpipilian ng boltahe na ito ay sumasalamin sa mga modernong uso patungo sa pag -optimize ng pagkonsumo ng kuryente habang nagpapanatili ng mataas na pagganap.
Ang pagsasama ng LTC6957HMS-3#TRPBF sa mga disenyo ay maaaring magbunga ng malaking pakinabang, lalo na sa mga hangarin na pinahahalagahan ang kahusayan at pagiging maaasahan sa ilalim ng mahigpit na mga kondisyon.Ang synergy sa pagitan ng compact build nito, cut-edge signal na kakayahan, at pag-iisip sa kapaligiran ay nagtatanghal ng aparatong ito bilang isang nababaluktot na pag-aari sa elektronikong disenyo ng elektronik ngayon.
Ang LTC6957HMS-3#TRPBF ay gumaganap ng isang papel sa pamamahagi ng orasan para sa mga sistema ng komunikasyon, kagamitan sa networking, at mga pag-setup ng pang-industriya.Ang mga sitwasyong ito ay nangangailangan ng tumpak na tiyempo upang mapadali ang mahusay na paglipat at pagproseso ng data.Sa mga praktikal na kapaligiran, ang pagkamit ng pamamahagi ng high-precision na pamamahagi ay maaaring mapahusay ang pagiging maaasahan ng system at pangkalahatang pagganap.
Ang sangkap na ito ay ginagamit din sa mga medikal na aparato, automotive electronics, at aerospace at defense system.Sa larangan ng medikal, ang tumpak na tiyempo na pag -imaging at mga tool sa diagnostic, na nagreresulta sa tumpak na mga sukat at mas mahusay na mga resulta ng pasyente.Ang mga automotive electronics ay nakikinabang mula sa maaasahang pamamahagi ng orasan, na sumusuporta sa mga advanced na sistema para sa mga modernong sasakyan, na nakakaimpluwensya sa parehong kaligtasan at pagbabago.Ang mga sektor ng aerospace at pagtatanggol ay nakasalalay sa tumpak na tiyempo para sa mga operasyon kung saan ang mga menor de edad na error ay maaaring maging mahalaga.
Ang LTC6957HMS-3#TRPBF ay nagsasama sa mga microcontroller, FPGA, at ASIC, na nakakatugon sa mga pangangailangan sa pamamahagi ng high-speed na orasan.Ang pagsasama nito sa mga sistemang ito ay nagpapadali sa mabilis na pagproseso ng data at nagpapabuti ng pag -synchronise.Ang walang seamless na pagsasama sa mga kumplikadong sistema ay direktang nakakaapekto sa kahusayan at pag -andar ng system.

Sa mga sistema ng pagkuha ng data ng high-speed, ang mga disenyo ng sanggunian ay nagpapaganda ng kahusayan at kawastuhan, tinitiyak ang integridad ng data at pagliit ng latency.Ang mga disenyo na ito ay advanced na mga algorithm sa pagproseso ng signal para sa higit na throughput at pinahusay na resolusyon.Sa pamamagitan ng pagyakap sa mga diskarte sa pag -filter ng adaptive, ang mga system ay epektibong mabawasan ang ingay, nakataas ang pagganap.
Ang pagkamit ng tumpak na pag -synchronise ng orasan sa mga wireless na network ng komunikasyon ay nakasalalay sa mga disenyo ng sanggunian.Pinapayagan ang pag -synchronize na ito para sa makinis na paghahatid ng data, pag -iwas sa pagkawala ng packet at jitter.Ang paggamit ng mga phase-lock loops (PLL) at mga katulad na pamamaraan ng pag-synchronise ay nagbibigay-daan sa matatag na koneksyon sa kahit na ang pinaka-hinihingi na mga kapaligiran.Ang mga pagpapatupad ng Urban Network ay nagpapakita na ang maingat na pamamahala ng mga variable na pag-aalis ng oras ay nagpapalaki ng kahusayan sa paghahatid.
Sa mga sistema ng radar, ang mga aplikasyon ng PLL sa loob ng mga disenyo ng sanggunian ay sumusuporta sa tumpak na synthesis at modulation.Ang mga disenyo na ito ay nagpapabuti sa target na pagtuklas at pagsubaybay sa pamamagitan ng magkakaugnay na pagproseso ng signal.Ang mga pananaw sa pagpapatakbo ng patlang ay binibigyang diin ang pag -optimize ng mga parameter ng filter ng loop upang makamit ang mabilis na mga oras ng lock at mapanatili ang katatagan ng system para sa mabilis na pagtugon at mataas na mga aplikasyon ng pagiging maaasahan.
|
I -type |
Parameter |
|
Oras ng tingga ng pabrika |
16 linggo |
|
Package / Kaso |
12-TSSOP (0.118, 3.00mm lapad) |
|
Kadalasan (Max) |
300MHz |
|
Packaging |
Tape & Reel (TR) |
|
Code ng JESD-609 |
E3 |
|
Antas ng Sensitivity ng kahalumigmigan (MSL) |
1 (walang limitasyong) |
|
Code ng ECCN |
EAR99 |
|
Pagtatapos ng terminal |
Matte Tin (SN) |
|
Posisyon ng terminal |
Dual |
|
Temperatura ng rurok ng rurok (Celsius) |
260 |
|
Supply boltahe |
3.3v |
|
Temp@peak reflow temperatura-max (s) |
30 |
|
Output |
CMOS |
|
Bilang ng mga circuit |
1 |
|
Ratio - Input/Output |
1:02 |
|
Haba |
4.039mm |
|
Katayuan ng ROHS |
Sumunod ang ROHS |
|
Uri ng pag -mount |
Surface Mount |
|
Surface mount on |
Oo |
|
Temperatura ng pagpapatakbo |
-40 ° C -125 ° C. |
|
Nai -publish |
2013 |
|
Bahagi ng Bahagi |
Aktibo |
|
Bilang ng mga pagtatapos |
12 |
|
Fanout Buffer (Pamamahagi) |
Oo |
|
Boltahe - Supply |
1.5V-3.45V |
|
Form ng terminal |
Gull Wing |
|
Bilang ng mga pag -andar |
1 |
|
Terminal pitch |
0.65mm |
|
BASE PART NUMBER |
LTC6957 |
|
Bilangin ng pin
|
12 |
|
Input |
CML, CMOS, LVDS, LVPECL |
|
Pagkakaiba - Input/Output |
Oo/Hindi |
|
Lapad |
3mm |
• LTC6957HMS-2#TRPBF: Clock buffer na may isang 1: 1 input-to-output ratio.
• LTC6957HMS-4#TRPBF: Clock Buffer na nagtatampok ng isang 1: 4 na input-to-output ratio.
• LTC6957HMS-5#TRPBF: Ang orasan ng buffer ay dinisenyo gamit ang isang 1: 5 input-to-output ratio.
Ang komprehensibong pagsusuri ng LTC6957HMS-3#TRPBF na ibinigay sa artikulong ito ay nag-aalok ng isang malalim na pagsisid sa mga kakayahan, pagtutukoy, at malawak na mga aplikasyon sa iba't ibang mga industriya na may mataas na demand.Mula sa matatag na pamamahagi ng orasan sa mga sistema ng komunikasyon hanggang sa tumpak na mga kinakailangan sa tiyempo sa aerospace at pagtatanggol, ang orasan ng buffer na ito ay nagpapakita ng kakayahang umangkop at kahusayan.Ang paggalugad ng mga disenyo ng sanggunian nito at mga alternatibong bahagi ay hindi lamang nagtatampok ng kakayahang umangkop ng sangkap sa umuusbong na mga pangangailangan sa teknolohikal ngunit tinitiyak din na mayroon kang kinakailangang impormasyon upang makagawa ng mga kaalamang desisyon kapag isinasama ang IC na ito sa mga kumplikadong sistema.Habang tumatagal ang teknolohiya, ang LTC6957HMS-3#TRPBF ay nakatayo bilang isang pangunahing sangkap sa pagpapahusay ng pagganap at pagiging maaasahan ng system, na nagpapakita ng halaga nito sa parehong at hinaharap na mga elektronikong disenyo ng disenyo.
Mult Dev Mark CHG 4/Peb/2020.pdf
Ang aparatong ito ay namamahala ng mga dalas hanggang sa 300MHz, na ginagawa itong maraming nalalaman para sa mga aplikasyon tulad ng mga sistema ng komunikasyon at pagproseso ng signal.Ang paghawak ng mataas na dalas ay nagpapahiwatig ng isang matatag na disenyo, gamitin sa tumpak na mga kapaligiran.Sa pagsasagawa, nangangahulugan ito ng pare-pareho, maaasahang pagganap, lalo na sa ilalim ng mga kondisyon na may mataas na demand.
Oo, sinusuportahan nito ang mga input ng lvpecl, bukod sa iba pang mga uri ng signal.Ang pagsuporta sa LVPECL ay nakikinabang sa paghahatid ng data ng mataas na bilis, pagpapahusay ng margin ng ingay at integridad ng signal.Ang pagiging tugma na ito ay kapaki -pakinabang sa mga kumplikadong sistema, pagtulong sa pagbawas ng error.Ang mga nasabing tampok ay praktikal sa pagbabawas ng downtime at tinitiyak ang makinis na operasyon sa magkakaibang mga sitwasyon.
Ang pagpapatakbo sa isang 3.3V supply, ipinagmamalaki ng aparato ang mababang pagkonsumo ng kuryente, na sumasamo sa mga konteksto na sensitibo sa enerhiya.Ang kahusayan na ito ay pinuputol ang mga gastos sa pagpapatakbo at binabawasan ang init, nagpapatagal ng habang -buhay at pagiging maaasahan.Sa mga senaryo kung saan nakakaapekto ang kahusayan ng kapangyarihan sa mga badyet, ang katangiang ito ay nagtataguyod ng mga napapanatiling kasanayan sa paglipas ng panahon.
Mangyaring magpadala ng isang pagtatanong, tutugon kami kaagad.
sa 2024/10/28
sa 2024/10/28
sa 8000/04/18 147757
sa 2000/04/18 111935
sa 1600/04/18 111349
sa 0400/04/18 83720
sa 1970/01/1 79508
sa 1970/01/1 66905
sa 1970/01/1 63028
sa 1970/01/1 63012
sa 1970/01/1 54081
sa 1970/01/1 52124