
Ang AD9850 ay isang sopistikadong digital synthesizer na sumasama sa direktang digital synthesis (DDS) na may isang high-speed digital-to-analog converter at comparator.Ang kumbinasyon na ito ay nagbibigay -daan sa paglikha ng tumpak na mga alon ng sine sine, na nag -aalok ng isang maraming nalalaman na mapagkukunan para sa pagbuo ng mga frequency at synthesizing orasan.Sa pamamagitan ng isang resolusyon sa pag -tune ng 0.0291 Hz, maaari itong mahawakan hanggang sa 23 milyong mga pag -update ng dalas bawat segundo, na sumusuporta sa mga frequency ng output na kasing taas ng 62.5 MHz.Ang kakayahang maihatid ang naturang katumpakan ay maaaring mag -imbita ng mga damdamin ng tagumpay para sa mga nagtatrabaho sa masalimuot na mga aplikasyon ng dalas.
Nilagyan ng mga kakayahan sa five-phase modulation, pinapayagan ng aparato para sa kumplikadong pagmamanipula ng signal.Ang kakayahang umangkop sa control ng phase ay nagpapatunay na kapaki -pakinabang sa mga gawain sa komunikasyon at instrumento kung saan ang mga resulta ng tiyempo ay humuhubog sa mga resulta.Ang mga setting ng patlang ay madalas na ibubunyag ang kanilang pagiging matatag, pagpapanatili ng pare -pareho na pagganap sa iba't ibang mga kondisyon, isang katangian na maaaring sumasalamin sa isang pakiramdam ng pagiging maaasahan.
Ang AD9850 ay gumagamit ng isang mababang-kapangyarihan na disenyo ng CMOS, na gumagana nang mahusay sa loob ng mga parameter ng temperatura ng pang-industriya.Kumokonsumo lamang ito ng 155 MW sa isang 3.3 V na supply, na ginagawang perpekto para sa mga baterya na pinatatakbo at portable na mga aplikasyon habang nagpapanatili ng pagganap.Sa mga konteksto kung saan nakahanay ang pag -iingat ng enerhiya na may mas malawak na mga layunin, ang disenyo nito ay nag -aalok ng isang pagkakasundo sa pagitan ng pagganap at pagpapanatili.Sinusuportahan ng synthesizer ang parehong kahanay at serial na mga pamamaraan ng pag -load ng data, pinalawak ang kakayahang magamit nito sa iba't ibang mga pagsasaayos ng system.Ang kakayahang umangkop na ito ay nagtataguyod ng magkakaibang mga diskarte sa paglawak, na nagpapagana ng mga pasadyang solusyon sa mga sopistikadong sistema.Ang aktwal na mga sitwasyon ay binibigyang diin ang makinis na pagsasama nito sa parehong mga pamana at mga teknolohiyang paggupit, pinatibay ang paninindigan nito sa bukid.

|
Pin Hindi. |
Mnemonic |
Function |
|
4 hanggang 1, 28 hanggang 25 |
D0 hanggang D7 |
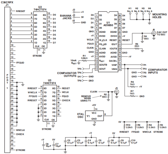
8-bit data input.Ito ang 8-bit data port para sa
iteratively loading ang 32-bit frequency at ang 8-bit phase/control word.D7
= Msb;D0 = LSB.Ang D7 (pin 25) ay nagsisilbi ring input pin para sa 40-bit
serial data-word. |
|
5, 24 |
Dgnd |
Digital Ground.Ito ang mga ground return lead para sa
Digital circuitry. |
|
6, 23 |
DVDD |
Ang boltahe ng supply ay humahantong para sa digital circuitry. |
|
7 |
W_clk |
Word load clock.Ang orasan na ito ay ginagamit upang mai -load ang kahanay
o serial frequency/phase/control words. |
|
8 |
Fq_ud |
Frequency Update.Sa tumataas na gilid ng orasan na ito, ang
Ang mga pag -update ng DDS sa dalas (o phase) na na -load sa rehistro ng data input;ito
Pagkatapos ay i -reset ang pointer sa Word 0. |
|
9 |
Clkin |
Sanggunian na pag -input ng orasan.Maaaring ito ay isang tuluy -tuloy
CMOS-level pulse train o sine input bias sa 1/2V supply.Ang tumataas na gilid
ng orasan na ito ay nagsisimula ng operasyon. |
|
10, 19 |
Agnd |
Analog Ground.Ang mga nangungunang ito ay ang pagbabalik sa lupa para sa
Analog circuitry (DAC at Comparator). |
|
11, 18 |
Avdd |
Supply boltahe para sa analog circuitry (DAC at
Comparator). |
|
12 |
Rset |
Ang panlabas na koneksyon ng Rset ng DAC.Ang risistor na halaga na ito ay nagtatakda
Ang DAC full-scale output kasalukuyang.Para sa mga normal na aplikasyon (fs, iout = 10
MA), ang halaga para sa RSET ay 3.9 kΩ na konektado sa lupa.Ang rset/iout
Ang relasyon ay iout = 32 (1.248 v/rset). |
|
13 |
Qoutb |
Kumpletong output.Ito ang pandagdag sa paghahambing
output. |
|
14 |
Qout |
Totoo ang output.Ito ang tunay na output ng paghahambing. |
|
15 |
Vinn |
Pag -iikot ng input ng boltahe.Ito ang paghahambing
negatibong input. |
|
16 |
Vinp |
Noninverting boltahe input.Ito ang paghahambing
Positibong input. |
|
17 |
DACBL (NC) |
Baseline ng DAC.Ito ang sanggunian ng boltahe ng baseline ng DAC;
Ang tingga na ito ay panloob na bypassed at dapat na karaniwang maituturing na isang hindi
Kumonekta para sa pinakamabuting kalagayan na pagganap. |
|
20 |
Ioutb |
Kumpletong analog output ng DAC. |
|
21 |
Iout |
Analog kasalukuyang output ng DAC. |
|
22 |
I -reset |
I -reset.Ito ang master reset function;Kapag nakatakda nang mataas,
Tinatanggal nito ang lahat ng mga rehistro (maliban sa input rehistro), at ang output ng DAC ay pupunta
sa cosine 0 pagkatapos ng karagdagang mga siklo ng orasan. |


|
Tampok |
Paglalarawan |
|
Dalas ng orasan |
25 MHz |
|
On-chip DAC at mga paghahambing |
Mataas na pagganap na DAC at high-speed na mga paghahambing |
|
DAC SFDR |
> 50 dB @ 40 MHz aout |
|
Dalas ng pag -tune |
32-bit frequency tuning word |
|
Control interface |
Pinasimple na interface ng control: Parallel byte o serial |
|
Naglo -load ng format |
Suportado |
|
Phase modulation |
Kakayahang modulation ng phase |
|
Power Supply |
Nagpapatakbo sa isang 3.3V o 5V solong supply ng kuryente |
|
Power Consumption (5V) |
380 MW @ 125 MHz |
|
Power Consumption (3.3V) |
155 MW @ 110 MHz |
|
Power down |
Kasama ang pag -andar ng kapangyarihan |
|
Uri ng Package |
Ultra-maliit na 28-pin SSOP package |
Narito ang isang nakabalangkas na format ng talahanayan batay sa mga teknikal na pagtutukoy, katangian, at mga parameter na ibinigay para sa Analog Device Inc. AD9850BRS, kasama ang mga detalye ng bahagi nito.
|
Parameter |
Halaga |
|
I -type |
DSP peripheral, Numeric na kinokontrol na oscillator |
|
Katayuan ng Lifecycle |
Produksyon (huling na -update: 3 linggo na ang nakakaraan) |
|
Oras ng tingga ng pabrika |
8 linggo |
|
Makipag -ugnay sa kalupkop |
Humantong, lata |
|
Uri ng pag -mount |
Surface Mount |
|
Package / Kaso |
28-ssop (0.209, 5.30mm lapad) |
|
Bilang ng mga pin |
28 |
|
Temperatura ng pagpapatakbo |
-40 ° C hanggang 85 ° C. |
|
Packaging |
Tube |
|
Code ng JESD-609 |
E0 |
|
PBFree code |
Hindi |
|
Bahagi ng Bahagi |
Aktibo |
|
Antas ng Sensitivity ng kahalumigmigan (MSL) |
1 (walang limitasyong) |
|
Bilang ng mga pagtatapos |
28 |
|
Code ng ECCN |
EAR99 |
|
Max Power Dissipation |
480MW |
|
Boltahe - Supply |
3.3v, 5v |
|
Posisyon ng terminal |
Dual |
|
Form ng terminal |
Gull Wing |
|
Temperatura ng rurok ng rurok |
240 ° C. |
|
Supply boltahe |
5v |
|
Terminal pitch |
0.65mm |
|
Abutin ang Code ng Pagsunod |
Hindi sumusunod |
|
Kadalasan |
125MHz |
|
Oras sa temperatura ng rurok ng rurok |
20 segundo |
|
BASE PART NUMBER |
AD9850 |
|
Bilangin ng pin |
28 |
|
Bilang ng mga output |
1 |
|
Katayuan ng kwalipikasyon |
Hindi kwalipikado |
|
Operating Supply Voltage |
3.3v |
|
Operating supply kasalukuyang |
96MA |
|
Nominal na supply ng kasalukuyang |
96MA |
|
Pag -dissipation ng Power |
480MW |
|
Max Supply Kasalukuyang |
96MA |
|
UPS/UCS/Peripheral ICS Type |
DSP peripheral, Numeric na kinokontrol na oscillator |
|
Bilang ng mga piraso |
10 |
|
Pag -andar ng Logic |
Orasan |
|
Pagkonsumo ng kuryente |
380MW |
|
Hangganan ng pag -scan |
Hindi |
|
Mababang mode ng kuryente |
Oo |
|
Rate ng conversion |
125 msps |
|
Resolusyon (bits) |
10 b |
|
Tuning Word Width (bits) |
32B |
|
Haba |
10.2mm |
|
Lapad |
5.3mm |
|
Katayuan ng ROHS |
Ang sumusunod na hindi rohs |
|
Libre ang Lead |
Naglalaman ng tingga |

|
Katangian |
AD9850BRS (Rochester
Electronics llc) |
AD9850BRSZ (Mga aparato ng analog
Inc) |
|
ROHS Code |
Hindi |
Oo |
|
Tagagawa ng IHS |
Rochester Electronics Inc. |
Analog Device Inc. |
|
Abutin ang Code ng Pagsunod |
Hindi kilala |
Sumunod |
|
Code ng JESD-609 |
E0 |
E3 |
|
Temperatura ng rurok ng rurok (° C) |
240 |
260 |
|
Katayuan ng kwalipikasyon |
Komersyal |
Hindi kwalipikado |
|
Pagtatapos ng terminal |
Tingga ng lata |
Matte Tin (SN) |
|
Mga tugma ng Base Number |
4 |
2 |
|
Pinagmulan ng nilalaman uid |
AD9850BRS |
AD9850BRSZ |
|
Code ng Package ng Tagagawa |
RS-28 |
RS-28 |
|
Code ng ECCN |
EAR99 |
EAR99 |
|
HTS Code |
8542.39.00.01 |
8542.39.00.01 |
|
Paglalarawan ng SamacSys |
AD9850BRS |
AD9850BRSZ, Direct Digital Synthesizer 10 bit bit
1250000ksps, 28-pin SSOP |
|
Tagagawa ng Samacsys |
Rochester Electronics LLC |
Analog Device Inc. |


Ang AD9850 ay nagpapakita ng katapangan nito sa paggawa ng tumpak na mga alon ng sine na may madaling iakma at kontrol sa phase.Ang kakayahang maayos na ayusin ang mga frequency ay nagiging isang maayos na kadahilanan sa iba't ibang mga setting ng pagsubok at pagsukat, spanning research at komersyal na paggamit.Ang kagandahan ng mga pagbabago sa phase ng Swift ay tumutulong sa pagpapahusay ng pagkakaugnay ng signal at pagbawas sa ingay ng phase, sa gayon pinapatibay ang integridad ng signal sa masalimuot na mga sistema.
Sa tumpak na mga kakayahan ng tiyempo, ang Digital Clock Recovery ay nakakahanap ng isang mahalagang kasosyo sa AD9850.Ito ay walang putol na kumukuha ng mga detalye ng tiyempo mula sa mga stream ng data, tinitiyak ang pag -synchronise.Ito ay nagpapatunay na kapaki -pakinabang sa telecommunication, kung saan ang pagpapanatili ng katapatan ng data sa panahon ng paghahatid ay nagtatanggal ng tiwala.Ang aktwal na mga aplikasyon ay humihiling ng liksi upang mapaunlakan ang iba't ibang mga rate ng data, at ang pagbagay ng AD9850 ay pumipigil sa mga pagkakamali mula sa mga tiyempo.
Sa loob ng mga sistema ng komunikasyon, ang AD9850 ay gumagawa ng mga kamangha -manghang mga kontribusyon sa pamamagitan ng pagpino ng mga proseso ng modulation at demodulation.Ang matatag na henerasyon ng dalas nito ay sumusuporta sa mahusay na pagpapalitan ng data.Ang aparatong ito ay madalas na ginagamit upang mapalakas ang kalinawan ng signal, i -off ang pagkagambala, at mapaunlakan ang magkakaibang mga protocol ng komunikasyon, na sa huli ay nagbabago ng mga network ng komunikasyon na may pinahusay na kalidad at saklaw ng signal.
Ang paggamit ng AD9850 para sa digital na kinokontrol na henerasyon ng ADC code ay nagtatampok ng katumpakan nito sa pagsasalin ng mga signal ng analog sa mga digital code.Ito ay gumaganap ng isang malubhang papel sa mga sistema ng pagkuha ng data na hinihingi ang tumpak na representasyon ng digital signal.Ang pagiging maaasahan at kawastuhan ng AD9850 ay nagpapadali sa mataas na resolusyon at tapat na pag-convert ng mabilis na pagbabagu-bago ng mga signal, na pinapatibay ang papel nito sa mga arena na may mataas na katumpakan.
Bilang isang maliksi na lokal na oscillator, sinusuportahan ng AD9850 ang mga pagsusumikap na nangangailangan ng mabilis na mga pagbabago sa dalas at katatagan, tulad ng mga radar at mga instrumento sa pagsubok.Ang paggamit ng AD9850 ay maaaring magpataas ng pagganap ng system, pagpapagana ng mabilis na pagbagay sa umuusbong na mga kondisyon at pagpapanatili ng katumpakan ng system sa paglipas ng panahon, sa gayon ang paglalagay ng paraan para sa mga makabagong teknolohiya na nakatayo sa kurso.
Ang Analog Device, Inc. (ADI), na kilala sa kanyang mapag-imbento na katapangan sa mga pagsulong ng analog at halo-halong-signal mula pa noong 1965, ay patuloy na nakaposisyon sa sarili bilang isang pinuno sa pagbabagong elektronikong signal.Ang mga sangkap nito ay gumaganap ng isang pangunahing papel sa pagkonekta sa mga pisikal at digital na mundo, na umaabot sa higit sa 100,000 mga customer sa buong mundo.Ang mga produktong ito ay nagbabago ng tunog, ilaw, paggalaw, at temperatura sa mga de -koryenteng signal, pagyamanin ang mga kakayahan ng napakaraming mga elektronikong aparato.Ang advanced na teknolohiya ng ADI ay sumisid sa magkakaibang sektor sa telecommunication, pangangalaga sa kalusugan, automotiko, at elektronikong consumer.
Ang AD9850 ay nagpapatunay na isang nakakahimok na pagpipilian para sa pagtatayo ng isang mababang-kapangyarihan na transmiter.Pinapabilis nito ang maikli hanggang sa katamtamang-saklaw na pagpapadala gamit ang modulation ng Frequency Shift Keying (FSK).Sa aktwal na mga sitwasyon, maaari mong magamit ang katumpakan nito sa mga proyekto ng amateur radio, maingat na na -optimize ang kalinawan ng signal at pagiging maaasahan sa loob ng mga napiling dalas na banda.
Ang AD9850 ay sanay sa paggawa ng iba't ibang mga alon tulad ng sine, square, at tatsulok.Ang paggamit ng direktang digital synthesis (DDS) na kakayahan, maaari mong masalimuot na ayusin ang mga alon na ito upang matugunan ang iba't ibang mga pang -eksperimentong pang -eksperimentong pangangailangan, na itinampok ang kakayahang umangkop sa teknolohiyang ito sa paglikha ng alon.
Ang modelo ng AD9850BRS ay nakikilala ang sarili sa mga natatanging tampok tungkol sa saklaw ng temperatura at packaging.Ang mga pagkakaiba na ito ay umaangkop sa mga aplikasyon kung saan ang mga kadahilanan sa kapaligiran ay nangangailangan ng tiyak na tibay, tinitiyak ang matagal na pagganap at kahabaan ng buhay sa magkakaibang mga konteksto ng pagpapatakbo.
Pagpili sa pagitan ng MAX038 at ang mga bisagra ng AD9850 sa mga tiyak na pangangailangan ng aplikasyon.Ang mga pananaw mula sa Highlight Digital Synthesis (AD9850) o isang pamamaraan ng analog (MAX038) ay batay sa mga kadahilanan tulad ng katumpakan, scalability, at kadalian ng pagsasama.Marami ang nalaman na ang mga digital na landas ay madalas na nagbibigay ng pinahusay na kakayahang umangkop para sa mga kontemporaryong aplikasyon.
Sa Protel, ang AD9850 ay inaalok sa isang DIP28 package.Ang format na ito ay pinahahalagahan para sa pag -access nito sa mga setting ng prototyping at pang -edukasyon, na nagpapagana ng streamline na pagpupulong at pagsubok sa iba't ibang mga kapaligiran sa pag -unlad ng hardware at software.
Mangyaring magpadala ng isang pagtatanong, tutugon kami kaagad.
sa 2024/10/28
sa 2024/10/28
sa 8000/04/18 147780
sa 2000/04/18 112050
sa 1600/04/18 111352
sa 0400/04/18 83806
sa 1970/01/1 79608
sa 1970/01/1 66988
sa 1970/01/1 63113
sa 1970/01/1 63049
sa 1970/01/1 54097
sa 1970/01/1 52199