
Larawan 1: Potentiometer
A Potentiometer ay isang pangkaraniwang sangkap sa mga electronic circuit, na pangunahing ginagamit bilang isang adjustable risistor.Ito ay pinapaboran sa iba't ibang mga aplikasyon dahil sa kadalian ng pagsasaayos.Mahalaga, ang isang potentiometer ay kumokontrol sa daloy ng electric kasalukuyang sa pamamagitan ng pagpapahintulot sa mga gumagamit na baguhin ang halaga ng paglaban nito, sa gayon ay tumpak na pamamahala ng iba't ibang mga parameter sa loob ng isang circuit.Halimbawa, maaari itong ayusin ang dami sa mga aparato ng audio o ang ningning sa mga sistema ng pag -iilaw sa bahay.
Ang pangunahing istraktura ng isang potentiometer ay binubuo ng isang resistive na elemento na gawa sa mga materyales tulad ng carbon o metal, at isang palipat -lipat na wiper, na kilala rin bilang isang slider.Ang pag -aayos ng isang potentiometer ay karaniwang nagsasangkot ng pag -ikot o pag -slide ng wiper na ito sa buong resistive na materyal.Ang kilusang ito ay nagbabago sa posisyon ng wiper, binabago ang dami ng kasalukuyang pagdaan sa seksyong iyon at sa gayon binabago ang pangkalahatang pagtutol ng circuit.
Ang mga potentiometer na may tatlong pin ay madalas na gumagamit ng gitnang pin upang kumonekta sa wiper, habang ang mga panlabas na pin ay nakakabit sa alinman sa dulo ng resistive element.Sa maraming mga pag -setup, ang pagsasaayos na ito ay nagbibigay -daan sa potentiometer na kumilos bilang isang boltahe divider, pamamahagi ng boltahe batay sa posisyon ng wiper.Gayunpaman, para sa mga simpleng pagsasaayos ng paglaban, tanging ang gitnang pin at isang panlabas na pin ang ginagamit, na inilalagay ang potentiometer sa isang variable na mode ng resistor.
Kapag pumipili ng isang potentiometer para sa mga praktikal na aplikasyon, ang mga pagsasaalang -alang tulad ng pagpapaubaya ng boltahe at rating ng kuryente ay mahalaga upang matiyak na ito ay nagpapatakbo nang ligtas at maaasahan sa ilalim ng mga tiyak na kondisyon ng circuit.Ang pisikal na disenyo ng potentiometer ay dapat umangkop sa operating environment nito.Halimbawa, sa mga kondisyon na may mataas na temperatura o mahalumigmig, ang mga materyales na lumalaban sa init o kahalumigmigan ay maaaring kailanganin upang mapahusay ang tibay at pagiging maaasahan.
Pinagsasama ng mga potentiometer ang pagiging teknikal at pagiging praktiko, na ginagawa silang isang nangungunang pagpipilian para sa mga elektronikong taga -disenyo at inhinyero kapag lumilikha ng mga circuit.Kung para sa tumpak na mga pagsukat ng elektrikal sa mga lab o interactive na mga interface ng gumagamit sa mga electronics ng consumer, ang mga potentiometer ay nag -aalok ng isang simple ngunit epektibong solusyon.Ang pag -unawa sa kanilang mga prinsipyo sa pagpapatakbo at mga katangian ng istruktura ay maaaring makabuluhang mapabuti ang kanilang paggamit upang matugunan ang mga tiyak na mga kinakailangan sa teknikal at mga inaasahan sa pag -andar.

Larawan 2: Mga simbolo ng potentiometer
Ang proseso ng pagmamanupaktura ng isang potentiometer ay detalyado at hinihingi ang mataas na katumpakan ng teknikal, na kinasasangkutan ng ilang mga hakbang na idinisenyo upang matiyak ang pag -andar at pagiging maaasahan ng panghuling produkto.Sa una, ang proseso ay nagsisimula sa pagpili ng tamang resistive material.Ang pagpili na ito ay maaaring magsama ng mga composite ng carbon, metal films, o conductive plastik.Natutukoy ng mga materyales na ito ang saklaw ng paglaban, kawastuhan, at kakayahang makatiis ng potentiometer tulad ng temperatura, kahalumigmigan, at pisikal na pagsusuot.

Larawan 3: Panlabas na Panimula ng Potentiometer
Ang pangunahing istraktura ng isang potentiometer ay nagsasama ng isang conductor na tulad ng conductor na sakop ng isang pantay na layer ng resistive material.Ang strip na ito ay karaniwang ginawa mula sa mataas na conductive na materyales tulad ng tanso o aluminyo upang matiyak ang maayos na pagpasa ng kasalukuyang.Ang proseso ng paglalapat ng resistive material ay dapat na tumpak upang matiyak na ang paglaban sa kahabaan ng strip ay pantay at maaasahan.Ang kapal at gabi ng patong ay mahalaga para sa pagganap ng potentiometer, na ginagawang mahigpit ang pagsubaybay at kontrol ng proseso ng patong na ito.Ang mga pin na ito ay hindi lamang nagbibigay ng mga puntos ng koneksyon sa panlabas na circuit ngunit sinusuportahan din ang pangkalahatang katatagan ng istraktura.Ang gitnang pin ay kumokonekta sa isang palipat -lipat na wiper, ang kritikal na sangkap ng mekanismo ng pagsasaayos ng potentiometer.Ginawa mula sa malambot ngunit matibay na mga materyales tulad ng grapayt o isang haluang metal na haluang metal, ang mga wiper slide sa buong resistive strip nang hindi nasisira ito.
Ang disenyo ng wiper ay dapat gumawa ng tumpak at maaasahang pakikipag -ugnay sa resistive strip.Inaayos ng mga gumagamit ang paglaban sa pamamagitan ng pag -on ng isang knob o pag -slide ng wiper, pagbabago ng contact point kasama ang strip.Ang pagsasaayos na ito ay nagbabago sa paglaban sa buong seksyon ng Wiper, sa gayon binabago ang pangkalahatang pagtutol sa circuit.Ang isang mahusay na dinisenyo na wiper ay hindi lamang nagsisiguro ng maayos at tumpak na mga pagsasaayos ngunit pinalawak din ang habang-buhay ng potentiometer sa pamamagitan ng pagpigil sa labis na pagsusuot na maaaring humantong sa functional na pagkabigo.

Larawan 4: Panloob na istraktura ng potentiometer
Ang pagpupulong ng mga potentiometer ay nagaganap sa lubos na awtomatikong mga linya ng produksyon na matiyak na ang bawat sangkap ay tumpak na naka -install para sa pagkakapare -pareho.Matapos ang pagpupulong, ang bawat potentiometer ay sumasailalim sa mahigpit na pagsubok para sa kawastuhan ng paglaban, tibay, at kakayahang umangkop sa kapaligiran upang masiguro ang pinakamainam na pagganap sa setting ng aplikasyon nito.Sa pamamagitan ng masalimuot na proseso ng pagmamanupaktura na ito, ang mga potentiometer ay mahusay na nagsisilbing variable na resistors o boltahe na divider sa mga circuit, na nag -aalok ng maaasahang mga kakayahan sa pagsasaayos para sa kasalukuyang o boltahe.

Larawan 5: Mga uri ng potentiometer
Ang mga potentiometer ay kailangang -kailangan na mga sangkap sa mga electronic circuit, na may iba't ibang uri na idinisenyo para sa mga tiyak na aplikasyon.Ang mga sangkap na ito ay ikinategorya batay sa kanilang mga pamamaraan ng pagpapatakbo at mga kinakailangan sa aplikasyon, ang bawat isa ay nag -aalok ng mga natatanging tampok at benepisyo.
Rotary potentiometer ay ang pinaka -karaniwang uri.Ang mga ito ay simple sa disenyo at malawak na ginagamit sa mga elektronikong consumer.Inaayos ng mga gumagamit ang mga halaga ng paglaban sa pamamagitan ng pag -ikot ng isang knob, direktang pagkontrol ng mga parameter tulad ng dami o ningning.Ang knob na ito ay karaniwang lumiliko sa sunud -sunod o counterclockwise, na nagpapahintulot sa mga gumagamit na madagdagan o bawasan ang paglaban, sa gayon binabago ang kasalukuyang dumadaloy sa pamamagitan ng potentiometer.Ang mga rotary potentiometer ay mainam para sa mga kagamitan sa audio tulad ng mga amplifier at tagatanggap dahil nag -aalok sila ng makinis, patuloy na pagsasaayos na minimally nakakaapekto sa kalidad ng tunog.
Ang mga dual-gang potentiometer ay idinisenyo upang makontrol ang dalawang magkahiwalay na mga channel ng audio nang sabay-sabay, na karaniwang ginagamit sa mga stereo audio system.Tinitiyak nila ang pag -synchronize ng dami ng mga pagsasaayos ng kaliwa at kanang mga audio channel upang mapanatili ang balanseng output.Ang pag -synchronize na ito ay nakamit sa pamamagitan ng pag -iipon ng dalawang hanay ng mga resistive track at pag -slide ng mga contact sa loob ng parehong mekanikal na istraktura, na pinapayagan ang mga pagsasaayos ng mga knobs sa magkabilang panig upang lumipat nang magkasama, sa gayon pinapanatili ang pagkakapare -pareho sa pagitan ng mga channel.
Slide Potentiometer Patakbuhin sa pamamagitan ng isang linear sliding motion, na ginagawang angkop para sa mga application na pinipilit ng espasyo tulad ng mga audio mixer at mga console ng ilaw.Hindi tulad ng rotary potentiometer, ang mga slide potentiometer ay may tuwid na tilapon sa pagpapatakbo, na nagbibigay ng mga gumagamit ng tumpak na kontrol sa mga pagbabago sa paglaban.Ang mga potentiometer na ito ay madalas na matatagpuan sa mga propesyonal na kagamitan sa audio kung saan ang mabilis at tumpak na mga pagsasaayos ay mahalaga, dahil ang visual slide path ay tumutulong sa mga gumagamit na masukat ang antas ng pagsasaayos nang direkta.
Trimmer potentiometer ay inhinyero para sa mga pagsasaayos ng paglaban sa high-precision.Ang mga ito ay karaniwang maliit at nangangailangan ng isang distornilyador o dalubhasang tool para sa mga pagsasaayos, na ginagawang perpekto ang mga ito para magamit sa mga laboratoryo at mga instrumento ng katumpakan kung saan ang mga menor de edad na pagbabago sa paglaban ay maaaring makabuluhang makakaapekto sa pangkalahatang pagganap ng system.
Ang mga digital na potentiometer ay kumakatawan sa modernong ebolusyon ng teknolohiyang potentiometer, na nagpapatakbo sa pamamagitan ng mga digital na signal sa halip na mga paggalaw ng mekanikal.Ang mga potentiometer na ito ay nag-aayos ng mga halaga ng paglaban sa pamamagitan ng pagtanggap ng mga digital code (tulad ng SPI o I2C protocol), na ginagawang maayos ang mga ito para sa mga kumplikadong elektronikong sistema na nangangailangan ng control control.Nag-aalok ang mga digital na potentiometer ng mga kakayahan sa remote control at mas mataas na katumpakan, na lalong nakakahanap ng mga aplikasyon sa awtomatikong kagamitan at mga elektronikong consumer ng high-end.
Sa pamamagitan ng pag -unawa sa mga nuances ng pagpapatakbo at mga tiyak na aplikasyon ng mga iba't ibang uri ng potentiometer, mas mahusay na isama ng mga gumagamit ang mga ito sa mga elektronikong sistema upang makamit ang nais na mga resulta nang epektibo.
Ang isang potentiometer, na karaniwang tinutukoy bilang isang palayok, mahalagang nagsisilbing isang variable na risistor, kung saan ang mga pagsasaayos ay ginawa sa pamamagitan ng isang knob na nakaposisyon sa tuktok nito.Ang mga aparatong ito ay ikinategorya ng dalawang pangunahing katangian: paglaban, sinusukat sa OHMS (R), at kapasidad ng kapangyarihan, na sinusukat sa Watts (P).
Ang halaga ng paglaban ay nagdidikta sa antas ng pagsalungat na ibinibigay nito sa electric kasalukuyang, isang mas mataas na resulta ng pagtutol sa mas kaunting kasalukuyang daloy.Ang mga karaniwang halaga ng pagtutol para sa potentiometer ay may kasamang 500Ω, 1k, 2k, 5k, 10k, 22k, 47k, 50k, 100k, 220k, 470k, 500k, at 1m.Ang rating ng kuryente ng isang potentiometer ay nagpapahiwatig ng dami ng kasalukuyang maaari itong ligtas na hawakan.Karaniwan, ang isang potentiometer na may isang rating na 0.3W ay sapat para sa mga mababang circuit.
Halaga ng Paglaban: Mahalaga na pumili ng isang potentiometer na ang pagtutol ay tumutugma sa mga pangangailangan ng iyong circuit.Ang mga potentiometer ay dumating sa isang malawak na hanay ng mga sukat at hugis, mula sa ilang mga ohms hanggang sa maraming mga megaohms.
Tolerance: Ang kadahilanan na ito ay sumasalamin sa kakayahang mapanatili ang pare -pareho na mga antas ng paglaban at ipinahayag bilang isang porsyento.Ang isang mas mababang porsyento ng pagpapaubaya ay nangangahulugang isang mas tumpak na pagbabasa.Kung ang iyong aplikasyon ay nangangailangan ng eksaktong mga halaga ng paglaban, mag -opt para sa mga potentiometer na may mas mababang antas ng pagpaparaya.
Rated Power: Kapag pumipili ng isang potentiometer, isaalang -alang ang rate ng kapangyarihan nito, na nagpapakita kung magkano ang wattage na maaaring hawakan ng sangkap nang walang sobrang pag -init o pagkabigo.Pumili ng isang potentiometer na may sapat na rating ng kuryente upang matugunan ang mga hinihingi ng enerhiya ng iyong tukoy na circuit.
Uri ng Potentiometer: Piliin ang uri na pinakamahusay na umaangkop sa iyong aplikasyon.Ang mga linear potentiometer ay angkop para sa mga aplikasyon na nangangailangan ng isang linear na tugon, tulad ng dami o mga kontrol sa tono.Ang Logarithmic potentiometer ay mainam para sa mga aplikasyon ng audio kung saan ang mga pagbabago sa dami ay napansin na logarithmically ng tainga ng tao.Ang mga multi-turn potentiometer ay mahusay para sa tumpak na pagkakalibrate, habang ang mga digital potentiometer ay angkop para sa pagproseso ng digital signal.
Laki ng pisikal: Ang laki ng potentiometer ay partikular na mahalaga sa mga kapaligiran na napipilitan sa espasyo.Tiyakin na ang potentiometer na pinili mo ay umaangkop sa magagamit na puwang sa iyong proyekto o application.
Uri ng pag-mount: Ang mga potentiometer ay may iba't ibang mga pagpipilian sa pag-mount, tulad ng panel mount, PCB mount, o sa pamamagitan ng hole mount.Pumili ng isa na katugma sa iyong circuit board o pabahay.
Kapag gumagamit ng isang potentiometer, ang pag -unawa sa mga pag -andar ng tatlong mga terminal nito ay susi.Hindi tulad ng ordinaryong dalawang-terminal na resistors, ang ikatlong terminal ng isang potentiometer ay nagbibigay ng karagdagang pag-andar, na nagpapahintulot na maglaro ito ng isang mas kumplikadong papel sa isang circuit kaysa sa isang tradisyunal na nakapirming risistor.

Larawan 6: Tatlong mga terminal ng potentiometer
Ang potentiometer ay binubuo ng dalawang nakapirming mga terminal (minarkahang 1 at 3) at isang adjustable center terminal (minarkahan 2).Ang mga nakapirming mga terminal ay konektado sa resistive na materyal ng potentiometer, habang ang gitnang terminal ay konektado sa isang palipat -lipat na slider o wiper.Ang slider na ito ay libre upang ilipat kasama ang resistive material, sa gayon binabago ang haba ng resistive na landas sa gitnang terminal.

Larawan 7: Potentiometer
Bilang isang halimbawa, isaalang -alang ang isang karaniwang 10kΩ potentiometer.Nang hindi isinasaalang-alang ang mga gitnang terminal, ang pagsukat mula sa terminal 1 hanggang terminal 3 ay dapat na 10kΩ, na kumakatawan sa buong haba ng paglaban ng potentiometer.Kapag pinagana ang gitnang terminal, kung ang slider ay nakatakda sa 25% mula sa terminal 1, ang paglaban mula sa terminal 1 hanggang terminal 2 ay mababawasan sa 25% ng kabuuang pagtutol, na 2.5kΩ;Alinsunod dito, ang paglaban mula sa terminal 2 hanggang terminal 3 kung gayon ito ang natitirang 75%, na 7.5kΩ.
Ang posisyon ng gitnang terminal ay maaaring nababagay na nababagay sa pamamagitan ng pag -on ng knob na matatagpuan sa tuktok ng potentiometer.Ang pamamaraan ng pagsasaayos na ito ay nagbibigay ng gumagamit ng mahusay na kontrol sa halaga ng paglaban at mainam para sa mga aplikasyon na nangangailangan ng mahusay na pagsasaayos ng kasalukuyang intensity, tulad ng kontrol ng dami o pagsasaayos ng ilaw.Ang kakayahang umangkop na ito ay gumagawa ng potentiometer ng isang mahalagang bahagi ng pag -regulate ng pag -andar ng isang aparato.
Ang nababagay na tampok na ito ng potentiometer ay partikular na mahalaga sa panahon ng mga yugto ng elektronikong prototyping at pagsubok.Sa pamamagitan ng pagbabago ng posisyon ng slider, maaaring subukan ng mga taga -disenyo ang epekto ng iba't ibang mga halaga ng risistor sa pag -uugali ng circuit nang hindi kinakailangang palitan ang mga resistors.Hindi lamang ito nagpapabuti sa kahusayan ng pagsubok ngunit lubos na nagpapabuti sa kakayahang umangkop at bilis ng pag -iiba ng disenyo ng circuit.
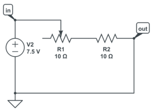
Ang mga potentiometer ay naglalaro ng isang mahalagang papel sa disenyo ng circuit, lalo na nagsisilbing variable resistors o boltahe divider.Ang mga application na ito ay umaasa sa kanilang kakayahang ayusin ang mga halaga ng paglaban, pagpapagana ng tumpak na kontrol sa kasalukuyan o boltahe sa loob ng isang circuit.Isaalang -alang ang isang karaniwang 10kΩ potentiometer, na maaaring ayusin ang paglaban nito mula 0Ω hanggang sa 10kΩ, na nag -aalok ng mataas na kakayahang umangkop upang matugunan ang magkakaibang mga kinakailangan sa circuit.

Larawan 8: Potentiometer bilang isang variable na risistor
Kapag ginamit bilang isang variable na risistor, binabago ng isang potentiometer ang daloy ng kasalukuyang sa pamamagitan ng patuloy na pag -aayos ng paglaban sa pagitan ng dalawang dulo nito.Sa pag -setup na ito, ang isang dulo ng potentiometer ay konektado sa mapagkukunan ng kuryente, at ang isa pa sa isang pag -load, tulad ng isang motor o light bombilya.Ang ikatlong terminal, karaniwang isang sliding contact o wiper, ay gumagalaw ayon sa mga pagsasaayos ng gumagamit, binabago ang punto ng koneksyon nito na may mapagkukunan o pag -load.Pinapayagan ng pagmamanipula na ito ang mga gumagamit na manu -manong mag -regulate ng kasalukuyang dumadaloy sa pamamagitan ng pag -load, pagkontrol sa mga aspeto ng pagpapatakbo tulad ng bilis ng motor o light light.

Larawan 9: Potentiometer bilang isang divider ng boltahe
Sa kabilang banda, kapag nagsisilbing isang boltahe divider, ang papel ng potentiometer ay upang hatiin ang boltahe ng input upang magbigay ng isang variable na boltahe ng output.Nakamit ito sa pamamagitan ng pag -configure ng potentiometer bilang isang distributor ng boltahe, kung saan ang boltahe ng input ay inilalapat sa buong dalawang dulo ng potentiometer, at ang output boltahe ay kinuha mula sa pagitan ng sliding contact at isa sa mga nakapirming dulo.Ang pagsasaayos na ito ay nagbibigay -daan sa potentiometer upang maihatid ang anumang intermediate na antas ng boltahe mula sa zero volts hanggang sa maximum na boltahe ng pag -input, na partikular na kapaki -pakinabang sa pag -aayos ng mga antas ng signal sa pagproseso ng audio at pagpapalakas ng signal.
Ang pagpili ng taper sa isang potentiometer ay direktang nakakaimpluwensya sa curve ng pagtugon ng mga pagsasaayos ng paglaban, sa gayon ay nakakaapekto sa pangkalahatang pagganap at pakikipag -ugnayan ng gumagamit.Mahalagang inilarawan ni Taper kung paano nagbabago ang halaga ng paglaban habang ang potentiometer ay nakabukas o slid.Ang pagbabagong ito ay graphically na kinakatawan ng isang curve ng relasyon sa pagitan ng output ng potentiometer at ang mekanikal na posisyon nito, na karaniwang ikinategorya sa mga uri ng linear at logarithmic.

Larawan 10: Linear Taper Potentiometer
Ang mga linear taper potentiometer ay nagsisiguro na ang pagtaas o pagbaba ng paglaban ay pantay sa buong saklaw ng operasyon nito.Iyon ay, habang umiikot o i -slide ang kontrol ng potentiometer, ang mga pagbabago sa paglaban sa isang linear proporsyon.Halimbawa, kung ang potentiometer ay nakabukas sa 50% ng saklaw nito, ang paglaban ay umabot sa 50% ng pinakamataas na halaga nito.Ang katangian na ito ay gumagawa ng mga linear taper potentiometer na angkop para sa mga aplikasyon na nangangailangan ng tumpak na boltahe o kasalukuyang kontrol, tulad ng makinis na pag-tune ng mga signal ng input/output sa mga kagamitan sa pagsubok at pagsukat o patuloy na pag-aayos ng output sa mga suplay ng kuryente.

Larawan 11: logarithmic taper potentiometer
Ang Logarithmic taper potentiometer, sa kabilang banda, ay sumunod sa isang curve na hindi linya ng pagsasaayos, karaniwang exponential, na nangangahulugang ang paglaban ay mabagal sa pagsisimula ng pagsasaayos at mas mabilis sa pagtatapos.Ang pattern na ito ay partikular na kapaki -pakinabang para sa mga aplikasyon ng control ng audio, dahil nakikita ng tainga ng tao ang mga antas ng tunog na logarithmically.Ang paggamit ng isang logarithmic potentiometer sa dami ng kontrol ay nagbibigay -daan para sa isang mas natural na pagsasaayos ng tunog ng tunog, na ginagawang pagtaas o pagbaba ng dami ay lumilitaw na mas balanseng at makinis, sa halip na biglang.
Ang pag -unawa sa mga prinsipyo ng nagtatrabaho at mga sitwasyon ng aplikasyon ng iba't ibang mga potentiometer ng taper ay mahalaga para sa disenyo ng mga elektronikong aparato.Ang pagpili ng tamang uri ng taper ay hindi lamang tungkol sa pagtutugma ng mga teknikal na pagtutukoy;Kasama rin dito ang pagpapahusay ng karanasan sa pakikipag-ugnay ng end-user sa produkto.Halimbawa, sa disenyo ng interface ng gumagamit, ang paggamit ng isang logarithmic potentiometer upang ayusin ang background lighting o screen lightness ay nagreresulta sa isang mas madaling maunawaan at komportableng karanasan ng gumagamit, dahil ang pamamaraang ito ng pagsasaayos ay mas malapit na nakahanay sa pang -unawa ng mata ng tao sa mga pagbabago sa ningning.
Kapag ang mga kable ng isang potentiometer, ang iyong diskarte ay depende sa kung paano mo planong gamitin ito.Karaniwan, ang gitnang pin ay ang wiper.Ang pag -ikot ng baras sa kanan (o paglipat ng slider) ay binabawasan ang paglaban sa pagitan ng wiper at kanang pin.Ang paglipat nito sa kaliwa ay binabawasan ang paglaban sa pagitan ng wiper at kaliwang pin.Minsan makatuwiran na gamitin ang lahat ng tatlong mga pin, ngunit sa ibang mga oras, baka kailangan mo lamang ng dalawa.Galugarin natin ang ilang mga halimbawa.
Kung kailangan mo ng isang simpleng risistor kung saan maaari mong ayusin ang paglaban, kailangan mo lamang ng dalawang pin: ang gitnang pin at isa sa mga pin ng gilid.Narito kung paano mo maiugnay ang isang potentiometer upang malabo ang isang light-emitting diode (LED).Sa mga praktikal na circuit, maaaring kailanganin mong magdagdag ng isang serye ng risistor upang matiyak na ang pag -aayos ng paglaban sa zero ay hindi makapinsala sa LED.Ang pag -ikot ng baras sa isang direksyon ay nagdaragdag ng paglaban, dimming ang LED;Ang pag -on nito sa iba pang paraan ay bumababa ng pagtutol, na ginagawang mas maliwanag ang LED.
Minsan, maaari kang makakita ng isang diagram ng circuit kung saan ang gitna at isa sa mga pin ng gilid ay konektado sa parehong punto.Bakit ito tapos?Ang ganitong uri ng koneksyon ay mahalagang gumagamit lamang ng dalawang pin dahil ang pagkonekta sa ikatlong pin sa gitna ng isa ay hindi nakakaapekto sa paglaban.Mas gusto ng ilang mga tao ang pamamaraang ito sapagkat pinapagod nito ang circuit sa pamamagitan ng pag -alis ng isang hindi nagamit na pin, na maaari ring gawing mas malinis at mas maayos ang eskematiko.
Sa halimbawang ito, ang lahat ng tatlong mga pin ng potentiometer ay ginagamit upang lumikha ng isang simpleng paraan upang ayusin ang dami ng isang audio amplifier.Sa pamamagitan ng pagkonekta nito sa ganitong paraan, lumikha ka ng isang divider ng boltahe na maaaring bawasan ang boltahe ng signal ng pag -input.Kung mas lumiko mo ang baras, mas bumababa ang dami.Ang ganitong uri ng mga kable ay karaniwan sa mga kagamitan sa audio.
Ang bawat isa sa mga pag -setup ng mga kable na ito ay nagpapakita kung paano ang pag -aayos ng mga koneksyon ng potentiometer ay maaaring maiangkop ang pag -andar nito sa mga tiyak na aplikasyon, mula sa mga simpleng kontrol sa pag -iilaw hanggang sa mas kumplikadong mga audio system.Ang pag -unawa kung paano manipulahin ang mga koneksyon na ito ay nagbibigay -daan para sa higit na kakayahang umangkop at katumpakan sa disenyo ng elektronikong circuit.
Ang pag -aayos ng mga isyu sa potentiometer na mga kable ay mahalaga kapag nakikitungo sa mga pagkakamali na maaaring makaapekto sa pagganap ng iyong mga circuit at potensyal na makapinsala sa iyong mga aparato.Upang epektibong mag -diagnose at malutas ang mga isyung ito, kinakailangan ang isang komprehensibong pagsusuri ng potentiometer at ang mga koneksyon nito ay kinakailangan.
Ang isang kritikal na unang hakbang ay upang suriin ang higpit ng mga koneksyon ng potentiometer.Ang maluwag na mga kable ay maaaring humantong sa hindi matatag na mga halaga ng paglaban, na kung saan ay nakakaapekto sa output ng circuit.Halimbawa, sa isang circuit control circuit, ang maluwag na koneksyon ay maaaring maging sanhi ng hindi kanais -nais na ingay o biglaang pagtalon sa dami kapag nag -aayos.Upang suriin ang mga maluwag na koneksyon, malumanay na wiggle ang mga wire at ang mga pin ng potentiometer at obserbahan ang anumang mga palatandaan ng pagkawala.Kung ang anumang maluwag na koneksyon ay matatagpuan, dapat silang ligtas na ma -reattach gamit ang naaangkop na mga tool, tulad ng isang bakal na paghihinang.
Susunod, suriin para sa anumang mga maikling circuit sa circuit.Ang mga shorts ay maaaring mangyari dahil sa hindi tamang mga kable o panloob na pinsala sa potentiometer, na lumilikha ng isang hindi sinasadyang koneksyon sa kuryente sa pagitan ng dalawang puntos na hindi dapat direktang konektado.Ang isang maikling circuit ay maaaring humantong sa abnormally mataas na kasalukuyang daloy, na hindi lamang maaaring makagambala sa pag -andar ng circuit ngunit din ang panganib sa sobrang pag -init at potensyal na pagsunog ng potentiometer o iba pang mga elektronikong sangkap.Ang paggamit ng isang set ng multimeter upang masukat ang paglaban ay makakatulong na makita ang mga potensyal na maikling circuit sa pamamagitan ng pagsuri sa mga halaga ng paglaban sa iba't ibang bahagi ng circuit.
Sa wakas, mahalaga na siyasatin ang potentiometer mismo at ang mga sangkap sa paligid nito.Ang pinsala sa potentiometer ay maaaring mangyari dahil sa mekanikal na pagsusuot, labis na kasalukuyang, o mga kadahilanan sa kapaligiran tulad ng temperatura at kahalumigmigan.Pagsubok kung ang paglaban ay nagbabago nang maayos habang inaayos mo ang potentiometer ay maaaring magpahiwatig ng kondisyon nito.Kung ang paglaban ay nagbabago nang walang tigil o hindi tumugon sa panahon ng pagsasaayos, maaaring iminumungkahi na ang mga palipat -lipat na bahagi ng potentiometer, tulad ng slider o knob, ay napapagod o nasira.Bilang karagdagan, ang pagsuri para sa mga palatandaan ng pinsala o hindi normal na mga kondisyon sa mga elektronikong sangkap na malapit sa potentiometer ay inirerekomenda din, dahil ang mga ito ay maaaring mag -ambag sa mga potentiometer na isyu nang hindi direkta.
Sa pamamagitan ng pagsunod sa mga hakbang na ito, maaari mong epektibong mag -diagnose at malutas ang mga isyu na may kaugnayan sa potentiometer na mga kable at pag -andar, tinitiyak ang katatagan at kaligtasan ng iyong mga circuit.Ang patuloy na pagmamasid at masusing paghawak ay susi sa panahon ng pag-aayos, habang ang pasensya at isang sistematikong diskarte sa paglutas ng problema ay maaaring makabuluhang mapahusay ang iyong kahusayan sa paglutas ng mga isyung ito.
Ang papel ng potentiometer sa modernong electronics ay hindi maaaring ma -overstated.Ang kakayahang gumana bilang parehong isang variable na risistor at isang boltahe divider ay ginagawang kailangang -kailangan sa paglikha ng madaling iakma at mahusay na mga electronic circuit.Kung ang pag-aayos ng dami sa isang audio device, pag-calibrate ng mga antas ng signal sa isang pag-setup ng pagsubok, o pinong pag-tune ng ningning ng mga LED, ang potentiometer ay nananatiling isang pundasyon ng elektronikong disenyo.Ang kakayahang magamit nito ay naitugma sa pangangailangan para sa tumpak na pagpili at aplikasyon, tinitiyak na ang bawat potentiometer ay hindi lamang nakakatugon sa mga teknikal na hinihingi ng circuit ngunit pinapahusay din ang pakikipag -ugnayan ng gumagamit sa aparato.Sa pamamagitan ng pagyakap sa mga pananaw at detalyadong pagsusuri ng mga pag -andar ng potentiometer, ang isa ay maaaring makabuluhang mapabuti ang pagganap at pagiging maaasahan ng mga elektronikong proyekto, na naglalagay ng paraan para sa mga makabagong ideya na patuloy na itulak ang mga hangganan ng kung ano ang posible sa mga simpleng ngunit epektibong elektronikong sangkap.
Ang isang potentiometer ay pangunahing ginagamit upang ayusin ang paglaban sa loob ng isang elektronikong circuit.Pinapayagan nito na kontrolin ang iba't ibang mga parameter tulad ng dami sa mga kagamitan sa audio, ningning sa mga sistema ng pag -iilaw, at pangkalahatang pagsasaayos ng mga antas ng signal.
Upang masubukan ang isang potentiometer, kakailanganin mo ng isang multimeter na nakatakda sa mode ng pagsukat ng paglaban.Ikonekta ang mga probes ng multimeter sa mga terminal pin ng potentiometer (karaniwang ang mga panlabas na pin).Paikutin ang potentiometer knob o slide sa buong saklaw nito at obserbahan ang mga pagbabago sa halaga ng paglaban sa multimeter, tinitiyak na nagbabago sila nang maayos at palagi.
Ang isang potentiometer ay maaaring makontrol ang parehong boltahe at kasalukuyang hindi direkta sa pamamagitan ng pag -aayos ng paglaban.Bilang isang variable na risistor, pangunahing kinokontrol nito kung magkano ang kasalukuyang dumadaloy sa bahagi ng isang circuit.Na -configure bilang isang boltahe divider, maaari nitong kontrolin ang output ng boltahe sa buong mga terminal nito.
Ang boltahe na maaaring hawakan ng isang potentiometer ay nakasalalay sa tiyak na disenyo at rating nito.Ang mga karaniwang potentiometer sa electronics ay karaniwang humahawak sa pagitan ng 3 hanggang 50 volts, ngunit mahalaga na suriin ang mga pagtutukoy ng tagagawa para sa eksaktong rating ng boltahe upang maiwasan ang pinsala at matiyak ang ligtas na operasyon.
Ang isang potentiometer ay karaniwang may tatlong mga terminal o wire.Ang isang wire ay kumokonekta sa bawat dulo ng resistive element, at ang pangatlong kumokonekta sa palipat -lipat na wiper, na inaayos ang halaga ng paglaban sa pamamagitan ng pagbabago ng posisyon nito kasama ang resistive track.
Mangyaring magpadala ng isang pagtatanong, tutugon kami kaagad.
sa 2024/05/9
sa 2024/05/8
sa 8000/04/18 147757
sa 2000/04/18 111935
sa 1600/04/18 111349
sa 0400/04/18 83720
sa 1970/01/1 79508
sa 1970/01/1 66905
sa 1970/01/1 63028
sa 1970/01/1 63012
sa 1970/01/1 54081
sa 1970/01/1 52124