
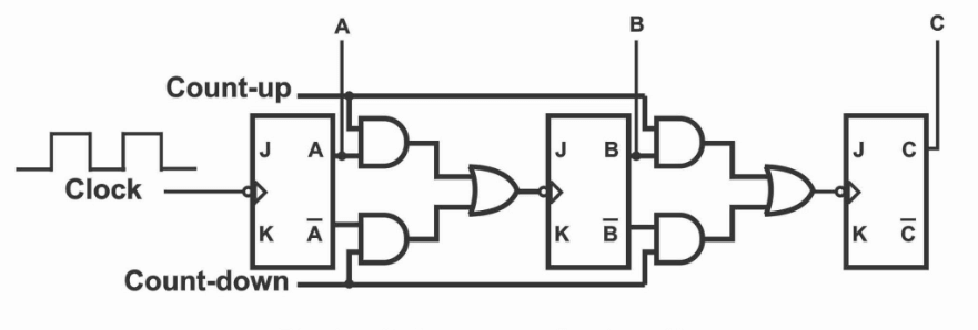
Larawan 1: Up/down counter
Isang pataas/down counter, o bidirectional counter, sinusubaybayan at inaayos ang mga bilang ng mga halaga sa parehong paitaas at pababang direksyon batay sa isang signal ng pag -input.Ang dalawahang pag -andar na ito ay pangunahing sa mga system na nangangailangan ng pagtaas at pagbawas ng mga bilang, pagtugon nang pabago -bago sa mga pagbabago sa kapaligiran ng pagpapatakbo.Ang mga counter na ito ay karaniwang nagsisimula sa zero at pagdaragdag hanggang sa maabot nila ang isang paunang natukoy na limitasyon, na nag -uudyok ng isang aksyon sa system.Bilang kahalili, maaari silang magsimula sa isang itinakdang maximum na halaga at bumaba sa zero, pag -activate ng isang katulad na tugon sa pag -abot sa mas mababang gapos.

Larawan 2: Mga modelo ng TTL 74LS190
Halimbawa, ang mga modelo ng TTL 74LS190 at 74LS191 ay mga karaniwang bersyon ng counter na ito.Nagtatampok sila ng isang mode input pin na nagbibigay -daan sa paglipat sa pagitan ng paitaas at pababang pagbibilang.Ang switch ng mode na ito ay nangyayari nang maayos, nang hindi nakakagambala sa pagkakasunud -sunod ng pagbibilang.

Larawan 3: 4-bit up/down counter
Ang isang tipikal na 4-bit up/down counter ay malinaw na naglalarawan ng kakayahang umangkop sa pagpapatakbo.Kapag na-configure upang mabilang paitaas, ang counter ay gumagalaw mula sa binary na halaga 0000 hanggang 1111, na sumasakop sa lahat ng posibleng mga kumbinasyon sa loob ng isang 4-bit system (0 hanggang 15 sa desimal).Ang paglipat upang mabilang pababang baligtad ang prosesong ito, na bumabalik sa 0000. Ang pagbabago sa pagitan ng bawat bilang ay nangyayari nang may katumpakan, na kinokontrol ng isang signal ng orasan na nagtutulak sa pagbibilang sa pag -sync sa mga kinakailangan sa tiyempo ng system.

Larawan 4: D-type flip-flop
Ang bawat isa sa apat na bits ay kinokontrol ng isang D-type na flip-flop sa isang pag-setup ng gilid.Ang mga flip-flop na ito ay nagtutulungan sa isang chain, na may output ng bawat flip-flop na pagpapakain sa susunod.Upang matiyak ang tumpak na pagbibilang, ginagamit ng counter ang baligtad na output mula sa bawat flip-flop bilang puna sa pag-input ng data nito, lalo na sa pababang bilang.Ang disenyo na ito ay lumilikha ng isang makinis, mahuhulaan na paglipat sa pagitan ng mga numero.Ang bawat estado ng flip-flop ay direktang nakakaimpluwensya sa susunod, na pinapanatili ang maaasahan na proseso ng pagbilang at pagkakasunud-sunod.

Larawan 5: 3-bit up/down counter
Ang disenyo ng circuit para sa isang 3-bit up/down counter ay gumagamit ng isang mahusay na pag-setup kung saan ang JK flip-flops ay muling nakumpirma bilang T-type (toggle) flip-flops.Ang pagbabagong ito ay nagbibigay -daan sa counter na mag -toggle nang maayos sa pagitan ng pagbibilang mula sa 0 (binary 000) hanggang 7 (binary 111) at mabibilang sa baligtad.Ang pagiging simple ng disenyo na ito ay nagpapabuti sa pag -andar at pagiging maaasahan.
Sa mode na up-counting, ang pagkakasunud-sunod ay kinokontrol ng output mula sa bawat flip-flop.Partikular, ang 'Q' output ng isang flip-flop ay konektado nang direkta sa pag-input ng orasan ng susunod na flip-flop.Tinitiyak ng setup na ito na ang bawat flip-flop toggles bilang tugon sa isa bago ito.Habang natatanggap ang mga pulso ng orasan, ang counter ay nagdaragdag ng isang hakbang nang paisaAng pagbabago ng estado ng Flop sa pagmamaneho sa susunod na linya.
Kapag ang counter ay nakatakdang mabilang, ang mekanismo ay nagbabalik.Sa halip na gamitin ang mga direktang output ng 'Q', ang system ay umaasa sa mga baligtad na output ng bawat flip-flop.Ang mga baligtad na signal na ito ay nagpapakain sa mga pag-input ng orasan ng mga sumusunod na flip-flops, na nagiging sanhi ng pagbaba ng counter sa isang kinokontrol, sunud-sunod na paraan.Ang bawat pulso ng orasan ngayon ay nag -uudyok ng isang pagbawas sa pagkakasunud -sunod ng binary, mula sa 111 pabalik hanggang 000. Tinitiyak ng pamamaraang ito na ang mga paglilipat ay mananatiling maayos, pag -iwas sa anumang mga pagkagambala sa proseso ng pagbibilang.
Ang operasyon ng isang up/down counter ay kinokontrol ng isang up/down signal ng pag -input, na direktang nagtatakda ng direksyon ng pagbibilang.Tinitiyak ng input na ito na ang counter ay maaaring magbilang pataas o pababa, ngunit hindi pareho sa parehong oras.Nakakamit ng system ang pagiging eksklusibo sa pamamagitan ng paggamit ng isang inverter, na nag -flip ng control signal, siguraduhin na ang isang mode na pagbibilang ay aktibo sa anumang naibigay na sandali.
Up mode ng pagbibilang: Kapag ang counter ay nakatakda upang mabilang, ang isang tiyak na hanay ng mga lohika na mga pintuan ay isinaaktibo.Ang mga pintuang ito ay gumagabay sa counter sa pamamagitan ng isang hakbang-hakbang na pag-unlad, na nagsisimula sa binary 000 at gumagalaw hanggang sa 111 (o mula 0 hanggang 7 sa desimal).Ang bawat tibok ng orasan ay nag -uudyok ng isang tumalon sa susunod na numero ng binary, pinapanatili ang isang makinis at mahuhulaan na pagkakasunud -sunod.Tinitiyak ng disenyo na ang counter ay sumusunod sa isang malinaw at pare -pareho na pattern, na sumunod sa karaniwang mga patakaran sa pag -unlad ng binary.
Down mode ng pagbibilang: Ang paglipat ng counter upang mabilang ang mga sanhi ng circuitry na umangkop sa isang kinokontrol na paraan.Ang mga logic gate na namamahala sa paitaas na bilang ay naka -off na ngayon, habang ang isa pang hanay ng mga pintuan ay tumatagal upang hawakan ang proseso ng pagbibilang ng pababang.Sa mode na ito, ang system ay nakasalalay sa mga inverted signal na dumadaloy sa mga flip-flops, na responsable sa pagkontrol sa countdown.Habang nagpapatuloy ang mga pulso ng orasan, ang mga hakbang sa counter ay paatras mula 111 hanggang 000, tulad ng maayos at maaasahan habang binibilang paitaas.Ang pagbabagong ito sa operasyon ay nagpapakita ng kakayahan ng counter na hawakan nang maayos ang parehong direksyon.
Ang paraan ng UP/Down counter ay nakikipag -ugnay sa mga pulses ng orasan ay nagbibigay ng mahalagang pananaw sa kanilang kakayahang pamahalaan ang tiyempo at pagkontrol sa pagkakasunud -sunod.Sa isang asynchronous counter, ang bawat tibok ng orasan ay direktang nakakaimpluwensya sa mga estado ng mga flip-flops ng counter, na nagmamaneho sa proseso ng pagbibilang.
Sa isang tipikal na mode na down-counting, ang counter ay maaaring magsimula sa isang binary na halaga ng 111 (na katumbas ng 7 sa desimal).Ang system ay tumugon sa negatibong gilid ng bawat pulso ng orasan, na nagiging sanhi ng pagbabago ng output ng unang flip-flop (QA).Ang pagbabagong ito pagkatapos ay nag-trigger ng isang epekto ng cascading, kung saan ang output ng QA ay nakakaapekto sa susunod na flip-flop (QB), at sa kalaunan ay nakakaimpluwensya sa ikatlong flip-flop (QC).Habang dumating ang bawat tibok ng orasan, nagpapatuloy ang kaskad na ito, na binabawasan ang bilang ng hakbang-hakbang mula 7 hanggang sa 0. Ang bawat flip-flop ay naiimpluwensyahan ng pagkakasunud-sunod ng nauna, na tinitiyak na ang pagbibilang ay umuusbong nang maayos at mahuhulaan.
Sa panahon ng pag-upo, ang proseso ay bahagyang naiiba.Dito, ang output ng bawat flip-flop ay nag-trigger sa susunod na flip-flop sa linya.Simula mula sa 000 (binary 0), ang bawat tibok ng orasan ay nagdaragdag ng counter, kasama ang unang flip-flop na nag-trigger ng pangalawa, at ang pangalawang nag-trigger sa pangatlo.Ang prosesong ito ay nagpapatuloy hanggang sa umabot ang counter sa 111 (binary 7).Tuwing ikawalong tibok ng orasan ay nakumpleto ang pagbilang ng ikot, kung saan ang counter ay umatras pabalik sa 000 at nagsisimula muli.Tinitiyak nito ang isang pare -pareho at paulit -ulit na siklo na nagpapanatili ng tumpak na tiyempo.
Ang 74193 IC ay isang maraming nalalaman 4-bit na magkakasabay na pataas/down binary counter na may kakayahang magbilang sa parehong direksyon, hanggang sa Modulo-16.Gumagamit ito ng dalawahan na mga pag -input ng orasan - isa para sa pagbibilang at isa para sa pagbibilang - nagpapahintulot sa tumpak na kontrol sa direksyon ng pagbibilang.Tinitiyak ng disenyo na ito na ang output ng counter ay mananatili sa perpektong pag -sync sa mga signal ng pag -input ng orasan, pagpapabuti ng parehong kawastuhan at pagtugon sa mga operasyon nito.
Ang isang pangunahing tampok ng 74193 IC ay ang master reset pin.Ang pin na ito ay agad na tinatanggal ang kasalukuyang bilang, na nagtatakda ng lahat ng mga output sa zero.Ito ay partikular na kapaki -pakinabang sa panahon ng pagsubok sa system o kung kailangan mong i -restart ang counter sa isang kilalang estado.Ginagawa nitong muling pag -configure o pag -aayos ng mga sistema nang mas mabilis at mas mahusay.Bilang karagdagan, ang IC ay nakatuon ng mga count-up at count-down na mga terminal, na higit na mapahusay ang kakayahang umangkop, na ginagawang angkop para sa iba't ibang mga aplikasyon ng pagbibilang ng digital kung saan kinakailangan ang tumpak na kontrol.

Larawan 6: 74193 IC pinout
Ang layout ng pinout ng 74193 IC ay idinisenyo para sa maximum na pag -andar.Kasama dito ang mga pin ng input na nagpapahintulot sa mga gumagamit na i -preset ang counter upang magsimula mula sa isang tiyak na halaga, na mainam para sa mga pasadyang application na nangangailangan ng mga tiyak na paunang estado.Ang mga output pin ay nagbibigay ng feedback ng real-time sa kasalukuyang bilang, na ginagawang madali upang masubaybayan o isama ang counter sa mas malaking mga sistema na nangangailangan ng mga live na pag-update.Ang isang kilalang tampok ng 74193 IC ay ang Ripple Carry Output pin.Ang pin na ito ay ginagawang madali upang mapalawak ang kapasidad ng counter sa pamamagitan ng pagkonekta (o cascading) maraming mga IC.Sa pamamagitan ng paggamit ng tampok na ito, maaari kang bumuo ng mga counter na may mataas na order na humahawak ng mas malaking bilang, na angkop para sa mas advanced na mga digital na sistema na nangangailangan ng mas mataas na katumpakan o mas malaking pagbibilang.
Ang IC 74193 ay isang maraming nalalaman na bahagi na ginamit upang makabuo ng nababaluktot na mga circuit na maaaring ipasadya para sa isang malawak na hanay ng mga aplikasyon.Sa core nito, nagpapatakbo ito ng maaasahan sa pamamagitan ng pagkonekta sa pin 16 sa VCC, tinitiyak ang isang matatag na supply ng kuryente.Ang koneksyon na ito ay ginagamit para sa pagpapanatili ng pare -pareho na operasyon sa anumang system.Ang IC 74193 ay dinisenyo na may maraming mga pin ng input na nagbibigay -daan sa pag -configure ng iba't ibang mga mode ng pagpapatakbo.Ang isa sa mga pangunahing tampok ay ang aktibong-mababang parallel na pag-load ng pag-load, na nagbibigay sa mga gumagamit ng kakayahang magsimulang magbilang mula sa anumang halaga ng preset.Ang tampok na ito ay partikular na kapaki -pakinabang kapag ang tumpak na kontrol sa pagkakasunud -sunod ng pagbibilang ay kinakailangan, dahil pinapayagan nito ang counter na tumalon sa isang tiyak na halaga bago simulan ang bilang.
Ang isang pangunahing bentahe ng IC 74193 ay ang kakayahang madaling lumipat sa pagitan ng mga mode ng pagbibilang.Magagawa ito sa pamamagitan ng paggawa ng mga simpleng pagsasaayos sa mga nauugnay na pin.Ang kakayahang mag -toggle sa pagitan ng mga mode na ito nang walang kumplikadong mga pagsasaayos ay ginagawang lubos na nababaluktot ang IC, na nagbibigay -daan upang mahawakan ang parehong pangunahing at mas kumplikadong pagbibilang ng mga gawain nang madali.
Ang mga counter at down counter ay nagsisilbi ng iba't ibang mga layunin batay sa kanilang mga direksyon sa pagbibilang.Ang isang up counter ay nagsisimula sa zero at mga pagtaas sa isang limitasyon ng itinakdang, ginagawa itong angkop para sa mga gawain na nangangailangan ng pagsubaybay sa pagsubaybay sa isang pasulong na pagkakasunud-sunod.Kasama sa mga halimbawa ang mga aplikasyon tulad ng pagsubaybay sa oras o pagkakasunud -sunod ng kaganapan, kung saan ang bawat hakbang ay gumagalaw paitaas sa isang linear na fashion hanggang sa maabot ang isang target na halaga.
Sa kabilang banda, ang isang down counter ay nagsisimula sa isang tinukoy na maximum na halaga at binibilang pababa sa zero.Ang ganitong uri ng counter ay partikular na kapaki -pakinabang sa mga senaryo kung saan kailangan mong subaybayan ang isang proseso nang baligtad.Kasama sa mga karaniwang gamit ang mga timer ng countdown, kung saan ang natitirang oras ay sinusubaybayan habang bumababa ito, o pagsubaybay sa mapagkukunan, kung saan sinusubaybayan mo kung magkano ang isang mapagkukunan na naiwan habang ito ay natupok.
Ang mga Up/Down counter ay lubos na pinahahalagahan para sa kanilang simpleng disenyo at kasabay na operasyon, na ginagawa silang kapaki -pakinabang sa mga system na nangangailangan ng mabilis at maaasahang pagbibilang.Ang kanilang kakayahang mabilang ang parehong pataas at pababa ay nagsisiguro ng kakayahang umangkop na kontrol, na kung saan ay kapaki -pakinabang lalo na sa mga aplikasyon kung saan ang katumpakan ng tiyempo at mabilis na mga tugon ay nag -aayos.Ginamit man para sa pagsubaybay sa mga kaganapan, pag -timekeeping, o pamamahala ng mga mapagkukunan, ang mga counter na ito ay nagbibigay ng isang prangka at epektibong solusyon sa iba't ibang mga digital system.
Ang kanilang disenyo ay nagbibigay-daan para sa makinis at mahuhulaan na mga paglilipat sa pagitan ng mga estado, na ginagawang perpekto para sa mga real-time na aplikasyon.Halimbawa, karaniwang ginagamit ang mga ito sa mga counter ng kaganapan, timer, o mga sistema na nangangailangan ng sunud -sunod na pagbibilang sa alinmang direksyon, tulad ng sa pang -industriya na automation o digital na orasan.
Sa kabila ng kanilang lakas, ang mga counter ng pataas/down ay maaaring harapin ang mga hamon sa mas mataas na bilis.Habang tumataas ang bilis ng orasan, ang mga pagkaantala sa pagpapalaganap ay nagiging mas kapansin -pansin, na maaaring humantong sa pagbibilang ng mga error.Ang mga pagkaantala na ito ay nangyayari dahil ang signal ay tumatagal ng mas mahaba upang ilipat ang bawat yugto ng counter, binabawasan ang kawastuhan ng tiyempo ng system, lalo na sa mga high-speed na kapaligiran.
Ang isa pang limitasyon ay lumitaw habang lumalaki ang laki ng counter.Ang mas malaking counter, na humahawak ng mas mataas na numero, ay nagdaragdag ng pagiging kumplikado sa system.Ang pagtaas ng pagiging kumplikado ay maaaring magpakilala sa mga isyu sa pag -synchronise o hindi tumpak na bilang, lalo na kung maraming mga counter ang konektado sa isang mas malaking digital circuit.Ang mga system na umaasa sa tumpak na pag-synchronize sa maraming mga counter, tulad ng malakihang mga digital system, ay maaaring makaranas ng mga glitches o kawastuhan kung ang disenyo ay hindi maingat na pinamamahalaan.
Ang mga Up/Down counter ay malawakang ginagamit sa maraming mga pang -industriya at teknolohikal na aplikasyon dahil sa kanilang kakayahang mabilang sa parehong direksyon.

Larawan 7: Mga mekanismo ng pag-revers ng auto
Ang isa sa mga pinaka makabuluhang paggamit ng mga up/down counter ay sa mga mekanismo ng pag-revers ng auto.Sa mga system tulad ng conveyor belt o control ng motor, pinapagana ng mga counter na ito ang pagbibilang ng bidirectional, na nagpapahintulot sa tumpak na pamamahala ng mga paggalaw ng mekanikal.Halimbawa, tinitiyak nila na ang mga makina ay maaaring lumipat nang maayos ang mga direksyon kung kinakailangan, pagpapahusay ng kontrol sa mga proseso ng produksyon.

Larawan 8: Pamamahala ng Oras at Signal
Ang mga Up/Down counter ay naglalaro din ng isang pangunahing papel sa mga circuit circuit circuit, kung saan pinamamahalaan nila ang mga agwat ng oras upang mapanatili nang maayos ang mga digital na signal.Sa mga sistemang ito, hinati ng counter ang signal ng orasan sa mas maliit na agwat, tinitiyak na ang buong circuit ay nagpapatakbo sa pag -sync.Ito ay seryoso sa mga digital na aparato na umaasa sa tumpak na tiyempo ng signal para sa wastong paggana, tulad ng mga processors o mga sistema ng komunikasyon.

Larawan 9: Mga sistema ng paradahan ng sasakyan
Ang isa pang praktikal na aplikasyon ay sa mga sistema ng paradahan ng sasakyan, kung saan sinusubaybayan ng mga up/down counter ang magagamit na mga puwang sa paradahan.Sa tuwing pumapasok o lumabas ang kotse, inaayos ng counter ang bilang upang ipakita ang bilang ng mga bukas na lugar.Ang awtomatikong pagsubaybay na ito ay nagpapabuti sa pamamahala ng espasyo at pinapahusay ang pangkalahatang kahusayan ng mga pasilidad sa paradahan sa pamamagitan ng pagbibigay ng tumpak, real-time na data sa mga antas ng trabaho.

Larawan 10: Frequency Division sa Digital Electronics
Sa larangan ng digital electronics, ang mga pataas/down counter ay nagsisilbing dalas ng mga divider, na bumabagsak ng isang dalas ng pag -input sa mas maliit, mas mapapamahalaan.Ito ay lalo na makabuluhan sa mga sistema ng pagproseso ng signal at komunikasyon, kung saan ang iba't ibang mga sangkap ay nangangailangan ng tumpak na kontrol ng dalas.Sa pamamagitan ng pag -modulate ng mga frequency ng pag -input, tinitiyak ng mga counter na ito ang maayos na operasyon sa mga aparato na umaasa sa tumpak na tiyempo at modulation ng signal.
Sa buong artikulo, ang pagiging kumplikado at kagalingan ng mga up/down counter ay lubusang nasuri, na nagpapakita ng kanilang kapaki -pakinabang na papel sa disenyo ng digital circuit.Ang detalyadong paggalugad sa iba't ibang mga modelo, tulad ng 74193 IC, ay nagtatampok ng kakayahang umangkop at katumpakan ang mga sangkap na inaalok sa mga digital system.Sa pamamagitan ng paghahambing ng pataas at pababa na mga counter, binibigyang diin ng talakayan ang kanilang mga tiyak na pakinabang sa magkakaibang mga aplikasyon, mula sa simpleng pagbibilang ng kaganapan hanggang sa kumplikadong dibisyon ng dalas.Bilang karagdagan, tinutugunan ng artikulo ang mga potensyal na limitasyon, tulad ng mga pagkaantala sa pagpapalaganap at mga hamon sa pag -synchronise, na nagbibigay ng pananaw sa mabisang mga pagsasaalang -alang sa disenyo na maaaring mapahusay ang pagiging maaasahan ng system.Ang Seksyon ng Expanded Application ay muling nagpapatibay sa kinakailangang utility ng mga counter sa pagkontrol ng katumpakan at pamamahala ng signal, na nagpapatunay na ang mga Up/Down counter ay pundasyon sa pagsulong at kahusayan ng mga kontemporaryong teknolohikal na imprastraktura.Ang detalyadong pagsusuri na ito ay hindi lamang binibigyang diin ang mga nuances ng pagpapatakbo ng mga pataas/down counter kundi pati na rin ang kanilang makabuluhang epekto sa disenyo at pag -andar ng mga modernong digital system.
Ang 74193 ay isang tiyak na uri ng integrated circuit (IC) na idinisenyo bilang isang kasabay na up-down counter.Maaari itong mabilang sa parehong direksyon: pagdaragdag (pataas) at pag -decrement (pababa).Nagtatampok ito ng isang 4-bit na binary output at maaaring mai-set up upang mabilang sa anumang pagkakasunud-sunod sa loob ng 4-bit na saklaw nito.Karaniwang ginagamit ito ng mga operator sa mga aplikasyon kung saan kinakailangan ang mababawas na pagbibilang, tulad ng sa mga digital na orasan o mga counter ng kaganapan sa mga sistemang pang -industriya.
Ang IC 74192 ay isa pang modelo ng isang kasabay na up-down counter.Hindi tulad ng 74193, ang 74192 ay idinisenyo upang mabilang o pababa sa pamamagitan ng isang dekada (0 hanggang 9 o 9 hanggang 0) at sa gayon ay isang dekada na counter.Ginagamit ito kung saan ang mga bilang ay kailangang ipakita o kinakalkula sa desimal kaysa sa binary form, tulad ng sa mga calculator o digital metro.
Ang isang up-down counter ay nagpapatakbo sa pamamagitan ng pagbabago ng estado nito sa bawat pulso mula sa isang pag-input ng orasan, pagbibilang pataas o pababa depende sa napiling mode na napili.Ang bawat pulso ay nagiging sanhi ng output ng counter sa alinman sa pagdaragdag o pagbawas ng isang yunit.Sa mga praktikal na aplikasyon, maaaring gamitin ng mga tekniko ang mga counter na ito upang masukat ang dalas, at mga agwat ng oras, o matukoy ang posisyon sa mga mekanikal na sistema sa pamamagitan ng pagsubaybay sa bilang ng pasulong o reverse na paggalaw.
Ang mga karaniwang numero ng IC para sa mga up-down counter ay may kasamang 74193 at 74192, tulad ng tinalakay sa itaas.Ang mga bilang na ito ay bahagi ng 7400 serye ng mga digital na lohika na IC, na nagpapahiwatig na dinisenyo sila para sa mga digital na pagbibilang ng mga gawain sa iba pang mga pag -andar.
Ang mga integrated circuit (IC) na ginamit sa mga counter ay may kasamang iba't ibang mga uri batay sa mga pangangailangan sa pagbibilang.Ang mga karaniwang ginagamit na IC ay ang 74193 at 74192 para sa pagbibilang ng binary at desimal, ayon sa pagkakabanggit.Ang iba ay maaaring isama ang 4029, na kung saan ay isang programmable up-down counter, na angkop para sa mas kumplikadong mga aplikasyon kung saan kinakailangan ang mga limitasyon ng pagbibilang at maraming mga mode ng pagbibilang.Sa mga praktikal na sitwasyon, tulad ng mga linya ng pagmamanupaktura o mga digital na sistema, ang mga IC na ito ay nakakatulong na mapanatili ang tumpak na bilang ng mga operasyon o bagay.
Mangyaring magpadala ng isang pagtatanong, tutugon kami kaagad.
sa 2024/09/21
sa 2024/09/20
sa 8000/04/18 147758
sa 2000/04/18 111938
sa 1600/04/18 111349
sa 0400/04/18 83721
sa 1970/01/1 79508
sa 1970/01/1 66914
sa 1970/01/1 63062
sa 1970/01/1 63012
sa 1970/01/1 54081
sa 1970/01/1 52131