Sa mga pang-industriya at komersyal na sektor, ang mga three-phase transformer ay may papel para sa epektibong paghahatid at pamamahagi ng elektrikal na kapangyarihan.Sa pamamagitan ng pagsasama ng tatlong mga solong-phase na mga transformer sa isang yunit, binabawasan nila ang mga gastos, laki, at timbang.Tinitiyak ng mga transformer na ito kahit na pamamahagi ng elektrikal na enerhiya sa pagitan ng mataas at mababang mga paikot -ikot na boltahe, anuman ang kanilang uri ng konstruksyon.Ipinapaliwanag ng artikulong ito ang kanilang konstruksyon, operasyon, at mga pagsasaayos ng koneksyon, na tumutulong sa iyo na maunawaan ang kanilang pag -andar at aplikasyon.Nagsisimula ito sa mga core-type at mga disenyo ng uri ng shell, na namamahala sa magnetic flux at mabawasan ang mga pagkalugi ng enerhiya.Saklaw din nito ang mga prinsipyo ng pagpapatakbo, magnetic flux pagbabalanse, at mga uri ng koneksyon tulad ng Delta/Delta, Delta/Wye, Wye/Delta, at Wye/Wye, kasama ang mga dalubhasang koneksyon tulad ng Scott at Zig-Zag.Ang mga halimbawa at paghahambing sa pagitan ng mga dry-type at mga transformer na puno ng likido ay ibinibigay upang matulungan ang mga inhinyero na pumili ng tamang transpormer para sa pinakamainam na pagganap at pagiging maaasahan.

Larawan 1: Tatlong yugto ng konstruksyon ng transpormer
Pinagsasama nila ang tatlong solong-phase na mga transformer sa isa, nagse-save ng pera, puwang, at timbang.Ang core ay may tatlong magnetic circuit na balansehin ang magnetic flow sa pagitan ng mataas at mababang mga bahagi ng boltahe.Ang disenyo na ito ay naiiba sa mga three-phase shell-type na mga transformer, na kung saan ang mga pangkat ng tatlong mga cores ay magkasama ngunit huwag pagsamahin ang mga ito.Ginagawa nitong mas mahusay at maaasahan ang system kumpara sa mga solong-phase system.
Ang isang karaniwang disenyo para sa mga three-phase transformer ay ang three-limb core-type.Ang bawat paa ay sumusuporta sa sarili nitong magnetic flow at kumikilos bilang isang landas sa pagbabalik para sa iba, na lumilikha ng tatlong daloy na bawat 120 degree sa labas ng phase.Ang pagkakaiba ng phase na ito ay nagpapanatili ng hugis ng magnetic flow na halos sinusoidal, na nagsisiguro ng isang matatag na boltahe ng output, binabawasan ang mga pagbaluktot at pagkalugi, at nagpapabuti sa pagganap at habang buhay.Ang simple at epektibong disenyo ay sikat para sa mga karaniwang gamit.

Larawan 2: Uri ng Core
Sa pangunahing uri ng konstruksyon para sa mga three-phase transformer, ang disenyo ay nakatuon sa tatlong pangunahing mga cores, ang bawat isa ay ipinares sa dalawang yokes.Ang istraktura na ito ay epektibong namamahagi ng magnetic flux.Sinusuportahan ng bawat core ang pangunahin at pangalawang paikot -ikot, na kung saan ay coiled sa isang spiral sa paligid ng mga pangunahing binti.Tinitiyak ng setup na ito na ang bawat binti ay nagdadala ng parehong mataas na boltahe (HV) at mababang boltahe (LV) na paikot -ikot, binabalanse ang elektrikal na pagkarga at pamamahagi ng magnetic flux.
Ang isa pang tampok ng mga pangunahing uri ng transformer ay ang pagbabawas ng eddy kasalukuyang pagkalugi.Ang mga eddy currents, na sapilitan sa loob ng mga conductor sa pamamagitan ng pagbabago ng magnetic field, ay maaaring maging sanhi ng pagkalugi ng enerhiya at mabawasan ang kahusayan.Upang mabawasan ang mga pagkalugi na ito, ang core ay nakalamina.Ito ay nagsasangkot ng pag -stack ng manipis na mga layer ng magnetic material, bawat isa ay mula sa iba, upang makulong ang mga eddy currents at bawasan ang kanilang epekto.
Ang pagpoposisyon ng mga paikot -ikot ay isa pang aspeto ng disenyo.Ang mga mababang boltahe na paikot -ikot ay inilalagay nang mas malapit sa core.Ang paglalagay na ito ay pinapasimple ang pagkakabukod at paglamig, dahil ang mga paikot -ikot na LV ay nagpapatakbo sa mas mababang mga boltahe, na nangangailangan ng mas kaunting pagkakabukod.Ang pagkakabukod at mga ducts ng langis ay ipinakilala sa pagitan ng mga paikot -ikot na LV at ang core upang mapahusay ang paglamig at maiwasan ang sobrang pag -init, tinitiyak ang kahabaan ng transpormer.
Ang mga mataas na boltahe na paikot -ikot ay inilalagay sa itaas ng mga paikot -ikot na LV, din na insulated at spaced ng mga ducts ng langis.Ang mga ducts ng langis na ito ay pinakamahusay para sa paglamig at pagpapanatili ng pagiging epektibo ng sistema ng pagkakabukod sa ilalim ng mataas na boltahe.Ang detalyadong pag -aayos ng mga paikot -ikot at nakalamina na core ay nagbibigay -daan sa mga pangunahing uri ng mga transformer na hawakan nang mahusay ang mga boltahe, na may kaunting pagkalugi ng enerhiya at mataas na katatagan.Ang mga prinsipyong ito ng disenyo ay gumagawa ng mga pangunahing uri ng transformer na mainam para sa mga aplikasyon na nangangailangan ng mahusay na pamamahala ng magnetic flux at mataas na operasyon ng boltahe.
Nag-aalok ang mga transformer ng uri ng shell ng ibang diskarte sa konstruksiyon ng three-phase transpormer, na nailalarawan sa pamamagitan ng isang natatanging disenyo at mga benepisyo sa pagpapatakbo.Ang disenyo na ito ay nagsasangkot ng pag-stack ng tatlong indibidwal na mga solong-phase na mga transformer upang makabuo ng isang three-phase unit, hindi katulad ng mga pangunahing uri ng mga transformer kung saan magkakaugnay ang mga phase.Sa mga transformer ng uri ng shell, ang bawat yugto ay may sariling magnetic circuit at nagpapatakbo nang nakapag -iisa.Ang mga independiyenteng magnetic circuit ay nakaayos na magkatulad sa bawat isa, tinitiyak na ang mga magnetic flux ay nasa phase ngunit hindi makagambala sa isa't isa.Ang paghihiwalay na ito ay nag -aambag nang malaki sa katatagan at pare -pareho na pagganap ng transpormer.

Larawan 3: Uri ng Shell
Ang bentahe ng mga uri ng transformer ng shell ay nabawasan ang pagbaluktot ng alon.Ang independiyenteng operasyon ng bawat yugto ay nagreresulta sa mas malinis at mas matatag na mga alon ng boltahe kumpara sa mga pangunahing uri ng mga transformer.Mahalaga ito sa mga aplikasyon kung saan nakompromiso ang kalidad ng boltahe, tulad ng sa sensitibong pang -industriya at komersyal na mga sistema kung saan ang pagbaluktot ay maaaring humantong sa maling kagamitan.
Ang mga transformer ng uri ng shell ay mahusay din.Ang bawat yugto ay maaaring mai -optimize para sa mga tiyak na kondisyon ng pag -load nang nakapag -iisa, pagpapahusay ng pagiging maaasahan at kahusayan.Ang nabawasan na pagbaluktot ng alon ay nagpapaliit ng mga maharmonya na pagkalugi, karagdagang pagpapabuti ng kahusayan at habang -buhay ng transpormer.
Ang konstruksyon at pagpapatakbo ng parehong uri ng uri at uri ng mga transformer ay tumutulong sa mga inhinyero at technician na pumili ng tamang transpormer para sa kanilang mga de -koryenteng sistema.Kung ang pangangailangan ay para sa paghawak ng mataas na boltahe, pag -minimize ng mga pagkalugi ng enerhiya, o pagtiyak ng matatag na supply ng boltahe, ang pagpili ng naaangkop na uri ng transpormer ay nagsisiguro sa pinakamainam na pagganap.

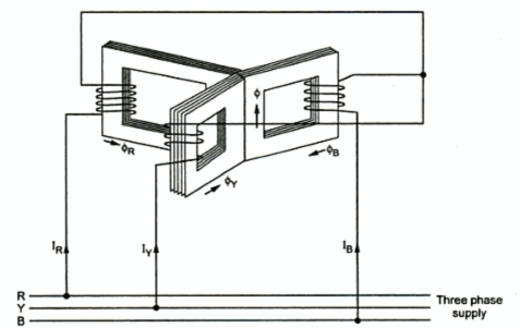
Larawan 4: Paggawa ng tatlong phase transpormer
Ang tatlong mga cores na naglalagay ng 120 degree bukod ay ginagamit sa tatlong-phase transformers upang masiguro ang epektibong pakikipag-ugnay ng mga magnetic flux na nabuo ng pangunahing mga paikot-ikot.Ang core ng transpormer ay humahawak ng magnetic flux na nabuo ng mga alon IR, IY, at IB sa pangunahing mga paikot -ikot.Ang mga alon na ito ay lumikha ng mga magnetic fluxes ɸr, ɸy, at ɸb.Nakakonekta sa isang three-phase power supply, ang mga alon na ito ay nagtulak ng magnetic flux sa mga cores.
Sa isang balanseng sistema, ang kabuuan ng mga three-phase currents (IR + IY + IB) ay zero, na humahantong sa zero na pinagsama magnetic flux (ɸR + ɸy + ɸB) sa gitnang binti.Kaya, ang transpormer ay maaaring gumana nang walang sentro ng binti, dahil ang iba pang mga binti ay humahawak ng pagkilos nang nakapag -iisa.Ang tatlong-phase na mga transformer ay namamahagi ng kapangyarihan nang pantay-pantay sa tatlong mga phase, binabawasan ang mga pagkalugi ng enerhiya at pagpapahusay ng katatagan ng supply ng kuryente.Ang balanse ng flux sa pangunahing istraktura na kinakailangan para sa mahusay na operasyon ng transpormer.Ang pamamahagi ng magnetic flux sa loob ng core ng isang three-phase transpormer ay dapat na balanse para gumana ito.Ang 120-degree na paglalagay ng mga cores at tumpak na induction ng mga alon ay nagsisiguro ng mahusay na operasyon.
Upang matugunan ang iba't ibang mga kinakailangan, ang three-phase transpormer windings ay maaaring isama sa iba't ibang paraan.Ang "Star" (Wye), "Delta" (Mesh), at "Interconnected-Star" (Zig-Zag) ay ang tatlong pangunahing uri ng mga koneksyon.Ang mga kumbinasyon ay maaaring magsama ng pangunahing Delta-konektado na may pangalawang konektado sa bituin, o kabaligtaran, depende sa application.

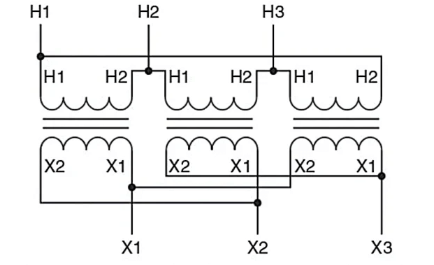
Larawan 5: Mga koneksyon sa three-phase transpormer
Ang koneksyon sa delta/delta ay malawakang ginagamit kapag ang isang solong pangalawang boltahe ay nangangailangan o kung ang pangunahing pag-load ay pangunahing binubuo ng mga kagamitan na three-phase.Ang pag-setup na ito ay pangkaraniwan sa mga setting ng pang-industriya na may malaking three-phase motor load na nagpapatakbo sa 480 V o 240 V, at may kaunting 120 V lighting at receptacle na pangangailangan.Ang ratio ng pagliko sa pagitan ng pangunahin at pangalawang paikot -ikot ay nakahanay sa mga kinakailangang boltahe, na ginagawang hindi angkop ang pag -setup na ito para sa iba't ibang mga pagbabagong boltahe.

Larawan 6: Simbolo para sa Delta/Delta Transformer

Larawan 7: Diagram ng Koneksyon para sa Delta/Delta Transformer
Nag -aalok ang Delta/Delta Connection ng maraming mga pakinabang.Ang isang benepisyo ay ang nabawasan na phase kasalukuyang, na 57.8% lamang ng linya ng linya.Ang pagbawas na ito ay nagbibigay-daan para sa mas maliit na conductor para sa bawat solong-phase transpormer kumpara sa mga linya ng conductor na nagbibigay ng three-phase load, pagbaba ng mga gastos sa materyal at pagpapagaan ng system.Bilang karagdagan, ang mga maharmonya na alon ay may posibilidad na kanselahin, pagpapabuti ng kakayahan ng transpormer na ibukod ang ingay ng elektrikal sa pagitan ng pangunahin at pangalawang circuit.Nagreresulta ito sa isang matatag na pangalawang boltahe na may kaunting pagbabagu -bago sa panahon ng pag -load ng pag -load.Kung nabigo ang isang solong-phase transpormer, maaari pa ring maghatid ang system ng three-phase boltahe sa pamamagitan ng isang bukas na pagsasaayos ng delta, kahit na sa isang nabawasan na kapasidad na 58%.
Sa kabila ng mga benepisyo na ito, ang koneksyon sa Delta/Delta ay may kapansin -pansin na mga disbentaha.Nagbibigay lamang ito ng isang pangalawang boltahe, na maaaring mangailangan ng karagdagang mga transformer para sa iba't ibang mga pangangailangan ng boltahe, pagtaas ng pagiging kumplikado ng system at gastos.Ang pangunahing paikot-ikot na conductor ay dapat na insulated para sa buong pangunahing boltahe, na nangangailangan ng labis na pagkakabukod para sa mga application na may mataas na boltahe.Ang isa pang kawalan ay ang kakulangan ng isang karaniwang ground point sa pangalawang panig, na maaaring humantong sa mataas na boltahe sa lupa, na posing ang mga panganib sa kaligtasan at pinsala sa kagamitan.
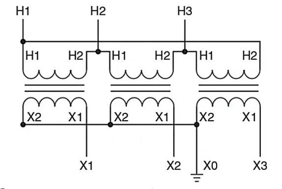
Ang koneksyon ng Delta/Wye ay isang pangkaraniwang pag -setup ng transpormer na ginamit sa iba't ibang pangalawang boltahe.Napakaganda para sa mga system na kailangang magbigay ng iba't ibang mga antas ng boltahe nang sabay.Halimbawa, sa mga pabrika at komersyal na mga gusali, madalas na nangangailangan ng mataas na boltahe para sa mabibigat na makinarya at mas mababang boltahe para sa pag -iilaw at pangkalahatang paggamit ng mga saksakan.Ang isang karaniwang paggamit ay maaaring isama ang pagbibigay ng 208 V para sa mga motor at 120 V para sa mga ilaw at saksakan.Ang koneksyon ng delta/wye ay maaaring hawakan nang maayos ang iba't ibang mga pangangailangan ng boltahe.
Sa pag -setup na ito, ang pangunahing paikot -ikot ay nasa isang hugis ng delta (Δ), at ang pangalawang paikot -ikot ay nasa isang hugis ng wye (Y).Ang koneksyon ng Delta sa pangunahing panig ay mabuti para sa paghawak ng mataas na pag -load ng kuryente, na nagbibigay ng isang malakas at matatag na supply ng kuryente.Ito ay kapaki -pakinabang sa mga setting ng pang -industriya na may malalaking motor at mabibigat na kagamitan.Tumutulong din ang pag -aayos ng delta na mabawasan ang ilang mga uri ng ingay ng elektrikal, tinitiyak ang isang mas malinis na supply ng kuryente sa mga konektadong aparato.

Larawan 8: Simbolo para sa Delta/Wye Transformer

Larawan 9: Diagram ng Koneksyon para sa Delta/Wye Transformer
Pinapayagan ng koneksyon ng WYE ang pangalawang boltahe ng linya na maging 1.73 beses na mas malaki na may parehong bilang ng mga liko sa pangunahin at pangalawang paikot-ikot ng bawat solong-phase transpormer, na kapaki-pakinabang para sa mga aplikasyon ng step-up transpormer.Ang pangalawang paikot -ikot ay nangangailangan ng mas kaunting pagkakabukod dahil hindi nila kailangang maging insulated para sa buong pangalawang boltahe ng pangalawang linya.Ang pagkakaroon ng maraming mga boltahe sa pangalawang panig ay maaaring maalis ang pangangailangan para sa mga karagdagang transformer upang matustusan ang 120 V na naglo-load sa isang three-phase system na may isang boltahe na linya ng linya ng V.Ang benepisyo ay ang pagkakaroon ng isang karaniwang punto sa pangalawang panig upang saligan ang system, na nililimitahan ang potensyal na boltahe sa lupa at maiiwasan ito na lumampas sa boltahe ng pangalawang phase.
Gayunpaman, ang koneksyon sa Delta/Wye ay may mga kawalan nito.Ang pangunahing paikot-ikot ay dapat na insulated para sa buong boltahe ng tatlong-phase line, na nangangailangan ng labis na pagkakabukod, lalo na para sa mga application na step-down na high-boltahe.Ang pangalawang koneksyon ng Wye ay hindi kanselahin ang mga maharmonya na alon, na nakakaapekto sa katatagan at kahusayan ng transpormer.Ang pangalawang paikot-ikot ay kailangang dalhin ang buong three-phase line current, na nangangahulugang kailangan nilang maging mas malaki kaysa sa isang sistema ng delta na may parehong kapasidad.
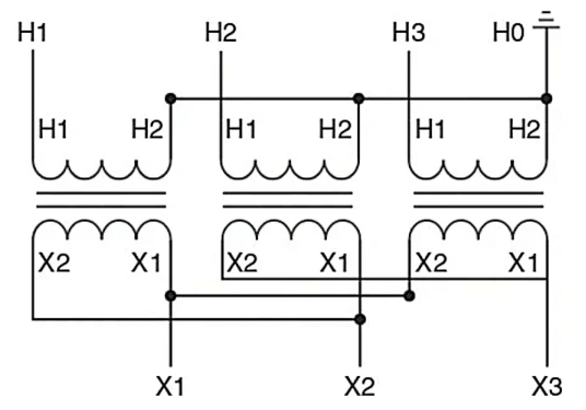
Ang koneksyon ng Y/Δ transpormer, na tinatawag ding koneksyon ng WYE/Delta, ay isang pangkaraniwang pag -setup sa mga sistema ng kuryente.Ito ay kapaki-pakinabang kapag kailangan mo ng isang solong pangalawang boltahe o kung ang pangunahing pag-load ay tatlong-phase na kagamitan tulad ng pang-industriya na motor at mabibigat na makina.Ang pag-setup na ito ay madalas na ginagamit sa mga step-down na mga transformer upang mas mababa ang mataas na pangunahing boltahe upang mas ligtas at mas mahusay na mas mababang pangalawang boltahe.
Kaugnay nito, ang pangunahing paikot -ikot ay nakaayos sa isang hugis ng Wye (Y), na ang bawat paikot na konektado sa isang karaniwang neutral na punto, na karaniwang saligan.Ang pangalawang paikot -ikot ay nakaayos sa isang hugis ng delta (Δ), na bumubuo ng isang loop.Ang mga relasyon sa phase at mga antas ng boltahe ay nagpapatatag habang ang three-phase power ay binago sa tulong ng pag-setup na ito.

Larawan 10: Simbolo para sa Wye/Delta Transformer

Larawan 11: Diagram ng Koneksyon para sa Wye/Delta Transformer
Ang mga ratio ng pagliko ay nagreresulta sa isang pangalawang boltahe ng linya na nabawasan ng isang kadahilanan na 1.73 (o 57.8%) dahil sa koneksyon ng WYE, ginagawa itong kapaki-pakinabang para sa mga aplikasyon ng step-down transpormer.Tinitiyak nito na kanselahin ang pangalawang harmonic currents, na nagbibigay ng mahusay na paghihiwalay ng ingay sa pagitan ng pangunahin at pangalawang circuit.Ang pangunahing paikot-ikot ay hindi kailangang maging insulated para sa buong boltahe ng linya ng tatlong yugto, na potensyal na mabawasan ang mga kinakailangan sa pagkakabukod kapag bumaba mula sa mataas na boltahe.Ang three-phase power ay maaari pa ring maihatid gamit ang isang bukas na sistema ng delta kung sakaling isang kabiguan ng transpormer ng solong-phase, ngunit sa isang 58% na mas mababang kapasidad.
Ang koneksyon ng Wye/Delta ay may mga kawalan nito.Tulad ng koneksyon sa Delta/Delta, nag -aalok lamang ito ng isang solong pangalawang boltahe, na nangangailangan ng karagdagang mga transformer na magbigay ng mga nag -iilaw na pag -iilaw at receptacle.Walang karaniwang ground point sa pangalawang panig, na humahantong sa mataas na boltahe sa lupa.Ang pangunahing paikot-ikot na conductor ay dapat magdala ng buong tatlong-phase line na kasalukuyang, na nangangailangan ng mas malaking conductor kumpara sa isang pangunahing konektado sa delta na parehong kapasidad.Panghuli, ang karaniwang punto ng Wye Primary Windings ay dapat na konektado sa isang sistema na neutral upang maiwasan ang pagbabagu -bago ng boltahe na may hindi balanseng mga naglo -load.
Ang koneksyon ng Wye/Wye transpormer ay bihirang ginagamit dahil sa paglipat ng ingay nito, maharmonya pagbaluktot, panghihimasok sa komunikasyon, at kawalang -tatag ng boltahe ng phase.Sa isang pag -setup ng Wye/Wye, ang mga neutral na puntos ng parehong pangunahing at pangalawang paikot -ikot ay saligan.Habang ang saligan na ito ay nagbibigay ng isang sanggunian na punto at makakatulong sa mga nag -load ng balanse, pinapayagan din nito ang ingay na ilipat sa pagitan ng pangunahin at pangalawang circuit.Nangangahulugan ito ng anumang mga de -koryenteng ingay sa isang panig ay madaling lumipat sa iba pa, nakakasama sa sensitibong elektronikong kagamitan at nagiging sanhi ng mga kahusayan.
Ang mga koneksyon sa Wye/Wye ay madaling kapitan ng mga pagkakatugma, na hindi ginustong mga dalas na nagpapabagal sa mga de -koryenteng alon at boltahe.Ang mga Harmonics ay maaaring magmula sa mga di-linear na naglo-load tulad ng mga rectifier at variable frequency drive.Hindi tulad ng iba pang mga pagsasaayos tulad ng Delta/Wye, ang Wye/Wye Transformers ay hindi kanselahin ang mga pagkakatugma na ito nang epektibo.

Larawan 12: Simbolo para sa Wye/Wye Transformer

Larawan 13: diagram ng koneksyon para sa wye/wye transpormer
• Sensitibo sa hindi balanseng naglo -load, na nagiging sanhi ng hindi balanseng mga alon sa mga paikot -ikot, na maaaring humantong sa sobrang pag -init at nabawasan ang kahusayan.
• Ang nagpapalipat -lipat na mga neutral na alon ay maaaring mangyari, lalo na sa mga hindi balanseng naglo -load, na nangangailangan ng karagdagang mga hakbang sa proteksyon.
• Ang grounding isang wye/wye transpormer ay mas kumplikado kumpara sa iba pang mga pagsasaayos, na nagreresulta sa mga ground loops at mga panganib sa kaligtasan.
• Ang pagbaluktot ng boltahe mula sa harmonic currents na nabuo ng mga non-linear na naglo-load ay maaaring makaapekto sa pagganap ng mga sensitibong kagamitan at maaaring mangailangan ng karagdagang mga hakbang sa pag-filter o pagpapagaan.
• Ang pagpapatupad ng isang wye/wye transpormer ay maaaring maging mas mahal dahil sa pagiging kumplikado ng mga koneksyon at ang mga karagdagang hakbang na kasangkot upang matugunan ang mga isyu tulad ng hindi balanseng naglo -load at neutral na mga alon.

Larawan 14: Buksan ang koneksyon sa Delta o V-V
Dalawang solong-phase transformer ang ginagamit sa isang bukas na koneksyon sa delta.Ang pag -setup na ito ay kapaki -pakinabang kapag ang isang transpormer ay bumabagsak o nangangailangan ng pagpapanatili.Kahit na ang paunang pag-setup ay gumagamit ng tatlong mga transformer, ang natitirang dalawa ay maaari pa ring magbigay ng three-phase power ngunit sa isang nabawasan na kapasidad na 58%.
Sa pag -aayos na ito, ang pangunahing paikot -ikot ng dalawang mga transformer ay konektado sa isang delta na may isang bukas na paa.Ang phase voltages VAB at VBC ay ginawa sa pangalawang paikot -ikot ng dalawang mga transformer, habang ang VCA ay nilikha mula sa pangalawang boltahe ng iba pang dalawang mga transformer.Sa ganitong paraan, ang isang three-phase power supply ay maaaring magpatuloy sa pagtatrabaho sa dalawang mga transformer lamang sa halip na tatlo.
Kapag lumipat ka mula sa isang balanseng koneksyon ng delta-delta sa isang bukas na delta, ang bawat transpormer ay kailangang hawakan ang mas maraming kasalukuyang.Ang pagtaas na ito ay tungkol sa 1.73 beses sa normal na halaga, na maaaring mag -overload ng mga transformer ng 73.2% higit pa kaysa sa kanilang normal na kapasidad.Upang maiwasan ang sobrang pag -init at pinsala sa panahon ng pagpapanatili, dapat mong bawasan ang pag -load sa pamamagitan ng parehong kadahilanan ng 1.73.
Kung ang isang yugto ay inaasahang lalabas, ang bukas na koneksyon sa Delta ay maaaring magamit upang mapanatili ang mga bagay na tumatakbo habang nagtatrabaho ka sa mga transformer.

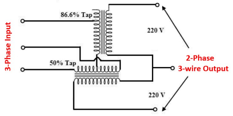
Larawan 15: Koneksyon ng Scott
Upang lumikha ng dalawang-phase voltages na may isang 90 ° phase shift, ang koneksyon ng Scott ng isang three-phase transpormer ay gumagamit ng dalawang mga transformer: ang isa ay may isang center tap sa parehong mga paikot-ikot, at ang iba pa ay may 86.6% na gripo.Pinapayagan ng setup na ito ang pag-convert ng kapangyarihan sa pagitan ng mga solong- at tatlong-phase system na may dalawang transformer lamang.
Ang dalawang mga transformer ay magnetically hiwalay ngunit electrically konektado.Ang pandiwang pantulong na transpormer ay kumokonekta kahanay sa isang 30 ° phase shift, habang ang pangunahing transpormer ay nakakakuha ng mga three-phase supply boltahe sa pangunahing paikot-ikot na ito.Para sa mga nag-iisang phase na naglo-load, ang mga paikot-ikot ay konektado kahanay sa pangalawang panig.Ang pinagmulan ng boltahe ay napupunta sa pinagsamang secondaries upang baguhin ang single-phase sa three-phase, na nagbibigay ng isang balanseng three-phase output.
Sa pamamagitan ng pagpapanatiling hiwalay ang mga cores ng transpormer, ang magnetic na paghihiwalay na ito ay nagbibigay-daan sa dalawang mga transformer na lumikha ng ikatlong boltahe ng phase na kinakailangan para sa tatlong-phase na koryente nang walang labis na karga.Para sa pagbabago ng single-phase sa three-phase o three-phase hanggang sa single-phase boltahe na may mas kaunting mga bahagi, ang koneksyon sa Scott ay isang pagpipilian na epektibo sa gastos.Ang koneksyon ng Scott ay madalas na ginagamit upang mai-convert ang mga three-phase system sa mga system ng two-phase.
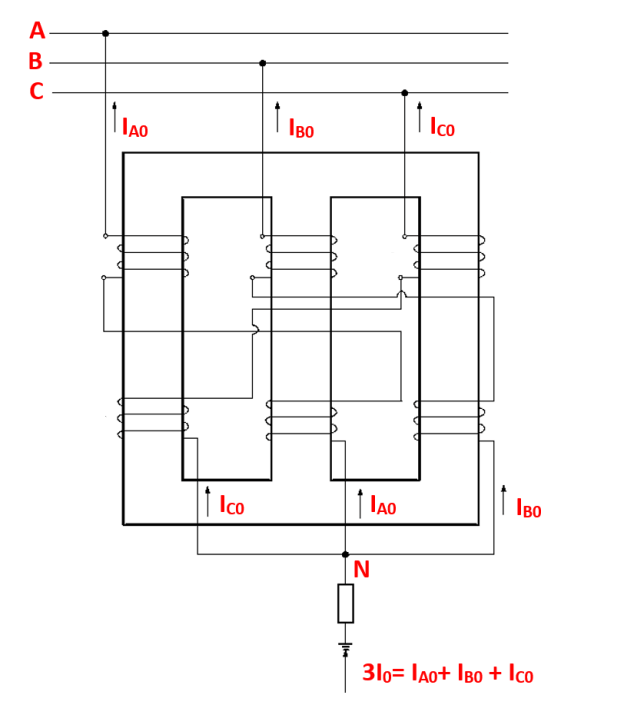
Ang koneksyon ng zig-zag transpormer ay nagsasangkot ng paghahati ng bawat phase na paikot-ikot sa dalawang pantay na halves, na may unang kalahati sa isang core at ang pangalawang kalahati sa isa pang core.Ang pattern na ito ay umuulit para sa bawat yugto, na nagreresulta sa mga bahagi ng dalawang phase sa bawat paa, na may isang paikot -ikot sa bawat paa na konektado sa mga endpoints.
Kapag inilalapat ang mga balanseng boltahe, ang system ay nananatiling pasibo, na may mga sapilitan na boltahe na nagkansela sa bawat isa, na itinatag ang transpormer bilang isang mataas na impedance sa positibo at negatibong mga boltahe ng pagkakasunud -sunod.Sa panahon ng hindi balanseng estado, tulad ng mga pagkakamali sa lupa, ang mga paikot -ikot ay nagbibigay ng isang mababang landas ng impedance para sa mga alon ng zero na pagkakasunud -sunod, na naghahati ng kasalukuyang pantay sa tatlo at ibabalik ito sa kani -kanilang mga phase.Ang impedance ay maaaring nababagay upang itakda ang maximum na ground-fault kasalukuyang, o ang transpormer ay maaaring magamit gamit ang isang risistor sa lupa upang mapanatili ang isang pare-pareho na halaga sa buong isang medium-boltahe na sistema.

Larawan 16: Ang koneksyon ng zig-zag three-phase
Ang mga three-phase transpormer ay nahuhulog sa dalawang pangunahing kategorya: mga dry-type na mga transformer at mga transformer na puno ng likido.Ang bawat uri ay may mga natatanging katangian batay sa kanilang mga pamamaraan ng paglamig at konstruksyon.

Larawan 17: Dry-type transpormer
Ang mga dry-type na mga transformer ay gumagamit ng hangin para sa paglamig.Nahahati sila sa mga bukas na transformer ng frame at mga cast-resin coil transformer.
Buksan ang mga transformer ng frame: Ang mga bukas na frame ng transformer ay nakalantad ng mga resin-impregnated cores at coils at dinisenyo para sa mga nakapaloob na mga puwang.Karaniwan silang humahawak ng mga boltahe hanggang sa 1000V at kapangyarihan hanggang sa 500 kva.Pinapayagan ng kanilang disenyo ang mahusay na paglamig, na ginagawang angkop para sa mga kapaligiran na nangangailangan ng mababang ingay at kaunting pagpapanatili.Gayunpaman, ang kanilang nakalantad na kalikasan ay nangangailangan ng isang kinokontrol na kapaligiran upang maiwasan ang kontaminasyon.
Mga Cast-Resin Coil Transformers: Sa Cast-Resin Coil Transformers, ang bawat coil ay matatag na inihagis sa epoxy, na nagbibigay ng mas mahusay na proteksyon at pagiging maaasahan.Maaari silang hawakan ang mga boltahe hanggang sa 36.0 kV at kapangyarihan hanggang sa 40 MVA.Nag -aalok ang epoxy encapsulation ng mahusay na pagkakabukod, lakas ng makina, at paglaban sa kahalumigmigan at mga kontaminado.Ginagawa itong mainam para sa mga setting ng pang -industriya at panlabas.

Larawan 18: Ang transpormer na puno ng likido
Ang mga transformer na puno ng likido ay nalubog sa langis ng mineral sa loob ng mga lalagyan na may selyo na may selyo.Ang langis ay nagsisilbing isang paglamig at insulating medium.Ang mga transformer na ito ay angkop para sa mas mataas na mga aplikasyon ng lakas at boltahe, na may mga rating na mula sa 6.0 kV hanggang 1,500 kV at kapangyarihan hanggang sa 1000+ MVA.Ang langis ng mineral ay nagbibigay ng mahusay na kahusayan sa paglamig at pagkakabukod, na ginagawang perpekto para sa mga high-demand na pang-industriya at utility application.
Pinoprotektahan ng mga lalagyan na may selyo na vacuum ang mga sangkap mula sa mga kadahilanan sa kapaligiran, tinitiyak ang tibay at pagiging maaasahan.Ang mga transformer na puno ng likido ay ginustong para sa malakihang pamamahagi ng kuryente dahil sa kanilang kakayahang hawakan ang mataas na naglo-load at mapanatili ang matatag na pagganap.Upang mapanatili nang maayos ang mga bagay at maiwasan ang sobrang pag -init, ang init ay dapat na sapat na mawala sa pamamagitan ng paglulubog ng langis.
Tatlong-phase na konstruksyon ng mga transformer, kung ang uri ng uri o uri ng shell, mahalaga sa pamamahala ng magnetic flux at pagbabawas ng mga pagkalugi.Ang mga pangunahing uri ng mga transformer ay angkop para sa mga operasyon na may mataas na boltahe, habang ang mga uri ng mga transformer ng shell ay nag-aalok ng mas mahusay na katatagan at kahusayan ng alon.Ang kanilang mga prinsipyo sa pagpapatakbo, kabilang ang balanseng pamamahagi ng magnetic flux at 120-degree na paglalagay ng core, matiyak ang kahusayan at nabawasan ang pagkalugi ng enerhiya.Ang mga dalubhasang koneksyon, tulad ng Scott at Zig-Zag, ay mapahusay ang kanilang kakayahang umangkop para sa mga tiyak na aplikasyon.Ang pagpili sa pagitan ng mga dry-type at mga transformer na puno ng likido ay nakasalalay sa mga pangangailangan ng paglamig, mga antas ng boltahe, at mga kondisyon sa kapaligiran.Ang pag -unawa sa mga teknikal na detalye at benepisyo ng iba't ibang mga uri ng transpormer at mga pagsasaayos ay nagbibigay -daan sa mga inhinyero upang ma -optimize ang mga sistema ng kuryente para sa katatagan, kahusayan, at kahabaan ng buhay.
Kapag ang isang 3-phase motor ay nawalan ng isa sa mga phase nito, ang kondisyon ay kilala bilang solong phasing.Susubukan ng motor na magpatuloy sa pagpapatakbo, ngunit makakaranas ito ng maraming masamang epekto.Una, ang motor ay gagawa ng mas kaunting lakas at tatakbo na may pagtaas ng panginginig ng boses at ingay.Ito rin ay makakakuha ng mas maraming kasalukuyang sa natitirang dalawang phase, na humahantong sa sobrang pag -init at potensyal na pinsala sa mga paikot -ikot na motor.Kung ang kaliwang tumatakbo sa ilalim ng mga kundisyong ito, ang motor ay maaaring magdusa ng pinsala, at ang habang buhay nito ay mababawasan.Praktikal, mapapansin ng mga operator ang isang hindi pangkaraniwang nakakahiyang tunog, nabawasan ang pagganap, at marahil isang pagtaas ng temperatura ng motor casing.
Ang mga three-phase transformer ay konektado sa alinman sa isang delta (Δ) o pagsasaayos ng Wye (Y).Ang koneksyon ng Delta ay bumubuo ng isang saradong loop sa bawat transpormer na paikot-ikot na konektado end-to-end, na lumilikha ng isang tatsulok.Ang koneksyon ng Wye ay nag -uugnay sa bawat transpormer na paikot -ikot sa isang karaniwang neutral na punto, na bumubuo ng isang 'y' na hugis.Ang mga pagsasaayos na ito ay nakakaapekto sa mga antas ng boltahe, ang pamamahagi ng mga naglo -load, at ang pamamaraan ng saligan sa sistemang elektrikal.
Ang isang 3-phase transpormer ay may anim na mga terminal sa pangunahing panig at anim sa pangalawang panig.Ang mga terminal na ito ay tumutugma sa tatlong phase (A, B, at C) at ang kani -kanilang mga dulo (H1, H2, H3 para sa pangunahing panig at X1, X2, X3 para sa pangalawang panig).Kung ang transpormer ay na -configure sa isang koneksyon ng WYE (Y), maaari ring magkaroon ng isang neutral na terminal sa parehong pangunahing at pangalawang panig.
Ang isang 3-phase transpormer ay may tatlong pangunahing mga wire at tatlong pangalawang wire kung konektado sa Delta-Delta o Delta-Wye Configur.Kung ito ay konektado sa Wye-Wye o Wye-Delta na pagsasaayos, maaaring mayroong isang karagdagang neutral na kawad sa alinman sa pangunahing panig, ang pangalawang panig, o pareho.Kaya, maaari itong magkaroon sa pagitan ng tatlo hanggang apat na mga wire sa bawat panig, depende sa pagsasaayos at ang pagkakaroon ng mga neutral na koneksyon.
Ang isang 3-phase system ay gumagamit ng tatlong mga cable ng kuryente, bawat isa ay nagdadala ng isang yugto ng supply ng elektrikal.Kung ang system ay nagsasama ng isang neutral na kawad, magkakaroon ito ng apat na cable sa kabuuan.Para sa mga system na may kasamang wire (ground) wire, maaaring mayroong limang cable sa kabuuan: tatlong phase wires, isang neutral wire, at isang ground wire.
Kung nabigo ang isang yugto ng isang 3-phase transpormer, maaari itong humantong sa maraming mga problema.Ang transpormer ay hindi maibigay ang balanseng three-phase power, na nagreresulta sa isang hindi balanseng pag-load.Ang kundisyong ito ay maaaring maging sanhi ng sobrang pag -init, nadagdagan ang kasalukuyang sa natitirang mga phase, at posibleng pinsala sa mga konektadong kagamitan.Ang kalidad ng kuryente ay lumala, na humahantong sa potensyal na madepektong paggawa o pagkabigo ng mga aparato na umaasa sa three-phase power.Mapapansin ng mga operator ang isang pagbagsak sa pagganap, pagtaas ng ingay, at posibleng labis na pag -load ng sistemang elektrikal.
Ang pinaka-karaniwang koneksyon ng 3-phase ay ang koneksyon ng delta-wye (Δ-Y).Sa pagsasaayos na ito, ang pangunahing paikot -ikot ay konektado sa isang pag -aayos ng delta, at ang pangalawang paikot -ikot ay konektado sa isang pag -aayos ng wye.Ang pag -setup na ito ay malawakang ginagamit dahil pinapayagan nito ang pagbabagong -anyo ng mga boltahe at nagbibigay ng isang neutral na punto para sa saligan, na nagpapabuti sa kaligtasan at katatagan sa sistema ng pamamahagi ng elektrikal.
Pamamahagi ng Power: Mahalaga ang mga ito sa paghahatid at pamamahagi ng kuryente sa mga malalayong distansya, binabawasan ang mga antas ng boltahe para sa ligtas na tirahan, komersyal, at pang -industriya na paggamit.
Pang-industriya na Kagamitan: Maraming mga pang-industriya na makina at drive ng motor ang nangangailangan ng tatlong-phase na kapangyarihan para sa mahusay na operasyon, na ginagawang mabuti ang mga transformer na ito sa mga setting ng pang-industriya.
HVAC Systems: Ang malaking pag-init, bentilasyon, at mga sistema ng air conditioning ay madalas na gumagamit ng three-phase power para sa kanilang mga compressor at motor.
Mga nababago na sistema ng enerhiya: Ginagamit ang mga ito sa mga nababagong pag -setup ng enerhiya, tulad ng mga halaman ng hangin at solar power, upang mabago at ipamahagi nang mahusay ang nabuong kapangyarihan.
Mga de -koryenteng grids: Naglalaro sila ng papel sa mga substation at power grids, bumababa ng mataas na boltahe ng paghahatid sa mas mababang antas ng pamamahagi.
Mangyaring magpadala ng isang pagtatanong, tutugon kami kaagad.
sa 2024/06/29
sa 2024/06/28
sa 8000/04/18 147757
sa 2000/04/18 111935
sa 1600/04/18 111349
sa 0400/04/18 83719
sa 1970/01/1 79508
sa 1970/01/1 66904
sa 1970/01/1 63028
sa 1970/01/1 63012
sa 1970/01/1 54081
sa 1970/01/1 52123