
Ang 74LS93 ay isang 4-bit na binary counter na dinisenyo na may dalawang built-in na up-counter.Pinagsasama nito ang isang mode-2 up-counter na may isang MOD-8 up-counter, na ginagawa itong maraming nalalaman para sa mga application tulad ng pagbibilang ng MOD-8 o paghahati ng mga signal sa pamamagitan ng 2 o 8. Kasama sa IC na ito ang apat na JK flip-flop na tumugon sa mga input pulses,na maaaring ibigay ng isang microcontroller o isang timer IC.
Ang disenyo ng 74LS93 ay nagtatampok ng dalawang pag -reset ng mga pin, dalawang mga pin ng orasan, at apat na mga terminal ng output, na nagpapahintulot na mabilang mula 0 hanggang 15 sa binary.Sa pagiging tugma nito sa iba't ibang mga microcontroller at mga sistema na batay sa TTL, ang counter na ito ay isang nababaluktot na pagpipilian para sa iba't ibang mga digital na proyekto.Ito ay karaniwang magagamit sa mga format tulad ng DIP at SMD, palaging naglalaman ng 14 na mga pin.Bilang karagdagan, ang IC ay binuo upang mahawakan ang mga high-speed input, tinitiyak ang maaasahang operasyon sa mga dynamic na kapaligiran.

| Numero ng pin | Pangalan ng pin | Paglalarawan |
| 1, 2, 3, 6 | NC | Walang koneksyon |
| 4, 5, 8, 9 | Q0, Q1, Q2, Q3 | Output pin |
| 7 | Lupa | Konektado sa lupa ng system |
| 10 | CP0 | Clock Input - Hatiin ng 2 |
| 11 | CP1 | Clock Input - Hatiin ng 8 |
| 12, 13 | MR | Master Reset - I -clear ang input |
| 14 | VCC | Supply Voltage - 4.5V hanggang 5.5V |
Ang 74LS93 ay isang 4-bit na binary counter na idinisenyo para sa isang malawak na hanay ng mga aplikasyon.Nag-aalok ito ng maaasahang pagganap sa mga system na nangangailangan ng pagbibilang o dalas na dibisyon, salamat sa mahusay na 4-bit na arkitektura.
Ang IC na ito ay nagpapatakbo nang walang putol sa isang karaniwang boltahe ng 5V, ginagawa itong katugma sa maraming mga digital system.Ang kakayahang gumanap nang palagi sa boltahe na ito ay nagsisiguro ng pagiging maaasahan nito sa iba't ibang mga proyekto.
Sinusuportahan ng IC ang isang spectrum ng boltahe sa pagitan ng 4.5V at 5.5V.Ang kakayahang umangkop na ito ay nagbibigay -daan sa iyo upang magamit ito sa mga system na may kaunting mga pagkakaiba -iba sa supply ng kuryente habang pinapanatili ang katatagan.
Kapag ang IC ay naglalabas ng isang mataas na estado, naghahatid ito ng 3.5V, at kapag nasa isang mababang estado, naglalabas ito ng 0.25V.Ang mga antas na ito ay ginagawang katugma sa iba pang mga aparato ng TTL, tinitiyak ang maayos na pagsasama sa iyong mga circuit.
Ang IC ay humahawak -0.4mA sa panahon ng mataas na output at 8mA sa panahon ng mababang output.Pinapayagan ng mga kasalukuyang antas na ito ang IC na makipag -ugnay sa iba pang mga sangkap nang epektibo nang hindi nagiging sanhi ng labis na karga.
Ang dalas ng orasan para sa input pin CP0 ay maaaring umabot ng hanggang sa 32MHz, habang sinusuportahan ng CP1 hanggang sa 16MHz.Ang pagganap na mataas na bilis na ito ay angkop sa IC para sa mga gawain na nangangailangan ng mabilis na pagbibilang o dibisyon ng dalas.
Ang CP0 ay nangangailangan ng isang lapad ng pulso ng hindi bababa sa 15Ns, habang ang CP1 ay nangangailangan ng isang minimum na 30Ns.Tinitiyak ng mga pagtutukoy na ito ang tumpak na operasyon, na pumipigil sa anumang mga napalampas na signal sa panahon ng mabilis na paglipat.
Ang IC ay magagamit sa mga format tulad ng 14-pin PDIP, GDIP, at PDSO, na ginagawa itong maraming nalalaman at madaling isama sa iba't ibang mga disenyo.Pinapayagan ka ng mga format na ito na piliin ang isa na pinakamahusay na umaangkop sa iyong tukoy na application.
Maaari mong itaboy ang mga input ng orasan ng IC gamit ang mga aparato tulad ng 555 timers o microcontroller.Ang kakayahang umangkop na ito ay ginagawang madali upang magamit sa iba't ibang mga aplikasyon, mula sa mga simpleng timer hanggang sa mas kumplikadong mga digital system.
Ang output ng IC ay nasa format na TTL, na nagsisiguro sa pagiging tugma sa isang malawak na hanay ng mga IC at mga sistema ng microcontroller.Ang tampok na ito ay pinapasimple ang pagsasama sa iyong mga disenyo ng digital circuit.
Ang IC ay gumaganap nang maayos sa mga temperatura mula 0 hanggang 70 degree Celsius, na ginagawang angkop para sa mga karaniwang kapaligiran.Nagbibigay ito ng pare -pareho na mga resulta nang hindi apektado ng katamtamang pagbabago sa temperatura.
At 74HC19
At 74LS192
At 4516
At 74LS90
At CD4017
At 74LS02
At CD4020
At CD4060
At CD4022
At CD4026
At CD40102
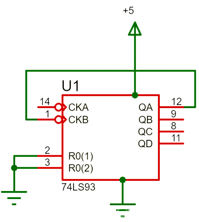
Upang makuha ang 74LS93 binary counter na nagtatrabaho, magsimula sa pamamagitan ng pagkonekta sa power supply.Ikabit ang VCC pin sa positibong terminal at ang GND pin sa lupa ng iyong system.Kapag ito ay tapos na, ikonekta ang unang pag -input ng orasan (pin 1) hanggang sa huling bit output (pin 12).Ang koneksyon na ito ay susi sa pagpapagana ng mekanismo ng pagbibilang.

Susunod, i -set up ang mga reset na pin (pin 2 at 3).Ground ang mga pin na ito upang matiyak na ang counter ay nagsisimula mula sa zero.Kung kailangan mo ang pag -reset upang gumana nang iba, maaari mong ikonekta ang mga pin na ito sa panlabas na lohika batay sa mga pangangailangan ng iyong aplikasyon.Ang kakayahang umangkop na ito ay nagbibigay -daan sa iyo upang i -configure ang counter ayon sa iyong mga kinakailangan sa circuit.
Para sa pag -input ng orasan, ikonekta ang pangalawang pin ng orasan (pin 2) sa isang panlabas na generator ng pulso, tulad ng isang timer IC o anumang aparato na may kakayahang makabuo ng mga signal ng orasan.Kinokontrol ng Clock Pulse na ito ang binary count output ng IC, na ipinapakita sa mga pin 8, 9, 11, at 12.
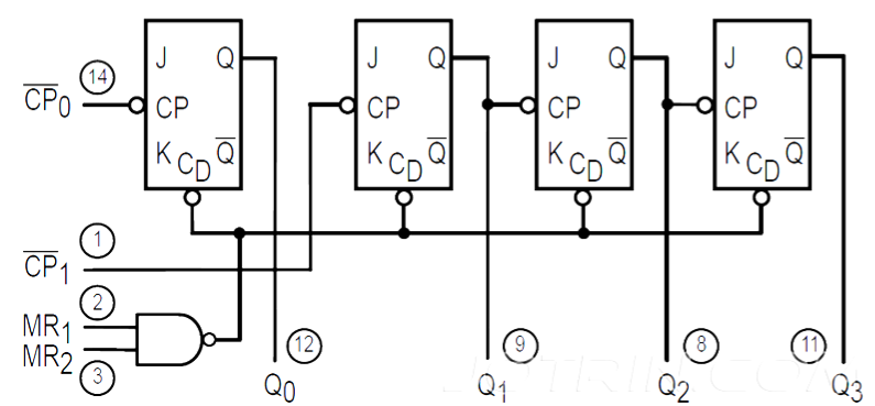
Ang panloob na circuit ng 74LS93 ay nahahati sa dalawang pangunahing bahagi: ang counter ng Mod 2 at ang counter ng Mod 8.Ang counter ng Mod 2 ay namamahala sa unang bit, pag -toggling sa pagitan ng 0 at 1 sa bawat tibok ng orasan bilang mga paglilipat ng signal mula sa mataas hanggang sa mababa.Ang output na ito ay nagsisilbing ang pag-input ng orasan para sa MOD 8 counter, na gumagamit ng tatlong magkakaugnay na JK flip-flops upang makabuo ng natitirang tatlong piraso.
Ang bawat JK flip-flop sa MOD 8 counter ay nakakakuha ng signal ng orasan mula sa output ng nakaraang flip-flop.Sama-sama, ang mga counter ng MOD 2 at MOD 8 ay gumagawa ng isang 4-bit na bilang ng binary na saklaw mula 0000 hanggang 1111. Ang binary output na ito ay ipinapakita sa buong apat na output pin, na nagbibigay ng isang malinaw na representasyon ng bilang.
Upang maunawaan ang 74LS93 counter circuit, nakakatulong ito upang suriin ang panloob na disenyo at pag -andar nito.Ang circuit ay batay sa JK flip-flops, ang bawat isa ay may kakayahang lumipat sa pagitan ng dalawang estado: 1 at 0. Ang mga estado na ito ay kumakatawan sa mga halaga ng binary, at ang counter ay umuusbong sa pamamagitan ng pagbabago ng mga estado na ito bilang tugon sa mga pulso ng orasan.

Sa 74LS93, nagbabago ang estado ng bawat flip-flop kapag ang output ng naunang mga flip-flop na paglilipat mula sa mataas hanggang sa mababa.Gayunpaman, ang unang flip-flop ay hindi direktang konektado sa pangalawa.Upang lumikha ng isang functional na pagkakasunud-sunod, mai-link mo ang unang orasan ng pin (CP1) sa output ng unang flip-flop ng Mod 8 counter.Tinitiyak nito ang pagkakasunud -sunod na dumadaloy nang maayos.
Na may apat na flip-flop na konektado sa pagkakasunud-sunod, ang bawat isa ay tumatanggap ng isang tibok ng orasan mula sa output ng nakaraang flip-flop, ang counter ay nagsisimula sa 0000 at binibilang hanggang sa 1111 bago muling ibalik sa 0000. Ang bawat estado ay kumakatawan sa isang natatanging binary number, na sumusulong saorder
Ipinapakita ng talahanayan sa ibaba kung paano nagbabago ang binary output sa bawat bilang:
| Pagbibilang | Output | Q3 | Q2 | Q1 | Q0 |
| 0 | 0 | 0 | 0 | 0 | |
| 1 | 0 | 0 | 0 | 1 | |
| 2 | 0 | 0 | 1 | 0 | |
| 3 | 0 | 0 | 1 | 1 | |
| 4 | 0 | 1 | 0 | 0 | |
| 5 | 0 | 1 | 0 | 1 | |
| 6 | 0 | 1 | 1 | 0 | |
| 7 | 0 | 1 | 1 | 1 | |
| 8 | 1 | 0 | 0 | 0 | |
| 9 | 1 | 0 | 0 | 1 | |
| 10 | 1 | 0 | 1 | 0 | |
| 11 | 1 | 0 | 1 | 1 | |
| 12 | 1 | 1 | 0 | 0 | |
| 13 | 1 | 1 | 0 | 1 | |
| 14 | 1 | 1 | 1 | 0 | |
| 15 | 1 | 1 | 1 | 1 |
Bilang karagdagan, ang isang diagram ng tiyempo ay nagpapakita kung paano kumilos ang mga output mula sa Q0 hanggang Q3 bilang tugon sa signal ng pag -input ng orasan.Ang visualization na ito ay ginagawang mas madali upang makita kung paano ang binary counter ay umuusbong nang hakbang -hakbang:

Ang 74LS93 ay isang maraming nalalaman up-counter na itinayo gamit ang apat na JK flip-flops.Sa pamamagitan ng pagsasama ng mga counter ng MOD-2 at MOD-8, karaniwang ginagamit ito upang lumikha ng isang counter ng MOD-16.Madalas itong ginagamit sa mga circuit na nangangailangan ng pagbibilang mula 0 hanggang 15 sa binary o paglikha ng mga pagkakasunud -sunod para sa mga layunin ng tiyempo, ginagawa itong isang prangka at maaasahang pagpipilian para sa mga naturang aplikasyon.
Ang IC na ito ay malawakang ginagamit sa mga frequency division circuit, kung saan maaari itong hatiin ang mga frequency ng 2, 8, o 16 na may katumpakan.Ang disenyo nito ay nagbibigay -daan upang hawakan nang epektibo ang mga kinokontrol na gawain sa tiyempo, na ginagawang angkop para magamit sa mga digital na sistema ng tiyempo tulad ng mga digital na orasan o sunud -sunod na mga pag -setup ng pamamahala ng kaganapan.
Bilang karagdagan, ang 74LS93 ay nagtatrabaho sa mga aplikasyon ng pagbibilang ng pulso, kung saan ito ay may taas na papasok na signal sa binary.Ang kakayahang pagsamahin ang pag-andar ng MOD-2 at MOD-8 ay ginagawang isang mahusay at maaasahan na sangkap sa mga proyekto na nangangailangan ng tumpak na pagbibilang ng binary.
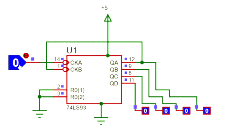
Ang paggamit ng 74LS93 binary counter ay prangka at mahusay.Magsimula sa pamamagitan ng pagpapagana ng IC sa pamamagitan ng VCC at ground pin gamit ang isang +5V power supply.Itinatag nito ang mga kinakailangang kondisyon ng operating para sa IC.Ang 74LS93 ay may kasamang dalawang pin ng MR (Master Reset) na nagbibigay -daan sa iyo upang i -configure ang nais na mode ng operasyon.Para sa karaniwang pag -andar ng pagbibilang, ikonekta ang parehong mga pag -reset ng mga pin sa lupa (mababa), tulad ng ipinapakita sa talahanayan ng pagpili ng mode.

Susunod, ang mga supply ng mga pulso ng orasan sa mga pin ng CP0 at CP1 upang simulan ang proseso ng pagbibilang.Ang bawat pag -input ng pulso sa mga pin ay nagdaragdag ng binary count ng isa.Kinokontrol ng CP1 PIN ang output ng Q0, habang pinamamahalaan ng CP0 ang mga output ng Q1, Q2, at Q3.Upang maisaaktibo ang lahat ng apat na output bits, ikonekta ang tibok ng orasan sa CP1 sa Q0 output.
Sinusuportahan ng IC ang isang dalas ng rurok na orasan ng 32MHz para sa CP0 at 16MHz para sa CP1.Tiyakin na ang lapad ng pulso ay hindi bababa sa 15Ns para sa CP0 at 30Ns para sa CP1 upang mapanatili ang tumpak na operasyon.Karaniwan, maaari kang makabuo ng signal ng orasan gamit ang isang 555 timer o isang katulad na circuit na gumagawa ng pulso.
|
Bilangin |
Output |
|||
|
Q0 |
Q1 |
Q2 |
Q3 |
|
|
0 |
L |
L |
L |
L |
|
1 |
H |
L |
L |
L |
|
2 |
L |
H |
L |
L |
|
3 |
H |
H |
L |
L |
|
4 |
L |
L |
H |
L |
|
5 |
H |
L |
H |
L |
|
6 |
L |
H |
H |
L |
|
7 |
H |
H |
H |
L |
|
8 |
L |
L |
L |
H |
|
9 |
H |
L |
L |
H |
|
10 |
L |
H |
L |
H |
|
11 |
H |
H |
L |
H |
|
12 |
L |
L |
H |
H |
|
13 |
H |
L |
H |
H |
|
14 |
L |
H |
H |
H |
|
15 |
H |
H |
H |
H |
Upang mas maunawaan ang pag -andar nito, isaalang -alang ang pag -simulate ng operasyon ng IC.Halimbawa, sa mode-0 (karaniwang mode ng pagbibilang), na saligan ang parehong mga pin ng MR at manu-manong pag-toggling ng estado ng lohika ay bumubuo ng mga pulso ng orasan.Sa bawat paglipat mula sa mataas hanggang mababa, ang IC ay nagdaragdag ng bilang nito.Nasa ibaba ang isang halimbawa ng kunwa na naglalarawan ng pag -uugali na ito.

Para sa karagdagang kalinawan, maaari kang sumangguni sa mga video tutorial o karagdagang mga mapagkukunan.Ang mga praktikal na paggamit ng 74LS93 sa iba't ibang mga circuit, kabilang ang tiyempo at pagbibilang ng mga aplikasyon, ay nagpapakita ng kakayahang umangkop at kadalian ng paggamit sa mga digital na disenyo.
Upang lumikha ng isang solong-digit na counter gamit ang 74LS93, kakailanganin mo ng mga sangkap tulad ng a 74LS20 (Apat na-input NAND Gate) at a 74LS04 (Tatlong hindi pintuan).Ang mga sangkap na ito ay nagtutulungan kasama ang IC upang magmaneho ng isang BCD pitong segment na display, na pinapayagan ang counter na mag-ikot sa pamamagitan ng mga numero mula 0 hanggang 9.
Bagaman ang 74LS93 ay isang 4-bit counter na may kakayahang hawakan hanggang sa 16 na bilang ng binary, dapat itong i-reset pagkatapos maabot ang 9 upang matiyak na ang display ay nananatili sa loob ng saklaw ng desimal.Kung ang counter ay hindi na -reset sa puntong ito, ang output ay maaaring magpakita ng hindi tama o hindi inaasahang mga halaga.Upang pamahalaan ito, ginagamit ang isang feedback reset circuit, pinagsasama ang mga signal mula sa NAND at hindi mga pintuan upang awtomatikong i -reset ang counter.

Sa circuit na ito, ang dalawa ay hindi mga pintuan ay konektado sa mga output ng QA at QC, habang ang QB at QD ay direktang naka -link sa mga input ng NAND gate.Ang gate ng NAND ay gumagawa ng isang mataas na output lamang kapag ang lahat ng mga input nito ay zero.Sa binary na halaga ng 1010, ang hindi mga pintuan ay baligtarin ang mga signal mula sa QA at QC, na nag -trigger ng isang mataas na output mula sa gate ng NAND.Ang output na ito ay baligtad ng 74LS04, na -reset ang counter sa zero.Tinitiyak ng disenyo na ito ang counter na nagre -refresh nang palagi at ipinapakita ang tamang mga halaga ng desimal.
Ang 2-digit na pagsasaayos ng counter ay nagpapalawak ng konsepto ng solong-digit na counter, na nagpapahintulot na ipakita ang mga numero mula 00 hanggang 99. Ang parehong pangunahing lohika ay nalalapat, ngunit sa kasong ito, ang unang pitong segment na display ay umuusbong kapag ang pangalawang display ay nagpapadala ng asignal ng pag -reset ng orasan.Tinitiyak ng disenyo na ito ang walang tahi na pagbibilang sa buong dalawang numero sa pamamagitan ng paggamit ng reset signal ng isang display upang himukin ang pag -input ng orasan ng iba pa.

Ang lohika sa likod ng 2-digit na counter ay nananatiling naaayon sa pag-setup ng solong-digit, na nag-aalok ng isang mahusay na paraan upang maipakita ang mas malaking mga halaga ng bilang gamit ang dalawang pitong segment na display.Sa pamamagitan ng pag -link sa dalawang counter sa pamamagitan ng kanilang mga signal ng pag -reset at orasan, ang mga ipinapakita ay gumagana sa tandem upang kumatawan sa mga numero mula 00 hanggang 99.
74LS93 batay sa 2-digit na desimal counter
Para sa isang 2-digit na counter, ang 74LS93 ay maaaring mai-configure upang mabilang at ipakita ang mga numero mula 00 hanggang 99. Ang lohika para sa dalawang-digit na counter ay nagtatayo sa parehong mga prinsipyo tulad ng solong-digit na counter ngunit pinalawak ang pag-andar nito sa pamamagitan ng pag-cascading ng dalawang counter ng BCD.
Sa pag-setup na ito, ang unang BCD seven-segment display ay sumusulong sa bilang nito batay sa reset signal mula sa pangalawang display.Mahalaga, ang signal ng orasan para sa unang pagpapakita ay nagmula sa pag -reset ng pangalawang display.Ang pag -aayos ng cascading na ito ay nagsisiguro na ang counter ay umuusad nang lohikal sa pamamagitan ng dalawang numero, kasama ang unang pagdaragdag ng pagpapakita lamang kapag nakumpleto ng pangalawang display ang siklo nito mula 0 hanggang 9.

Ang dalawang-digit na counter circuit ay nagbibigay-daan para sa pagbibilang ng hanggang sa 99 at nagbibigay ng isang malinaw at mababasa na pagpapakita gamit ang dalawang pitong segment na mga display.Ang pinagbabatayan na mga mekanismo ng lohika at feedback ay nagsisiguro ng maayos na operasyon, na ginagawang perpekto para sa mga aplikasyon na nangangailangan ng isang mas malaking hanay ng pagbibilang.
Ang 74LS93 ay angkop para sa pagbuo ng mga pinalawig na tiyempo sa mga digital circuit.Sa pamamagitan ng pag-configure ng mga counter nang naaangkop, maaari mong makamit ang mahaba at pare-pareho na mga pagkaantala na kapaki-pakinabang sa mga aplikasyon na nauugnay sa tiyempo.
Ang IC na ito ay kumikilos bilang isang maaasahang divider ng dalas.Maaari itong mabawasan ang mga frequency ng pag -input ng orasan sa pamamagitan ng mga kadahilanan ng 2, 8, o 16, ginagawa itong isang maaasahang pagpipilian para sa mga system kung saan kinakailangan ang matatag na dibisyon ng dalas para sa mga naka -synchronize na operasyon.
Kung kinakailangan ang tumpak na tiyempo, ang 74LS93 ay nagbibigay ng isang simpleng solusyon.Ang mahuhulaan na pag-uugali ng pagbibilang ay nagsisiguro ng katumpakan sa mga gawain tulad ng pagkakasunud-sunod at kontrol na batay sa oras sa mga digital na proyekto.
Ang 74LS93 ay mainam para sa mga proyekto kung saan ang paggamit ng isang microcontroller ay maaaring hindi praktikal.Pinangangasiwaan nito ang pagbilang at pag -andar ng tiyempo nang mahusay, binabawasan ang pangangailangan para sa mas kumplikado at magastos na mga sangkap.
Ang IC na ito ay epektibo sa mga application na nagsasangkot ng pagbibilang ng pulso o pagkahati sa dalas.Ang mekanismo ng pagbibilang ng binary nito ay ginagawang madali upang subaybayan ang mga pulso o hatiin ang mga frequency nang walang karagdagang circuitry.
Ang 74LS93 ay gumagana nang walang putol na may pitong-segment na nagpapakita upang ipakita ang mga numero ng output.Ang pagiging tugma nito sa mga binary-to-decimal converters ay pinapasimple ang proseso ng paglikha ng mga digital counter at pagbabasa.
Sa pamamagitan ng paggamit ng mga kakayahan sa pagbibilang nito, ang 74LS93 ay tumutulong sa pag-set up ng mga circuit na nangangailangan ng mga agwat ng mahabang panahon.Ginagawa nitong partikular na kapaki -pakinabang para sa mga aplikasyon tulad ng mga digital na orasan at timer.
Ang IC ay madalas na ginagamit upang magdisenyo ng maaasahang counter circuit.Ang matatag na pagganap at kadalian ng pagsasaayos ay ginagawang isang karaniwang pagpipilian para sa pagbuo ng parehong mga standalone counter at frequency divider circuit.
Kapag ang mga pangangailangan sa tiyempo ay tiyak, ang 74LS93 ay maaaring maiakma upang matugunan ang mga kinakailangang ito.Kung para sa mga pang-industriya na solusyon sa tiyempo o mga proyekto ng DIY, tinitiyak ng kakayahang umangkop na umaangkop sa iba't ibang mga gawain na nauugnay sa tiyempo.
Ang 74LS93 ay isang maraming nalalaman at maaasahang binary counter na pinapasimple ang mga digital na pagbibilang at mga gawain sa tiyempo.Sa pamamagitan ng kakayahang hatiin ang mga frequency, bilangin ang mga pulses, at mga display ng drive, umaangkop ito nang walang putol sa iba't ibang mga proyekto.Kung nagtatayo ka ng mga counter, pamamahala ng tiyempo, o paglikha ng mga dalas ng divider, ang 74LS93 ay nag -aalok ng isang mahusay at prangka na solusyon.Ang kakayahang umangkop at kadalian ng paggamit ay gawin itong isang praktikal na pagpipilian para sa maraming mga aplikasyon.
Mangyaring magpadala ng isang pagtatanong, tutugon kami kaagad.
Hindi, ang 74LS93 ay dinisenyo bilang isang up-counter, na nangangahulugang lamang ito binibilang paitaas sa binary format.Wala itong kakayahan bilangin sa mga halaga ng reverse o decrement.
Ang 74LS93 ay maginhawang gamitin at mabawasan ang pangangailangan para sa panlabas mga kable, ginagawang simple upang maisama sa mga proyekto.Gayunpaman, isa Ang limitasyon ay ang mga flip-flops nito ay hindi maaaring preset, kaya ang pagbibilang Palaging nagsisimula mula sa zero, at hindi ka maaaring magsimulang magbilang mula sa iba bilang
Ang 74LS93 ay naglalaman ng apat na jk flip-flop na tumugon sa mga pulso ng input, nagmula man sila sa isang microcontroller o isang timer IC.Nagtatampok ito ng dalawa I -reset ang mga pin, dalawang pag -input ng orasan, at apat na output pin, na nagbibigay -daan sa bilangin Ang mga numero ng binary ay epektibo bilang tugon sa mga pulses ng orasan.
Ang 74LS93 ay gumana bilang isang dalas na divider at isang counter.Ito ay karaniwang ginagamit upang lumikha ng mga pagkaantala ng oras o pamahalaan ang pagbibilang ng mga gawain sa mga circuit.Ang IC na ito ay lalong kapaki -pakinabang sa mga aplikasyon kung saan naghahati Sa pamamagitan ng 2, 8, o 16 ay kinakailangan.
Ang 74LS93N ay isang 4-bit na binary counter na gumagamit ng apat na master-slave jk Flip-Flops.Sinusuportahan nito ang isang mekanismo ng pagbibilang ng paghati-walong walong, na kung saan na -trigger ng isang paglipat mula sa mataas hanggang sa mababa sa pag -input ng orasan nito.Bawat isa Ang Clock Pulse na inilalapat sa mga pin ng input nito ay sumusulong sa bilang sa pamamagitan ng isang hakbang.
sa 2024/11/29
sa 2024/11/29
sa 8000/04/18 147757
sa 2000/04/18 111936
sa 1600/04/18 111349
sa 0400/04/18 83721
sa 1970/01/1 79508
sa 1970/01/1 66905
sa 1970/01/1 63028
sa 1970/01/1 63012
sa 1970/01/1 54081
sa 1970/01/1 52125