
Ang Atmega168 ay isang 8-bit microcontroller na gumagamit ng teknolohiyang CMOS at dinisenyo para sa mababang pagkonsumo ng kuryente.Nagpapatakbo ito sa arkitektura ng AVR® RISC, na nagbibigay -daan upang maisagawa ang mga tagubilin sa isang solong pag -ikot ng orasan.Ang disenyo na ito ay tumutulong sa pag -optimize ng kahusayan ng kuryente habang pinapanatili ang bilis ng pagproseso, pagpapagana ng aparato upang maproseso hanggang sa isang milyong mga tagubilin bawat segundo bawat megahertz.Ang microcontroller ay magagamit sa tatlong uri ng pakete: PDIP, MLF, at TQFP.Ang mga pakete ng PDIP at MLF ay may 28 pin, habang ang pakete ng TQFP ay may kasamang 32 pin.
Ang ATMEGA168 ay may 16KB ng flash memory para sa pag-iimbak ng mga programa, 1KB ng RAM, at 512 byte ng EEPROM, na nagsisiguro ng pangmatagalang pagpapanatili ng data ng halos 20 taon.Kasama rin dito ang isang onboard 10-bit na module ng ADC, na nagbibigay ng 8 mga channel para sa pag-convert ng mga analog signal sa mga digital-kapaki-pakinabang para sa mga interface ng sensor.
Ang isa sa mga standout na aspeto ng ATMEGA168 ay sinusuportahan nito ang SPI, I2C, at mga protocol ng komunikasyon sa USART, na ginagawa itong nababaluktot sa mga tuntunin ng komunikasyon na aparato-sa-aparato.Ang tampok na ito ay ginagawang isang maraming nalalaman pagpipilian para sa mga proyekto na nangangailangan ng komunikasyon na may maraming mga panlabas na sangkap.
Ang iba pang mga kapaki-pakinabang na tampok ay kasama ang isang tagapagbantay ng timer, power-up timer, oscillator start-up timer, at brown-out detection.Ang mga built-in na tampok na ito ay makakatulong na matiyak na ang iyong system ay tumatakbo nang maayos nang walang hindi inaasahang pagkagambala.
Ang ATMEGA168 ay naiiba sa iba pang mga microcontroller tulad ng serye ng PIC dahil nagsasagawa ito ng karamihan sa mga tagubilin sa isang cycle ng orasan, samantalang ang mga microcontroller ng PIC ay maaaring tumagal ng maraming mga siklo para sa mga katulad na gawain.Bilang karagdagan, ang AVR microcontroller ay may 32 pangkalahatang-layunin na rehistro, hindi katulad ng rehistro ng 'W' ng PIC.Makakatulong ito sa pagpapabilis ng mga gawain sa pagproseso at pagpapahusay ng kakayahang umangkop sa programming.




Ang ATMEGA168 ay kabilang sa isang pamilya ng mga microcontroller na idinisenyo upang mag -alok ng mataas na pagganap habang kumokonsumo ng kaunting lakas.Pinapayagan ka ng balanse na ito na gamitin ito sa mga aplikasyon kung saan kinakailangan ang parehong kahusayan at pagproseso ng kapangyarihan nang hindi sinasakripisyo ang buhay ng baterya o paggamit ng enerhiya.
• 131 Mga Tagubilin: na may 131 mga tagubilin na magagamit, na ang karamihan ay maaaring maisagawa sa isang solong pag -ikot ng orasan, ang ATMEGA168 ay nagbibigay ng isang tumutugon na karanasan, na ginagawang mas mabilis ang iyong system.
• 32 x 8 Mga Rehistro sa Paggawa: Maaari mong samantalahin ang 32 mga regular na pangkalahatang layunin, na nagpapahintulot sa iyo na mag-imbak at magproseso ng data nang mas epektibo sa loob ng iyong mga programa.
• 20 mips throughput: Sa 20MHz, ang ATMEGA168 ay maaaring maghatid ng hanggang sa 20 milyong mga tagubilin bawat segundo, na nagbibigay sa iyo ng maraming bilis para sa iyong mga gawain.
• On-chip 2-cycle multiplier: Ang tampok na ito ay tumutulong sa iyo na maisagawa ang pagpaparami nang mas mabilis, pagpapabuti ng pagproseso sa mga kumplikadong kalkulasyon.
• Memorya ng Flash: Maaari kang pumili mula sa 4KB, 8KB, 16KB, o 32KB ng memorya ng flash, depende sa iyong mga pangangailangan sa aplikasyon.Pinapayagan nito para sa in-system programming, kaya maaari mong i-update ang software ng microcontroller nang hindi tinanggal ito mula sa circuit.
• EEPROM: Sa pamamagitan ng 512 byte sa 1KB ng EEPROM, maaari kang mag -imbak ng maliit na halaga ng data tulad ng mga halaga ng pagkakalibrate, mga pagsasaayos, o iba pang mga setting na kailangang magpatuloy sa pagitan ng mga siklo ng kuryente.
• SRAM: Ang panloob na SRAM, mula sa 512 byte hanggang 2KB, ay magagamit para sa mabilis na pag -iimbak ng data sa panahon ng pagpapatupad ng iyong programa.
• Sumulat/burahin ang mga siklo: Sinusuportahan ng memorya ng flash ang hanggang sa 10,000 mga siklo ng pagsulat/burahin, at sinusuportahan ng EEPROM ang 100,000 mga siklo, na nagbibigay sa iyo ng tibay sa imbakan ng data.
• Pagpapanatili ng data: Ang data na nakaimbak sa EEPROM ay maaaring tumagal ng hanggang sa 20 taon sa 85 ° C o 100 taon sa 25 ° C, na ginagawang maaasahan para sa mga pangmatagalang aplikasyon.
• Capacitive Touch: Sinusuportahan ng ATMEGA168 ang mga touch sensor tulad ng mga pindutan, slider, at gulong, na nagpapahintulot sa iyo na isama ang touch input sa iyong mga proyekto.
• Mga Channel ng Sense: Maaari kang magkaroon ng hanggang sa 64 na mga channel ng touch sense, na ginagawang posible upang lumikha ng mga kumplikadong interface ng touch para sa iba't ibang mga aplikasyon.
• Timer/counter: Kasama dito ang dalawang 8-bit timers at isang 16-bit timer, na nagbibigay sa iyo ng kakayahang umangkop sa pamamahala ng mga naka-time na gawain o pagbuo ng tumpak na mga pagkaantala.
• Mga channel ng PWM: Mayroong anim na PWM (Pulse Width Modulation) na mga channel, kapaki -pakinabang para sa mga application tulad ng control ng motor o dimming LEDs.
• Mga Channel ng ADC: Ang microcontroller ay may 10-bit ADC (analog-to-digital converter) na may 8 mga channel sa TQFP at QFN/MLF packages o 6 na mga channel sa mga pakete ng PDIP.Ito ay perpekto para sa pakikipag -ugnay sa mga sensor.
• Komunikasyon ng Serial: Maaari kang gumamit ng iba't ibang mga protocol ng komunikasyon tulad ng USART, SPI, at I2C, na nagpapahintulot sa madaling pakikipag -usap sa iba pang mga aparato.
• Watchdog Timer: Ang tampok na ito ay nakakatulong na matiyak ang pagiging maaasahan ng system sa pamamagitan ng pag -reset ng microcontroller kung titigil ito sa pagtugon.
• Power-on Reset at Brown-Out Detection: Tinitiyak ng mga tampok na ito na ang iyong system ay nagsisimula nang tama pagkatapos ng isang ikot ng kuryente at maaari itong hawakan nang ligtas ang mga kondisyon ng mababang boltahe.
• Mga mode ng pagtulog: Nag-aalok ang ATMEGA168 ng anim na mga mode ng pagtulog, kabilang ang idle, power-save, at standby.Hinahayaan ka nitong bawasan ang pagkonsumo ng kuryente kapag hindi kinakailangan ang buong pagganap, pag -save ng buhay ng baterya.
• Mga Programmable I/O Lines: Sa 23 Programmable Input/Output Lines, madali mong ikonekta ang iba't ibang mga sensor, pindutan, o iba pang mga peripheral sa iyong system.
• Maramihang mga pagpipilian sa pakete: Ang ATMEGA168 ay magagamit sa maraming mga pakete, tulad ng 28-pin PDIP at 32-lead TQFP, na nagpapahintulot sa iyo na piliin ang pinaka-angkop na pakete para sa iyong proyekto.
Microchip Technology ATMEGA168A-AU Teknikal na mga pagtutukoy, katangian, mga parameter, at mga bahagi na may katulad na mga pagtutukoy sa Microchip Technology Atmega168a-Au.
| I -type | Parameter |
| Oras ng tingga ng pabrika | 8 linggo |
| Makipag -ugnay sa kalupkop | Lata |
| Bundok | Surface Mount |
| Uri ng pag -mount | Surface Mount |
| Package / Kaso | 32-tqfp |
| Bilang ng mga pin | 32 |
| Data Converters | A/D 8X10B |
| Bilang ng I/OS | 23 |
| Mga timer ng tagapagbantay | Oo |
| Temperatura ng pagpapatakbo | -40 ° C ~ 85 ° C TA |
| Packaging | Tray |
| Serye | AVR® Atmega |
| Nai -publish | 1997 |
| Code ng JESD-609 | E3 |
| PBFree code | Oo |
| Bahagi ng Bahagi | Aktibo |
| Antas ng Sensitivity ng kahalumigmigan (MSL) | 3 (168 oras) |
| Bilang ng mga pagtatapos | 32 |
| Posisyon ng terminal | Quad |
| Form ng terminal | Gull Wing |
| Temperatura ng rurok ng rurok (° C) | 260 |
| Supply boltahe | 5v |
| Kadalasan | 20MHz |
| Oras @ Peak Reflow Temperatura (Max) | 40s |
| BASE PART NUMBER | Atmega168a |
| Supply Voltage-Max (VSUP) | 5.5v |
| Mga suplay ng kuryente | 2/5V |
| Supply Voltage-Min (VSUP) | 4.5v |
| Interface | 2-wire, i2c, spi, serial, uart, usart |
| Laki ng memorya | 16kb |
| Uri ng Oscillator | Panloob |
| Laki ng RAM | 1k x 8 |
| Boltahe - Supply (VCC/VDD) | 1.8V ~ 5.5V |
| UPS/UCS/Peripheral ICS Type | Microcontroller, risc |
| Pangunahing processor | Avr |
| Peripheral | Brown-out detect/reset, por, pwm, wdt |
| Uri ng memorya ng programa | Flash |
| Laki ng pangunahing | 8-bit |
| Laki ng memorya ng programa | 16kb 8k x 16 |
| Pagkakakonekta | I2C, SPI, UART/Usart |
| Bit size | 8 |
| May ADC | Oo |
| DMA Channels | Hindi |
| Lapad ng Bus ng Data | 8B |
| Bilang ng mga timer/counter | 3 |
| Laki ng eeprom | 512 x 8 |
| Hangganan ng pag -scan | Hindi |
| Mababang mode ng kuryente | Hindi |
| Format | Naayos-point |
| Pinagsamang cache | Hindi |
| Bilang ng mga channel ng ADC | 8 |
| Bilang ng Serial I/OS | 1 |
| Bilang ng mga panlabas na pagkagambala | 2 |
| Bilang ng mga channel ng PWM | 6 |
| Bilang ng mga channel ng I2C | 1 |
| Taas | 1.05mm |
| Haba | 7mm |
| Lapad | 7mm |
| Abutin ang SVHC | Walang SVHC |
| Radiation Hardening | Hindi |
| Katayuan ng ROHS | Sumunod ang ROHS3 |
| Libre ang Lead | Libre ang Lead |
Ang tatlong bahagi na nakalista sa kanan ay may mga pagtutukoy na katulad ng mga Microchip Technology ATMEGA168A-AU.
| Bahagi ng bahagi | Atmega168a-au | Atmega88pa-au | Atmega48a-au | Atmega88a-au |
| Tagagawa | Teknolohiya ng Microchip | Teknolohiya ng Microchip | Teknolohiya ng Microchip | Teknolohiya ng Microchip |
| Package / Kaso | 32-tqfp | 32-tqfp | 32-tqfp | 32-tqfp |
| Bilang ng mga pin | 32 | 32 | 32 | 32 |
| Lapad ng Bus ng Data | 8 b | 8 b | 8 b | 8 b |
| Bilang ng I/O. | 23 | 23 | 23 | 23 |
| Interface | 2-wire, i2c, spi, serial, uart | I2c, spi, serial, uart, usart | 2-wire, i2c, spi, serial, uart | I2C, SPI, Usart |
| Laki ng memorya | 16 KB | 4 KB | 8 KB | 8 KB |
| Supply boltahe | 5 v | 5 v | 5 v | 5 v |
| Peripheral | Brown-out detect/reset | Brown-out detect/reset | Brown-out detect/reset | Brown-out detect/reset |
| Tingnan ang ihambing | ATMEGA168A-AU VS ATMEGA88PA-AU | ATMEGA168A-AU VS ATMEGA88PA-AU | Atmega168a-au vs atmega48a-au | ATMEGA168A-AU VS ATMEG |

Ang AVR core ng ATMEGA168 ay dinisenyo na may 32 pangkalahatang-layunin na rehistro, na direktang nakikipag-ugnay sa aritmetic logic unit (ALU).Pinapayagan ng setup na ito ang dalawang independiyenteng rehistro na ma -access nang sabay -sabay, pagkumpleto ng mga tagubilin sa isang siklo lamang ng orasan.Ang kahusayan na ito ay ginagawang mas mahusay ang ATMEGA168 kumpara sa tradisyonal na CISC microcontroller, na naghahatid ng mga bilis ng pagproseso hanggang sa sampung beses nang mas mabilis.
Ang ATMEGA168 ay nagbibigay ng hanggang sa 8kBytes ng in-system na programmable flash memory, 1KBytes ng SRAM, at 1KBytes ng EEPROM.Dumating din ito sa 23 pangkalahatang layunin I/O na mga linya, tatlong timer/counter, at isang hanay ng mga interface ng komunikasyon, tulad ng USART, SPI, at I2C.Bilang karagdagan, ang microcontroller ay nagsasama ng isang 6-channel, 10-bit ADC para sa mga gawain na nangangailangan ng pag-convert ng analog-to-digital.
Sinusuportahan ng aparato ang iba't ibang mga mode ng pag-save ng kuryente upang ma-optimize ang pagganap at pahabain ang buhay ng baterya.Sa idle mode, ang CPU ay naka -off habang pinapanatili ang mga peripheral tulad ng mga timer at aktibo ang mga interface ng komunikasyon.Ang mode ng power-down ay pinapabagsak ang lahat ng mga pag-andar maliban sa asynchronous timer, na nagbibigay-daan sa kaunting pagkonsumo ng kuryente.Pinapanatili ng Power-save mode ang aktibo ng timer habang inilalagay ang natitirang aparato sa pagtulog, at ang mode ng pagbawas ng ingay ng ADC ay binabawasan ang ingay sa panahon ng mga pag-convert ng analog-to-digital sa pamamagitan ng pag-off ng mga hindi kinakailangang sangkap.Nag-aalok ang Standby Mode ng mabilis na pagsisimula habang pinapanatili ang mababang pagkonsumo ng kuryente sa pamamagitan ng pagpapahintulot sa oscillator na tumakbo habang ang natitirang pagtulog ng system.
Sa pamamagitan ng suporta para sa read-habang-sumulat, maaari mong i-update ang memorya ng flash ng application nang hindi nakakagambala sa mga operasyon ng boot flash.Pinapayagan nito para sa patuloy na operasyon habang reprogramming ang memorya, na ginagawa ang ATMEGA168 na isang solidong pagpipilian para sa mga naka -embed na control system.
Ang pangunahing pagkakaiba sa pagitan ng ATMEGA168 at ang ATMEGA328 ay ang halaga ng magagamit na memorya ng flash.Ang ATMEGA168 ay may 16KB ng memorya ng flash, habang ang ATMEGA328 ay nag -aalok ng 32KB, na mainam kung nagtatrabaho ka sa mas malalaking proyekto na nangangailangan ng mas maraming espasyo sa imbakan para sa data ng programa.Gayunpaman, para sa karamihan ng mga aplikasyon ng hobbyist, ang pagkakaiba na ito ay maaaring hindi makabuluhan.Ang parehong mga microcontroller ay nagbabahagi ng mga katulad na tampok, mga pagsasaayos ng PIN, at mga katangian ng pagganap, na ginagawang mapagpapalit sa maraming mga kaso.
Kung ang iyong proyekto ay nangangailangan ng mas maraming memorya upang mag -imbak ng isang mas malaking codebase o mas malawak na paghawak ng data, maaari kang pumili para sa ATMEGA328.Kung hindi man, para sa mas maliit na mga aplikasyon o kapag ang mga hadlang sa memorya ay hindi isang isyu, ang ATMEGA168 ay gaganap din.
| Bahagi ng bahagi | Paglalarawan | Tagagawa |
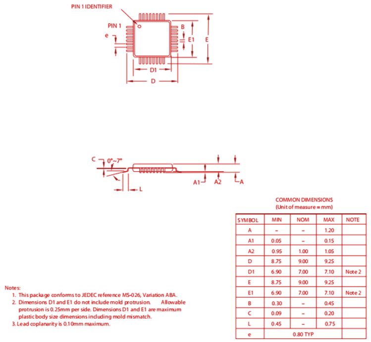
| ATMEGA168-24AI Microcontroller at processors | RISC Microcontroller, 8-bit, Flash, 24MHz, CMOS, PQFP32, 7 x 7 mm, 1 mm taas, 0.80 mm pitch, plastic, MS-026ABA, TQFP-32 | Atmel Corporation |
Ang ATMEGA168 ay isang mahusay na pagpipilian para sa mga proyektong pang -edukasyon.Ang kadalian ng paggamit at malawak na mga tampok ay ginagawang angkop para sa iba't ibang mga maliliit na aplikasyon, mula sa mga simpleng sistema ng kontrol hanggang sa pag-aaral kung paano i-interface ang mga sensor at motor.
Kung nagtatrabaho ka sa mga naka -embed na system o robotics, nag -aalok ang ATMEGA168 ng lahat ng mga pangunahing sangkap na kailangan mo.Ang mahusay na arkitektura at ang kakayahang hawakan ang mga protocol ng komunikasyon tulad ng SPI at I2C ay ginagawang isang mahusay na pagpipilian para sa pagkontrol ng mga robotic arm, sensor, o autonomous na sasakyan.
Sa pang -industriya na automation, ang ATMEGA168 ay madalas na ginagamit upang makontrol ang makinarya o proseso.Ang mga timers, ADC, at mga interface ng komunikasyon ay nagbibigay -daan sa iyo upang makabuo ng mga system na awtomatiko ang mga paulit -ulit na gawain o mga aparato ng control sa mga kapaligiran sa pagmamanupaktura.
Ang microcontroller ay mainam para sa mga sistema ng seguridad sa bahay, kung saan maaari itong magamit upang makipag -ugnay sa mga sensor, makita ang mga panghihimasok, o mga kandado ng control.Sa pamamagitan ng mababang pagkonsumo ng kuryente, perpekto ito para sa mga aparato na pinapagana ng baterya na kailangang tumakbo nang maaasahan sa mahabang panahon.
Kung ikaw ay nasa disenyo ng drone, ang ATMEGA168 ay maaaring maging utak ng iyong quadcopter.Maaari itong hawakan ang kontrol ng motor gamit ang mga channel ng PWM, data ng sensor ng proseso kasama ang mga ADC nito, at makipag -usap nang wireless sa iba pang mga aparato, ginagawa itong isang mahusay na pagpipilian para sa magaan, mahusay na quadcopter.

Ang Microchip Technology Inc. ay ang kumpanya sa likod ng ATMEGA168.Kilala sa paggawa ng maaasahang at mahusay na microcontroller at analog semiconductor solution, ang punong tanggapan ng Microchip ay matatagpuan sa Chandler, Arizona.Ang kanilang pokus ay ang pagbibigay ng mga produkto na binabawasan ang mga panganib sa pag -unlad, mas mababang pangkalahatang mga gastos sa system, at makakatulong na mapabilis ang oras upang mag -market para sa iba't ibang mga industriya.
Nag -aalok ang ATMEGA168 ng isang buong hanay ng mga tool upang gawing mas madali ang iyong pag -unlad.Kabilang dito ang mga compiler ng w language, macro assembler, mga debugger ng programa at simulators, in-circuit emulators, at mga board ng pagsusuri.Ang mga tool na ito ay makakatulong sa iyo na programa, debug, at subukan ang iyong system nang mahusay.Ang microcontroller mismo ay may 16KB ng in-system na programmable flash, 512 byte ng EEPROM, 1K ng SRAM, 23 pangkalahatang-layunin na mga linya ng I/O, at maraming mga interface ng komunikasyon tulad ng USART, SPI, at isang 8-channel 10-bit ADC.
Ang ATMEGA48, ATMEGA88, at ATMEGA168 ay naiiba lalo na sa laki ng memorya, suporta ng boot loader, at kung paano nila pinangangasiwaan ang mga pagkagambala.Ang ATMEGA88 at ATMEGA168 ay sumusuporta sa sabay -sabay na basahin at isulat ang mga operasyon sa pamamagitan ng isang independiyenteng lugar ng loader ng boot, samantalang ang ATMEGA48 ay hindi.Ang Atmega8, sa kabilang banda, ay walang ilang mga nakakagambalang pag -andar at may mas maliit na laki ng memorya.Ang lahat ng apat na chips ay nagbabahagi ng parehong pag -configure ng PIN, kaya madali kang mag -upgrade sa pagitan ng mga ito hangga't pareho ang pakete.
Ang ATMEGA168V-10PU ay isang pagkakaiba-iba ng microcontroller ng ATMEGA168, na idinisenyo upang gumana sa mas mababang mga boltahe.Madalas itong ginagamit sa mga system kung saan ang mababang pagkonsumo ng kuryente ay isang priyoridad, ginagawa itong isang mahusay na pagpipilian para sa mga aplikasyon na pinapagana ng baterya.
Mangyaring magpadala ng isang pagtatanong, tutugon kami kaagad.
sa 2024/10/21
sa 2024/10/21
sa 8000/04/18 147757
sa 2000/04/18 111936
sa 1600/04/18 111349
sa 0400/04/18 83721
sa 1970/01/1 79508
sa 1970/01/1 66905
sa 1970/01/1 63033
sa 1970/01/1 63012
sa 1970/01/1 54081
sa 1970/01/1 52125