
Larawan 1: Ring counter
Ang isang Ring Counter ay isang espesyal na uri ng rehistro ng shift, na idinisenyo sa isang format na closed-loop kung saan ang output mula sa huling flip-flop ay ibinalik sa una.Ang pag-aayos na ito ay kung ano ang nagtatakda nito bukod sa karaniwang mga rehistro ng shift, kung saan huminto ang daloy ng data pagkatapos ng pangwakas na flip-flop.Ang operasyon ng isang singsing counter ay umiikot sa isang hanay ng mga flip-flops.Ang bilang ng mga estado ang counter ay maaaring humawak nang direkta ay nakasalalay sa kung gaano karaming mga flip-flops ang ginagamit sa circuit.Halimbawa, ang isang 4-bit ring counter ay naglalaman ng apat na flip-flops.Sa mga praktikal na termino, ang bawat flip-flop ay sumusunod sa isang tukoy na pagkakasunud-sunod, na nagpapahintulot sa singsing counter na hawakan ang mga makabuluhang gawain tulad ng tiyempo at pagkakasunud-sunod sa mga digital system.
Sa isang tipikal na counter ng singsing, kinokontrol ng isang orasan na pulso (CLK) ang pagpapatakbo ng lahat ng mga flip-flops nang sabay, ginagawa itong isang magkakasabay na sistema.Ang bawat flip-flop ay mayroon ding dalawang espesyal na pag-input-Preset (PR) at CLEAR (CLR)-na prayoridad ito sa iba pang mga input.Kapag ang preset input ay tumatanggap ng isang mababang signal, pinipilit nito ang output ng flip-flop na mataas.Katulad nito, kapag ang malinaw na input ay tumatanggap ng isang mababang signal, na-reset nito ang output ng flip-flop na mababa.Ang mga preset at malinaw na mga utos na ito ay nagsisiguro na ang mga output ay mananatiling matatag at hindi maapektuhan ng iba pang mga input o signal ng orasan.

Larawan 2: 8-bit ring counter
Ang isang 8-bit ring counter ay isang digital circuit na binubuo ng walong D-type flip-flops na nakaayos sa isang tuluy-tuloy na loop.Ang output mula sa ikawalong flip-flop ay pinapakain pabalik sa input ng una, na lumilikha ng isang hindi nababasag na siklo.Ang disenyo ng closed-loop na ito ay nagbibigay-daan sa counter sa hakbang sa pamamagitan ng isang serye ng mga natatanging estado, sa bawat estado na naaayon sa isa sa mga flip-flop na aktibo.Ang 8-bit na pagsasaayos ay maaaring hawakan ang isang kabuuang walong natatanging estado, na pinatataas ang pagiging kumplikado ng counter kumpara sa mas maliit na mga pagsasaayos.
Ang operasyon ng 8-bit ring counter ay nagsisimula sa pamamagitan ng pagtatakda ng unang flip-flop sa isang aktibong estado habang ang natitirang mga flip-flop ay hindi aktibo.Ang isang signal ng orasan ay pagkatapos ay inilapat nang pantay sa lahat ng mga flip-flops, tinitiyak na ang mga paglilipat ng estado ay nangyayari nang sabay-sabay sa buong circuit.Bilang mga pulso ng orasan, ang aktibong estado ay lumilipat mula sa isang flip-flop hanggang sa susunod sa isang mahuhulaan na ikot.Ang sunud-sunod na pag-toggling na ito ay nagpapatuloy hanggang sa huling flip-flop ay ipinapasa ang output nito pabalik sa una, na nakumpleto ang loop.

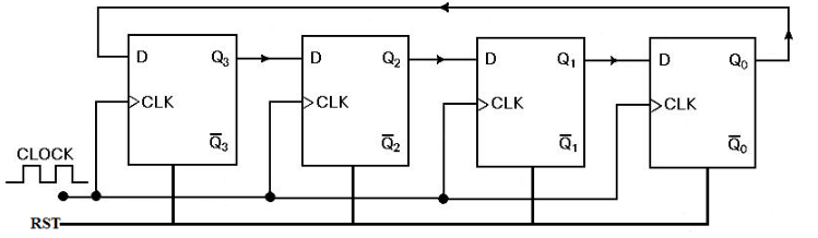
Larawan 3: 4-bit ring counter
Upang mapatakbo ang isang 4-bit ring counter, karaniwang inisyal ito sa isang panimulang estado ng '0001'.Sa pag-setup na ito, ang unang flip-flop (FF0) ay nakatakda sa output '1', habang ang iba pang tatlong flip-flops (FF1, FF2, at FF3) ay na-clear sa '0'.Tinitiyak ng paunang pagsasaayos na ang isang flip-flop lamang ang humahawak ng estado ng '1', na pagkatapos ay mag-ikot sa natitirang bahagi ng mga flip-flop na may bawat ikot ng orasan.
Tulad ng mga pulso ng orasan, ang '1' ay nagbabago mula sa FF0 hanggang FF1, pagkatapos ay sa FF2, FF3, at kalaunan ay bumalik sa FF0, na lumilikha ng isang paulit -ulit na loop.Ang pag-unlad na ito ay nagpapatuloy sa bawat flip-flop na lumiliko na may hawak na estado ng '1', habang ang iba ay nananatiling '0'.Ang pattern ng estado na ito ay nagbabago ng pangunahing operasyon ng singsing counter, tinitiyak ang isang mahuhulaan na pagkakasunud-sunod habang ito ay nag-ikot sa lahat ng apat na flip-flops.
Upang mas mahusay na maunawaan ang pag -uugali ng singsing counter, ang mga simulation ng alon gamit ang mga tool tulad ng Verilog HDL sa mga platform tulad ng Xilinx ay maaaring makatulong.Ang mga simulation na ito ay bumubuo ng isang graphic na representasyon ng mga paglilipat ng estado ng counter, na nagpapahintulot sa iyo na makita kung paano gumagalaw ang '1' mula sa isang flip-flop hanggang sa susunod sa bawat tibok ng orasan.Halimbawa, sa isang pag -ikot ng orasan, ang '1' ay nagbabago mula sa FF0 hanggang FF1, at sa susunod na pag -ikot, lumilipat ito sa FF2, na nagpapatuloy hanggang sa bumalik ito sa FF0 pagkatapos maabot ang FF3.Ang mga visual na tool na ito ay hindi lamang kapaki -pakinabang para sa pagsubaybay sa mga sunud -sunod na paglilipat kundi pati na rin para sa pagkumpirma ng kawastuhan ng tiyempo at paglilipat sa disenyo.Nag-aalok sila ng isang malinaw na pagtingin sa kung paano gumagana ang mga function ng singsing, na angkop para sa pagpapatunay na ang aparato ay gumaganap nang tama sa mga aplikasyon ng real-world.
Ang isang talahanayan ng katotohanan ay isang seryosong tool na ginamit upang mapa ang mga estado ng input at output ng isang singsing na counter, na nagbibigay ng isang malinaw na pangkalahatang -ideya ng kung paano nagpapatakbo ang counter sa mga digital circuit.Para sa isang 4-bit ring counter, ipinapakita ng talahanayan kung paano gumagalaw ang estado ng '1' sa bawat output ng flip-flop (Q0, Q1, Q2, Q3) sa isang paulit-ulit na pag-ikot.Ang mga input, tulad ng Overriding Input (ORI) at Clock Pulse (CLK), ay nakalista din upang ipakita kung paano nakakaapekto sa mga paglilipat ng estado.Kinukuha ng talahanayan na ito ang pag-uugali ng siklo ng counter, kung saan ang '1' ay umuusbong mula sa isang flip-flop hanggang sa susunod at kalaunan ay bumalik sa panimulang punto.
Sa bawat pag -ikot ng orasan, ang '1' ay nagbabago mula sa isang output hanggang sa susunod, lumipat mula sa Q0 hanggang Q1, Q1 hanggang Q2, Q2 hanggang Q3, at sa wakas ay bumalik sa Q0.Ang sunud -sunod na kilusang ito ay ang kakanyahan ng kung paano gumana ang isang singsing na counter, at direktang sinusuportahan nito ang mga pangangailangan ng mga system na umaasa sa paulit -ulit, mahuhulaan na mga pagkakasunud -sunod.Ang mga aparato tulad ng mga digital na relo, mga sensor ng pag -ikot, at posisyon ay naka -encode ng lahat ay nakikinabang mula sa siklo na operasyon na ito, kung saan ginagamit ang kawastuhan at tiyempo.

Larawan 4: Verilog HDL Program para sa Ring Counter
Ang sumusunod na programa ng Verilog HDL ay idinisenyo upang modelo ng pag -uugali ng isang singsing na gumagamit gamit ang isang modular na diskarte.Ang bawat module sa code ay tumutugma sa isang flip-flop sa ring counter, na may output mula sa isang module na nagpapakain nang direkta sa pag-input ng susunod.Ang kadena ng mga koneksyon na ito ay kinokontrol ng pagtaas ng mga pulso ng orasan ng gilid, na nag-synchronize ng mga paglilipat ng estado sa lahat ng mga flip-flops, tinitiyak na ang system ay nagpapatakbo sa isang coordinated na paraan.
Ang mga counter ng singsing ay dumating sa dalawang pangunahing uri, bawat isa ay may natatanging mga katangian ng pagpapatakbo: ang tuwid na counter ng singsing at ang baluktot na counter ng singsing.Parehong naghahain ng iba't ibang mga layunin depende sa mga pangangailangan ng digital system.

Larawan 5: Straight Ring Counter (one-hot counter)
Ang isang tuwid na counter ng singsing, na madalas na tinatawag na isang "one-hot" counter, ay nagpapatakbo sa pamamagitan ng pagpasa ng isang solong '1' sa pamamagitan ng isang serye ng mga flip-flops sa isang loop.Sa bawat tibok ng orasan, ang '1' ay gumagalaw sa susunod na flip-flop habang ang lahat ng iba pang mga flip-flops ay nananatili sa '0'.Ang simple, cyclic design na ito ay mainam para sa mga application na nangangailangan lamang ng isang aktibong estado nang sabay -sabay, tulad ng mga pangunahing generator ng pagkakasunud -sunod o mga rehistro ng shift.Ang prangka na likas na katangian ng tuwid na counter ng singsing ay nagsisiguro na kadalian ng paggamit at pagiging maaasahan sa mga system kung saan kinakailangan ang isang simpleng paulit -ulit na pattern.

Larawan 6: Twisted Ring Counter (Johnson Counter)
Ang baluktot na singsing counter, na kilala rin bilang isang counter ng Johnson, ay nagdaragdag ng isang makabuluhang pagbabago sa pangunahing disenyo.Sa bersyon na ito, ang output ng huling flip-flop ay baligtad bago ito maibalik sa pag-input ng unang flip-flop.Ang pagbabalik na ito ay lumilikha ng isang pagkakasunud -sunod kung saan ang isang serye ng mga sinusundan ng isang serye ng mga zero, na epektibong pagdodoble ang bilang ng mga natatanging estado kumpara sa tuwid na counter ng singsing.Bilang isang resulta, ang counter ng Johnson ay maaaring hawakan ang mas kumplikadong mga gawain, na ginagawa itong isang mas mahusay na pagpipilian para sa mga aplikasyon na nangangailangan ng isang mas malawak na hanay ng mga estado, tulad ng mga digital na posisyon ng encoder o mas advanced na mga operasyon sa pagkakasunud -sunod.
Ang pangunahing pagkakaiba sa pagitan ng isang singsing counter at isang counter ng Johnson ay namamalagi sa kung paano nila pinangangasiwaan ang feedback loop, na nakakaapekto sa bilang ng mga estado at ang pangkalahatang pag -uugali ng bawat counter.
Ring counter: Sa isang singsing counter, ang output mula sa huling flip-flop ay pinapakain nang direkta pabalik sa input ng unang flip-flop nang walang anumang mga pagbabago.Dahil sa direktang loop na ito, ang kabuuang bilang ng mga estado ay katumbas ng bilang ng mga flip-flops sa counter.Halimbawa, kung mayroong apat na flip-flops, ang counter ay mag-ikot sa apat na estado.Ang bawat flip-flop ay may hawak na isang mataas ('1') para sa isang cycle ng orasan at mananatiling mababa ('0') sa natitirang oras, na lumilikha ng isang simple, paulit-ulit na pagkakasunud-sunod ng mga estado.
Johnson Counter: Ang isang counter ng Johnson, sa kabilang banda, ay nagpapakilala ng baligtad na puna mula sa output ng huling flip-flop pabalik sa input ng una.Ang pagbabalik na ito ay nagpapahintulot sa counter na makabuo ng higit pang mga estado kaysa sa singsing na counter - doubling ang bilang.Ang bawat flip-flop ay dumadaan sa dalawang yugto: una, may hawak itong isang mataas ('1') at pagkatapos ay isang mababang ('0'), bago lumipat sa kabaligtaran na estado.Nangangahulugan ito na ang isang apat na flip-flop na Johnson counter ay mag-ikot sa walong estado.Bilang karagdagan, ang disenyo na ito ay binabawasan ang dalas ng output, na ang dalas ng output ay kalahati ng signal ng pag -input ng orasan.
Ang mga counter ng singsing ay may natatanging mga benepisyo at disbentaha na nakakaimpluwensya sa kanilang pagiging angkop sa mga digital na disenyo ng circuit.
Simpleng disenyo: Ang isa sa mga pangunahing lakas ng isang singsing counter ay ang diretso na konstruksyon nito.Hindi tulad ng iba pang mga counter, hindi ito nangangailangan ng mga karagdagang sangkap tulad ng mga decoder.Ang pagiging simple na ito ay ginagawang mas madali at mas mabisa upang maipatupad, lalo na sa mga system na nangangailangan ng pangunahing pag-encode o pag-decode nang walang kumplikadong hardware.
Mas kaunting mga sangkap: Ang istraktura ng feedback loop ng isang singsing counter ay nagbibigay -daan upang gumana ito sa mas kaunting mga sangkap kumpara sa iba pang mga uri ng counter.Ang pagbawas sa mga bahagi ay hindi lamang nagpapababa ng mga gastos kundi pati na rin ang pagtaas ng pagiging maaasahan, dahil ang mas kaunting mga sangkap ay nangangahulugang mas kaunting panganib ng pagkabigo sa hardware.
Limitadong bilang ng mga estado: Ang isang pangunahing limitasyon ng counter ng singsing ay ang bilang ng mga estado ay direktang nakatali sa bilang ng mga flip-flops.Kung kailangan mo ng higit pang mga estado, kailangan mong magdagdag ng higit pang mga flip-flop, na maaaring hindi praktikal sa mga aplikasyon na humihiling ng isang mas malaking bilang ng mga estado.
Walang kakayahan sa pagsisimula sa sarili: Ang mga counter ng singsing ay karaniwang hindi maaaring magsimula mula sa anumang di -makatwirang estado.Kailangan nila ng isang tiyak na preset na kondisyon upang simulan ang pagpapatakbo, na maaaring maging isang kawalan sa mga system kung saan nais ang kakayahang umangkop at mabilis na pagsisimula.Nangangahulugan ito ng mga dagdag na hakbang o sangkap na maaaring kailanganin upang matiyak na ang counter ay nagsisimula nang tama.
Ang mga counter ng singsing ay naglalaro ng isang pangunahing papel sa iba't ibang mga digital system, salamat sa kanilang simple ngunit epektibong cyclic operation.Ang kanilang kakayahang ilipat sa pamamagitan ng isang nakapirming bilang ng mga estado sa isang kinokontrol na pagkakasunud -sunod ay ginagawang lubos na kapaki -pakinabang sa kabuuan ng isang hanay ng mga aplikasyon.

Larawan 7: Ang pagbibilang ng dalas at mga digital na orasan
Ang mga counter ng singsing ay madalas na ginagamit sa mga counter ng dalas at mga digital na orasan dahil maaari silang mag -ikot sa pamamagitan ng isang itinakdang bilang ng mga estado na may katumpakan at pagiging maaasahan.Ginagawa nitong mainam ang mga ito para sa mga gawain na nangangailangan ng tumpak na pagsubaybay sa oras o dalas, tinitiyak ang matatag at mahuhulaan na operasyon.

Larawan 8: Timers
Sa mga aplikasyon ng tiyempo, ang mga counter ng singsing ay ginagamit upang masukat ang mga agwat at mag -trigger ng mga tiyak na kaganapan.Sa pamamagitan ng pag -unlad sa pamamagitan ng kanilang mga estado na naka -sync na may isang signal ng orasan, nagbibigay sila ng isang prangka na paraan upang pamahalaan ang tiyempo, tinitiyak ang mga kaganapan na maganap sa tamang sandali batay sa kasalukuyang estado ng counter.

Larawan 9: Finite-State Machines (FSM)
Ang mga counter ng singsing ay karaniwang isinama sa mga may hangganan na estado ng makina, lalo na sa mga kapaligiran tulad ng ASIC (Application-Specific Integrated Circuit) at FPGA (Field-Programmable Gate Array) na disenyo.Ang kanilang mahuhulaan na mga paglilipat ng estado ay ginagawang perpekto para sa pagkontrol sa daloy ng mga operasyon sa mga sistemang ito, tinitiyak ang bawat pagbabago ng estado ay maayos na hawakan at tumpak.

Larawan 10: Mga signal ng tiyempo
Mahalaga rin ang mga counter ng singsing para sa pagbuo ng mga signal ng tiyempo, na kapaki -pakinabang para sa pag -coordinate ng pagpapatakbo ng mas kumplikadong mga circuit.Sa pamamagitan ng paggawa ng mga signal na ito sa isang regular, siklo na paraan, makakatulong sila na matiyak ang iba't ibang mga bahagi ng isang circuit ay mananatiling naka -synchronize.

Larawan 11: Pseudo-random number henerasyon
Sa mga sistemang cryptographic, ang mga counter ng singsing ay ginagamit upang makabuo ng mga numero ng pseudo-random, na mapanganib para sa mga algorithm ng pag-encrypt.Ang kakayahan ng mga counter na lumipat sa pamamagitan ng mga estado na mahuhulaan habang pinapanatili pa rin ang randomness sa output ay ginagawang kapaki -pakinabang sa kanila sa sensitibong application na ito.

Larawan 12: Pamamahala ng Circular Storage
Sa mga sistema ng memorya, ang mga counter ng singsing ay tumutulong sa pamamahala ng mga pabilog na pila, tinitiyak na ang data ay naka -imbak at mahusay na nakuha.Ang kanilang siklo na kalikasan ay nagbibigay -daan sa kanila upang hawakan ang paulit -ulit na pagbibisikleta ng data sa isang kinokontrol na paraan, na ginagawang perpekto para sa pamamahala ng mga buffer at iba pang mga sistema ng imbakan na umaasa sa patuloy na daloy ng data.
Ang mga counter ng singsing ay kumakatawan sa isang panghuli ngunit maraming nalalaman na sangkap sa disenyo ng digital circuit, na nailalarawan sa kanilang simpleng konstruksyon at epektibong operasyon sa buong maraming mga aplikasyon.Sa kabila ng kanilang mga limitasyon, tulad ng isang nakapirming bilang ng mga estado at kakulangan ng kakayahan sa pagsisimula ng sarili, ang pagiging simple at pagiging maaasahan ng mga counter ng singsing ay ginagawang kinakailangan sa kanila sa disenyo ng mga modernong digital system.
Ang mga counter ng Johnson, na kilala rin bilang Twisted Ring Counter, ay pangunahing ginagamit sa digital electronics para sa paglikha ng mga timer ng pagkaantala at pagbuo ng mga simetriko square waveform.Ang mga counter na ito ay nakakahanap ng mga praktikal na aplikasyon sa mga digital na orasan para sa pagkakasunud-sunod ng oras, sa mga control system bilang mga counter-by-n counter kung saan pinamamahalaan nila ang mga operasyon ng pagkakasunud-sunod, at sa pagmamaneho ng mga nagpapakita ng numero kung saan sila ay paikot na gumagawa ng isang hanay ng mga halaga ng binary.Ang mga operator ay madalas na umaasa sa mga counter ng Johnson para sa kanilang pagiging simple at pagiging maaasahan sa paggawa ng isang mataas na bilang ng mga estado na may mas kaunting mga flip-flops kaysa sa iba pang mga counter.
Ang mga counter ng singsing ay inuri batay sa kanilang pag -synchronise sa pagpapatakbo:
Kasabay na singsing na singsing: Ang lahat ng mga flip-flop ay hinihimok ng isang karaniwang signal ng orasan, na ginagawang sabay-sabay ang mga paglilipat sa lahat ng mga flip-flops.
Asynchronous (o ripple) singsing counter: Ang output ng isang flip-flop ay nagiging pag-input ng orasan para sa susunod, na humahantong sa sunud-sunod na mga paglilipat na nag-ripple sa counter.
Upang magamit nang epektibo ang isang Ring Counter:
Initialization: Magsimula sa pamamagitan ng pagtatakda ng lahat ng mga flip-flops sa 0 maliban sa isa, na dapat itakda sa 1. Ang pag-setup na ito ay lumilikha ng isang solong '1' na nagpapalipat-lipat sa singsing.
Input ng orasan: Mag -apply ng isang pulso ng orasan.Sa bawat pulso, ang '1' ay nagbabago mula sa isang flip-flop hanggang sa susunod na pagkakasunud-sunod.
Pagsubaybay sa mga output: Ang bawat flip-flop output ay maaaring masubaybayan upang subaybayan ang posisyon ng '1' sa circuit, kapaki-pakinabang para sa tiyempo at pagkontrol sa pagkakasunud-sunod
Ang mga counter ng singsing ay maaaring maging magkasabay o hindi sinasadya, depende sa kanilang disenyo:
Magkasabay na singsing: Ang lahat ng mga flip-flop ay nagbabago ng estado nang sabay-sabay sa signal ng orasan.
Asynchronous Ring Counter: Ang Flip-Flops ay nagbabago ng estado nang sunud-sunod kasunod ng pag-activate ng naunang flip-flop, na nagdudulot ng epekto ng ripple.
Ang mga pangunahing pagkakaiba sa pagitan ng isang singsing counter at isang Johnson counter ay:
Paggamit ng memorya: Ang isang singsing counter na may N flip-flops ay maaaring kumatawan sa mga estado ng N, habang ang isang counter ng Johnson ay maaaring kumatawan sa mga estado ng 2N, na ginagawang mas mahusay ang mga counter ng Johnson sa mga tuntunin ng representasyon ng estado sa bawat flip-flop.
Pagiging kumplikado ng circuit: Ang mga counter ng Johnson ay mas kumplikado dahil nangangailangan sila ng karagdagang mga kable at pag -setup kumpara sa mga counter counter.
Output Waveform: Ang mga counter ng Johnson ay bumubuo ng isang mas kumplikadong hanay ng mga alon ng output, na maaaring maging kapaki -pakinabang sa mga aplikasyon na nangangailangan ng detalyadong mga pattern ng tiyempo, tulad ng henerasyon ng alon sa mga sistema ng komunikasyon.
Mangyaring magpadala ng isang pagtatanong, tutugon kami kaagad.
sa 2024/09/19
sa 2024/09/18
sa 8000/04/18 147757
sa 2000/04/18 111936
sa 1600/04/18 111349
sa 0400/04/18 83721
sa 1970/01/1 79508
sa 1970/01/1 66905
sa 1970/01/1 63033
sa 1970/01/1 63012
sa 1970/01/1 54081
sa 1970/01/1 52125