
Larawan 1. Emitter Transistor Circuit
Ang karaniwang emitter Ang Amplifier ay isa sa mga pinakatanyag na transistor circuit na makikita mo.Ginagamit ito sa maraming mga elektronikong aparato dahil nag -aalok ito magandang pakinabang at medyo simple upang magkasama.Ang mabuting balita ay - hindi mo kailangang maging isang dalubhasa upang magdisenyo ng isa.Sa pamamagitan lamang ng ilang malinaw na mga hakbang at kaunting pag -unawa, maaari kang magdisenyo ng isang maaasahan at epektibong circuit na gumagana nang maayos para sa maraming mga aplikasyon.
Ano ang madaling lapitan ng disenyo ng amplifier na ito ay kung gaano diretso ang matematika.Hindi ka mapapawi ng mga kumplikadong pormula.Ang ilang mga simpleng kalkulasyon gamit Batas ni Ohm at ang mga pangunahing katangian ng transistor ay maaaring gabayan ka sa tamang risistor at mga halaga ng kapasitor.Kapag nakuha mo ang hang ng proseso, ang pagpili ng mga bahagi ay nagiging mas madali, lalo na dahil maaari mong madalas na pumili ng mga karaniwang halaga ng risistor nang hindi itinapon ang circuit.
Mayroon ding maraming kakayahang umangkop sa ganitong uri ng amplifier.Maaari kang magsimula sa isang napaka -simpleng bersyon - isang pangunahing Logic Buffer o Output Driver—Sing isang transistor lamang, isang risistor sa input, at isa sa kolektor.Kahit na sa pangunahing form na ito, ang circuit ay maaaring maging kapaki -pakinabang, lalo na kung kailangan mong i -convert ang isang signal mula sa mataas hanggang mababa o kabaligtaran.Ito ay dahil ang circuit baligtad ang signal: Kapag mataas ang input, mababa ang pagbagsak ng output.
Kung nais mong gumawa ng mga bagay nang isang hakbang pa, maaari kang magdagdag ng ilang dagdag na bahagi.Kasama dito ang mga capacitor upang mahawakan ang mga signal ng AC at resistors upang makatulong na itakda ang tamang operating point para sa transistor.An Emitter bypass capacitor Maaari ring idagdag upang mapabuti ang pakinabang para sa mga signal ng AC.Ang mga karagdagan na ito ay hindi ginagawang mas kumplikado ang circuit, ngunit binibigyan ka nila ng mas mahusay na kontrol sa kung paano gumaganap ang amplifier.Sa pamamagitan lamang ng kaunting pagsasanay at pag -tweaking, magagawa mong magdisenyo ng isang bersyon na gumagana nang maayos para sa iyong mga tiyak na pangangailangan.
Ang ganitong uri ng Karaniwang circuit ng emitter ay marahil isa sa pinakamadaling transistor circuit maaari kang bumuo.Madalas itong ginagamit bilang isang simple Logic Buffer o signal Inverter, at ito ay isang mahusay na panimulang punto kung ikaw ay papasok lamang sa mga electronics na batay sa transistor.Ang pag -setup ay minimal - kailangan mo lang a Transistor, isa risistor konektado sa input (ang batayan ng transistor), at isa pa Resistor na konektado sa kolektor.Kahit na sa ilang mga bahagi lamang, ang circuit ay gumagawa ng isang bagay na kapaki -pakinabang.
Ang Resistor ng input Tumutulong sa pamamagitan ng pagkontrol sa dami ng kasalukuyang dumadaloy sa base ng transistor.Pinipigilan nito ang sobrang kasalukuyang mula sa pagsira sa transistor o nakakaapekto sa iba pang mga bahagi ng iyong circuit.Samantala, ang Resistor ng Kolektor gumaganap ng ibang papel.Narito ang Ang boltahe ng output ay binuo.Kapag lumiliko ang transistor, kasalukuyang dumadaloy dito, at bumaba ang boltahe ng kolektor, na lumilikha ng a mababang signal sa output.
Ang paraan ng circuit ay gumagana ay simple ngunit matalino.Kapag ang Mataas ang signal ng input- Sabihin mula sa isang lohika gate o microcontroller - itinutulak nito ang isang maliit na kasalukuyang sa base ng transistor.Ang maliit na base na ito ay nagbibigay -daan sa a mas malaking kasalukuyang daloy Mula sa Kolektor hanggang sa Emitter, na pinihit ang transistor. "Kapag nangyari iyon, ang boltahe sa kolektor ay bumababa malapit sa zero, at nakakakuha ka ng mababang output.Sa madaling salita, ang isang mataas na input ay nagbibigay sa iyo ng isang mababang output, na tinawag pagbabalik -tanaw o Phase Reversal.Ito ay a Pangunahing tampok ng karaniwang emitter amplifier.

Larawan 2. Pangunahing Karaniwang Emitter Transistor Amplifier para sa Paggamit ng Logic
Ang ganitong uri ng circuit ay madaling gamitin kung nais mo Magmaneho ng isang mababang aparato ng signal o kailangan Mga antas ng shift sa pagitan ng iba't ibang mga bahagi ng isang digital system.Halimbawa, maaari itong magamit Kontrolin ang isang LED o kumilos bilang isang simple interface sa pagitan ng mga logic IC.Ito ay mabilis na bumuo, madaling maunawaan, at Hindi tumatagal ng maraming puwang o kapangyarihan.Kaya kung nagdidisenyo ka ng isang logic-level circuit at kailangan a maaasahang yugto ng paglipat, ang karaniwang pag -setup ng emitter na ito ay a matalino at simpleng pagpipilian.
Ang pagtatayo ng isang karaniwang emitter logic amplifier ay madali sa sandaling masira mo ito sa mga simpleng hakbang.Ang bahaging ito ng gabay ay tumutulong sa iyo na pumili ng mga tamang bahagi at alamin ang kanilang mga halaga upang ang iyong circuit ay gumagana sa paraang nararapat.Ang bawat hakbang ay nakatuon sa isang bahagi ng pag -setup, na ginagawang madali itong sundin.
Magsimula sa pamamagitan ng pagpili ng isang transistor na nababagay sa iyong proyekto.Pag -isipan kung magkano ang kasalukuyang gagamitin ng iyong circuit at kung gaano kabilis ang kailangang i -on at i -off ang transistor.Para sa mga logic circuit, mahalaga ang mabilis na paglipat, kaya ang isang lumilipat na transistor ay karaniwang ang pinakamahusay na pagpipilian.Siguraduhin na maaari nitong hawakan ang boltahe sa pagitan ng kolektor at emitter.Gayundin, suriin ang kasalukuyang pakinabang nito (ipinapakita bilang β o HFE).Sinasabi sa iyo kung magkano ang base kasalukuyang kinakailangan upang makontrol ang transistor.Ang isang mas mataas na pakinabang ay nangangahulugang kakailanganin mo ng mas kaunting base kasalukuyang, ngunit palaging mas ligtas na magplano para sa isang mas mababang pakinabang kung sakaling.
Itinatakda ng Risistor ng Kolektor ang boltahe ng output kapag ang transistor ay naka -on o naka -off.Upang malaman ang halaga nito, kailangan mo munang malaman kung magkano ang kasalukuyang mga pangangailangan ng iyong pag -load.Pagkatapos, gamit ang batas ng OHM (r = v / i), maaari mong kalkulahin ang halaga ng risistor.Halimbawa, kung mayroon kang isang 5V power supply at nais ng 5mA ng kasalukuyang, kakailanganin mo ng isang 1kΩ risistor (5V ÷ 0.005A).Masarap na bilugan ito sa pinakamalapit na karaniwang halaga ng risistor.
Upang ganap na ilipat ang transistor, kailangan nito ng sapat na kasalukuyang sa base.Hatiin ang kolektor ng kasalukuyang sa pamamagitan ng pakinabang (β) upang mahanap ang base kasalukuyang.Pagkatapos, gamitin ang pagkakaiba-iba ng boltahe sa pagitan ng iyong input at ang boltahe ng base-emitter (karaniwang tungkol sa 0.6V para sa mga transistor ng silikon) upang mahanap ang halaga ng risistor.Halimbawa, kung ang iyong input ay 5V at nais mo ang 0.25mA sa base, ang risistor ay dapat na (5V - 0.6V) ÷ 0.00025A = 17.6kΩ.Maaari mong bilugan iyon sa isang kalapit na pamantayang halaga tulad ng 18kΩ.
Bago matapos, bumalik at suriin ang lahat ng iyong mga numero.Siguraduhin na ang transistor ay maaaring hawakan ang kasalukuyang at boltahe.Suriin na ang boltahe ng output ay bumababa nang sapat kapag ito ay nasa, at na ang iyong mapagkukunan ng pag -input ay maaaring magbigay ng kinakailangang base kasalukuyang.Gayundin, kumpirmahin ang iyong mga resistors ay karaniwang mga halaga at maaaring hawakan ang lakas nang hindi masyadong nagpainit.Kung may tila hindi, ayusin ito at muling pag -recalculate.Ang isang mabilis na tseke ngayon ay maaaring makatipid ng maraming oras mamaya.
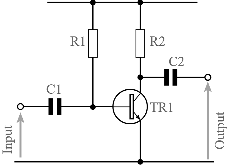
Ang bersyon na ito ng karaniwang emitter amplifier ay may kasamang a Coupling capacitor, na ginagawang mas angkop para sa pagtatrabaho Mga signal ng AC tulad ng audio o iba pang pagbabago ng mga input ng boltahe.Ang kapasitor ay inilalagay sa input sa I -block ang anumang boltahe ng DC na maaaring magmula sa nakaraang yugto, na nagpapahintulot lamang sa AC bahagi ng signal upang dumaan.Tumutulong ang setup na ito kung nais mo Amplify signal na nag -iiba sa paglipas ng panahon, nang hindi nakakaapekto sa DC biasing ng transistor.
Gayunpaman, ang disenyo na ito ay gumagamit lamang isang solong risistor sa bias ang base ng transistor.Habang pinapanatili itong simple ang mga bagay, nangangahulugan din ito ng transistor operating point, o DC bias, hindi masyadong matatag.Iyon ay dahil ang biasing ay nakasalalay nang labis sa transistor's Kasalukuyang Gain (β), na maaaring mag -iba ng maraming mula sa isang transistor patungo sa isa pa - kahit na sa loob ng parehong uri.Bilang isang resulta, ang amplifier ay maaaring hindi palaging gumagana sa parehong paraan kung ang Pinalitan ang transistor o kung ang nagbabago ang temperatura, dahil ang dalawa ay maaaring makaapekto sa β.
Gayunpaman, ang circuit na ito ay maaaring maging kapaki -pakinabang kapag hindi mo kailangan ng perpektong katatagan at nais lamang a Mabilis, simpleng AC amplifier.Ito ay Isang magandang panimulang punto Para sa pag -aaral kung paano AC pagkabit Gumagana at kung paano kumilos ang mga transistor sa isang amplifier.Kapag naintindihan mo ang mga pangunahing kaalaman dito, mas handa kang magtayo Mas matatag at nababaluktot na mga bersyon sa pamamagitan ng pagdaragdag ng higit pang mga resistors at iba pang mga sangkap mamaya.

Larawan 3. AC-kaisa karaniwang emitter amplifier na may isang base risistor
Ang pagsasama-sama ng isang pangunahing AC-kaisa na amplifier ay isang simpleng proseso kapag sinusunod mo ang ilang mga malinaw na hakbang.Ang ganitong uri ng amplifier ay madalas na ginagamit para sa mga signal na nagbabago sa paglipas ng panahon, tulad ng audio.Ang mga sumusunod na hakbang ay makakatulong sa iyo na pumili ng mga tamang bahagi at suriin na ang lahat ay gumagana tulad ng inaasahan.
Magsimula sa pamamagitan ng pagpili ng isang transistor na tumutugma sa mga pangangailangan ng iyong circuit.Pag-isipan kung magkano ang boltahe na hahawak nito sa pagitan ng kolektor at emitter, kung magkano ang lakas na maaaring hawakan, at kung ano ang saklaw ng dalas na dapat itong gumana. Para sa mga pangkalahatang layunin na amplifier, isang pangunahing transistor ng NPN tulad ng 2N3904 ay madalas na gumagana nang maayos, ngunit maaari kang pumili ng iba batay sa iyong tukoy na proyekto.
Tumutulong ang Resistor ng Kolektor na itakda ang boltahe ng output.Ang isang mahusay na panimulang punto ay upang itakda ang kolektor sa halos kalahati ng boltahe ng supply.Nagbibigay ito sa iyong signal room upang mag -swing pareho at pababa.Gumamit ng batas ng OHM (r = v / i) upang mahanap ang halaga.Magpasya lamang kung magkano ang kasalukuyang nais mong dumaloy sa risistor, at hatiin ang boltahe sa kabuuan nito sa kasalukuyan.
Upang gumana nang tama ang transistor, kailangan mong pakainin ang tamang dami ng kasalukuyang sa base nito.Una, hatiin ang kolektor ng kasalukuyang sa pamamagitan ng pakinabang ng transistor (β) upang mahanap ang base kasalukuyang.Pagkatapos, gamitin ang boltahe ng supply at ang katotohanan na ang base ay karaniwang uupo tungkol sa 0.6V sa itaas ng lupa upang mahanap ang base risistor.Ang batas ni Ohm ay madaling gamitin dito.
Ang mga capacitor ay ginagamit upang harangan ang DC at ipasa ang mga signal ng AC.Upang pumili ng tamang sukat, tingnan ang pinakamababang dalas na gagamitin ng iyong signal at ang paglaban sa input o output ay dadaanan.Gamitin ang formula xc = 1 / (2πfc) upang matiyak na ang reaksyon ng kapasitor ay tumutugma sa impedance sa dalas na iyon.Pinapanatili nitong malakas ang iyong signal nang hindi pinuputol ang mababang dulo.
Kapag napili mo ang lahat ng mga bahagi, maglaan ng ilang sandali upang i-double-check ang lahat.Tingnan ang iyong mga halaga ng risistor, kasalukuyang mga antas, at mga pagpipilian sa kapasitor.Siguraduhin na ang transistor ay tumatakbo sa tamang saklaw at malinaw ang signal path.Ang mga maliliit na pag -tweak sa yugtong ito ay maaaring gawing mas mahusay ang iyong amplifier sa sandaling ito ay itinayo.
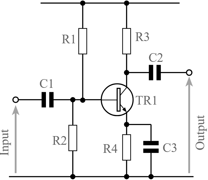
Kapag gusto mo a mas maaasahan at mas mahusay na gumaganap na amplifier, ang bersyon na ito ng karaniwang circuit ng emitter ay ang paraan upang pumunta.Sa pamamagitan ng pagdaragdag ng ilang dagdag na sangkap - tulad ng mas maraming resistors at mga capacitor—Magagawa mo ang circuit mas matatag at pagbutihin ang pakinabang nito, lalo na para sa Mga signal ng AC.Ang mga idinagdag na bahagi na ito ay tumutulong sa pananatili ng amplifier pare -pareho, kahit na ang mga katangian ng transistor ay nagbabago nang bahagya o ang temperatura ay nagbabago.
Isa sa mga pangunahing pagpapabuti sa disenyo na ito ay ang paggamit ng a Boltahe Divider ginawa gamit ang dalawang resistors sa bias ang base.Ginagawa nito ang Base boltahe na mas mahuhulaan, na nangangahulugang ang transistor ay mananatili sa tamang rehiyon ng operating na mas maaasahan.Kasama rin sa circuit ang isang emitter risistor Iyon ay nagtatakda ng boltahe ng emitter at tumutulong sa katatagan.Ang risistor na ito ay gumagawa ng transistor Hindi gaanong sensitibo sa mga pagbabago sa kasalukuyang pakinabang (β), Alin ang mahalaga kung naglalayon ka para sa pare -pareho na pagganap.
Sa mapalakas ang pakinabang ng AC, a Ang kapasitor ay idinagdag sa buong emitter risistor.Ito Bypass kapasitor Pinapayagan ang mga signal ng AC na "laktawan" ang risistor, pagtaas ng pangkalahatang pakinabang ng circuit para sa mga signal na iyon habang pinapanatili pa rin ang matatag na Biasing ng DC.Ang resulta ay isang circuit na hindi lamang higit pa maaasahan ngunit nagbibigay din sa iyo ng isang Mas malakas, mas malinis na signal ng output.
Lalo na kapaki -pakinabang ang bersyon na ito kapag nagtatayo ka ng isang bagay mas permanente o kapag kailangan ng iyong amplifier Kumonekta sa iba pang mga yugto nang hindi nawawala ang kalidad ng signal.Maaari itong magmukhang medyo mas kumplikado kaysa sa pangunahing bersyon, ngunit ang Ang mga benepisyo na dinadala nito sa pagganap at pagiging maaasahan Gawin itong isang mahusay na hakbang pasulong sa sandaling komportable ka sa mga mas simpleng disenyo.

Larawan 4. Pinahusay na karaniwang emitter amplifier na may higit pang mga sangkap
Ang bersyon na ito ng amplifier ay nagsasama ng higit pang mga sangkap, na nagbibigay sa iyo ng mas mahusay na pagganap, lalo na pagdating upang makakuha at katatagan ng DC.Ang mga sumusunod na hakbang ay masira ang proseso ng pagpili ng mga halaga at pagdidisenyo ng iyong circuit nang malinaw at simple.
Pumili ng isang transistor batay sa kung ano ang kailangan ng iyong circuit sa mga tuntunin ng boltahe, kasalukuyang, at uri ng signal.Ang isang pangkalahatang layunin na NPN transistor ay gumagana nang maayos para sa maraming mga kaso, ngunit siguraduhin na maaari nitong hawakan ang iyong boltahe ng supply at kasalukuyang walang problema.
Magpasya kung magkano ang kasalukuyang iyong circuit na kailangang pakainin sa susunod na yugto.Pagkatapos ay pumili ng isang boltahe ng kolektor na halos kalahati ng boltahe ng supply - ito ang nagbibigay sa iyong signal room upang umakyat at pababa.Gumamit ng batas ng OHM (r = v / i) upang malaman ang tamang halaga ng risistor.
Para sa mas mahusay na katatagan, itakda ang boltahe ng emitter sa paligid ng 1V o tungkol sa 10% ng iyong boltahe ng supply.Dahil ang emitter kasalukuyang ay halos kapareho ng kolektor ng kasalukuyang, maaari mong kalkulahin ang emitter risistor sa pamamagitan ng paghati sa boltahe ng emitter sa pamamagitan ng kasalukuyang.
Upang mahanap ang base kasalukuyang, hatiin ang kolektor ng kasalukuyang sa pakinabang ng transistor (β o HFE).Kung nag -iiba ang pakinabang, mas ligtas na gamitin ang mas mababang dulo ng saklaw upang matiyak na maayos ang transistor.
Ang base boltahe ay ang emitter boltahe kasama ang base-emitter junction boltahe.Para sa mga transistor ng silikon, ito ay tungkol sa 0.6V.Kaya, kung ang emitter ay nasa 1V, ang base ay dapat na nasa paligid ng 1.6V.
Gumamit ng dalawang resistors sa isang boltahe divider (R1 at R2) upang makuha ang tamang boltahe sa base.Ang isang mahusay na patakaran ay upang gawin ang kasalukuyang dumadaloy sa kanila ng halos sampung beses sa base kasalukuyang.Makakatulong ito na panatilihing matatag ang boltahe ng base.Piliin ang mga halaga ng risistor batay sa boltahe na kinakailangan at ang iyong boltahe ng supply.
Upang mapabuti ang pakinabang ng AC, magdagdag ng isang kapasitor sa buong risistor ng emitter.Pinapayagan nito ang mga signal ng AC na makaligtaan ang risistor, pagtaas ng pakinabang.Pumili ng isang kapasitor na may isang reaksyon na katumbas ng emitter risistor sa pinakamababang dalas ng iyong circuit.
Ang input capacitor ay dapat magkaroon ng isang reaksyon na tumutugma sa paglaban sa input sa pinakamababang dalas ng iyong signal.Pinapanatili nito ang mga signal ng mababang-dalas mula sa naharang.Maaari mong matantya ang paglaban sa pag -input bilang mga oras ng kita ng transistor ang halaga ng risistor ng emitter.
Ang kapasitor na ito ay pumasa sa amplified signal sa susunod na yugto habang hinaharangan ang DC.Pumili ng isang halaga na tumutugma sa paglaban ng pag -load (sa susunod na bahagi ng circuit) sa pinakamababang dalas na iyong pinagtatrabahuhan.
Kapag kumpleto ang iyong disenyo, maglaan ng sandali upang bumalik at suriin ang lahat.Siguraduhin na ang transistor ay maaari pa ring hawakan ang kasalukuyang at boltahe, ang iyong mga halaga ng risistor ay may katuturan, at ang lahat ng iyong mga pagpipilian sa kapasitor ay sumusuporta sa tamang mga frequency.Ang isang mabilis na pagsusuri ay nakakatulong na maiwasan ang mga problema sa paglaon.
Kapag nagtatayo ka ng isang karaniwang emitter amplifier, nakakatulong itong malaman kung paano ito humahawak Iba't ibang signal Kadalasan.Ang ilang mga signal ay madaling dumaan, habang ang iba ay maaaring maging mahina depende sa mga bahagi na ginagamit mo - lalo na ang mga capacitor at resistors.
Ang saklaw ng mga frequency na maaaring hawakan ng iyong amplifier ay tinatawag na ito Bandwidth.Sa napakababa Kadalasan, ang mga capacitor ay maaaring kumilos tulad ng mga bloke dahil ang kanilang paglaban (tinatawag na reaksyon) umakyat.Sa mataas na frequency, pinapayagan nila ang mga signal na mas madaling lumipas.Iyon ang dahilan kung bakit mahalaga na pumili mga halaga ng kapasitor Batay sa pinakamababang dalas Kailangang magtrabaho ang iyong circuit.Halimbawa, kung ang iyong signal ay bumaba sa 20 Hz, Ang iyong mga capacitor ay dapat na sapat na malaki upang hayaan iyon nang walang labis na pagkawala.
Ang kapasitor sa buong emitter risistor - na kilala bilang bypass capacitor—Ang din ay gumagawa ng isang malaking pagkakaiba.Nakakatulong ito Dagdagan ang pakinabang ng amplifier para sa mga signal ng AC.Kung ang kapasitor na ito ay napakaliit, maaaring ang iyong circuit Mawalan ng pakinabang sa mas mababang mga frequency.Ngunit sa tamang halaga, pinalalaki nito ang pagganap nang hindi nakakaapekto sa iyong pag -setup ng DC.
Ang pag -unawa dito ay makakatulong sa iyo na pumili ng mga bahagi na gumawa ng iyong amplifier mas mahusay na magtrabaho Para sa mga signal na ginagamit mo, maging para ito audio, sensor, o iba pang mga mapagkukunan ng AC.Kapag nakuha mo ang hang nito, ang pag -aayos ng iyong disenyo para sa iba't ibang mga saklaw ng dalas ay nagiging mas madali.
Matapos isama ang iyong amplifier circuit, magandang ideya na Suriin na ang lahat ay nagtatrabaho tulad ng inaasahan.Hindi mo na kailangan ng mga kumplikadong tool - isang simple Multimeter ay madalas na sapat upang makapagsimula, at isang Oscilloscope ay kapaki -pakinabang kung nais mong tingnan ang signal nang mas detalyado.
Magsimula sa pamamagitan ng paggamit ng multimeter upang suriin ang Supply boltahe At kumpirmahin na umabot ito sa circuit.Pagkatapos ay sukatin ang boltahe sa kolektor, base, at emitter ng transistor.Sa karamihan ng mga kaso, ang Ang kolektor ay dapat na nasa isang lugar sa kalahati ng boltahe ng supply, habang ang emitter ay medyo nasa itaas ng lupa.Ang base dapat tungkol sa 0.6 volts na mas mataas kaysa sa emitter Kung gumagamit ka ng isang silikon transistor.Ang mga pagbabasa na ito ay makakatulong sa iyo na malaman kung ang Ang transistor ay bias nang maayos at handa nang palakasin.
Kung mayroon kang isang signal generator at an Oscilloscope, maaari mong subukan kung paano humahawak ang amplifier ng isang maliit na signal ng AC.Kumonekta a mababang-dalas na alon ng sine sa input at suriin ang output sa saklaw.Dapat mong makita a Mas malaking bersyon ng signal ng pag -input, na -flip na baligtad.Kung ang hitsura ng output masyadong mahina o baluktot, i-double-check ang iyong mga halaga ng risistor o kapasitor.
Kahit na walang saklaw, maaari mong subukan ang paggamit ng isang signal ng audio- Tulad ng isang telepono o music player - at kumonekta a Maliit na Tagapagsalita sa output sa pamamagitan ng a kapasitor.Kung naririnig mo ang tunog, nangangahulugan ito na gumagana ang amplifier.
Pagsubok Tumutulong na siguraduhin na ang iyong circuit ay ginagawa kung ano ang dapat, at nagbibigay din ito sa iyo ng a Mas mahusay na pakiramdam para sa kung paano ito kumikilos.Ito ay isang simple ngunit kapaki -pakinabang na hakbang na gumagawa ng iyong proyekto mas maaasahan.
Habang gumugol ka ng mas maraming oras sa pagtatrabaho Mga Transistor Circuits, lalo na karaniwan mga amplifier ng emitter, pagpili ng Tamang transistor nagiging mas madali at mas natural.Sa una, maaaring pakiramdam na maraming mga pagpipilian, ngunit sa paglipas ng panahon, makakakuha ka ng isang mas mahusay na kahulugan ng kung ano ang pinakamahusay na gumagana para sa iba't ibang uri ng mga circuit.Magsisimula kang makilala ang mga pattern - tulad ng kung aling mga transistor ang mabuti para sa Pangkalahatang-layunin na mga amplifier at alin ang mas angkop para sa Lumilipat.
Para sa Mga circuit ng amplifier, karaniwang gusto mo ng isang transistor na nag -aalok ng a disenteng pakinabang, hawakan ang iyong Supply boltahe Kumportable, at mahusay na gumaganap sa Kadalasan Nagtatrabaho ka.Hindi mo palaging kailangan ng isang bagay na high-end-marami Karaniwan, abot -kayang transistor Magtrabaho nang maayos para sa pangunahing mga audio o signal amplifier.
Sa kabilang banda, kung nagtatayo ka ng isang circuit kung saan ang transistor ay kumikilos na katulad ng isang On-off switch—Sa bilang pagkontrol sa isang LED, motor, o relay- Mas mahusay na pumili ng isang Lumilipat ng transistor.Ang mga ito ay dinisenyo upang I -on at i -off ang mabilis at hawakan matalim na pagbabago sa kasalukuyang nang walang lag.Kahit na ang isang transistor ay may a mataas na bilis ng rating o a Mabilis na oras ng pagtugon (tulad ng isang mataas na FT), hindi ito palaging nangangahulugang ito ay gumaganap nang maayos sa isang lumilipat na circuit. Lumilipat ng mga transistor ay ginawa upang hawakan Mabilis na paglilipat at biglaang mga naglo -load mas epektibo.
Kaya bilang isang pangkalahatang tuntunin, subukang Itugma ang transistor sa trabaho Kailangan itong gawin.Sa pagsasanay, makakahanap ka ng iilan go-to options na gumagana sa karamihan ng iyong mga circuit.Kung ito ay para sa pagpapalakas ng isang signal o kumikilos bilang isang Digital Switch, gamit ang Tamang uri ng transistor Makakatulong sa iyong mga circuit na magpatakbo ng mas maaasahan at gumanap lamang sa iyong inaasahan.
Ngayon na ginalugad mo kung paano gumagana ang isang karaniwang emitter amplifier at kung paano bumuo ng isang hakbang -hakbang, dapat mong pakiramdam na mas tiwala ang pagsasama -sama ng iyong sariling circuit.Kung nagtatrabaho ka sa mga simpleng signal ng lohika o pagpapalakas ng mga input ng AC tulad ng audio, ang ganitong uri ng circuit ay isang matatag na pagpipilian.Tandaan lamang na maglaan ng oras sa mga kalkulasyon at i-double-check ang iyong mga halaga ng sangkap.Sa pamamagitan ng kaunting kasanayan, mas madali kang makalikha ng mga amplifier na gumagana nang maayos para sa anumang proyekto na iyong pinagtatrabahuhan.
Mangyaring magpadala ng isang pagtatanong, tutugon kami kaagad.
Ang isang karaniwang emitter amplifier ay tumatagal ng isang maliit na signal ng pag -input at ginagawang mas malaki.Madalas itong ginagamit upang mapalakas ang audio o iba pang mga signal upang maaari silang magmaneho ng isa pang yugto o aparato.
Ang output ay baligtad dahil sa kung paano gumagana ang transistor sa pag -setup na ito.Kapag mataas ang input, lumiliko ang transistor at hinila ang output na mababa, na lumilikha ng kabaligtaran na signal.
Hindi mo na kailangang gumamit ng isa, ngunit ang pagdaragdag ng isang bypass capacitor sa buong emitter risistor ay nakakatulong na madagdagan ang pakinabang ng AC.Pinapayagan nito ang mga signal ng AC habang pinapanatili pa rin ang katatagan ng DC.
Gumamit ng batas ng OHM upang makalkula ang mga halaga ng risistor batay sa iyong boltahe ng supply at nais na kasalukuyang.Ang mga karaniwang halaga ng risistor na malapit sa iyong resulta ay karaniwang gumagana nang maayos.
Maaari mong gamitin ang karamihan sa mga pangkalahatang-layunin na mga transistor ng NPN, ngunit mas mahusay na pumili ng isa na tumutugma sa iyong boltahe, kasalukuyang, at bilis ng bilis.Para sa paglipat ng lohika, gumamit ng isang transistor na ginawa para sa paglipat.
sa 2025/04/1
sa 2025/03/31
sa 8000/04/18 147757
sa 2000/04/18 111935
sa 1600/04/18 111349
sa 0400/04/18 83719
sa 1970/01/1 79508
sa 1970/01/1 66904
sa 1970/01/1 63028
sa 1970/01/1 63012
sa 1970/01/1 54081
sa 1970/01/1 52122