
Ang XC3S200-4TQG144I ay bahagi ng pamilya ng Spartan-3 ng FPGA ng AMD Xilinx, na pinasadya para sa mga application na sensitibo sa gastos na humihiling ng mataas na pagganap.Nagtatampok ang modelong ito ng 200,000 mga pintuan ng system at gumagamit ng 4,320 logic cells, na nagpapagana ng matatag na kakayahan sa pagproseso sa isang compact form factor.Ipinagmamalaki ng aparato ang malaking panloob na mapagkukunan, kabilang ang 480 na -configure na mga bloke ng lohika (CLB), 216 kbits ng block ram para sa pag -iimbak ng data, at 12 nakatuon na 18x18 multiplier para sa pinahusay na mga operasyon ng aritmetika.Sinusuportahan nito ang hanggang sa 97 User I/O pin, na nagpapahintulot sa maraming mga pagpipilian sa pagkakakonekta.Ang pamamahala ng orasan ay mahusay na hawakan ng apat na mga tagapamahala ng orasan ng digital (DCMS), na pinadali ang tumpak na tiyempo at kontrol sa loob ng mga high-speed digital na kapaligiran.Ang XC3S200-4TQG144I ay nagpapatakbo sa isang 1.2V core boltahe, na may isang pinapayagan na saklaw ng 1.14V hanggang 1.26V, at ito ay dinisenyo upang maisagawa ang maaasahan sa mga setting ng pang -industriya na may saklaw ng temperatura na -40 ° C hanggang +100 ° C.Ang maximum na makakamit na dalas ng orasan para sa FPGA na ito ay hanggang sa 630 MHz, tinitiyak ang mabilis na pagproseso ng data at pagtugon sa mga aplikasyon.
Kung nagpapatakbo ka ng isang negosyo at nangangailangan ng isang matatag na supply ng maaasahang, mataas na pagganap na FPGA, ang XC3S200-4TQG144I ay isang matalinong pagpipilian.Ang paglalagay ng iyong bulk order sa amin ay pinalalaki ang pagganap ng iyong system, at narito kami upang suportahan ka sa bawat hakbang.

XC3S200-4TQG144I Simbolo

XC3S200-4TQG144I Footprint

XC3S200-4TQG144I 3D Model
At Kapasidad ng lohika: Ang XC3S200-4TQG144I ay nag-aalok ng isang malaking kapasidad ng lohika na may 200,000 mga gate ng system at 4,320 na mga cell ng lohika.Pinapayagan ka nitong ipatupad ang mga kumplikadong digital circuit at system sa loob ng isang solong chip, na ginagawang perpekto para sa iba't ibang mga application na nangangailangan ng computational power at kakayahang umangkop.
At I -configure ang mga bloke ng lohika (CLB): Ang FPGA na ito ay nilagyan ng 480 na-configure na mga bloke ng lohika, na siyang pangunahing mapagkukunan ng lohika para sa pagpapatupad ng mga function na tinukoy ng gumagamit.Ang bawat CLB ay maaaring ma -program upang maisagawa ang isang malawak na hanay ng mga lohikal na operasyon, na nagbibigay ng kakayahang umangkop na kinakailangan upang ma -optimize ang paggamit ng pagganap at mapagkukunan.
At Mga mapagkukunan ng memorya: Kasama dito ang 216 kbits ng block ram at hanggang sa 520 kbits ng ipinamamahaging RAM.Ang memorya ng on-chip na ito ay mahalaga para sa mga application na nangangailangan ng mabilis at mahusay na pag-iimbak ng data at pagkuha, na sumusuporta sa lahat mula sa buffering at data caching hanggang sa kumplikadong mga makina ng estado.
At Nakatuon na mga multiplier: Nagtatampok ng 12 dedikadong 18x18 multiplier, ang XC3S200-4TQG144I ay nangunguna sa mga aplikasyon na nangangailangan ng masinsinang pagkalkula ng matematika tulad ng pagproseso ng digital signal, pagproseso ng video, at mga sistema ng kontrol.
At Digital Clock Managers (DCMS): Isinasama ng FPGA ang apat na mga tagapamahala ng digital na orasan na nagbibigay ng mga advanced na kakayahan sa orasan.Pinahusay ng mga DCM ang kakayahang umangkop at kawastuhan ng pamamahala ng orasan, pagpapagana ng synthesis ng dalas, paglilipat ng phase, at pagbawas ng jitter, na kinakailangan para sa high-speed digital na komunikasyon at tumpak na mga aplikasyon ng tiyempo.
At Mga Kakayahang I/O. : Sa pamamagitan ng 97 User I/O pin, sinusuportahan ng FPGA ang iba't ibang mga pamantayan at kaugalian na mga pamantayan sa I/O, kabilang ang mga LVD at RSD.Ang malawak na kakayahan ng I/O ay nagbibigay -daan sa madaling pagsasama sa isang malawak na hanay ng mga peripheral at mga sistema, na tinitiyak ang kakayahang umangkop sa paglawak sa iba't ibang mga kapaligiran ng hardware.
At Mga kondisyon sa pagpapatakbo: Dinisenyo upang maisagawa ang maaasahan sa mga pang-industriya na kapaligiran, ang XC3S200-4TQG144I ay nagpapatakbo sa loob ng isang saklaw ng temperatura ng -40 ° C hanggang +100 ° C.Ang matatag na pagpaparaya sa temperatura ay ginagawang angkop para sa paglawak sa malupit na mga kondisyon sa pagpapatakbo.
At Power Supply: Nagpapatakbo ito sa isang pangunahing boltahe ng 1.2V, na may isang pinapayagan na saklaw mula sa 1.14V hanggang 1.26V.Ang operasyon na ito ng mababang lakas ay mahusay para sa mga aplikasyon na sensitibo sa pagkonsumo ng kuryente, na tumutulong upang mabawasan ang pangkalahatang mga kinakailangan sa enerhiya ng system.
At Pagsunod: Ang XC3S200-4TQG144I ay nakakatugon sa ROHS at maabot ang mga pamantayan, tinitiyak ang pagsunod sa kasalukuyang mga regulasyon sa kapaligiran at kaligtasan.Sinusuportahan ng pagsunod na ito ang mga kumpanya sa pagpapanatili ng napapanatiling at responsableng kasanayan sa pagmamanupaktura.

Ang diagram ng pinout para sa XC3S200-4TQG144I FPGA mula sa pamilyang Xilinx Spartan-3 ay nagpapakita ng pisikal na pagsasaayos ng PIN at mga takdang-aralin para sa pakete ng 144-pin Thin Quad Flat Pack (TQFP).Ang diagram ay inilatag sa isang parisukat na format na kumakatawan sa tuktok na view ng chip, na may mga numero ng pin na may label sa paligid ng perimeter.Ang bawat panig ay tumutugma sa isang tukoy na bangko (Bank 0 hanggang Bank 7), na kung saan ang mga pangkat na I/O na may mga sanggunian na ibinahaging boltahe.
Ang bawat kulay na kahon ay kumakatawan sa isang uri ng signal o pag -andar ng boltahe tulad ng mga signal ng I/O, mga pin ng power supply (VCCint, VCCO), ground (GND), mga pin ng pagsasaayos (tulad ng init_b o tapos na), at mga espesyal na pin ng function (tulad ng mga pag -input ng orasan o JTAG).Ang IO_L na nagbibigay ng pangalan ay kinikilala ang pagkakaiba-iba ng mga pares ng I/O (tulad ng IO_LXXN_PXXX o IO_LXXP_PXXX), kapaki-pakinabang sa mga interface ng data ng high-speed.Ang ilang mga pin ay nakalaan para sa pagsasaayos, programming, o dedikadong mga pag -andar ng orasan, na mahalaga para sa pag -setup ng aparato at operasyon.

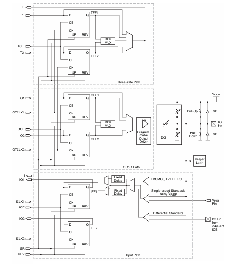
Ang block diagram ng XC3S200-4TQG144I, isang Spartan-3 FPGA mula sa AMD (dating Xilinx), ay naglalarawan ng panloob na arkitektura ng isang I/O block (IOB), na nagdedetalye kung paano dumadaloy ang mga senyas sa pagitan ng FPGA na tela at ang panlabas na mga pin.Ang diagram na ito ay kumakatawan sa mga naka -program na lohika at mai -configure na mga landas na kumokontrol sa pag -input, output, at pag -uugali ng tristate para sa bawat I/O pin.
Sa tuktok, ang three-state path ay humahawak ng output na nagbibigay-daan sa mga signal.Ang mga flip-flops (TFF1, TFF2) ay tumatanggap ng mga signal ng control (T1, T2) at mga signal ng control ng tiyempo (TCE, TCK) upang matukoy kung ang mga driver ng output ay aktibo o sa isang estado na may mataas na impedance.Pinipili ng isang multiplexer sa pagitan ng iba't ibang mga mapagkukunan batay sa ma -program na pagsasaayos.
Sa gitna, ang landas ng output ay may kasamang flip-flops (OFF1, OFF2) na nag-iimbak ng mga signal ng data ng output (O1, O2) na naka-synchronize sa mga orasan ng output (OTCLK1, OTCLK2).Ang isang multiplexer at opsyonal na DDR (dobleng rate ng data) ay nagpapahintulot sa data na hinihimok sa parehong pagtaas at pagbagsak ng mga gilid ng orasan.Ang driver ng output ay kumokonekta sa iba't ibang lohika para sa DCI (digital na kinokontrol na impedance) at sumusuporta sa mga pull-up/pull-down na resistors, proteksyon ng ESD, at mga tagabantay ng tagabantay upang mapanatili ang linya ng linya kapag hindi nababago.
Sa ilalim, ang landas ng pag-input ay nagpapakita kung paano ang mga signal ng pag-input (IQ1, IQ2) ay nakalagay sa mga flip-flops (IFF1, IFF2) gamit ang mga orasan ng input (ICLK1, ICLK2).Ang mga opsyonal na pagkaantala ay ma-program sa fine-tune timing.Sinusuportahan ng mga input ang maramihang mga pamantayan sa I/O kabilang ang mga LVCMO, LVTTL, at mga signal ng pagkakaiba gamit ang VREF at katabing mga pin.
|
I -type |
Parameter |
|
Tagagawa |
AMD |
|
Serye |
Spartan®-3 |
|
Packaging |
Tray |
|
Bahagi ng Bahagi |
Lipas na |
|
Bilang ng mga lab/clbs |
480 |
|
Bilang ng mga elemento/cell ng lohika |
4320 |
|
Kabuuang mga ram bits |
221184 |
|
Bilang ng I/O. |
97 |
|
Bilang ng mga pintuan |
200000 |
|
Boltahe - Supply |
1.14V ~ 1.26V |
|
Uri ng pag -mount |
Surface Mount |
|
Temperatura ng pagpapatakbo |
-40 ° C ~ 100 ° C (TJ) |
|
Package / Kaso |
144-LQFP |
|
Package ng aparato ng supplier |
144-TQFP (20x20) |
|
Base Number Product |
XC3S200 |
Digital Signal Processing (DSP)
Ang XC3S200-4TQG144I ay nangunguna sa mga aplikasyon ng DSP dahil sa nakalaang multiplier at malaking block ram.Ginagawa nitong mainam para sa mga gawain na nangangailangan ng masinsinang pagkalkula ng matematika tulad ng pagproseso ng audio at video, kung saan maaari itong hawakan ang mga operasyon tulad ng pag -filter, modulation, at compression nang mahusay.
Mga naka -embed na system
Sinusuportahan ng FPGA na ito ang mga soft-core processors tulad ng microblaze at picoblaze, na nagpapahintulot sa pagbuo ng mga kumplikadong naka-embed na mga sistema.Ginagamit ito sa mga pasadyang control system, matalinong aparato, at mga interface ng gumagamit kung saan mahalaga ang pag -andar ng pag -andar.
Pang -industriya na Pag -aautomat
Sa pamamagitan ng matatag na kakayahan ng I/O at kakayahang gumana nang maaasahan sa matinding temperatura, ang XC3S200-4TQG144i ay perpektong angkop para sa pang-industriya na automation.Pinamamahalaan nito ang kontrol sa motor, interface ng sensor, at mga sistema ng pagsubaybay, na tumutulong upang ma -optimize at awtomatiko ang mga kumplikadong proseso ng pang -industriya.
Automotive Electronics
Sa automotive electronics, pinapayagan ng FPGA ang mga pag-andar mula sa mga sistema ng infotainment hanggang sa kumplikadong mga kontrol sa dashboard at mga advanced na sistema ng pagtulong sa driver (ADAS).Ang mataas na pagiging maaasahan at kakayahang umangkop ay ginagawang isang go-to choice para sa mga tagagawa ng automotiko.
Mga Sistema ng Komunikasyon
Ang XC3S200-4TQG144I ay nakatulong sa imprastraktura ng komunikasyon, tulad ng mga router, switch, at mga istasyon ng wireless base.Ang mga kakayahan sa pagproseso ng high-speed na matiyak na mahusay ang paghawak ng data at komunikasyon sa mga network.
Mga platform sa pang -edukasyon at prototyping
Dahil sa pagiging epektibo ng gastos at kakayahang umangkop, ang FPGA ay malawakang ginagamit sa mga setting ng edukasyon para sa pagtuturo ng digital na disenyo at teknolohiya ng FPGA.Pinapaboran din ito sa prototyping para sa pagsubok at pagbuo ng mga bagong konsepto sa digital at elektronik.
Mga aparatong medikal
Ang kapasidad ng FPGA para sa pagproseso at kakayahang hawakan ang mga kumplikadong algorithm ay ginagawang angkop para sa mga aparatong medikal, lalo na sa imaging at diagnostic na kagamitan na nangangailangan ng katumpakan at bilis.
1. Magtatag ng mga koneksyon sa hardware: Magsimula sa pamamagitan ng pagkonekta sa JTAG programming cable (hal., Digilent JTAG3 o Xilinx platform cable) sa iyong PC at sa header ng JTAG sa FPGA board.Tiyakin na ang Lupon ay pinapagana at ang cable ay maayos na na -secure upang paganahin ang maaasahang komunikasyon.
2. Ilunsad ang tool ng epekto: Buksan ang Xilinx ISE Project Navigator sa iyong computer.Sa loob ng pane na "Mga Proseso", mag-navigate sa at mag-double click sa "I-configure ang Target na Device (Impact)" upang simulan ang pag-set up ng programming ng aparato.
3. Initialize ang chain ng JTAG: Kapag bukas ang epekto, itakda ito sa mode na "Boundary Scan".Mag-right-click sa lugar ng workspace at piliin ang "Initialize chain."Ang tool ay awtomatikong makakakita at ilista ang lahat ng mga aparato na konektado sa pamamagitan ng chain ng JTAG, na kasama ang FPGA at anumang konektado na mga prom chips.
4. Magtalaga ng mga file ng pagsasaayos: Para sa FPGA, mag-right-click sa icon nito sa Impact Workspace at piliin ang "Magtalaga ng Bagong File ng Pag-configure."Mag -browse sa iyong naunang naipon .bit file at piliin ito.Kung nagprograma ka rin ng isang prom, italaga ang kaukulang .MCS file sa prom device sa parehong paraan.
5. Itakda ang mga pagpipilian sa pagsisimula: Mag-right-click sa "Bumuo ng Programming File" sa pane na "Mga Proseso", pagkatapos ay piliin ang "Mga Katangian."Sa tab na "Startup Options", tiyakin na ang "FPGA Start-Up Clock" ay nakatakda sa "JTAG Clock" upang i-synchronize ang startup clock ng FPGA gamit ang JTAG programming clock.I -click ang "OK" upang mai -save ang mga setting na ito.
6. Program ang mga aparato: Upang i-program ang FPGA, i-right-click ang icon nito sa Impact at piliin ang "Program."Sa dialog ng programming, maaari mong piliing alisan ng tsek ang "i -verify" upang mapabilis ang proseso.I -click ang "OK" upang simulan ang programming.Kung ang pag -programming ng isang prom, magsagawa ng isang katulad na pagkilos ngunit tiyakin na "burahin bago ang pagprograma" at "i -verify" ang mga pagpipilian ay napili para sa pagiging masinsinan.
7. Patunayan ang pagsasaayos : Kapag kumpleto ang programming, i -verify na ang pagsasaayos ng FPGA ay matagumpay sa pamamagitan ng pag -obserba ng katayuan ng "tapos na" LED sa FPGA board.Dapat itong mag -iilaw, na nagpapahiwatig na ang aparato ay tama na na -program.Bilang karagdagan, maaari mong gamitin ang mga tool sa pag -verify ng Impact upang higit na kumpirmahin na matagumpay ang programming.
Cost-pagiging epektibo
Ang XC3S200-4TQG144I ay idinisenyo upang maging lubos na abot-kayang habang nag-aalok ng matatag na pagganap, na ginagawang perpekto para sa mga proyekto na nangangailangan ng mga hadlang sa badyet.Pinagsasama ng FPGA na ito ang pag-andar at kahusayan sa gastos, na nagbibigay ng isang mapagkumpitensyang gilid sa mga merkado na may mataas na dami.
Sapat na mga mapagkukunan ng lohika
Nilagyan ng 4,320 logic cells at 480 na-configure na mga bloke ng lohika (CLB), ang FPGA na ito ay maaaring hawakan ang mga kumplikadong disenyo ng digital, na nag-aalok ng isang maraming nalalaman na solusyon para sa mga application na medium-scale.Ang mga mapagkukunan nito ay sapat para sa isang malawak na hanay ng mga gamit, mula sa electronics hanggang sa pang-industriya na automation, nang hindi nangangailangan ng mas mahal, high-end na mga alternatibo.
Maraming nalalaman I/O mga pagpipilian
Sa pamamagitan ng 97 User I/O pin, ang XC3S200-4TQG144I ay sumusuporta sa maraming mga pamantayan na nag-iisa at pagkakaiba-iba ng I/O, na ginagawang lubos na madaling iakma para sa iba't ibang mga kinakailangan sa pagsasama.Ang kakayahang umangkop na ito ay mabuti para sa mga system na interface na may isang hanay ng mga aparato ng peripheral.
Saklaw ng temperatura ng pang -industriya
Ang FPGA ay nagpapatakbo ng maaasahan sa isang malawak na saklaw ng temperatura ng –40 ° C hanggang +100 ° C, na ginagawang angkop para magamit sa malupit na mga kapaligiran.Ang tampok na ito ay mahalaga para sa mga aplikasyon sa mga setting ng automotiko at pang -industriya kung saan maaaring maging matinding ang mga kondisyon ng operating.
Suporta ng Mature Toolchain
Ang pamilyang Spartan-3, kabilang ang XC3S200-4TQG144I, ay suportado ng Xilinx's ISE Design Suite, na nagbibigay ng matatag na tool para sa pag-optimize ng FPGA at pag-optimize ng disenyo.Bilang karagdagan, mayroong malawak na dokumentasyon at isang sumusuporta sa komunidad, na maaaring mapabilis ang oras ng pag -unlad at mabawasan ang mga hamon sa disenyo.
At Uri ng Package: TQFP-144 (tinukoy din bilang LQFP-144)
At Laki ng katawan: 20 mm × 20 mm
At Nakaupo na taas (max): 1.6 mm
At Terminal pitch: 0.5 mm
At Istilo ng pakete: Flatpack, mababang profile, pinong pitch
At Form ng terminal: Gull Wing
Ang XC3S200-4TQG144I ay ginawa ng AMD, isang pandaigdigang kinikilalang pinuno sa high-performance computing at semiconductor na teknolohiya.Kasunod ng pagkuha nito ng Xilinx, pinalawak ng AMD ang portfolio nito upang isama ang isang malawak na hanay ng mga naka-program na aparato na lohika, tulad ng pamilyang Spartan-3 kung saan kabilang ang FPGA na ito.Patuloy na sinusuportahan ng AMD ang XC3S200-4TQG144I sa ilalim ng pinag-isang tatak nito, tinitiyak ang pagiging maaasahan, pangmatagalang pagkakaroon, at pag-access sa mga tool sa pag-unlad tulad ng ISE Design Suite.Ang pagsasama na ito ay sumasalamin sa pangako ng AMD sa paghahatid ng nasusukat at mahusay na mga ma -program na solusyon para sa parehong pamana at modernong elektronikong sistema.
Ang XC3S200-4TQG144I ay isang matalino at abot-kayang pagpipilian para sa maraming mga proyekto sa electronics.Gumagana ito nang maayos sa mga mahihirap na kapaligiran, nag -aalok ng nababaluktot na mga koneksyon, at sumusuporta sa mabilis na pagproseso ng data.Kung nagtatrabaho ka sa mga pang -industriya na makina, electronics ng kotse, pagproseso ng signal, o mga proyekto ng mag -aaral, ang chip na ito ay nagbibigay sa iyo ng kung ano ang kailangan mo nang hindi masyadong nagkakahalaga.Sa pamamagitan ng malakas na suporta mula sa AMD at madaling gamitin na mga tool sa disenyo, ito ay isang mahusay na pagpipilian para sa lahat.
Mangyaring magpadala ng isang pagtatanong, tutugon kami kaagad.
Oo, sinusuportahan nito ang pagsasama ng mga soft-core processors tulad ng microblaze, na nagpapahintulot sa pag-embed ng pasadyang pagproseso ng lohika sa loob ng FPGA para sa kumplikadong kontrol at mga gawain sa pagproseso ng signal.
Oo, ang XC3S200-4TQG144I ay ganap na suportado ng Xilinx ISE Design Suite, na nagpapahintulot sa Seamless Project Setup, Simulation, Synthesis, at Hardware Programming.
Oo.Sinusuportahan ng XC3S200-4TQG144I ang ilang mga pamantayan sa I/O, kabilang ang mga LVD, na ginagawang angkop para sa high-speed, mababang-ingay na paghahatid ng data.
Ang pangunahing pagkakaiba ay namamalagi sa uri ng package, bilis ng grado, at bilang ng pin.Ang "-4TQG144I" ay isang mas mababang bilis ng pang-industriya na grade na bersyon na may 144-pin TQFP package, habang ang "-5pq208c" ay may mas mataas na bilis ng grado at isang mas malaking 208-pin na PQFP package.
Sa karamihan ng mga aplikasyon, sapat na ang karaniwang layout ng PCB at natural na kombeksyon.Gayunpaman, para sa paggamit ng high-speed o high-I/O sa mga mainit na kapaligiran, inirerekomenda ang isang maliit na heatsink o daloy ng hangin upang mapanatili ang katatagan ng thermal.
sa 2025/04/22
sa 2025/04/22
sa 8000/04/18 147757
sa 2000/04/18 111936
sa 1600/04/18 111349
sa 0400/04/18 83721
sa 1970/01/1 79508
sa 1970/01/1 66905
sa 1970/01/1 63032
sa 1970/01/1 63012
sa 1970/01/1 54081
sa 1970/01/1 52125