

|
Pin Hindi. |
Paglalarawan |
|
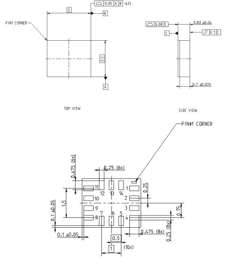
1 |
SDO, serial data output sa SPI 4W |
|
2 |
ASDX, interface ng AUX / OIS interface |
|
3 |
ASCX, interface ng AUX / OIS interface |
|
4 |
Int1, makagambala sa pin 1 |
|
5 |
VDDIO, Digital VO Supply Voltage (1.2 .. 3.6V) |
|
6 |
Gndio, lupa para sa v0 |
|
7 |
Gnd, lupa para sa digital at analogue |
|
8 |
VDD, Power Supply Analog at Digital (1.71 .. 3.6V) |
|
9 |
Int2, makagambala sa pin 2 |
|
10 |
OCSB, OIS interface |
|
11 |
OSDO, OIS interface |
|
12 |
CSB, piliin ang Chip para sa mode ng SPI |
|
13 |
SCX, SP/4C Serial Clock (SCK/SCL) |
|
14 |
SDX, Serial Data Vo |



Ang BMI270 ay meticulously crafted para sa mga naisusuot na aparato na nagpapauna sa mababang pagkonsumo ng kuryente habang ipinagmamalaki ang pambihirang pagtuklas ng paggalaw sa pamamagitan ng ensemble ng pinagsamang sensor.Ang masalimuot na aparato na ito ay sumasama sa isang triaxial gyroscope na may 16-bit na accelerometer sa mahigpit na istraktura na ito, na tumatama sa isang balanse sa pagitan ng mahusay na paggamit ng puwang at buong pag-andar.
Ang kakayahan ng BMI270 upang mabawasan ang paggamit ng enerhiya habang nagbibigay ng tumpak na pagsusuri ng paggalaw ay kumakatawan sa isang kilalang teknolohikal na paglukso.Sa mundo ng masusuot na tech, kung saan ang kahusayan ng kuryente ay humuhubog sa iyong karanasan, ang mga nasabing pagsulong ay maaaring makabuluhang nakakaapekto sa iyong kasiyahan.Para sa mga tech aficionados na pinahahalagahan ang kaginhawaan, ang pinalawak na kahabaan ng baterya ay nagbabawas ng abala ng regular na singilin.
Ang pagsasama -sama ng triaxial gyroscope at accelerometer sa isang yunit ay na -optimize ang parehong katumpakan ng data at ang maliit na disenyo ng aparato.Ang mga karanasan sa buong sektor ng teknolohiya ay nagmumungkahi na ang walang tahi na pagsasama ng mga bahagi ay susi sa pagpapanatili ng pagganap ng isang aparato habang pinapasimple ang build nito at binabawasan ang laki nito.Ang diskarte na ito ay hindi lamang nakikinabang sa iyo sa pamamagitan ng pagbaba ng mga gastos sa pag -unlad ngunit tinatanggap din ang isang magkakaibang hanay ng mga gamit, mula sa pagsubaybay sa mga aktibidad sa fitness hanggang sa pagpapagana ng mga pag -andar ng kontrol sa kilos.
|
Tampok |
Paglalarawan |
|
Package |
Compact standard na laki ng LGA mold package, 14 pin,
Footprint 2.5x3.0mm², taas 0.83mm |
|
Digital interface |
Pangunahing digital interface na may 10 MHz SPI (4-wire,
3-wire) at hanggang sa 1 MHz i²c (fm+) |
|
Mga rate ng data ng output (ODR) |
25 Hz - 6.4 kHz (Gyroscope), 0.78 Hz - 1.6 kHz
(Accelerometer) |
|
Low-pass filter |
Programmable low-pass filter na may bandwidth ~ 513-680 Hz
(Accelerometer), ~ 890 Hz (Gyroscope) |
|
Power Supply |
Analog VDD: 1.71V - 3.6V;Independent vddio: 1.2v - 3.6v |
|
Pagkonsumo ng kuryente |
Ultra-mababang kasalukuyang pagkonsumo, karaniwang 685 μA (buo
ODR at aliasing-free na operasyon) |
|
Mode ng pagganap ng gyroscope |
Mababang antas ng ingay, tipikal < 8 mdps/√Hz |
|
Power Management Unit (PMU) |
Built-in PMU para sa advanced na pamamahala ng kuryente at mababang lakas
Mga mode |
|
Oras ng pagsisimula |
2 ms para sa gyroscope (mabilis na mode ng pagsisimula), 2 ms para sa
Accelerometer |
|
Pangalawang interface |
Malayang mai -configure;400 kHz I²C (FM) Master interface
Hub para sa isang sensor ng AUX (hal., Magnetometer, Pressure) |
|
Mataas na bilis ng SPI |
10 MHz SPI (4-wire, 3-wire) para sa mga high-speed application;
Hanggang sa 6.4 kHz ODR na may max 676 μs na pagkaantala ng grupo |
|
On-chip FIFO buffer |
2 KB FIFO Buffer para sa Accelerometer, Gyroscope,
Timestamp, at data ng sensor ng AUX |
|
Offset Compensation
|
Mabilis na pag -offset ng kabayaran sa error para sa accelerometer at
Gyroscope |
|
Kabayaran sa sensitivity |
Mabilis na kabayaran sa error sa sensitivity para sa gyroscope (CRT,
MAX SENSITIVITY ERROR < 1%) |
|
Pag -synchronise |
Ang pag -synchronise ng HW ng accelerometer, gyroscope, at aux
Sensor (< 1 μs) |
|
Timestamp |
Mga timestamp ng sensor para sa tumpak na sistema at oras ng sensor
Pag -synchronize (< 40 μs) |
|
Programmable I/O pin |
2 Independent Programmable VO pin para makagambala at
Mga Kaganapan sa Pag -synchronise |
|
Pagsunod |
Sumunod ang ROHS, halogen at lead-free |
Natagpuan ng sensor ng BMI270 ang lugar nito sa iba't ibang mga teknolohiyang paggupit na may utang sa maliit na sukat at kawastuhan.Ang pagsasama nito ay nakasalalay sa mga industriya na nakatuon sa pag -angat ng iyong pakikipag -ugnayan at karanasan.
Para sa mga naisusuot na aparato, ang BMI270 ay kumikinang na may kagalingan sa paggalaw nito.Ang sangkap na ito ay naghahatid ng tumpak na data na kapaki -pakinabang para sa pagsubaybay sa fitness, pagsubaybay sa kalusugan, at pagkilala sa mga aktibidad.Madalas mong mahahanap na ang gayong seamless sensor integrations ay nagpayaman sa pang -araw -araw na aktibidad at magbigay ng inspirasyon sa isang malusog na pamumuhay.Ang kahusayan ng sensor sa pamamahala ng pagkonsumo ng kuryente ay nagpapalawak ng buhay ng baterya ng mga aparatong ito, na ginagawang mas portable at maa -access ang mga ito.
Sa mundo ng mga accessory ng audio, ang kakayahan ng sensor upang maproseso ang data ng pagpabilis ay nagpapabuti ng mga tampok tulad ng pagkansela ng ingay at pagsasaayos ng audio.Ang adaptive na teknolohiyang ito ay tumugon sa iyong mga paggalaw at mga pagbabago sa kapaligiran, na nag -aalok ng isang mas mayamang at mas madaling maunawaan na karanasan sa pandinig na walang kahirap -hirap na umaangkop sa pang -araw -araw na ritmo ng isang tao.
Ang larangan ng makabagong mga tela ay na -rebolusyon sa sensor ng BMI270.Ang mga Smart na kasuotan na nilagyan ng pagsusuri ng aktibidad na alok ng sensor na ito, na tumutulong sa pagwawasto ng pustura sa katawan.Habang tumataas ang demand para sa maraming nalalaman na damit, ang pagsasama ng mga sensor na ito ay nagbibigay ng mga pananaw sa iyong pag -uugali at ergonomya, na nagtataguyod ng mas maraming indibidwal na mga solusyon sa kagalingan at fitness.
Sa loob ng pinalaki at virtual na katotohanan, ang BMI270 ay pangunahing para sa pagpapagana ng mabilis at tumpak na pagsubaybay sa paggalaw.Pinapayagan ka nitong sumisid sa digital na mundo na may pinahusay na kontrol at pakikipag -ugnay.Sa pamamagitan ng pag -minimize ng sakit sa paggalaw, ang sensor ay nagpapalakas ng kaginhawaan at pakikipag -ugnay, na may mga pananaw mula sa mga pag -deploy ng AR/VR na nagpapahusay ng mga karanasan sa trailblazing na mas mahusay na nakahanay sa iyong mga hinahangad at pangangailangan.

Ang sensor ng BMI270 ay nangunguna sa aplikasyon nito sa kontemporaryong maaaring maisusuot at makinig na teknolohiya.Sa pamamagitan ng pagsuporta sa adept para sa parehong mga interface ng I2C at SPI, binubuksan nito ang mga pintuan sa mga aplikasyon tulad ng pagkilala sa kilos at pagtuklas ng aktibidad/konteksto, pag -aalaga ng isang walang tahi na karanasan sa teknolohiya at isang pinahusay na kamalayan ng kanilang paligid.
Ang pagkilala sa kilos na pinadali ng BMI270 ay nagbibigay -daan para sa isang sopistikadong ngunit natural na pakikipag -ugnayan sa pagitan mo at ng iyong mga teknolohikal na aparato.Sa pamamagitan ng wastong pagbibigay kahulugan sa iyong mga kilos, muling tukuyin ng sensor ang pag -andar ng iyong mga interface.Sa mundo ng maaaring maisusuot na teknolohiya, ang mga kilos ay madalas na tumayo para sa maginoo na mga kontrol sa pindutan.Ginagawa nitong posible para sa iyo na pamahalaan ang mga aparato nang maingat at epektibo, isang halos kapaki -pakinabang na tampok kapag ang pisikal na pakikipag -ugnay ay hindi gaanong magagawa.Ang patuloy na pagpapabuti sa mga algorithm ng pagkilala sa kilos ay nag -aambag sa isang mas madaling iakma at tumutugon na sistema na nakahanay sa magkakaibang mga kagustuhan at mga kinakailangan.
Ang mga fitness tracker ay karaniwang nagtatampok ng pagkilala sa kilos, na nagbibigay -daan sa iyo upang lumipat ang mga mode ng ehersisyo o simulan ang mga sesyon ng pag -eehersisyo na may isang kisap -mata lamang ng pulso.Ang pag-andar na kinokontrol ng kilos na ito ay salamin sa matalinong mga earbuds, kung saan nasisiyahan ka sa kaginhawaan ng pagbabago ng mga kanta o pag-aayos ng mga antas ng dami nang hindi na kailangang pisikal na makipag-ugnay sa kanilang mga aparato.Ang pagsulong ng naturang teknolohiya ng kilos ay nagtatampok ng kapasidad nito upang itaas ang iyong kasiyahan at palalimin ang pakikipag -ugnayan sa iba't ibang mga aplikasyon.
|
I -type |
Parameter |
|
Oras ng tingga ng pabrika |
14 na linggo |
|
Uri ng pag -mount |
Surface Mount |
|
Package / Kaso |
14-VFLGA |
|
Temperatura ng pagpapatakbo |
-40 ° C ~ 85 ° C. |
|
Packaging
|
Tape & Reel (TR) |
|
Bahagi ng Bahagi |
Aktibo |
|
Antas ng Sensitivity ng kahalumigmigan (MSL) |
1 (walang limitasyong) |
|
Uri ng output |
I2C, SPI |
|
Uri ng sensor |
Accelerometer, gyroscope, 6 axis |
|
Katayuan ng ROHS |
Sumunod ang ROHS3 |

Ang Bosch Sensortec GmbH, na nagpapatakbo sa ilalim ng payong Robert Bosch GmbH, ay nakatayo para sa kadalubhasaan nito sa MEMS (Micro-Electro-Mechanical Systems) na teknolohiya.Ang pangunahing misyon ng firm na ito ay ang paggawa ng mga advanced na solusyon sa sensor na itaas kung paano nakikibahagi ang iba't ibang mga aparato sa kanilang mga kapaligiran.Ang teknolohiya na binuo dito ay nakakahanap ng paraan sa maraming mga elektronikong consumer at ang patuloy na lumalagong domain ng mga aparato ng IoT (Internet of Things).Ang malalim na impluwensya ng mga sensor na ito ay maliwanag sa kanilang pagpapahusay ng kawastuhan at pag -andar ng mga makabagong tulad ng naisusuot na teknolohiya, matalinong aparato sa bahay, at iba't ibang mga pang -industriya na aplikasyon.
Sa pamamagitan ng walang tigil na pagbabago at kapansin -pansin na pamumuhunan sa pananaliksik at pag -unlad, ang Bosch Sensortec GmbH ay nagdisenyo ng mga sensor na nailalarawan sa pamamagitan ng pinataas na katumpakan, kahusayan, at pagiging maaasahan.Ang kanilang mga makabagong batay sa MEMS ay naghahain ng magkakaibang mga lugar, kabilang ang paggalaw ng paggalaw, pagsubaybay sa kapaligiran, at pamamahala ng enerhiya.Halimbawa, ang mga sensor ay gumaganap ng isang seryosong papel sa pag -upgrade ng mga kakayahan sa mobile device, tulad ng pagtuklas ng orientation, pagkilala sa kilos, at pagbagay sa mga pagbabago sa kapaligiran.Ang pag-unlad na ito ay hindi lamang nagpayaman sa iyong mga karanasan ngunit nagtatatag din ng mga bagong pamantayan sa industriya para sa teknolohiya ng state-of-the-art sensor.
Mangyaring magpadala ng isang pagtatanong, tutugon kami kaagad.
Ang BMI270 ay nagsasama ng mga tampok na paggalaw ng paggalaw sa pamamagitan ng pagsasama ng tumpak na pagbilis at pagsukat ng angular rate.Sinusuportahan ng pagsasama na ito ang pinahusay na pagtuklas ng paggalaw at mga kakayahan sa pagsubaybay na ginamit sa iba't ibang mga aplikasyon ng elektronikong consumer.Sa pamamagitan ng paggamit ng mga advanced na pagsukat na ito, ang mga aparato ay maaaring makamit ang mahusay na pagganap sa pagsubaybay sa pisikal na paggalaw at oryentasyon.Pinapayagan nito ang isang malawak na spectrum ng mga pag -andar, mula sa nakaka -engganyong mga karanasan sa paglalaro hanggang sa masusing pagsubaybay sa fitness.
Ang BMI270 ay nilikha ng Bosch Sensortec, isang kumpanya na na-acclaim para sa mga de-kalidad na sensor na ginamit sa magkakaibang mga industriya.Ang malalim na kadalubhasaan ng Bosch sa teknolohiya ng sensor ay nagsisiguro na ang BMI270 ay nakakatugon sa mahigpit na mga benchmark ng mga modernong elektronikong aparato, na patuloy na naghahatid ng maaasahang pagganap.
Nagtatampok ang BMI270 ng ilang mga pagpapahusay na pinabuting accelerometer, na ininhinyero para sa mas mataas na kawastuhan sa ilalim ng mga dynamic na kondisyon.Ang pagpapahusay na ito ay nagpapatunay na halos kapaki -pakinabang sa mga senaryo na nangangailangan ng tumpak na paggalaw ng paggalaw, tulad ng virtual reality o autonomous navigation, kung saan kahit na ang mga menor de edad na kawastuhan ay maaaring makagambala sa iyong karanasan.
Ang pagganap ng BMI270 ay nakataas sa pamamagitan ng komprehensibong pagpapabuti sa pag -andar ng accelerometer.Kasama sa mga pagpapahusay na ito ang pagbawas ng ingay at pag -minimize ng mga error sa pagsukat, pagpapagana ng mga aparato na nilagyan ng BMI270 upang gumana nang mas epektibo sa ilalim ng iba't ibang mga kondisyon.Sa mga industriya kung saan nangingibabaw ang katumpakan, tulad ng teknolohiyang medikal o aerospace, ang mga pag -upgrade na ito ay nagpapakita ng malaking benepisyo.
Nakakamit ng BMI270 ang kapansin-pansin na mga pagpapahusay sa pamamagitan ng pagbabawas ng zero-G offset at pagbawas sa error sa sensitivity.Ang pagbawas sa zero-G offset bolsters ang kawastuhan ng sensor sa mga nakatigil na panahon, habang ang pagbaba ng sensitivity error ay tinitiyak ang mas maaasahang operasyon sa magkakaibang mga kondisyon sa kapaligiran.Ang mga dalawahang pagpapabuti na ito ay gumagawa ng BMI270 ng isang nakakahimok na pagpipilian para sa iyo na prioritizing katumpakan at pagiging maaasahan sa mga solusyon sa sensor.
sa 2024/11/4
sa 2024/11/4
sa 8000/04/18 147757
sa 2000/04/18 111936
sa 1600/04/18 111349
sa 0400/04/18 83721
sa 1970/01/1 79508
sa 1970/01/1 66907
sa 1970/01/1 63035
sa 1970/01/1 63012
sa 1970/01/1 54081
sa 1970/01/1 52125