
TL431 ay isang hindi kapani -paniwalang maraming nalalaman at nababagay na shunt regulator na may kakayahang gumana sa loob ng isang 2.5 hanggang 36V na saklaw.Kilala sa timpla nito ng mataas na pagganap at kakayahang magamit, gumaganap ito ng isang papel sa maraming mga aplikasyon tulad ng katumpakan na paglipat ng mga suplay ng kuryente, mga linear na regulated supply ng kuryente, mga comparator ng boltahe, mga monitor ng suplay ng kuryente, pagkaantala ng mga circuit, at patuloy na kasalukuyang mga mapagkukunan.Sinusuportahan ng aparato ang isang malawak na operating kasalukuyang saklaw ng 1 hanggang 100 mA at nagtatampok ng isang dynamic na impedance ng 0.22 Ω.Pinapayagan nito ang katatagan ng temperatura mula -40 ° C hanggang +125 ° C, na kapaki -pakinabang para sa mga aplikasyon ng automotiko.Ang boltahe ng output ay nababagay sa pagitan ng 2.5 at 36 V sa pamamagitan ng dalawang panlabas na resistors, na nagbibigay ng tumpak na regulasyon ng boltahe.
At Tl431izt
At TL431iz
At Tl431czt
At TL431CZ-AP
At Tl431ilp
At TL431CZ
At KA431
At μA431
At LM431
At YL431
At S431

|
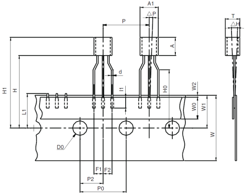
Numero ng pin |
Pangalan ng pin |
Paglalarawan |
|
1 |
Ref (sangguniang pin) |
Ang sangguniang pin ay nakatulong sa pagtukoy ng
boltahe ng output.Sa pamamagitan ng pagkonekta sa isang panlabas na network ng risistor, ang sanggunian
Ang boltahe ay maaaring maingat na nababagay upang matugunan ang mga tiyak na kahilingan sa circuit.Ito
Pinapayagan ng PIN na maiangkop ang regulator para sa isang magkakaibang hanay ng mga aplikasyon. |
|
2 |
Anode pin |
Ang anode pin ay bumubuo ng mababang koneksyon sa loob
Ang TL431.Ang pagsasama ng PIN na ito ay nangangailangan ng pagbabantay upang matiyak na higit na mahusay
Pag -andar.Ang wastong grounding at pag -minimize ng pagkagambala sa ingay ay
Mahalagang elemento na dapat isaalang -alang habang nagdidisenyo ng mga circuit na may sangkap na ito. |
|
3 |
Cathode Pin |
Ang cathode pin ay nagsisilbing koneksyon sa high-side kung saan
ang regulated output ay nakuha.Ang pagsasama nito ay nangangailangan ng maingat na pansin
Upang matiyak ang tumpak na pagkabit sa natitirang bahagi ng circuit.Matatag na boltahe
Ang mga regulasyon ng regulasyon sa katumpakan ng mga koneksyon na may kaugnayan sa cathode pin. |



Ang TL431 ay inhinyero upang matugunan ang mahigpit na pamantayan ng AEC-Q100, na nagpapatunay sa tibay at pagiging maaasahan nito sa mga setting ng sasakyan.Ang kwalipikasyon na ito ay binibigyang diin ang pagiging matatag ng sangkap sa paghingi ng mga kondisyon ng automotiko, tulad ng madalas na pagbabagu -bago ng temperatura, patuloy na mga panginginig ng boses, at ingay ng kuryente.Ang nasabing katatagan ay ginagawang isang pinagkakatiwalaang sangkap ng TL431 sa mga sistema ng automotiko, kung saan ang pagiging maaasahan ay hindi maaaring makipag-usap na ibinigay ng potensyal na kaligtasan ng mga pagkabigo sa sangkap.
Ang TL431 ay nagbibigay ng isang adjustable output boltahe mula sa 2.5V hanggang 36V, na nag -aalok ng maraming kakayahan sa isang malawak na hanay ng mga elektronikong disenyo.Pinapayagan ng tampok na ito ang kalayaan upang ipasadya ang aparato upang matugunan ang mga tiyak na mga kinakailangan sa aplikasyon.Mula sa mga aparatong mobile na may mababang lakas hanggang sa mga sistemang pang-industriya na may mataas na boltahe, ang kakayahang umangkop na ito ay kapaki-pakinabang.Ang mga praktikal na aplikasyon ay madalas na nagpapakita na ang pag-aayos ng boltahe ng output ay maaaring humantong sa pinahusay na kahusayan ng enerhiya at matagal na buhay ng baterya sa portable electronics.
Sinusuportahan ng TL431 ang isang kasalukuyang saklaw na sumasaklaw mula sa 1mA hanggang 100mA, na ginagawang angkop para sa isang magkakaibang hanay ng mga kasalukuyang kinakailangan.Ang kakayahang umangkop na ito ay nagbibigay ng kapaki -pakinabang sa iba't ibang mga aplikasyon tulad ng mga circuit ng regulasyon ng kuryente, mga charger ng baterya, at mga mapagkukunan ng boltahe ng sanggunian.Maraming mga industriya ang pinahahalagahan ang saklaw na ito para matiyak na ang kanilang mga disenyo ay gumaganap nang mahusay at mananatili sa loob ng ligtas na mga hangganan ng pagpapatakbo.
Ipinagmamalaki ang isang impedance ng output na 0.22 Ω, tinitiyak ng TL431 ang kaunting pagtutol sa output, na nag -aambag sa katatagan at katumpakan ng regulasyon ng boltahe.Ang mababang impedance ay mabuti para sa pagpapanatili ng isang pare -pareho na boltahe ng output sa kabila ng iba't ibang mga naglo -load.Sa mga praktikal na sitwasyon ng disenyo, ang iba ay naglalayong para sa mababang-output impedance upang mabawasan ang impluwensya ng ingay at ripple, na nagreresulta sa mas malinaw, mas matatag na mga signal sa sensitibong elektronikong circuit.
Ang TL431 ay magagamit na may mga pagpipilian sa katumpakan ng boltahe ng 1% at 2%, para sa mga aplikasyon na nangangailangan ng eksaktong mga sanggunian ng boltahe tulad ng mga analog-to-digital converters at sensor interface.Ang katumpakan ng regulasyon ng boltahe ay direktang nakakaapekto sa kawastuhan ng pangkalahatang sistema.Sa parehong elektronika at mataas na precision na kagamitan sa industriya, ang tumpak na regulasyon ng boltahe ay nagpapabuti sa pagganap at tinitiyak ang pangmatagalang pagiging maaasahan at pagkakapare-pareho.
Ang pagpapatakbo nang mahusay sa loob ng isang saklaw ng temperatura na -40 ° C hanggang +125 ° C, ang TL431 ay angkop para sa matinding mga kondisyon sa kapaligiran.Kung sa malamig na mga pasilidad ng imbakan o mga proseso ng pang-industriya na may mataas na temperatura, tinitiyak ng kakayahang ito ang pare-pareho na pagganap.Isinasalin ito sa mas kaunting mga alalahanin tungkol sa mga error na sapilitan ng thermal, sa gayon pinapanatili ang integridad at pagiging maaasahan ng produkto ng pagtatapos sa iba't ibang mga kapaligiran.
|
I -type |
Parameter |
|
Katayuan ng Lifecycle |
Aktibo (huling na -update: 7 buwan na ang nakakaraan) |
|
Bundok |
Sa pamamagitan ng butas |
|
Package / Kaso |
TO-226-2, TO-92-2 (TO-226AC) |
|
Temperatura ng pagpapatakbo |
-40 ° C hanggang 105 ° C TA |
|
Tolerance |
± 2.21% |
|
Bahagi ng Bahagi |
Aktibo |
|
Bilang ng mga pagtatapos |
3 |
|
Koepisyent ng temperatura |
100 ppm/° C. |
|
Posisyon ng terminal |
Ilalim |
|
BASE PART NUMBER |
T1431 |
|
Bilang ng mga output |
1 |
|
Uri ng output |
Nababagay |
|
Bilang ng mga channel |
1 |
|
Analog IC - Iba pang uri |
Tatlong sanggunian ng boltahe ng terminal |
|
Max output boltahe |
36V |
|
Sanggunian ng sanggunian |
2.495V |
|
Min output boltahe |
2.495V |
|
Kasalukuyang - Cathode |
1ma |
|
Katayuan ng ROHS |
Sumunod ang ROHS3 |
|
Oras ng tingga ng pabrika |
8 linggo |
|
Uri ng pag -mount |
Sa pamamagitan ng butas |
|
Bilang ng mga pin |
3 |
|
Packaging |
Bulkan |
|
Code ng JESD-609 |
E3 |
|
Antas ng Sensitivity ng kahalumigmigan (MSL) |
1 (walang limitasyong) |
|
Code ng ECCN |
EAR99 |
|
Pagtatapos ng terminal |
Matte Tin (Sn) - Annealed |
|
Bilang ng mga pag -andar |
1 |
|
Bilangin ng pin |
3 |
|
Boltahe ng output |
36V |
|
Max output kasalukuyang |
100MA |
|
Trim/adjustable output |
Oo |
|
Nominal na supply ng kasalukuyang |
1ma |
|
Max input boltahe |
37v |
|
Uri ng sanggunian |
Shunt |
|
Temp coeff ng boltahe-max |
82.924 ppm/° C. |
|
Radiation Hardening |
Hindi |
|
Libre ang Lead |
Oo |

Ang panloob na sanggunian ng boltahe ay nagbibigay ng isang matatag na boltahe ng output.Ang nasabing katatagan ay isang resulta ng masusing disenyo at pagpili ng materyal.Ipinapakita nito na ang isang matatag na sanggunian ng boltahe ay nagpapaganda ng kahusayan sa pamamahala ng kuryente sa mga elektronikong sistema.Ang epekto na ito ay maliwanag sa mga aplikasyon ng katumpakan, tulad ng mga regulator ng boltahe sa mga sensitibong aparato sa pagsukat.Inihahambing ng OP-AMP sa TL431 ang boltahe sa sanggunian ng sanggunian na may hinati na boltahe ng output, na kinokontrol ang elemento ng pass nang naaayon.Ang oras ng katumpakan at pagtugon nito, na nakakaimpluwensya sa kakayahang umangkop ng regulator upang mai -load ang mga pagbabago.Sa mga praktikal na sitwasyon, ang pag-optimize ng pagpili, pagsasaayos, at mga kondisyon ng biasing ay nagsisiguro ng isang mabilis na tugon sa mga dinamikong naglo-load, pagpapalakas ng pangkalahatang pagganap ng system.Ang elemento ng Series Pass, na kumikilos bilang isang variable na risistor na na-modulate ng signal ng op-amp control, ay inaayos ang kasalukuyang pagdaan sa aparato, na nagpapatatag ng boltahe ng output.Ang mga praktikal na disenyo ay madalas na nagsasangkot sa pagpili ng mga elemento ng pass ng high-gain para sa finer control sa boltahe ng output.Ang ganitong katumpakan ay mahalaga sa mga aplikasyon na may mahigpit na pagpapaubaya ng boltahe.
Ang control feedback loop ay sentro sa mga kakayahan ng regulasyon ng TL431, mabilis na pagwawasto ng anumang mga paglihis ng boltahe ng output.Ang feedback network ay gumagamit ng maingat na napiling mga resistors at capacitor upang makamit ang nais na ratio ng dibisyon ng boltahe ng output, na pagkatapos ay pinakain sa pag -input ng amplifier ng pagpapatakbo.Ang pag-aayos ng feedback network sa mga aplikasyon ay maaaring mag-ayos ng output ng regulator, sa gayon ang pagkakaroon ng mas mataas na kawastuhan sa mga application na sensitibo sa boltahe.Ang mga sangkap ng kabayaran tulad ng mga capacitor ay nagsasama sa system upang patatagin ang loop at maiwasan ang mga oscillation.Ang mga pamamaraan tulad ng mga pagsasaayos ng phase margin gamit ang capacitive loading ay madalas na ginagamit upang matiyak ang matatag at matatag na operasyon.Ang pamamaraang ito ay kinakailangan sa mga system kung saan kinokontrol ng TL431 ang mga dinamikong pagbabago ng mga naglo -load.
Upang masuri ang parehong pasulong at baligtad na paglaban ng isang zener diode, magsimula sa pamamagitan ng pag -aayos ng iyong multimeter sa saklaw ng RXLK.Ikabit ang itim na pagsisiyasat sa anode (A) at ang pulang pagsisiyasat sa katod (k).Simulan ang pagsukat sa pamamagitan ng pag -record ng pasulong na paglaban, pagkatapos ay magpatuloy upang makuha ang reverse resistance.Ang isang functional zener diode ay nagpapakita ng mababang pasulong na paglaban at walang hanggan reverse resistance.Sa pagsasagawa, kailangan upang matiyak ang mga matatag na koneksyon ng mga probes upang maiwasan ang mga maling pagbabasa.Ang magkakaugnay na pakikipag -ugnay ay maaaring magresulta sa pagbabagu -bago ng mga pagsukat, nangangailangan ng matatag na mga kamay at secure na mga koneksyon sa pagsisiyasat.
Lumipat ang multimeter sa setting ng RXLK, at ikabit ang itim na pagsisiyasat sa risistor (R) at ang pulang pagsisiyasat sa anode (A).Ang inaasahang pagtutol ay dapat na humigit -kumulang na 35xlkΩ.Kapag binabaligtad ang mga probes kaya ang itim ay nasa anode at pula sa risistor, ang paglaban ay dapat basahin sa paligid ng 10xlkΩ.Kapag sinusukat ang paglaban mula sa R hanggang K, ang pagbabasa ay dapat na tinatayang 11xlkΩ sa isang direksyon at walang hanggan sa baligtad.Iminumungkahi ng mga obserbasyon na ang mga halagang ito ay maaaring bahagyang nag -iiba dahil sa mga impluwensya sa kapaligiran, tulad ng temperatura o kahalumigmigan, na nakakaapekto sa pag -uugali ng sangkap na subtly.
Sundin ang parehong mga hakbang para sa pagsukat ng pasulong at reverse resistance sa pagitan ng k post at iba pang mga kaugnay na mga poste.Tiyakin na ang iyong multimeter ay nananatiling nakatakda sa RXLK para sa pare -pareho ang mga sukat.Ang grounding sarili bago hawakan ang mga sensitibong sangkap na elektronik, tulad ng TL431, ay maaaring maiwasan ang static na pinsala at magbunga ng mas tumpak na pagbabasa.

Upang makamit ang isang kumpletong pagsusuri ng TL431, ang isang circuit na nilagyan ng isang variable na supply ng kuryente na sumasaklaw sa 0 hanggang 20V ay dapat na maitatag.Magsimula sa pamamagitan ng pagkonekta ng isang ammeter sa serye kasama ang K post at ang power supply upang masukat ang kasalukuyang pagbabagu -bago.Kasabay nito, mag -link ng isang voltmeter sa pagitan ng k (katod) at isang (anode) upang masubaybayan ang mga pagkakaiba -iba ng boltahe ng output.Ang pagtatakda ng potentiometer na malapit sa kalagitnaan ng halaga ay maaaring mag-alok ng matalinong mga obserbasyon ng pag-uugali ng boltahe sa pagitan ng K at lupa.Ang isang tama na gumaganang TL431 ay magpapakita ng dalawang magkakaibang estado: isang mababang estado ng boltahe sa paligid ng 2V at isang mataas na estado ng boltahe na halos katumbas ng boltahe ng supply ng kuryente.Ang paglipat sa pagitan ng mga estado na ito ay nagpapatunay sa pagganap ng aparato.
Ang isang epektibong pagsubok ay magpapakita ng k poste na gumagalaw nang maayos sa pagitan ng mataas at mababang estado habang nagbabago ang boltahe ng supply.Ang on/off na paglipat ng pagkilos na ito ay nagpapatunay sa kakayahan ng TL431 na muling mai -configure ang cycle ng tungkulin, tinitiyak ang matatag na output ng boltahe.Bukod dito, ang pagsasaalang -alang ng mga kadahilanan tulad ng temperatura at mga pagkakaiba -iba ng pag -load ay nagbibigay ng mas malalim na pananaw sa pagiging maaasahan at kahabaan ng TL431 sa mga praktikal na aplikasyon.Ang mga resulta ng mga pagsubok na ito ay hindi lamang nagpapatunay sa agarang pag-andar ng TL431 ngunit makakatulong din sa preemptively na pagkilala sa mga potensyal na pang-matagalang isyu sa pagiging maaasahan.
Sa regulasyon ng power supply, ang TL431 shunt regulator ay may pangunahing papel.Nagpapatatag ito ng boltahe sa mga suplay ng kuryente, tinitiyak ang pare -pareho at maaasahang pagganap.Ang sangkap na ito ay hindi limitado sa pagpapanatili lamang ng mga antas ng boltahe, pinapahusay nito ang lumilipas na tugon, pinapabuti nito ang tugon ng loop, at pinalalaki ang kahusayan at katatagan sa hindi mapigilan na mga suplay ng kuryente (UPS) at mga convert ng AC-DC.
Ang mga setting ng pang -industriya, na minarkahan ng mapaghamong mga kapaligiran sa pagpapatakbo, tingnan ang Utility sa TL431.Ginagamit ito sa maraming mga aplikasyon kabilang ang control ng motor, interface ng sensor, at mga sistema ng automation ng industriya.Ang TL431 ay nagpapanatili ng katumpakan sa ilalim ng pagbabagu -bago ng mga kondisyon sa kapaligiran.Pinahuhusay nito ang katatagan at kawastuhan sa kumplikadong makinarya para sa tumpak na kontrol at pagsubaybay.Pinapabuti nito ang katatagan ng output ng sensor sa mga loop ng feedback sa loob ng mga kumplikadong control system.
Ang mga sistema ng automotiko ay nangangailangan ng mga sangkap na maaaring mapanatili ang mataas na pagganap sa ilalim ng iba't ibang mga thermal at elektrikal na kondisyon, kung saan ang TL431 ay nagniningning.Ito ay malawak na ginagamit sa mga automotive electronics tulad ng mga unit ng control ng engine (ECU), mga electric power steering system, at mga sistema ng pamamahala ng baterya.Dahil sa katatagan at katumpakan nito, tinitiyak ng TL431 ang pagiging maaasahan sa mga pag -andar ng automotiko, pagpapanatili ng kaligtasan at kahusayan.Ang papel nito ay kapansin -pansin sa mga hybrid at electric na sasakyan, kung saan ang tumpak na regulasyon ng boltahe ay mahusay para sa kahabaan ng baterya at pangkalahatang pagganap ng system.



Ang Stmicroelectronics, na kilala sa semiconductor realm, ay ipinagdiriwang para sa paggawa ng mga pinagsamang solusyon na pinasadya upang maihatid ang pagganap ng rurok.Sa pamamagitan ng isang malawak na hanay ng mga produkto, ang kumpanya ay patuloy na nakahanay sa hinihingi na pamantayan ng magkakaibang industriya, na sumasalamin sa pangako nito sa pamamagitan ng kahusayan.Ang Stmicroelectronics ay nakatayo bilang isang malakas na puwersa sa semiconductor landscape.Ang mga produktong tulad ng TL431 ay naglalarawan ng kanilang dedikasyon sa katumpakan, pagiging maaasahan, at pagbabago, na binibigyang diin ang kanilang papel sa paghubog ng parehong mga kontemporaryong at hinaharap na mga teknolohikal na landscapes.
MULT DEV ADV Material Notice 8/APR/2019.PDF
Mult dev mold comp chg 6/jul/2019.pdf
Ang TL431iz ay binubuo ng tatlong pin.Nabanggit nila na ang pagiging simple nito sa pagsasaayos ng PIN ay nagpapabuti sa pagiging maaasahan nito sa iba't ibang mga aplikasyon.
Ang TL431iz ay epektibo ang pag -andar sa loob ng mga temperatura mula -40 ° C hanggang 105 ° C.Tinitiyak ng saklaw ng pagpapatakbo na ito ang mga gumagamit ng pagganap nito kahit na sa matinding thermal environment.
Ang TL431 ay kinikilala para sa matatag na nababagay na sanggunian ng shunt boltahe.Ang kalidad na ito ay hindi lamang nagbibigay -daan upang maisagawa ito sa isang malawak na spectrum ng temperatura ngunit ginagawa rin itong isang napaboran na pagpipilian sa paghahanap ng maaasahang kontrol ng boltahe.
Natagpuan ng TL431 ang pangunahing paggamit nito sa paglipat ng mga suplay ng kuryente.Nagbibigay ito ng isang matatag na sanggunian ng boltahe.Nag -aalok ito ng isang maaasahang mekanismo ng feedback.Ang sangkap na ito ay nagpapabuti sa pag -stabilize ng supply ng kuryente.
Ang TL431 ay gumana bilang isang programmable regulator diode, na katulad sa isang adjustable zener diode.Ang kapasidad nito upang umangkop sa iba't ibang mga disenyo ng circuit ay nagbibigay ng isang maraming nalalaman tool sa mga gawain sa regulasyon ng boltahe.Ang kakayahang umangkop na ito ay sumasamo sa maraming tungkulin sa paglikha ng mahusay at nababaluktot na mga elektronikong sistema.
Ang isang shunt regulator ay nagpapanatili ng isang palaging boltahe sa pamamagitan ng pagdidirekta ng labis na kasalukuyang sa lupa.Ang pamamaraang ito ay mahusay para sa pagprotekta sa mga sensitibong elektronikong sangkap mula sa mga iregularidad ng boltahe.Ang iba ay madalas na pinupuri ang mga regulator ng shunt para sa kanilang papel sa pagkamit ng matatag na katatagan ng boltahe, isang kadahilanan na nag -aambag sa tibay at pagiging maaasahan ng mga elektronikong sistema.
Mangyaring magpadala ng isang pagtatanong, tutugon kami kaagad.
sa 2024/10/22
sa 2024/10/22
sa 8000/04/18 147757
sa 2000/04/18 111932
sa 1600/04/18 111349
sa 0400/04/18 83719
sa 1970/01/1 79508
sa 1970/01/1 66894
sa 1970/01/1 63010
sa 1970/01/1 62997
sa 1970/01/1 54081
sa 1970/01/1 52114