
Ang Tip142 Ang Transistor ay itinayo gamit ang advanced na teknolohiya at nagtatampok ng isang natatanging disenyo na nagpapabuti sa pagganap nito.Ginagamit nito ang tinatawag na istraktura ng "base isla" at isang pagsasaayos ng Darlington, na nagtutulungan upang magbigay ng malakas na pagpapalakas at panatilihing mababa ang pagkawala ng kuryente.Salamat sa advanced na disenyo nito, ang TIP142 ay matatag at maaasahan, na ginagawa itong isang mahusay na pagpipilian para sa mga gawain na nangangailangan ng pare -pareho na pagganap sa iba't ibang mga kapaligiran.Ang layout ng "Base Island" ay tumutulong na lumikha ng isang mas maayos na daloy ng kuryente, na pinuputol ang pagkagambala at basura ng enerhiya.Sa paglipas ng panahon, ang disenyo na ito ay napatunayan na palawakin ang habang -buhay at pagiging epektibo ng sangkap sa iba't ibang paggamit.Pinagsasama ng pagsasaayos ng Darlington ang dalawang transistor sa isang pakete, na nagpapahintulot para sa mas mataas na kasalukuyang output at pagpapabuti ng kahusayan.Ang pag -setup na ito ay nagpapasimple ng disenyo ng circuit sa pamamagitan ng pagbabawas ng bilang ng mga bahagi, na madalas na humahantong sa mas kaunting mga pagkabigo at makatipid ng puwang sa disenyo.Sa pamamagitan ng mataas na kakayahan ng pagpapalakas, ang TIP142 ay maaaring mapalakas ang kasalukuyang may napakaliit na pag -input, na ginagawang kapaki -pakinabang para sa mga nais ng mahusay na mga circuit.Ang mababang boltahe ng saturation ng Tip142 ay tumutulong sa pagbawas ng pagkawala ng kuryente, na mahalaga para sa mga application na mahusay sa enerhiya.Ito ay nakahanay nang maayos sa lumalagong pokus sa pagpapanatili, dahil ang mahusay na paggamit ng kuryente ay isang pangunahing layunin sa disenyo ng teknolohiya.




At Boltahe: Maaaring hawakan ang hanggang sa 100V sa pagitan ng kolektor at emitter, at 5V sa pagitan ng emitter at base.Ginagawa nitong maaasahan para sa mga application na may mataas na boltahe.
At Kasalukuyan: Sinusuportahan ang hanggang sa 10A, na kapaki-pakinabang para sa mga mataas na kasalukuyang circuit tulad ng mga amplifier ng kuryente at kontrol sa motor.
At Pag -dissipation ng Power: Maaaring mawala ang 125W ng kapangyarihan, kaya nangangailangan ito ng wastong paglamig (tulad ng isang heat sink) upang maiwasan ang sobrang init.
At Saklaw ng temperatura: Gumagana sa temperatura mula -65 ° C hanggang +150 ° C, kaya angkop ito para sa malupit na mga kapaligiran.
At Disenyo at pagpapalakas: Dumating sa isang TO-247 package para sa madaling pag-mount, at may mataas na kasalukuyang pakinabang (1000), na nagpapalakas ng mga signal nang epektibo.
Sa pagproseso ng signal, ang mga system ay madalas na hinihiling ng mga sangkap na may kasanayan sa pamamahala ng mga nagbabago na boltahe at alon.Ang TIP142 ay nangunguna rito, na naglalaro ng isang papel sa mga amplifier at mga aparato ng modulation ng signal, kung saan ang epektibong pagproseso ay isang sining para sa pagganap.
Ang mga sistema ng pamamahala ng kuryente ay mga lugar kung saan ang TIP142 ay kumikinang sa pagiging epektibo nito sa conversion at regulasyon ng kuryente.Ang transistor na ito ay hindi lamang masiguro ang matatag na pagganap;Ito ay kumikilos bilang isang tagapag -alaga ng mga yunit ng supply ng kuryente.Ang mga sistema ng crafting na nangangailangan ng matatag na daloy ng kapangyarihan sa magkakaibang at nagbabago na mga kondisyon.
Ang mga Smartphone, tablet, at iba pang mga portable gadget ay umani ng mga gantimpala ng mga kakayahan sa pamamahala ng enerhiya ng Tip142.Ang sangkap na ito ay tumutulong na mapalawak ang buhay ng baterya at mapalakas ang kahabaan ng mga aparato.Ang iba ay nagbabalik sa naturang mga pagsulong upang itulak ang mga hangganan ng compact na pamamahala ng kapangyarihan, na yumakap sa parehong mga hamon at pangingilig sa makabagong hinihimok ng miniaturization.
Ang TIP142 ay nagbibigay ng electronics ng consumer, mula sa telebisyon hanggang sa mga gamit sa bahay.Ang tibay nito ay nag-aambag sa pagbabawas ng mga rate ng pagkabigo ng sangkap, na nagpapakilala ng isang pagkakaisa ng pagganap at pagiging epektibo sa gastos.
Pagdating sa pang -industriya na makinarya, ang pagiging matatag ay susi, dahil ang mga sangkap na ito ay nahaharap sa mapaghamong mga kapaligiran at hinihingi na mga siklo.Ang TIP142 ay isang pagpipilian na go-to para sa mga circuit control circuit at regulasyon ng kuryente.Nagbibigay ito ng mga pananaw sa pagpapabuti ng kahusayan ng makinarya at pag -minimize ng downtime sa pamamagitan ng pagtitiis ng giling ng mga kahilingan sa pang -industriya.
• 2SD1197
At 2SD2390
• 2SD2390-O
• 2SD2390-P
• 2SD2390-Y
At BDV65B
• Bdv65bg
At BDV67B
At Bdv67c
At Bdv67d
At TIP142G

Ang pagtatayo ng isang simpleng circuit ng pagsubok upang lumipat ng isang pag -load na may isang TIP142 NPN transistor ay isang mahusay na paraan upang simulan ang pagsuri kung paano gaganap ang circuit.Upang magkasama ang pag -setup ng pagsubok na ito, kakailanganin mo ang isang Tip142 transistor, isang risistor na tumutugma sa inaasahang kasalukuyang at mga antas ng kapangyarihan, isang suplay ng kuryente, at mga tool tulad ng isang oscilloscope at isang multimeter.Magsimula sa pamamagitan ng maingat na pagsunod sa isang diagram ng circuit upang tipunin ang lahat.Pagkatapos, unti -unting madagdagan ang pagkarga upang makita kung paano tumugon ang transistor, gayahin ang mga kondisyon.Ang pamamaraang ito ay tumutulong sa iyo na mahanap ang mga limitasyon ng circuit at makita ang anumang mga isyu na maaaring maging sanhi upang mabigo ito.Pagkatapos ng pagsubok, suriin ang mga resulta, na nakatuon sa mga bagay tulad ng kasalukuyang pakinabang, boltahe ng saturation, at init.Makakatulong ito sa iyo na makita ang mga pattern na maaaring makaapekto sa kung paano mo idinisenyo ang circuit.

Ang power amplifier ay nagbibigay ng malakas na pagganap, na naghahatid ng 100 watts ng patuloy na kapangyarihan sa 8 ohms at 150 watts sa 4 ohms.Maaari itong magmaneho ng 12-pulgada na nagsasalita na angkop para sa mid-range, midbass, at mga tunog ng subwoofer.Ang amplifier ay gumagamit ng Tip142 at TIP147 transistors sa isang espesyal na pag -setup ng NPN/PNP Darlington upang mapalakas ang kapangyarihan.Sa seksyon ng buffer at driver, gumagamit ito ng isang BC556AP PNP transistor at isang TIP41 NPN transistor.Para sa pinakamahusay na mga resulta, iminungkahi na ipares ang TIP41 transistor na may heat sink at isang thermal switch.
|
I -type |
Parameter |
|
Oras ng tingga ng pabrika |
8 linggo |
|
Uri ng pag -mount |
Sa pamamagitan ng butas |
|
Bilang ng mga pin |
3 |
|
Ang materyal na elemento ng transistor |
Silikon |
|
Bilang ng mga elemento |
1 |
|
Temperatura ng pagpapatakbo |
150 ° C TJ |
|
Code ng JESD-609 |
E3 |
|
Antas ng Sensitivity ng kahalumigmigan (MSL) |
1 (walang limitasyong) |
|
Pagwawakas |
Sa pamamagitan ng butas |
|
Pagtatapos ng terminal |
Lata (sn) |
|
Max Power Dissipation |
125W |
|
BASE PART NUMBER |
Tip142 |
|
Polarity |
NPN |
|
Pag -dissipation ng Power |
125W |
|
Uri ng transistor |
NPN - Darlington |
|
Bundok |
Sa pamamagitan ng butas |
|
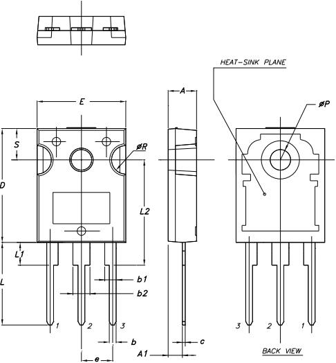
Package / Kaso |
TO-247-3 |
|
Timbang |
6.500007g |
|
Boltahe ng Breakdown ng Kolektor-Emitter |
100v |
|
hfe min |
500 |
|
Packaging |
Tube |
|
Bahagi ng Bahagi |
Aktibo |
|
Bilang ng mga pagtatapos |
3 |
|
Code ng ECCN |
EAR99 |
|
Boltahe - Na -rate na DC |
100v |
|
Kasalukuyang rating |
10a |
|
Bilangin ng pin |
3 |
|
Pagsasaayos ng elemento |
Walang asawa |
|
Application ng Transistor |
Lumilipat |
|
Kolektor ng Emitter Voltage (VCEO) |
100v |
|
MAX Kolektor Kasalukuyan |
10a |
|
Kasalukuyang - Kolektor Cutoff (Max) |
2MA |
|
Boltahe ng Base ng Kolektor (VCBO) |
100v |
|
Vcesat-max |
3 v |
|
Haba |
15.75mm |
|
Abutin ang SVHC |
Walang SVHC |
|
Katayuan ng ROHS |
Sumunod ang ROHS3 |
|
DC Kasalukuyang Gain (HFE) (min) @ ic, vce |
1000 @ 5A 4V |
|
Vce saturation (max) @ ib, ic |
3v @ 40ma, 10a |
|
Emitter Base Voltage (Vebo) |
5v |
|
Taas |
20.15mm |
|
Lapad |
5.15mm |
|
Radiation Hardening |
Hindi |
|
Libre ang Lead |
Libre ang Lead |

Ang Stmicroelectronics ay isang nangungunang pigura sa semiconductor sphere, na kilala sa pagbuo ng mga solusyon sa pagputol ng microelectronics.Ang paggamit ng advanced na teknolohiya sa tabi ng malaking kakayahan sa pagmamanupaktura, nag -aalok ang kumpanya ng isang malawak na hanay ng mga produktong pangunguna.Ang hangarin nito sa pagpapabuti ng teknolohikal at higit na mahusay na engineering ay nagtutulak sa pag -unlad ng mga semiconductors, malalim na naka -embed sa mga kontemporaryong elektronika.Ang katapangan ng kumpanyang ito ay maliwanag sa pag -unlad nito ng masalimuot na mga solusyon sa semiconductor para sa maraming mga elektronikong gamit.Sa pamamagitan ng malaking pamumuhunan sa pananaliksik at pag -unlad, ang stmicroelectronics ay patuloy na nagpapalawak ng mga hangganan ng microelectronics, na nagbibigay kapangyarihan sa mga kliyente upang ma -optimize ang kahusayan, bilis, at pagganap sa iba't ibang mga sektor.Ang matikas na halo ng mga advanced na materyales at pamamaraan ay nagpapakita sa pang -araw -araw na mga gadget, subtly ngunit pagpapahusay ng kasiyahan.Ang katatagan ng pagmamanupaktura ng Stmicroelectronics 'ay nagmula sa isang pandaigdigang network ng mga pasilidad na nilagyan ng mga teknolohiyang pagmamanupaktura ng paggupit.Ang pag -setup na ito ay nagbibigay -daan sa scalability, kakayahang umangkop, at pagiging matatag, tinitiyak ang pagkakapareho at mataas na pamantayan sa mga linya ng produkto.
MULT DEV ADV Material Notice 8/APR/2019.PDF
Mangyaring magpadala ng isang pagtatanong, tutugon kami kaagad.
Ang TIP142 ay nakatayo bilang isang mataas na pagganap na NPN power darlington transistor, pagsasama ng advanced na teknolohiya upang palakasin ang kasalukuyang pakinabang habang binabawasan ang boltahe ng saturation.Ang nasabing mga transistor ay umaangkop sa mga senaryo kung saan nais ang kahusayan at pamamahala ng kapangyarihan ng kapangyarihan.Karaniwan silang naka -embed sa disenyo ng mga audio amplifier, power regulators, at mga controller ng motor.Ang pag -ampon ng TIP142 ay maaaring kapansin -pansin na mabawasan ang mga pagkalugi ng enerhiya, na nakapagpapaalaala sa mga kasanayan sa mga sektor na masigasig sa pag -optimize ng paggamit ng kuryente.Sa panahon ng application nito, ang isang maselan na balanse sa pagitan ng pagganap at pagiging epektibo ng gastos ay elegante na ginawa sa pamamagitan ng detalyadong mga pananaw sa engineering.
Ang TIP147 ay kumikilos bilang katapat ng PNP sa TIP142, perpektong kinumpleto ito para sa mga pag-aayos ng push-pull amplifier na nagpapalakas ng lakas at kahusayan ng output.Bukod dito, ang TIP142G, na kung saan ay isang bersyon na walang lead, ay pinasadya para sa mga setting na humihiling ng pagsunod sa mahigpit na mga regulasyon tungkol sa mga mapanganib na materyales.Ang alternatibong ito ay nakakakuha ng pansin ng mga industriya ng eco-friendly, na binibigyang diin ang pagpapanatili at pananagutan sa kapaligiran.Sa pagpili ng mga sangkap tulad ng TIP142G, dapat mag -navigate ang isa sa pagiging kumplikado ng parehong mga kinakailangan sa regulasyon at ang mga nuanced na detalye ng materyal na agham.
sa 2024/11/14
sa 2024/11/14
sa 8000/04/18 147757
sa 2000/04/18 111936
sa 1600/04/18 111349
sa 0400/04/18 83721
sa 1970/01/1 79508
sa 1970/01/1 66905
sa 1970/01/1 63035
sa 1970/01/1 63012
sa 1970/01/1 54081
sa 1970/01/1 52125