
Figure 1. RC Coupled Amplifier Trainer Module
Ang RC coupled amplifier ay isang uri ng amplifier kung saan ang maraming yugto ng amplification ay konektado gamit ang resistor-capacitor network.Ang bawat yugto ay nagpapataas ng antas ng signal, habang ang RC network ay naglilipat ng signal mula sa isang yugto patungo sa susunod nang hindi nakakagambala sa kanilang mga kondisyon sa pagpapatakbo.Ang configuration na ito ay karaniwang ginagamit kapag ang mahinang input signal ay kailangang unti-unting palakasin upang maabot ang isang magagamit na antas.
Ang pangunahing tungkulin ng RC coupling ay upang payagan ang alternating current (AC) na bahagi ng isang signal na dumaan sa pagitan ng mga yugto habang hinaharangan ang direktang kasalukuyang (DC).Ang coupling capacitor ay nagbibigay ng landas para sa AC signal ngunit pinipigilan ang DC boltahe na dumaloy sa susunod na yugto, na nagpapahintulot sa bawat yugto na mapanatili ang matatag na biasing nang nakapag-iisa.
Sa pamamagitan ng paghihiwalay ng mga antas ng DC, nakakatulong ang RC coupling na maiwasan ang mga pagbabago sa mga operating point na maaaring humantong sa distortion o hindi matatag na pag-uugali.Ang bawat yugto ay nananatiling maayos na bias, na sumusuporta sa pare-parehong paglaki ng boltahe gamit ang simple, matipid na mga bahagi.
Ang isang RC coupled amplifier circuit ay karaniwang inaayos gamit ang dalawa o higit pang amplifier stages na konektado sa serye, na ang bawat stage ay gumagana sa isang common-emitter configuration.Ang bawat yugto ay nagpapalakas ng signal na natatanggap nito, habang ang mga coupling capacitor ay bumubuo ng mga link ng resistor-capacitor na naglilipat ng signal sa pagitan ng mga yugto nang hindi naaapektuhan ang kanilang mga kondisyon sa pagpapatakbo.

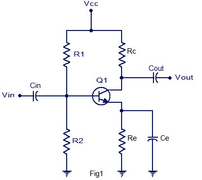
Figure 2. Single-Stage RC Coupled Amplifier Circuit
Sa isang single-stage RC coupled amplifier, ang input signal ay inilalapat sa base ng transistor sa pamamagitan ng isang input capacitor, tulad ng ipinapakita sa circuit.Ang kapasitor na ito ay nagpapahintulot sa alternating signal na pumasok sa amplifier habang hinaharangan ang direktang kasalukuyang, na tumutulong na panatilihing matatag ang operating point ng transistor.Ang mga biasing resistors ay nagtatakda ng kinakailangang base boltahe, na tinitiyak ang tamang operasyon ng transistor sa panahon ng amplification.
Kapag ang signal ay umabot sa transistor, ito ay pinalakas at lumilitaw sa kolektor.Ang amplified na output ay dadalhin sa pamamagitan ng isang output capacitor, na nagpapasa ng signal sa susunod na circuit o load nang hindi pinapayagan ang direktang kasalukuyang dumaloy palabas.Kahit na isang yugto lamang ng amplification ang naroroon, malinaw na ipinapakita ng kaayusan na ito kung paano gumagana ang RC coupling at karaniwang ginagamit sa mga application kung saan sapat ang mahinang signal amplification.

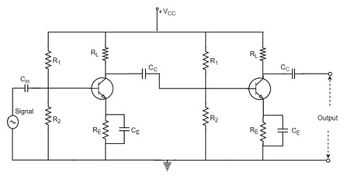
Figure 3. Two-Stage RC Coupled Amplifier Circuit
Sa isang two-stage RC coupled amplifier, ang signal na pinalakas ng unang yugto ay inililipat sa pangalawang yugto sa pamamagitan ng isang coupling capacitor na nakaposisyon sa pagitan ng kolektor ng unang transistor at ng base ng pangalawang transistor, tulad ng ipinapakita sa circuit.Ang kapasitor na ito ay nagpapahintulot lamang sa alternating bahagi ng signal na dumaan pasulong habang hinaharangan ang direktang kasalukuyang, kaya ang mga kondisyon ng pagpapatakbo ng bawat yugto ay mananatiling independiyente.
Ang ikalawang yugto ay gumagamit ng parehong karaniwang-emitter na pag-aayos bilang ang unang yugto at higit pang pinalalakas ang papasok na signal.Ang mga biasing resistors sa bawat yugto ay nagtatatag ng wastong operating point para sa mga transistors, habang ang emitter resistors at bypass capacitors ay sumusuporta sa matatag na operasyon at epektibong amplification.Ang pangwakas na output ay kinuha mula sa kolektor ng ikalawang yugto sa pamamagitan ng isang output capacitor, na naghahatid ng amplified signal nang hindi dumadaan sa direktang kasalukuyang.
Ang dalawang yugtong pag-aayos na ito ay nagpapataas ng kabuuang boltahe na nakuha kumpara sa isang single-stage na circuit.Ang mga karagdagang yugto ay maaaring konektado sa parehong paraan kapag kinakailangan ang mas malaking amplification, habang ang risistor at capacitor network ay patuloy na gumagabay sa signal nang maayos mula sa input hanggang sa output at nagpapanatili ng matatag na pagganap sa lahat ng mga yugto.

Figure 4. Daloy ng Signal sa Mga Yugto ng RC Coupled Amplifier
Ang RC coupled amplifier ay binubuo ng maraming yugto ng amplifier na nakaayos sa isang katulad na istraktura, kung saan ang bawat yugto ay nakakatulong sa pagtaas ng antas ng signal.Ang signal ay inilapat sa unang yugto, pinalakas, inilipat sa pamamagitan ng network ng pagkabit, at pagkatapos ay pinalakas pa ng susunod na yugto.Ang pagsasaayos na ito ay nagbibigay-daan sa signal na umunlad nang maayos sa circuit habang pinapanatili ang pare-parehong pag-uugali sa mga yugto.
Ang coupling capacitor ay nakaposisyon sa pagitan ng kolektor ng isang yugto at sa base ng susunod na yugto, na bumubuo ng electrical link sa pagitan nila.Pinapayagan nito ang alternating bahagi ng amplified signal na dumaan pasulong habang hinaharangan ang direktang kasalukuyang.Sa pamamagitan ng pagpigil sa direktang daloy sa pagitan ng mga yugto, tinitiyak ng coupling capacitor na ang mga kondisyon ng pagpapatakbo ng isang yugto ay hindi makagambala sa mga susunod na yugto.
Ang mga biasing resistors ay konektado sa base ng bawat transistor at nagbibigay ng isang matatag na base boltahe na kinakailangan para sa tamang operasyon.Ang mga resistor na ito ay nagpapanatili sa bawat transistor sa loob ng nilalayon nitong operating region, na sumusuporta sa pare-pareho at kinokontrol na amplification.Ang mga katulad na pagsasaayos ng risistor sa mga yugto ay nakakatulong na mapanatili ang pare-parehong pagganap sa buong circuit.
Sa emitter ng bawat transistor, ang emitter resistor at bypass capacitor ay gumagana nang magkasama.Ang emitter resistor ay nagpapabuti sa katatagan sa pamamagitan ng pagbabawas ng sensitivity sa mga pagbabago sa temperatura at mga pagkakaiba-iba sa pag-uugali ng transistor.Ang bypass capacitor, na konektado sa parallel, ay nagbibigay ng isang low-resistance path para sa alternating signal, na nagpapahintulot sa stage na makamit ang mas mataas na boltahe gain habang pinapanatili ang matatag na direktang kasalukuyang kondisyon.

Figure 5. Frequency at Phase Response ng RC Coupled Amplifier
Sa isang RC coupled amplifier, ang signal ay dumadaan sa circuit ng isang yugto sa isang pagkakataon, na ang bawat yugto ay tumataas ang antas ng signal bago ito ipasa pasulong.Ang input signal ay inilapat sa base ng unang transistor, kung saan ang amplification ay nangyayari at ang amplified signal ay lilitaw sa kolektor.Mula sa kolektor, ang signal ay inililipat sa pamamagitan ng isang coupling capacitor sa susunod na yugto.Ang pamamaraang ito ay nagbibigay-daan sa signal na umunlad nang maayos sa magkakasunod na yugto habang pinapanatili ang mga kondisyon ng pagpapatakbo ng bawat yugto na independyente, na sumusuporta sa matatag at predictable na operasyon.
Ang bawat yugto ng amplification sa isang RC coupled amplifier ay karaniwang gumagamit ng isang common-emitter configuration.Sa pag-aayos na ito, ang output signal na kinuha mula sa kolektor ay baligtad na may kaugnayan sa input na inilapat sa base.Ang inversion na ito ay nagpapakilala ng phase shift na 180 degrees sa bawat yugto.Habang ang signal ay gumagalaw sa maraming yugto, ang bawat yugto ay nagdaragdag ng isa pang phase reversal.Kapag ang kabuuang bilang ng mga yugto ay pantay, ang mga pagbabalik ng phase ay kanselahin at ang panghuling output ay mananatiling kasabay ng input.Kapag kakaiba ang bilang ng mga yugto, nananatili ang isang phase reversal, na nagiging sanhi ng paglilipat ng output ng 180 degrees.
Inilalarawan ng tugon sa dalas kung paano nag-iiba ang pagtaas ng boltahe ng amplifier sa dalas ng signal.Sa mababang frequency, nababawasan ang gain dahil nililimitahan ng mga capacitor sa circuit ang mabagal na pagkakaiba-iba ng signal, na nagpapahina sa paglipat ng signal sa pagitan ng mga yugto.Habang tumataas ang frequency sa mid-frequency range, naaabot ng amplifier ang mga stable na kondisyon ng operating at nagbibigay ng halos pare-parehong gain.Kinakatawan ng rehiyon na ito ang normal na hanay ng trabaho ng RC coupled amplifier.Sa mas mataas na frequency, bumababa muli ang gain habang nagiging mas kapansin-pansin ang mga epekto ng paglo-load sa pagitan ng mga stage at internal capacitance, na nililimitahan ang kakayahan ng amplifier na tumugon sa mabilis na pagbabago ng signal.
Ang boltahe na nakuha ng isang RC coupled amplifier ay nakakamit sa pamamagitan ng pag-cascade ng maramihang mga yugto ng amplification, na ang bawat yugto ay nag-aambag sa pangkalahatang pagtaas.Sa mga perpektong kondisyon, ang kabuuang boltahe na nakuha ay katumbas ng produkto ng mga nadagdag ng mga indibidwal na yugto.Sa mga praktikal na circuit, gayunpaman, ang aktwal na pakinabang ay bahagyang mas mababa dahil sa mga epekto ng paglo-load, kung saan ang bawat yugto ay kumukuha ng kasalukuyang mula sa nakaraang yugto.Binabawasan ng interaksyong ito ang epektibong pakinabang at naglalagay ng mga praktikal na limitasyon sa kung gaano karaming boltahe na amplification ang maaaring makamit gamit ang RC coupling.
| Mga kalamangan | Mga Limitasyon |
| Simpleng disenyo ng circuit | Mahina ang low-frequency na tugon |
| Mga bahagi ng mababang gastos | Makakuha ng mga patak sa napakataas na frequency |
| Compact at magaan | Limitadong pakinabang ng kuryente |
| Magandang amplification ng boltahe | Hindi angkop para sa power amplification |
| Matatag na operasyon para sa maliliit na signal | Mahina ang pagtutugma ng impedance |
| Malawak na mid-frequency na bandwidth | Sensitibo sa ingay at pagtanda ng bahagi |
| Madaling idisenyo at i-assemble | Ang mga halaga ng kapasitor ay nakakaapekto sa pagganap |
| Angkop para sa mga yugto ng audio at signal | Naaapektuhan ang pagganap ng mga pagkakaiba-iba ng temperatura |
| Walang kinakailangang transpormer | Ang impedance ng output ay medyo mataas |

Figure 6. RC Coupled Amplifier Application Setup
Ang RC coupled amplifier ay malawakang ginagamit sa mga electronic system kung saan ang maliliit na signal ay kailangang palakasin nang malinaw at maaasahan.Ang isa sa kanilang pinakakaraniwang mga application ay sa audio pre-amplifier, kung saan ang mahinang audio signal mula sa mga mikropono, sensor, o audio source ay pinalakas bago ipadala sa mga susunod na yugto.Sa mga system na ito, ang RC coupling ay nagbibigay ng matatag na pagtaas ng boltahe at pinapanatili ang kalidad ng signal sa buong hanay ng dalas ng audio.
Sa mga circuit ng komunikasyon, ginagamit ang mga RC coupled amplifier para palakasin ang mga signal na mababa ang antas bago iproseso o ipadala.Angkop ang mga ito para sa tungkuling ito dahil nag-aalok sila ng pare-parehong pakinabang sa malawak na hanay ng mid-frequency at madaling maisama sa mga multi-stage na disenyo nang walang kumplikadong mga bahagi.Ginagawa nitong praktikal ang mga ito para magamit sa mga wired na kagamitan sa komunikasyon at mga circuit conditioning ng signal.
Ang mga RC coupled amplifiers ay karaniwang matatagpuan din sa mga radio at television receiver, kung saan nagsisilbi ang mga ito bilang small-signal amplification stages.Sa mga receiver na ito, ang mga mahihinang signal na nakuha ng mga antenna ay nangangailangan ng paunang amplification bago ang pagtuklas at karagdagang pagproseso.Ang RC coupling ay nagbibigay-daan sa maramihang amplification stage na makonekta habang pinapanatili ang stable na operasyon at pinapaliit ang interference sa pagitan ng mga stage.
Sa pangkalahatan, ang mga RC coupled amplifier ay angkop para sa mga application na ito dahil ang mga ito ay simple, cost-effective, at nagbibigay ng maaasahang amplification ng boltahe para sa maliliit na signal.Ang kanilang kakayahang mapanatili ang matatag na pagkiling sa pagitan ng mga yugto habang pinangangasiwaan ang isang malawak na hanay ng mga frequency ay ginagawa silang isang praktikal na pagpipilian sa maraming pang-araw-araw na electronic system.
Nag-aalok ang RC coupled amplifier ng praktikal na paraan para palakasin ang maliliit na signal gamit ang simple at abot-kayang mga bahagi.Sa pamamagitan ng pag-unawa kung paano inayos ang circuit, kung paano dumadaloy ang mga signal sa bawat yugto, at kung paano kumikilos ang frequency at gain, mas mahuhusgahan mo kung saan umaangkop ang ganitong uri ng amplifier sa iyong mga pangangailangan.Ang kanilang matatag na operasyon at malawak na mid-frequency na pagganap ay ginagawa silang kapaki-pakinabang sa maraming pang-araw-araw na electronic system kung saan mahalaga ang malinaw na amplification ng boltahe.
Mangyaring magpadala ng isang pagtatanong, tutugon kami kaagad.
Ang isang RC coupled amplifier ay ginagamit upang pataasin ang mahinang signal habang pinapanatiling independyente at matatag ang bawat yugto ng amplification.
Pinapayagan ng mga capacitor ang mga alternating signal na dumaan sa pagitan ng mga yugto habang pagharang ng direktang kasalukuyang, na tumutulong na mapanatili ang wastong pagpapatakbo kundisyon.
Sa mababang frequency, tinututulan ng mga capacitor ang mabagal na pagbabago ng signal, na nagpapababa ng epektibong paglilipat ng signal at nagpapababa ng nakuha.
Pangunahing angkop ang mga ito para sa pagpapalakas ng boltahe ng maliliit na signal at hindi perpekto para sa paghahatid ng mataas na kapangyarihan sa mga naglo-load.
Madalas mong mahahanap ang mga ito sa audio pre-amplifier, komunikasyon mga sirkito, at mga yugto ng maliliit na signal ng mga receiver ng radyo at telebisyon.
sa 2025/12/22
sa 2025/12/22
sa 8000/04/18 147757
sa 2000/04/18 111936
sa 1600/04/18 111349
sa 0400/04/18 83721
sa 1970/01/1 79508
sa 1970/01/1 66907
sa 1970/01/1 63036
sa 1970/01/1 63012
sa 1970/01/1 54081
sa 1970/01/1 52125