



AngPCA9615 Nagsisilbi bilang isang integral na buffer para sa komunikasyon ng SMBUS/I2C-bus, na malaki ang pagpapahusay ng paghahatid ng data sa loob ng mga maingay na kapaligiran.Sa pamamagitan ng paggamit ng isang pagkakaiba -iba na pisikal na layer (DI2C) na nagpapanatili ng transparency sa layer ng protocol, marunong itong nagpapagaan ng katiwalian ng data.Tinitiyak ng kakayahang ito ang maaasahang komunikasyon sa iba't ibang mga aplikasyon, kabilang ang pang -industriya na automation, mga sistema ng automotiko, at kumplikadong mga magkakaugnay na aparato.
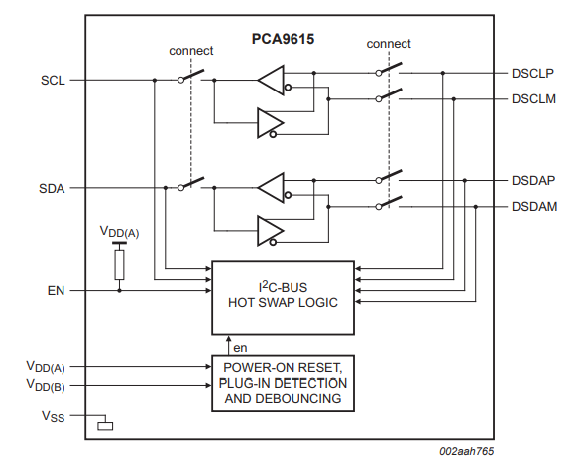
Ang PCA9615 ay nilagyan ng dalawang solong natapos na mga channel ng driver ng driver na pinasadya para sa linya ng SCL.Pinalawak ang saklaw at bilis ng mga signal ng SMBUS/I2C.Pinapanatili ang integridad ng signal.Sa pamamagitan ng pag-convert ng mga single-natapos na signal sa mga signal ng pagkakaiba-iba, ang PCA9615 ay epektibong nagpapaliit sa pagkagambala ng electromagnetic (EMI) at crosstalk, na laganap sa mga kapaligiran na may mataas na ingay.
Ang pagkakaiba-iba ng senyas sa PCA9615 ay nag-aalok ng isang host ng mga pakinabang at nagbibigay ng mahusay na pagtanggi sa ingay kumpara sa mga nag-iisang signal.Pangunahing kapaki -pakinabang sa mga setting ng pang -industriya at automotiko kung saan nagbabanta ang ingay ng elektrikal ng data.Sinusuportahan ang mas mahabang haba ng cable at mas mataas na mga rate ng data.Nagbibigay -daan sa mas nababaluktot na disenyo ng system.Sa aktwal na mga aplikasyon, ang PCA9615 ay nagsasama nang walang putol sa mga system na nangangailangan ng matatag na komunikasyon sa mga pinalawak na distansya.Tinitiyak ng pagkakaiba -iba ng senyas ang maaasahang paghahatid ng data ng sensor sa pagitan ng mga sangkap tulad ng unit ng control ng engine at iba't ibang mga sensor na nagkalat sa buong sasakyan.Ang PCA9615 ay nagpapanatili ng malinaw na komunikasyon sa pagitan ng maraming mga controller at mga aparato sa patlang na matatagpuan sa isang malaking sahig ng pagmamanupaktura.

Narito ang format ng talahanayan na may mga teknikal na pagtutukoy, katangian, at mga parameter ng NXP USA Inc. PCA9615DPJ , kasama ang mga bahagi na may katulad na mga pagtutukoy.
|
I -type |
Parameter |
|
Pabrika
Oras ng tingga |
7
Linggo |
|
Pag -mount
I -type |
Ibabaw
Bundok |
|
Package
/ Kaso |
10-tfsop,
10-msop (0.118, 3.00mm lapad) |
|
Ibabaw
Bundok |
Oo |
|
Pagpapatakbo
Temperatura |
-40 ° C.
~ 85 ° C. |
|
Packaging |
Tape
& Reel (tr) |
|
Nai -publish |
2010 |
|
Bahagi
Katayuan |
Aktibo |
|
Kahalumigmigan
Antas ng Sensitivity (MSL) |
1
(Walang limitasyong) |
|
Bilang
ng mga pagtatapos |
10 |
|
I -type |
Buffer,
Redriver |
|
Mga Aplikasyon |
I2C |
|
Boltahe
- Supply |
2.3v
~ 5.5V |
|
Terminal
Posisyon |
Dual |
|
Terminal
Form |
Gull
Pakpak |
|
Rurok
Temperatura ng pagmuni -muni (cel) |
Hindi
Tinukoy |
|
Bilang
ng mga pag -andar |
1 |
|
Supply
Boltahe |
3.3v |
|
Terminal
Pitch |
0.5mm |
|
Oras@peak
Reflow temperatura-max (s) |
Hindi
Tinukoy |
|
Base
Bahagi ng bahagi |
PCA9615 |
|
Output |
2-wire
Bus |
|
Pin
Bilangin |
10 |
|
JESD-30
Code |
S-PDSO-G10 |
|
Bilang
ng mga channel |
2 |
|
Kasalukuyan
- Supply |
16μA |
|
Input |
2-wire
Bus |
|
Data
Rate (max) |
400kHz |
|
Supply
Boltahe1-nom |
5v |
|
Kapasidad
- Input |
7pf |
|
Haba |
3mm |
|
Taas
Nakaupo (max) |
1.1mm |
|
Lapad |
3mm |
|
Rohs
Katayuan |
ROHS3
Sumunod |
Ang disenyo ng PCA9615 ay nagsasama ng isang matatag na kakayahan ng hot-swap, na nagpapahintulot sa mga module na konektado at mai-disconnect nang hindi nagiging sanhi ng mga pagkagambala ng daloy ng data.Ang tampok na ito ay lalong kapaki -pakinabang sa mga kumplikadong sistema kung saan ang oras at pagiging maaasahan ay nangingibabaw, tulad ng sa mga sentro ng telecommunication at data.Sa pamamagitan ng pagpapagana ng walang kapalit na module na kapalit at pagpapalawak, ang tampok na hot-swap ay nagsisiguro na pare-pareho ang pagganap ng system at minimal na downtime, na nakatutustos sa patuloy na pangangailangan para sa katatagan at kahusayan sa naturang hinihingi na mga kapaligiran.
• EN signal input: Ang EN (Paganahin) signal input ay gumaganap ng isang mapagpasyang papel sa pamamahala ng hot-swap na pamamaraan.Kapag ang isang bagong module ay konektado, tinitiyak ng signal ng EN na ang pamamaraan ay isinasagawa sa maayos na paraan.Pinipigilan ng mekanismong ito ang mga error sa komunikasyon na maaaring mangyari kung ang mga module ay idinagdag o tinanggal nang hindi sinasadya.Sa maraming mga praktikal na aplikasyon, ang tumpak na pamamahala ng signal ay nagtataguyod ng integridad ng data, na lalo na mahalaga sa mga kapaligiran kung saan ang pagkawala ng data ay hindi katanggap -tanggap at ang mga pusta ay mataas.
Ang mekanismo ng panloob na detektura ng panloob na bus ay karagdagang nagpapabuti sa pag-andar ng hot-swap sa pamamagitan ng pagtiyak na ang mga koneksyon ay ginawa lamang kapag ang bus ay walang ginagawa.Ang tampok na ito ay nakakatulong na maiwasan ang mga potensyal na pagbangga ng data at katiwalian, sa gayon pinangangalagaan ang kawastuhan ng ipinadala na impormasyon.Ang pagtuklas ng bus ng bus ay nagpapatakbo nang malinaw, nagtatrabaho sa likod ng mga eksena upang magbigay ng isang matatag na kapaligiran sa komunikasyon kahit na sa ilalim ng mga dynamic na kondisyon.
• Mga pangangalaga sa system: Ang interplay ng mga sangkap na ito sa loob ng PCA9615 ay nagpapakita kung paano isinasama ng modernong teknolohiya ang maraming mga layer ng mga pangangalaga upang matiyak ang parehong kahusayan sa pagpapatakbo at seguridad ng data.Ang maayos na koordinasyon sa pagitan ng pag-input ng signal ng EN at ang pagtuklas ng bus ay bumubuo ng pundasyon ng maaasahang hot-swapping sa mga mapanganib na sistema.Ang mga elementong ito ay kolektibong nag-aambag sa isang nababanat at maaasahan na sistema, na tinutugunan ang eksaktong mga pangangailangan ng mga kapaligiran na may mataas na pusta na may katumpakan at pangangalaga.
Ang PCA9615 ay nagtatanghal ng maraming nalalaman solusyon sa isang napakaraming mga teknikal na hadlang, na tinutugunan ang mga pagkakaiba ng mga tiyak na aplikasyon.Kasama dito ang pagsubaybay sa mga remote sensor sa maingay na mga kapaligiran, pamamahala ng mga suplay ng kuryente na madaling kapitan ng panghihimasok, pag -uugnay sa mga bus ng I2C sa iba't ibang mga uri ng kagamitan, at pagkontrol sa mga kumplikadong mga sistemang pang -industriya tulad ng pag -iilaw, pagpainit, at paglamig.
Sa mga kapaligiran na nagagalit sa ingay, ang pagiging mapagkakatiwalaan ng data ng sensor ay maaaring lumala.Sinusuportahan ng PCA9615 ang matatag na komunikasyon sa pagitan ng mga remote sensor at nangingibabaw na mga yunit ng pagproseso.Gumamit ng mga kaso tulad ng pang -industriya na automation at mga istasyon ng pagsubaybay sa kapaligiran ay naglalarawan ng mga benepisyo nito.Ang pagpapanatili ng integridad ng data ay nagiging mas mababa sa isang sugal, na katulad ng mga pamamaraan sa mga imprastraktura ng telecommunication kung saan ginagamit ang signal fidelity sa mahabang distansya.Maaari mong magamit ang mga diskarte sa pag-sign ng pagkakaiba-iba, na katulad ng mga PCA9615, upang epektibong maibsan ang mga isyu na may kaugnayan sa ingay.
Ang isang mapaghamong pangingibabaw ay ang pamamahala ng mga suplay ng kuryente sa ilalim ng mga kondisyon ng mataas na panghihimasok.Ang PCA9615 ay nag -aalaga ng integridad ng signal sa kabila ng ingay ng electromagnetic, isang madalas na problema sa mga suplay ng kuryente na may variable na naglo -load.Ang aktwal na mga aplikasyon ay madalas na ipares ang PCA9615 na may mga taktika sa kalasag at saligan, karagdagang pagbabawas ng pagkagambala.Ito ay nakapagpapaalaala sa mga kasanayan sa paggawa ng aerospace, kung saan ang mga sistema ay nilikha upang maisagawa ang maaasahan sa gitna ng mga kilalang elektronikong ingay.
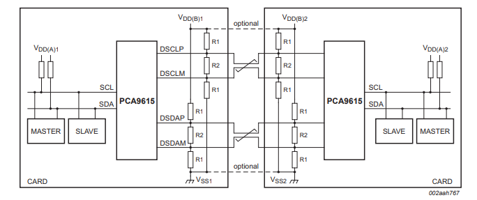
Ang pagsasama ng mga kumplikadong sistema ay madalas na tumatawag para sa pagkonekta sa mga bus ng I2C sa pagitan ng iba't ibang kagamitan.Ang PCA9615 ay nagpapagaan sa koneksyon na ito sa pamamagitan ng pagpapalawak ng saklaw ng komunikasyon at pag -secure ng kaligtasan sa sakit sa mga potensyal na pagkakaiba -iba ng lupa.Halimbawa, sa mga konteksto ng automotiko, ang komunikasyon sa bridging sa maraming mga yunit ng electronic control (ECU) na may PCA9615 ay nagpapagaan ng mga alalahanin na may kaugnayan sa mga ground offset at integridad ng signal.Ang aspetong ito ay nagpapakita ng pagiging praktiko nito sa pag -aayos ng magkakaibang mga sangkap na elektronik.
Sa loob ng mga setting ng pang -industriya, pagkontrol ng mga sistema, tulad ng pag -iilaw, pag -init, at paglamig, sumali sa kawastuhan at pagiging maaasahan.Ang kakayahan ng PCA9615 upang mapanatili ang matatag na komunikasyon sa ilalim ng magkakaibang mga kondisyon ay nagdaragdag sa pang -akit nito.Ang pamamahala ng matalinong gusali ay sumasalamin sa kahalagahan ng pare -pareho, maaasahang paghahatid ng data upang matiyak ang kahusayan ng enerhiya at pagiging epektibo sa pagpapatakbo.Dito, inilalarawan ng PCA9615 ang papel nito sa pag -orkestra ng walang putol na kontrol.
Ang Long-Distance I2C na komunikasyon at mga system na may maraming mga suplay ng kuryente ay nagpapakilala ng mga natatanging hamon, higit sa lahat dahil sa mga kilalang offset ng lupa.Ang PCA9615 ay nagbibilang sa mga isyung ito sa pamamagitan ng paggamit ng kaugalian signaling, pag -iingat ng integridad ng data sa mga pinalawak na distansya.Ang diskarte na ito ay maihahambing sa mga kasanayan sa pamamahala ng data center, kung saan ang pagpapanatili ng kalidad ng signal sa mahabang mga kahabaan ng cable ay kapaki -pakinabang para sa pagiging maaasahan ng network.Ang pamamaraan ay nagpapatibay ng koneksyon, tinitiyak ang matatag na komunikasyon sa hinihingi na mga kapaligiran.



Ang NXP Semiconductors N.V., isang kilalang puwersa sa mga ligtas na solusyon sa koneksyon na na -customize para sa mga naka -embed na aplikasyon, ay patuloy na nagmamaneho ng pagbabago sa iba't ibang mga sektor kabilang ang mga merkado ng automotiko, pang -industriya at IoT, mobile, at komunikasyon.Ang kanilang walang humpay na ambisyon ay upang lumikha ng mas matalinong, mas ligtas, at mas mahusay na konektado na mga solusyon.
Ang mga pagsulong ng NXP sa sektor ng automotiko ay malaki ang nakatayo.Ang kanilang sopistikadong microcontroller at processors ay makabuluhang pinalakas ang kaligtasan ng sasakyan, pinabuting mga sistema ng infotainment, at mga advanced na autonomous na kakayahan sa pagmamaneho.Ang pagsasama ng mga teknolohiyang mataas na antas na ito ay nagpayaman sa karanasan sa pagmamaneho habang tinitiyak ang kaligtasan at kahusayan ng sasakyan.Ang mga nangungunang tagagawa ng kotse na isinasama ang kanilang mga solusyon ay nagtatampok ng drive upang matugunan ang mga modernong kahilingan sa transportasyon.
Sa mga pang -industriya at IoT dominions, ang mga solusyon ng NXP ay nag -uudyok ng mga pangunahing pagbabago sa automation ng pabrika, matalinong pagsukat, at mga sensor ng sensor.Ang kanilang mga produkto ay naglalayong ma-optimize ang pagganap at pagiging maaasahan, pabago-bago sa mga setting ng pang-industriya na may mataas na stress.Ang patuloy na pagpipino at pagpapatupad ng kanilang mga solusyon sa IoT ay nagtataguyod ng magkakaugnay na ekosistema na nagtataguyod ng maayos na pagpapalitan ng data, epektibong pamamahala ng mapagkukunan, at higit na mahusay na kontrol sa pagpapatakbo.
Ang pagkakaroon ng NXP sa mobile market ay makabuluhang nagpapabuti sa privacy, sinisiguro ang mga mekanismo ng pagbabayad, at pinadali ang mga pakikipag -ugnay na walang contact.Pag-agaw malapit sa teknolohiya ng Field Communication (NFC), binago nila ang mga pakikipag-ugnay sa aparato ng consumer, na naghahatid ng mas mabilis at mas ligtas na mga transaksyon.Ang patuloy na mga makabagong ideya sa globo na ito ay nakatuon sa pagpapalakas ng seguridad ng data habang pinalakas ang kaginhawaan ng gumagamit sa gitna ng isang lumalagong digital na tanawin.
Sa imprastraktura ng komunikasyon, ang mga solusyon at processors ng NXP ay kinakailangan sa pagsulong ng mga kakayahan sa network.Ang mga kontribusyon na ito ay nagbibigay -daan sa pagbuo ng mas mahusay at maaasahang mga sistema ng komunikasyon, pangunahing para sa pagpapalawak ng pandaigdigang pagkakakonekta.Sa pamamagitan ng pagpapahusay ng kahusayan sa network at scalability, ang NXP ay sumasailalim sa imprastraktura na kinakailangan para sa pagsulong ng mga modernong diskarte sa komunikasyon tulad ng 5G.
Naghahain ang PCA9615 upang huwag paganahin ang buffer ng bus, nagpapatunay na nakatulong sa paghahanap ng kasalanan, pagkakasunud-sunod ng power-up, at paghihiwalay ng segment sa mga malalaking sistema ng bus.Sa pamamagitan ng pagtulong sa paghahanap ng kasalanan at paghihiwalay ng segment, pinapahusay nito ang muling pagsasaayos at nagbibigay -daan para sa mga tiyak na seksyon na hindi aktibo kung hindi palaging kinakailangan.Sa mga setting kung saan ang kahusayan sa pagpapatakbo ay nangunguna, ang PCA9615 ay nagpapadali sa estratehikong pamamahala ng mga mapagkukunan ng system.Pansamantalang hindi pinapagana ang hindi nagamit na mga segment ng bus na -optimize ang pagganap ng pangkalahatang system.Sa mga kumplikadong pang-industriya na kapaligiran kung saan kinakailangan ang patuloy na operasyon at minimal na downtime, ang papel ng PCA9615 ay kinakailangan para sa mga malalaking halaman ng pagmamanupaktura, ang paghiwalayin ang mga segment ng bus para sa pagpapanatili nang hindi ihinto ang buong sistema ay nagdaragdag ng pagiging produktibo at binabawasan ang mga panganib.Ang dinamikong muling pagsasaayos ng mga segment ng bus ay lumilikha ng isang mas umaangkop at nababanat na imprastraktura.Tungkol sa pagkakasunud-sunod ng power-up, tinitiyak ng PCA9615 ang kinokontrol na pag-activate ng iba't ibang mga bahagi ng sistema ng bus.Ang pamamaraang ito ay nagtataguyod ng katatagan at pinipigilan ang mga potensyal na pagsisimula ng labis na pag-aalaga sa mga kapaligiran ng data ng high-density, tulad ng mga sentro ng data, tinitiyak nito ang pag-activate ng sangkap na naka-synchronize, pag-iwas sa mga bottlenecks at tinitiyak ang maayos na pagsisimula.
Mangyaring magpadala ng isang pagtatanong, tutugon kami kaagad.
sa 2024/10/14
sa 2024/10/14
sa 8000/04/17 147711
sa 2000/04/17 111658
sa 1600/04/17 111314
sa 0400/04/17 83579
sa 1970/01/1 79218
sa 1970/01/1 66746
sa 1970/01/1 62925
sa 1970/01/1 62793
sa 1970/01/1 54020
sa 1970/01/1 51937