
Ang MPC8245LZU300D Mula sa NXP USA Inc. ay isang mataas na pagganap na integrated processor batay sa core ng PowerPC 603E, na-optimize para sa mga naka-embed na aplikasyon na nangangailangan ng mahusay na gastos, puwang, at pamamahala ng kuryente.Ang variant na ito ay nagpapatakbo sa isang pangunahing bilis ng 300 MHz at sumusuporta sa hanggang sa 2 GB ng SDRAM, na ginagawang angkop para sa hinihingi na mga aplikasyon.Nagtatampok ito ng isang 32-bit na interface ng PCI na may kakayahang 66 MHz, pinapahusay ang pagiging tugma nito sa iba't ibang mga peripheral ng PCI.Kasama sa mga pinagsamang pag-andar ang dalawahang unibersal na asynchronous receiver-transmitters (DUARTS), isang I²C controller, at isang dalawang-channel na DMA controller, bukod sa iba pa, na nag-aambag sa kakayahang magamit nito sa paghawak ng mga kumplikadong gawain sa pagproseso nang mahusay.Naka-package sa isang 352-ball tape ball grid array (TBGA) na pagsasaayos, ang MPC8245LZU300D ay nagsisiguro ng isang compact na bakas ng paa na may matatag na pagganap sa mga temperatura na mula sa 0 ° C hanggang 105 ° C.
Kung naghahanap ka upang maglagay ng isang bulk order para sa MPC8245LZU300D, isaalang -alang ang pagbili mula sa amin.Tiyakin naming makakakuha ka ng pinakamahusay na pakikitungo at maaaring ganap na magamit ang malakas na processor na ito para sa iyong paparating na mga proyekto.
SuperScalar Architecture:Pinapagana ang processor na magsagawa ng maraming mga tagubilin sa bawat cycle ng orasan, pagpapalakas ng kahusayan at bilis ng core.
Pinagsamang cache:Nagtatampok ng 16 kb ng pagtuturo ng cache at 16 kb ng data cache, na maaaring bahagyang o ganap na naka -lock.Makakatulong ito sa pag -minimize ng oras na kinuha upang ma -access ang madalas na ginamit na data, pagpabilis sa pagproseso.
Dynamic Power Management:May kasamang mga mode ng pamamahala ng kuryente tulad ng nap, doze, at pagtulog, na makakatulong na mabawasan ang pagkonsumo ng kuryente batay sa mga kahilingan sa pagpapatakbo ng processor.
Suporta ng SDRAM:Maaaring hawakan hanggang sa 2 GB ng SDRAM sa isang 32- o 64-bit na data bus.Sinusuportahan nito ang maraming mga pagsasaayos, akomodasyon ng iba't ibang laki at uri ng mga bangko ng memorya.
Pagwawasto ng error:Gumagamit ng mga mekanismo tulad ng pagsulat ng buffering para sa mga pag-access sa PCI at processor, na may suporta para sa mga diskarte sa integridad ng data tulad ng Parity, Read-Modify-Write Operations, o ECC (Error-Correcting Code).
Maraming nalalaman ROM at I/O interface:Sinusuportahan ang iba't ibang uri ng memorya ng ROM at flash at nag-aalok ng maraming mga pangkalahatang-layunin na I/O port, na ginagawang madaling iakma sa iba't ibang mga arkitektura ng system.
32-bit PCI Bus:Nagpapatakbo sa bilis ng hanggang sa 66 MHz at sumusunod sa mga pamantayan ng PCI 2.2.May kakayahang makipag-ugnay sa isang hanay ng mga peripheral ng PCI salamat sa pagpapahintulot sa 5.0-v.
Dual-Channel Support:Nagtatampok ng isang two-channel DMA controller na sumusuporta sa mga direktang at chaining mode, na maaaring awtomatiko at mai-link ang mga paglilipat ng data para sa mas mahusay na paghawak ng data.
Kakayahang kumikislap:Pinapadali ang mga operasyon na nagsasangkot sa pagbabasa mula sa o pagsulat sa mga hindi magkakasamang mga seksyon ng memorya, na nilagyan ng isang paglipat ng pila at maraming mga pagpipilian na makagambala upang mabisa ang mga paglilipat ng data nang epektibo.
Mga interface ng komunikasyon:May kasamang dalawang uarts para sa serial na komunikasyon at isang I²C controller na sumusuporta sa parehong mga mode ng master at alipin, na nagpapahintulot sa iba't ibang mga pangangailangan sa komunikasyon.
Programmable makagambala controller:Nagbibigay ng matatag na pamamahala ng hardware at serial interrupts, pagpapabuti ng pagtugon at kontrol ng system.
Mga timer at henerasyon ng orasan:Isinasama ang apat na maaaring ma-program na mga timer at built-in na mga mekanismo para sa pagbuo ng mga orasan para sa PCI bus at SDRAM, tinitiyak ang tumpak na tiyempo at pag-synchronise sa iba't ibang mga sangkap ng system.

Ang MPC8245LZU300D block diagram Ipinapakita kung paano nakikipag -ugnay ang processor at peripheral.Mayroon itong dalawang pangunahing seksyon: ang Processor core block At ang Peripheral logic block.Ang processor core block ay humahawak ng mga pagkalkula.Kasama dito ang Unit ng pagproseso ng sangay (BPU), Integer Unit (IU), Floating-Point Unit (FPU), at Load/Store Unit (LSU).Ang mga tagubilin ay nakuha, naproseso, at mahusay na naisakatuparan sa tulong ng 16-kbyte data at pagtuturo cache.Ang Mga Yunit ng Pamamahala ng Memorya (MMUS) Pamahalaan ang pag -access sa memorya.Ang Peripheral logic block Ikinonekta ang processor sa mga panlabas na aparato.Kasama dito ang a DMA Controller Para sa mabilis na paglilipat ng memorya, an I²C Controller para sa komunikasyon, at a Yunit ng mensahe Para sa mga operasyon ng input/output.Ang Interface ng bus ng PCI Sinusuportahan ang isang 32-bit na koneksyon sa PCI para sa pagpapalawak.A Memory Controller humahawak ng memorya ng system, kabilang ang SDRAM Mga orasan ng pag -synchronise.Para sa control ng system, mayroon itong isang Ang pic ay makagambala sa controller na namamahala sa mga nakakagambala mula sa iba't ibang mga mapagkukunan.Ang Data path ECC Controller Tinitiyak ang integridad ng data, pagsuporta sa 32-bit o 64-bit na mga bus ng data na may pagkakapare-pareho o ECC (Error-Correcting Code).Mga signal ng orasan tulad ng OSC_IN at PCI_SYNC_IN Panatilihin ang lahat na naka -synchronize para sa maayos na operasyon.

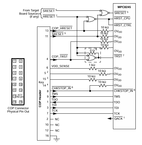
Ang Diagram ng Konektor ng COP Para sa MPC8245LZU300D ay nagpapakita ng pag -debug at pag -reset ng interface na ginamit para sa pagsubok at pag -aayos ng processor.Ang 16-pin cop header Ikinonekta ang processor sa panlabas JTAG/COP Mga tool sa pag -debug.Kasama sa mga pangunahing signal Sreset, Hreset, at Cop_hreset, kung aling control system ang nag -reset.Ang Hrst_ctrl Ang pag -input ay tumutulong sa pag -coordinate ng mga pag -reset gamit ang mga logic gate.Ang Cop_trst I -reset ang Jtag Logic ng Pagsubok.Ang mga signal ng JTAG: TMS, TDO, Tdi, at Tck ay ginagamit para sa hangganan ng pag-scan at pag-debug ng in-circuit.Ang Chkstop_in Kinokontrol ng signal ang processor na orasan sa panahon ng pag -debug, habang Vdd_sense Mga Boltahe ng Sistema ng Sistema.Ang mga pull-up at pull-down resistors (10 kΩ, 1 kΩ) ay tumutulong na magpapatatag ng mga signal.Ang Qack Tumutulong ang signal sa pag -debug ng koordinasyon.Ang COP Connector Sinusunod ang karaniwang jtag pinout, na ginagawang madali upang kumonekta sa mga tool sa pag -debug.
|
I -type |
Parameter |
|
Tagagawa |
NXP USA Inc. |
|
Serye |
MPC82XX |
|
Packaging |
Tray |
|
Bahagi ng Bahagi |
Lipas na |
|
Pangunahing processor |
PowerPC 603e |
|
Bilang ng mga cores/lapad ng bus |
1 core, 32-bit |
|
Bilis |
300MHz |
|
Ram Controller |
SDRAM |
|
Graphics Acceleration |
Hindi |
|
Boltahe - I/O. |
3.3v |
|
Temperatura ng pagpapatakbo |
0 ° C ~ 105 ° C (TA) |
|
Uri ng pag -mount |
Surface Mount |
|
Package / Kaso |
352-lbga |
|
Package ng aparato ng supplier |
352-TBGA (35x35) |
|
Karagdagang mga interface |
I2C, I²O, PCI, UART |
|
Base Number Product |
MPC82 |
Kagamitan sa Networking
Ang MPC8245LZU300D ay perpektong angkop para sa mga aparato sa networking tulad ng mga router, switch, at mga card ng interface ng network.Ang matatag na interface ng PCI at pinagsama-samang mga peripheral ng komunikasyon ay nagbibigay-daan sa mga paglilipat ng data ng high-speed at mahusay na pamamahala ng maraming mga protocol ng komunikasyon.Ang kakayahang ito ay nagpapabuti sa pagganap at pagiging maaasahan ng mga operasyon sa network.
Pang -industriya na Pag -aautomat
Sa pang -industriya na automation, ang processor na ito ay gumaganap ng isang papel sa mga sistema ng kapangyarihan tulad ng mga programmable logic controller (PLC), mga interface ng makina (HMIs), at iba pang makinarya ng automation.Ang kakayahan ng processor na hawakan ang mga gawain ng kontrol at pagsubaybay ay ginagawang isang mahalagang sangkap sa mga modernong setting ng pang -industriya, tinitiyak ang tumpak at mahusay na pamamahala ng proseso.
Mga solusyon sa imbakan
Ang advanced na interface ng memorya at mga kakayahan ng DMA ng MPC8245LZU300D ay ginagawa itong isang mahusay na pagpipilian para sa mga aplikasyon na may kaugnayan sa imbakan, kabilang ang mga Controller ng RAID at mga network ng lugar ng imbakan (SANS).Ito ay higit sa pamamahala ng pag-access ng data ng high-speed at mahusay na pamamahala ng imbakan, na mahusay sa mga kapaligiran kung saan ang integridad ng data at mabilis na pag-access ay mga prayoridad.
Telecommunication
Ang microprocessor na ito ay angkop para magamit sa kagamitan sa telecommunication, tulad ng mga istasyon ng base at mga gateway.Ang kakayahang mahusay na hawakan ang maraming mga stream ng data at suportahan ang iba't ibang mga protocol ng komunikasyon ay tumutulong sa pagpapabuti ng pangkalahatang pag -andar at pagiging maaasahan ng imprastraktura ng telecommunication.
Mga naka -embed na system
Ang maraming nalalaman na mga kakayahan sa pagsasama ng MPC8245LZU300D ay ginagawang isang punong kandidato para sa mga naka -embed na system na matatagpuan sa mga automotive electronics, electronics, at mga aparatong medikal.Ang hanay ng mga integrated peripheral at interface ay nagbibigay-daan para sa disenyo ng dalubhasang, mataas na pagganap na naka-embed na mga solusyon na pinasadya upang matugunan ang mga tiyak na pangangailangan ng mga industriya na ito.
Pinagsamang disenyo ng system-on-chip (SOC)
Ang MPC8245LZU300D ay pinagsasama ang processor core, mga controller ng memorya, at peripheral sa isang solong chip.Ang diskarte sa SOC na ito ay pinapadali ang arkitektura ng system, pinaliit ang pangangailangan para sa mga panlabas na sangkap, at maaaring humantong sa mga pagbawas ng gastos sa parehong mga phase ng pag -unlad at paggawa.
Pagproseso ng mataas na pagganap
Ang processor ay nagpapatakbo sa dalas ng 300 MHz at gumagamit ng isang arkitektura ng superscalar, na nagbibigay -daan sa pagpapatupad nito ng maraming mga tagubilin sa bawat ikot ng orasan.Ang kakayahan sa pagproseso ng mataas na pagganap na ito ay nagsisiguro ng mahusay na operasyon at higit na mataas sa mga processors na hindi sumusuporta sa naturang pagkakatulad, na ginagawang perpekto para sa hinihingi na mga aplikasyon.
Maraming nalalaman suporta sa memorya
Sinusuportahan ng processor na ito ang hanggang sa 2 GB ng SDRAM at nagtatampok ng isang advanced na interface ng memorya na kasama ang pagwawasto ng error at maraming nalalaman na mga interface ng ROM at I/O.Ang antas ng suporta ng memorya ay nagbibigay ng kakayahang umangkop, na nagpapahintulot sa system na ipasadya ang pagsasaayos ng memorya upang matugunan ang mga tiyak na pangangailangan ng aplikasyon, isang kalamangan sa higit na mahigpit na mga sistema.
Komprehensibong pagsasama ng peripheral
Ang MPC8245LZU300D ay nagsasama ng mga integrated interface ng komunikasyon tulad ng UARTS at isang I²C controller, pati na rin ang mga programmable timer at matakpan ang mga controller.Ang malawak na pagsasama ng peripheral na ito ay binabawasan ang pangangailangan para sa karagdagang mga panlabas na sangkap, pinasimple ang pangkalahatang disenyo at pagpapabuti ng pagiging maaasahan ng system sa pamamagitan ng pagbawas ng mga potensyal na punto ng pagkabigo.
Mababang pagkonsumo ng kuryente
Nagtatampok ng mga dynamic na pamamahala ng kuryente na may mga mode tulad ng NAP, Doze, at Sleep, maaaring ma -optimize ng processor ang paggamit ng kuryente batay sa kasalukuyang mga kahilingan sa workload.Ang kakayahang ito ay ginagamit sa mga aplikasyon kung saan kinakailangan ang kahusayan ng kuryente, na nagbibigay ng isang gilid sa iba pang mga processors na kulang sa detalyadong kontrol ng kuryente.
|
Parameter |
Dimensyon (mm) |
|
Package Outline |
35 mm × 35 mm |
|
Mga Interconnect |
352 |
|
Pitch |
1.27 mm |
|
Mga bola ng panghinang |
ZU (TBGA Package) —62 SN/36 PB/2 AG;VV (bersyon ng lead-free
ng package) —95.5 Sn/4.0 ag/0.5 cu |
|
Diameter ng Ball ng Solder |
0.75 mm |
|
Pinakamataas na taas ng module |
1.65 mm |
|
Pagtutukoy ng Co-Planarity |
0.15 mm |
|
Pinakamataas na puwersa |
6.0 lbs.Kabuuan, pantay na ipinamamahagi sa package (8
gramo/bola) |

Ang MPC8245LZU300D microprocessor ay isang produkto ng NXP USA INC., isang subsidiary ng NXP semiconductors.Ang NXP Semiconductors, na lumitaw mula sa Philips Semiconductors, ay mayroong operasyon ng Estados Unidos na headquarter sa Austin, Texas.Ang processor na ito, na bahagi ng kanilang mas malawak na portfolio, ay nagsasama ng mga teknolohiya na na -optimize para sa pagganap at mababang pagkonsumo ng kuryente, na ginagawang angkop para sa iba't ibang mga naka -embed na aplikasyon.Bagaman ang MPC8245LZU300D ay minarkahan bilang hindi na ginagamit, ang NXP USA Inc. ay patuloy na sumusuporta sa mga produktong pamana nito habang itinutulak ang mga hangganan sa mga lugar tulad ng automotive, pang -industriya, at IoT sa pamamagitan ng mga bagong solusyon sa semiconductor.
The MPC8245LZU300D is a strong and reliable processor built for demanding applications.With its fast processing, built-in communication features, and smart power-saving modes, it helps systems run smoothly and efficiently.Even though it is now obsolete, it is still useful in many networking, industrial, and telecom projects.Its ability to handle multiple tasks while saving power makes it a valuable choice looking for a trusted embedded processor.
Mangyaring magpadala ng isang pagtatanong, tutugon kami kaagad.
Yes, the MPC8245LZU300D is built with a superscalar architecture, allowing it to execute multiple instructions per clock cycle.It includes a two-channel DMA controller that can manage data transfers independently of the CPU, enhancing multitasking capabilities.This makes it an excellent choice for applications and embedded systems that require parallel data processing.
The processor supports up to 2 GB of SDRAM using a 32- or 64-bit data bus.Kasama rin dito ang mga tampok ng pagwawasto ng error tulad ng pag-check ng pagkakapare-pareho at ECC (error-correct code), tinitiyak ang integridad ng data sa mga application tulad ng mga solusyon sa imbakan, kagamitan sa telecom, at pang-industriya na automation.
Oo, ang MPC8245LZU300D ay nagtatampok ng mga dynamic na pamamahala ng kuryente na may maraming mga mode (NAP, DOZE, at SLEEP) na nag -aayos ng pagkonsumo ng kuryente batay sa workload ng system.This makes it energy-efficient and suitable for battery-operated or low-power embedded systems.
Ang MPC8245LZU300D ay nagpapatakbo sa loob ng isang saklaw ng temperatura na 0 ° C hanggang 105 ° C, na ginagawang angkop para sa pang -industriya at naka -embed na mga kapaligiran na nangangailangan ng matatag na pagganap sa ilalim ng iba't ibang mga kondisyon ng thermal.
Yes, the MPC8245LZU300D is ideal for networking applications such as routers, switches, and network interface cards (NICs).Ang high-speed na interface ng PCI, integrated DMA controller, at suporta para sa mga protocol ng komunikasyon ay mahusay na angkop para sa paghawak ng mga gawain na masinsinang network ng network.
sa 2025/03/14
sa 2025/03/13
sa 8000/04/18 147757
sa 2000/04/18 111936
sa 1600/04/18 111349
sa 0400/04/18 83721
sa 1970/01/1 79508
sa 1970/01/1 66905
sa 1970/01/1 63029
sa 1970/01/1 63012
sa 1970/01/1 54081
sa 1970/01/1 52125