
Ang EPM7128SQI100-10 ay isang programmable logic device na idinisenyo upang pangasiwaan ang custom na digital control at mga gawain sa interface sa loob ng mga electronic system.Naglalaman ito ng 128 na elemento ng lohika na nagpapahintulot sa maramihang mga function ng lohika na pagsamahin sa isang bahagi, na tumutulong na pasimplehin ang mga layout ng circuit at bawasan ang bilang ng bahagi.Sinusuportahan ng device ang mabilis na pagtugon sa lohika na angkop para sa kontrol ng timing, pagruruta ng signal, at mga pagpapatakbong batay sa desisyon.Ang 100 pin surface mount package nito ay nagbibigay-daan sa pagsasama sa mga compact na disenyo ng board habang pinapanatili ang matatag na pagganap ng kuryente.Kasama sa mga karaniwang gamit ang lohika ng pandikit, kontrol ng estado, pag-decode ng address, at adaptasyon ng interface sa mga pang-industriya at naka-embed na application.Naghahanap ng EPM7128SQI100-10?Makipag-ugnayan sa amin upang suriin ang kasalukuyang stock, oras ng pag-lead, at pagpepresyo.

Ang pag-aayos ng pin ay ipinapakita para sa 84 pin PLCC package, na may mga pangalan ng signal at mga numero ng pin na ibinahagi nang pantay-pantay sa lahat ng apat na gilid ng device.Sinasakop ng mga user I O pin ang karamihan sa mga posisyon at pinagsalubungan ng mga dedikadong power, ground, at control pin upang suportahan ang matatag na operasyon.Ang mga VCC at GND pin ay inilalagay sa mga regular na pagitan upang magbigay ng pare-parehong pamamahagi ng kuryente sa buong pakete.Ang mga nakatalagang pin para sa global clock, output enable, at JTAG function ay malinaw na may label upang makilala ang mga ito mula sa pangkalahatang layunin na I O. Ang diagram ay nagpapakita ng isang standardized na layout na sumusuporta sa predictable signal routing, pinasimple na disenyo ng board, at compatibility sa mga kaugnay na MAX 7000 series na device.
Ang EPM7128SQI100-10 ay direktang sumusuporta sa logic programming habang naka-mount sa circuit board.Nagbibigay-daan ito sa mga update sa logic sa panahon ng pag-develop o pagkatapos ng pag-deploy nang hindi inaalis ang device.Nakakatulong itong bawasan ang downtime at pinapasimple ang mga rebisyon kapag kailangan ng pagsasaayos ng gawi ng system.
Nagbibigay ang device ng 128 macrocells na nagbibigay-daan sa maramihang logic function na ipatupad sa loob ng isang bahagi.Sinusuportahan ng kapasidad na ito ang control logic, mga gawain sa pag-decode, at paghawak ng interface habang binabawasan ang pangangailangan para sa mga karagdagang discrete logic device.
Ang walong panloob na bloke ng array ng logic ay nag-aayos ng mga mapagkukunan ng lohika sa isang predictable na paraan.Sinusuportahan ng istrukturang ito ang matatag na pagruruta ng signal at pare-parehong pag-uugali ng lohika sa iba't ibang kundisyon ng operating.
Sa humigit-kumulang 2500 na magagamit na logic gate, maaaring suportahan ng device ang mga state machine, timing control, at custom na digital function.Ang antas ng pagsasama na ito ay nakakatulong na pasimplehin ang mga layout ng board at pinapababa ang kabuuang bilang ng bahagi.
Sinusuportahan ng device ang hanggang 84 na input at output pin na nako-configure ng user.Nagbibigay-daan ang flexibility na ito na mag-interface sa malawak na hanay ng mga panlabas na signal, bus, at peripheral na device sa mga naka-embed na system.
Ang maximum na pagkaantala ng propagation na 10 ns ay nagbibigay-daan sa device na mabilis na tumugon sa mga pagbabago sa input.Ginagawa nitong angkop para sa mga application na nangangailangan ng predictable na timing at tumutugon na digital na kontrol.
Ang aparato ay idinisenyo upang gumana nang mapagkakatiwalaan sa isang saklaw ng pang-industriya na temperatura.Nagbibigay-daan ito sa matatag na pagganap sa mga kapaligiran kung saan inaasahan ang pagkakaiba-iba ng temperatura, gaya ng mga control system at pang-industriyang electronics.
| Katangian ng Produkto | Halaga ng Katangian |
| Manufacturer | Intel |
| Supply ng Boltahe - Panloob | 4.5V ~ 5.5V |
| Package ng Supplier ng Device | 100-PQFP (20x14) |
| Serye | MAX® 7000S |
| Uri ng Programmable | Sa System Programmable |
| Package / Case | 100-BQFP |
| Package | Tray |
| Operating Temperatura | -40°C ~ 85°C (TA) |
| Bilang ng Macrocells | 128 |
| Bilang ng Logic Elements/Blocks | 8 |
| Bilang ng I/O | 84 |
| Bilang ng Gates | 2500 |
| Uri ng Pag-mount | Ibabaw na Mount |
| Oras ng Pagkaantala tpd(1) Max | 10 ns |
| Batayang Numero ng Produkto | EPM7128 |

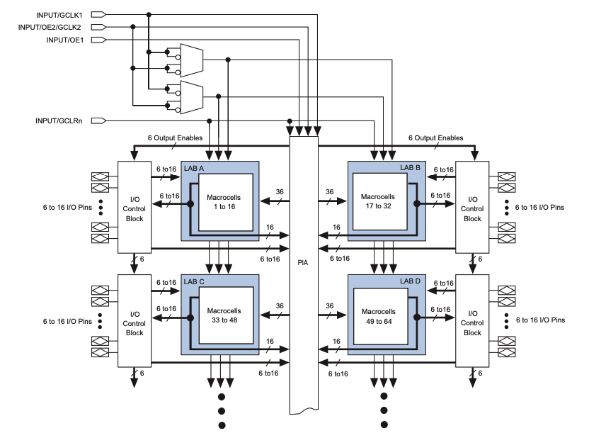
Ang panloob na arkitektura ay nakaayos sa paligid ng maramihang mga bloke ng array ng logic, bawat isa ay naglalaman ng isang tinukoy na pangkat ng mga macrocell na ginagamit upang ipatupad ang mga kumbinasyon at nakarehistrong logic function.Ang mga bloke ng logic array na ito ay magkakaugnay sa pamamagitan ng isang sentral na programmable interconnect array na nagbibigay-daan sa pagruruta ng signal sa pagitan ng mga bloke na may predictable na gawi ng timing.Ang mga nakatalagang I O control block ay pumapalibot sa logic array blocks at namamahala sa input buffering, output driving, tri state control, at feedback path sa pagitan ng mga panlabas na pin at panloob na logic.Ang mga pandaigdigang mapagkukunan, kabilang ang mga input ng orasan, mga signal na nagpapagana ng output, at isang malinaw na signal sa buong mundo, ay ipinamamahagi sa buong device upang suportahan ang kasabay na operasyon at pinag-ugnay na kontrol ng mga output.Sinasalamin ng istrukturang ito ang organisasyong ginagamit ng EPM7128SQI100-10, na nagsasama ng maramihang logic array blocks at macrocells upang suportahan ang medium density programmable logic na may deterministic na pagruruta ng signal at mga sentralisadong control path.

Ang logic sa loob ng isang macrocell ay nakaayos sa paligid ng isang product term select matrix na tumatanggap ng mga input signal mula sa programmable interconnect array at local logic expander.Pinagsama-sama ang maraming termino ng produkto upang bumuo ng kabuuan ng logic ng mga produkto, na maaaring magmaneho ng alinman sa isang kumbinasyon na output o isang programmable na rehistro.Kasama sa rehistro ang mga path ng pag-enable, clear, preset, at bypass ng orasan, na nagpapahintulot sa flexible na pagpili sa pagitan ng nakarehistro at hindi rehistradong operasyon.Ang pandaigdigang orasan at pandaigdigang malinaw na mga signal ay direktang iruruta sa macrocell upang suportahan ang kasabay na kontrol sa buong device.Ang data ng output ay ipinapasa sa I O control block o ipinadala pabalik sa interconnect array, na nagbibigay-daan sa muling paggamit ng mga resulta ng logic at mahusay na pamamahagi ng signal sa loob ng EPM7128SQI100-10.

Tinutukoy ng configuration ng pagsubok ang mga kundisyong elektrikal na ginagamit para sa mga pagsukat ng timing ng AC sa pamamagitan ng pagtukoy sa mga resistive load, capacitive loading, at mga signal path sa pagitan ng device at ng test system.Ang output ng device ay konektado sa VCC sa pamamagitan ng pull up resistor at sa ground sa pamamagitan ng tinukoy na load network na nagmomodelo ng pag-uugali ng output drive habang lumilipat.Kinakatawan ng isang kapasitor ang kabuuang kapasidad ng pagkarga, kabilang ang mga epekto ng kabit, habang sinusubaybayan ng koneksyon ng test system ang mga paglilipat ng signal.Ang mga oras ng pagtaas at pagbaba ng input ay pinipigilan sa mas mababa sa 3 ns upang matiyak ang pare-parehong mga kondisyon ng pagsukat.Sinasalamin ng setup kung paano makakaimpluwensya ang mga transient ng supply at ground current sa naobserbahang performance ng AC at nagtatatag ng mga standardized na kundisyon para sa characterization ng timing ng EPM7128SQI100-10.
Ang EPM7128SQI100-10 ay karaniwang ginagamit sa mga pang-industriyang control environment upang mahawakan ang sequencing, interlock logic, at signal coordination.Nakakatulong itong pamahalaan ang mga kundisyon ng pag-input mula sa mga sensor at switch habang bumubuo ng mga stable na control signal para sa mga actuator at control module.Ang programmable na istraktura nito ay nagbibigay-daan sa control behavior na iakma habang nagbabago ang mga kinakailangan ng system.
Sa kagamitan sa telekomunikasyon, sinusuportahan ng device ang mga control path na namamahala sa timing, pagruruta ng signal, at koordinasyon ng interface.Madalas itong ginagamit upang ayusin ang mga control signal sa pagitan ng mga processing unit at mga interface ng komunikasyon, na tumutulong na mapanatili ang maayos na daloy ng data sa loob ng switching at transmission hardware.
Inilapat ang device bilang pandikit na logic sa networking hardware upang ikonekta ang mga processor, memory device, at peripheral na bahagi.Sinusuportahan nito ang pag-decode ng address, bus arbitration, at signal alignment, na nagpapahintulot sa iba't ibang mga digital block na gumana nang magkasama sa loob ng mga compact network system.
Sa loob ng mga naka-embed na system, ang EPM7128SQI100-10 ay nagbibigay ng interface logic sa pagitan ng mga controller at external na device.Ginagamit ito para sa pag-decode ng address, pagbuo ng signal ng kontrol, at pangunahing paghawak ng protocol, na tumutulong na gawing simple ang disenyo ng system at bawasan ang bilang ng mga discrete logic na bahagi.
Ang device ay angkop na angkop para sa mga legacy na computing platform at instrumentation system na nangangailangan ng matatag na pagpapalit ng logic.Maaari nitong pagsama-samahin ang mga mas lumang discrete logic function sa iisang programmable device habang pinapanatili ang pagiging tugma sa mga kasalukuyang antas ng signal at gawi ng timing.
Ang EPM7128SQI100-10 ay ginagamit para ipatupad ang protocol bridging at state machine na namamahala sa mga structured na digital na proseso.Sinusuportahan nito ang tinukoy na mga transition ng estado at pagkakasunud-sunod ng kontrol, na ginagawa itong angkop para sa pag-coordinate ng mga gawain sa komunikasyon at kontrol sa iba't ibang mga bloke ng system.
• Sumusuporta sa mga update sa logic ng system nang hindi inaalis ang device mula sa board
• Nagbibigay ng 128 macrocell na angkop para sa medium scale control at interface logic
• Nag-aalok ng predictable timing na may maximum na pagkaantala ng propagation na 10 ns
• Gumagana sa isang saklaw ng pang-industriya na temperatura para sa matatag na pagganap sa field
• May kasamang mataas na bilang ng mga input at output pin na nako-configure ng user para sa flexible na interfacing
• Gumagana sa isang 5 V na supply na naglilimita sa pagiging tugma sa mga mas mababang sistema ng boltahe
• Ang kapasidad ng lohika ay mas mababa kumpara sa mga pinakabagong programmable logic device
• Ang paggamit ng kuryente ay mas mataas kaysa sa modernong mababang power programmable na alternatibo
• Ang laki ng package ay maaaring hindi angkop sa mga disenyong masyadong compact o limitado sa espasyo
| Numero ng Bahagi | Manufacturer | Mga Pangunahing Tampok | Gamitin ang Case/Notes |
| EPM7128SQI100-10N | Intel | 128 macrocells na may in-system programmability, 5 V internal supply range, at mabilis na 10 ns maximum propagation delay sa isang surface-mount package. | Ginagamit sa digital glue logic, control logic, at interface application na nangangailangan ng maaasahang timing at moderate logic density. |
| EPM7128SQI160-10 | Intel | Parehong 128 macrocell architecture na may 10 ns speed grade, na inaalok sa mas malaking pin-count na package para sa pinalawak na flexibility ng pagruruta. | Tamang-tama para sa mga disenyo na nangangailangan ng karagdagang I/O access o compatibility sa mga kasalukuyang layout ng board. |
| EPM7128SQI160-10N | Intel | 128 macrocells, in-system programmable CPLD na may stable na 5 V na operasyon at pinahabang temperatura na suporta. | Angkop para sa mga pang-industriya at naka-embed na system na nangangailangan ng maaasahang kontrol ng lohika sa mas malawak na hanay ng temperatura. |
Ang Intel ay isang pandaigdigang kumpanya ng teknolohiya na kilala sa pagbuo ng malawak na hanay ng digital computing at mga programmable logic solution.Ang kumpanya ay may mahabang kasaysayan ng pagsulong ng disenyo ng semiconductor para sa computing, komunikasyon, at mga naka-embed na system.Sinusuportahan ng programmable logic portfolio nito ang system control, signal management, at interface logic sa mga industriyal, networking, at naka-embed na application.Nakatuon ang Intel sa pagbibigay ng mga scalable logic platform na nagbabalanse sa performance, stability, at pangmatagalang suporta sa platform.Ang mga produkto nito ay malawakang ginagamit sa parehong mga naitatag na arkitektura ng system at umuusbong na mga digital na disenyo, na nagpapakita ng malakas na presensya sa mas malawak na electronics ecosystem.
Pinagsasama-sama ng EPM7128SQI100-10 ang logic control, timing, at interface handling sa iisang programmable device.Makakakuha ka ng isang malinaw na istraktura na may mga bloke ng array ng logic at macrocells na ginagawang predictable ang pag-uugali.Nakakatulong ang layout ng pin nito at ang flexibility ng I/O na gawing simple ang pagruruta ng board.Ang mabilis na mga oras ng pagtugon ay sumusuporta sa matatag na digital na kontrol sa maraming system.Gumagana rin nang maayos ang device kapag kailangan mong mag-update ng logic nang walang mga pagbabago sa hardware.Sa pangkalahatan, nag-aalok ito ng praktikal na paraan upang pamahalaan ang medium-scale na digital logic sa isang lugar.
Mangyaring magpadala ng isang pagtatanong, tutugon kami kaagad.
Ito ay isang CPLD na maaaring i-program upang magsagawa ng mga custom na digital logic function tulad ng control, decoding, at signal routing.
Ang device ay may kasamang 128 macrocells, na nagpapahintulot sa maraming logic function na pagsamahin sa isang chip.
Oo, sinusuportahan nito ang in-system programming, para ma-update mo ang logic habang naka-mount ang device sa board.
Ito ay nasa isang 100-pin na surface-mount package na akma nang husto sa mga compact na disenyo ng PCB.
Madalas itong ginagamit para sa control logic, glue logic, state machine, at interface handling sa mga embedded at industrial system.
sa 2026/01/6
sa 2026/01/6
sa 8000/04/18 147776
sa 2000/04/18 112018
sa 1600/04/18 111351
sa 0400/04/18 83777
sa 1970/01/1 79575
sa 1970/01/1 66964
sa 1970/01/1 63104
sa 1970/01/1 63041
sa 1970/01/1 54097
sa 1970/01/1 52189