
Ang LM393n ay nilikha bilang isang nababaluktot na dual independiyenteng low-boltahe na comparator, na angkop para sa mga senaryo na nakikinabang mula sa mga operasyon na nag-iisang suplay sa isang malawak na saklaw ng boltahe.Ang disenyo nito ay tinatanggap ang paggamit ng split supply, na nag -aalok ng isang maraming nalalaman solusyon para sa iba't ibang mga pagsasaayos ng elektrikal.Ang pag-input ng karaniwang-mode na saklaw ng boltahe ay kapansin-pansin na umaabot upang isama ang antas ng lupa, kahit na sa loob ng isang solong suplay na kapaligiran, na naglalarawan ng kakayahan nito upang umangkop sa hinihingi na mga sitwasyon ng kapangyarihan.
Sa loob ng disenyo ng istruktura nito, sinusuportahan ng LM393N ang maraming mga aplikasyon.Ang mga span na ito mula sa mga aparato na pinapagana ng baterya hanggang sa mas masalimuot na mga sistema kung saan ang katatagan ay nais sa ilalim ng pagbabago ng mga kondisyon ng kuryente.Sa aktwal na mga konteksto, maaari mong madalas na makaranas ng isang pakiramdam ng tiwala sa mga sangkap na tulad nito, na umaasa sa kanila upang mapangalagaan ang pagiging maaasahan sa mga naka -embed na system sa gitna ng hindi matatag na mga suplay ng kuryente.
Kasama sa serye ng LM393 ang LM393DR, LM393M, LM393D, LM331N, at LM393MX Mga variant, ang bawat paghahatid ng natatanging pag -andar.Natutukoy ng mga modelong ito ang mga tiyak na pangangailangan, pagpapahusay ng kahusayan ng disenyo at pagbagay sa mga hinihiling na tiyak sa proyekto.Ang pagpili ng tamang variant ay maaaring magkaroon ng isang kamangha -manghang epekto sa proseso ng pagsasama at ang pangkalahatang pagganap ng elektronikong pagsasaayos.




|
Tampok |
Pagtukoy |
|
Saklaw ng boltahe ng supply |
+2 V hanggang +36 V (single-supply) o ± 1 V hanggang ± 18 V (dalawahan
supply) |
|
Magtustos ng kasalukuyang |
0.45 mA independiyenteng ng supply boltahe (1 MW/comparator sa
+5 v) |
|
Input bias kasalukuyang |
20 na (tipikal) |
|
Input offset kasalukuyang |
± 3 na (tipikal) |
|
INPUT OFFSET boltahe |
± 1 mV (tipikal) |
|
Pag-input ng karaniwang-mode na saklaw ng boltahe |
May kasamang lupa |
|
Output saturation boltahe |
80 mv (tipikal, isink = 4 mA) |
|
Pagkakaiba -iba ng saklaw ng boltahe ng input |
Katumbas ng boltahe ng supply |
|
Pagiging tugma ng output |
TTL, DTL, ECL, MOS, katugma sa CMOS |
|
I -type |
Parameter |
|
Uri ng pag -mount |
Sa pamamagitan ng butas |
|
Package / Kaso |
8-dip (0.300, 7.62mm) |
|
Surface Mount |
Hindi |
|
Bilang ng mga elemento |
2 |
|
Temperatura ng pagpapatakbo |
0 ° C ~ 70 ° C. |
|
Packaging |
Tube |
|
Code ng JESD-609 |
E3 |
|
Bahagi ng Bahagi |
Lipas na |
|
Antas ng Sensitivity ng kahalumigmigan (MSL) |
1 (walang limitasyong) |
|
Bilang ng mga pagtatapos |
8 |
|
Code ng ECCN |
EAR99 |
|
I -type |
Pangkalahatang layunin |
|
Pagtatapos ng terminal |
Matte Tin (Sn) - Annealed |
|
Posisyon ng terminal |
Dual |
|
Temperatura ng Peak Reflow (CEL) |
Hindi tinukoy |
|
Bilang ng mga pag -andar |
2 |
|
Supply boltahe |
5v |
|
Oras@peak reflow temperatura-max (s) |
Hindi tinukoy |
|
BASE PART NUMBER |
LM393 |
|
Bilangin ng pin |
8 |
|
JESD-30 code |
R-PDIP-T8 |
|
Katayuan ng kwalipikasyon |
Hindi kwalipikado |
|
Uri ng output |
CMOS, DTL, ECL, MOS, Open-Collector, TTL |
|
Mga suplay ng kuryente |
5v |
|
Oras ng pagtugon |
1300 ns |
|
Boltahe - Supply, Single/Dual (±) |
2V ~ 36V ± 1V ~ 18V |
|
Average na bias kasalukuyang-max (IIB) |
0.4μa |
|
Supply Voltage Limit-max |
36V |
|
Kasalukuyang - quiescent (max) |
2.5ma |
|
Boltahe - Input Offset (MAX) |
5MV @ 30V |
|
Kasalukuyang - Input Bias (MAX) |
0.25μA @ 5V |
|
Kasalukuyang - Output (typ) |
18MA @ 5V |
|
Taas na nakaupo (max) |
5.33mm |
|
Katayuan ng ROHS |
Sumunod ang ROHS3 |

Ang LM393N Comparator ay nakatayo bilang isang kumplikado at mahusay na sangkap na nagtatrabaho sa iba't ibang mga praktikal na larangan, partikular na kahusayan sa mga kapaligiran na nailalarawan sa mga hinihingi ng mga sistemang pinapagana ng baterya at pang-industriya.
Ang diskarte ng LM393N sa pagkonsumo ng enerhiya at kawastuhan ay maganda ang mga aparato na pinatatakbo ng baterya.Sa mundo ng portable electronics, ang pagkamit ng isang maselan na pagkakaisa sa pagitan ng kahusayan ng enerhiya at pagganap ay maaaring malalim na maimpluwensyahan ang iyong kasiyahan at apela sa aparato.Ang LM393N ay nangunguna sa pamamagitan ng pagbibigay ng tumpak na mga paghahambing ng boltahe na may kaunting kanal ng enerhiya, sa gayon ay nagpapalawak ng kahabaan ng baterya.Maaari mong madalas na mag -tap sa mga kakayahan nito upang magdisenyo ng mga circuit na maingat na subaybayan ang katayuan ng baterya, na nag -uudyok sa napapanahong mga recharge at pag -iingat laban sa labis na pag -ubos.Ang pangunahing papel na ito ay sumasailalim sa matatag na pagiging maaasahan ng aparato sa mga matagal na panahon ng paggamit.
Sa loob ng pang -industriya na tanawin, ang LM393N ay pinahahalagahan para sa katatagan at pare -pareho na pagganap, na ginagamit para sa pagpapanatili ng mga operasyon sa gitna ng hinihingi na mga kondisyon.Ang pagsasama nito sa mga awtomatikong sistema ay tumutulong sa pagproseso ng signal at nagpapahusay ng mga pag-andar sa paggawa ng desisyon.Halimbawa, sa mga sistema ng kontrol sa temperatura, ang LM393N ay masigasig na naghahambing sa mga pagbabasa ng temperatura upang magtakda ng mga benchmark, nag -trigger ng mga proseso ng kontrol upang mapanatili ang nais na mga kondisyon sa kapaligiran.Ang kapasidad nito na gumanap nang palagi sa iba't ibang mga pangyayari sa kapaligiran ay nagsisiguro ng katatagan at kahusayan sa pagpapatakbo sa mga awtomatikong frameworks.Ang aktwal na mga aplikasyon ay binibigyang diin ang kahalagahan ng mga maaasahang sangkap tulad ng LM393N sa pagsuporta sa pagpapatuloy ng sistemang pang -industriya.


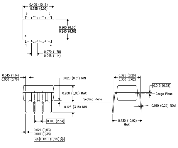
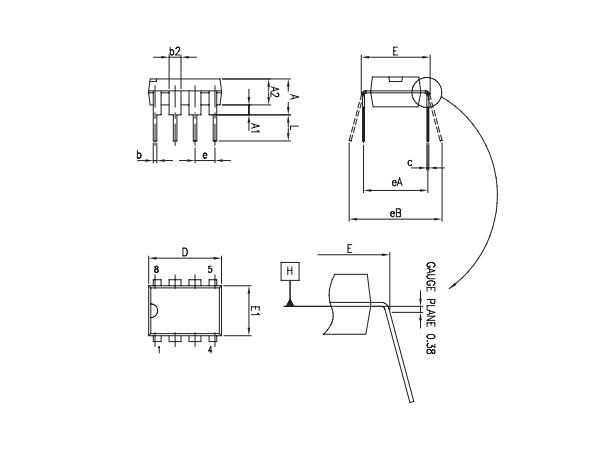
Mekanikal na data


Ang Stmicroelectronics ay nakatayo sa mundo ng mga semiconductors sa pamamagitan ng pagpapayunir ng isang magkakaibang hanay ng mga sopistikadong solusyon na pinasadya para sa iba't ibang mga aplikasyon ng microelectronics.Ang kumpanya ay higit sa mga teknolohiya ng Silicon, at ang malawak na mga kasanayan sa pagmamanupaktura ay ginagawang pinuno sa pagbabago ng system-on-chip, isang domain na nakikipag-ugnay sa mga modernong pagsulong sa teknolohiya.Ang pagguhit mula sa isang malawak na imbakan ng intelektwal na pag -aari, ang Stmicroelectronics ay nagtataguyod ng mga madiskarteng pakikipagsosyo, pagpapahusay ng bakas ng paa nito sa merkado.
Ang malalim na kaalaman ng Stmicroelectronics 'ng mga teknolohiyang silikon ay nagsisilbing pangunahing bahagi ng disenyo at kagalingan ng pagmamanupaktura nito.Ang batayan na ito ay sumusuporta sa pag-unlad ng mga high-efficiency chips, na matugunan ang mga mapaghamong mga parameter ng magkakaibang mga aplikasyon.Pinapayagan ng kadalubhasaan sa silikon para sa paglikha ng mga elektronikong consumer na nag-aalok ng pagiging maaasahan at kahusayan ng enerhiya, sa gayon hinihikayat ang pag-ampon ng mga kontemporaryong aparato na nagbabago sa mga pang-araw-araw na karanasan.
LM193, isang LM293, A-LM393, a.pdf
Mangyaring magpadala ng isang pagtatanong, tutugon kami kaagad.
Ang LM393N at LM393P ay nagpapakita ng pare -pareho na pagganap sa buong mga aplikasyon.Ang pangunahing pagkakaiba ay namamalagi sa kanilang packaging: ang LM393N ay naka-encode sa isang dalawahang in-line na format na plastik, habang ang LM393P ay dumating sa isang solong in-line package.Ang desisyon ng packaging ay maaaring makaapekto sa mga pagsasaalang -alang sa spatial at disenyo, na nakakaimpluwensya sa mga pagpipilian sa aplikasyon.
Higit pa sa packaging, ang kanilang mga pagkakaiba ay minimal dahil pareho ang nangangailangan ng isang DIP-8 package.Ang pagpili ay madalas na nakasalalay sa mga tiyak na pangangailangan ng aplikasyon, kung saan ang packaging ay nagiging isang kapansin -pansin na determinant.
Ang LM393N ay nagpapatakbo bilang isang dual-boltahe na paghahambing.Kapag ang (-) input ay nasa 2.5V, ang output ay nananatiling mababa kung ang (+) input ay nasa ibaba 2.5V ngunit sa itaas ng 2mV.Mananatili itong mababa kapag ang (+) input ay higit sa 2mV na mas mababa kaysa sa (-) input.Kung ang (+) input ay lumampas sa (-) ng higit sa 2mV, ang output ay mataas.Ang mekanismong ito ay madalas na ginagamit sa mga senaryo na nangangailangan ng tumpak na paghahambing ng boltahe, na sumasalamin sa eksaktong katangian ng elektronikong disenyo.
Ang merkado ng LM393N ay kamakailan lamang ay nagpapanatili ng matatag na pagpepresyo, na pinalakas ng maraming imbentaryo at patuloy na mga transaksyon.Nagbibigay ang mga supplier ng pare -pareho na quote, nag -sign ng isang matatag na pagkakaroon ng merkado.Ang pag -unawa sa mga trend na ito ay tumutulong sa paggawa ng mga epektibong diskarte sa pagkuha.
Ang LM193, LM293, at LM2903 ay tumayo bilang mabubuhay na kapalit para sa LM393N.Nagpapatakbo sila bilang dual-boltahe na paghahambing ng IC at maaaring isama nang walang kapansin-pansin na mga pagbabago sa disenyo ng system.Ang mga kahaliling ito ay nag -aalok ng kakayahang umangkop sa disenyo habang pinapanatili ang mga pamantayan sa pagganap, na sumasalamin sa isang pag -unawa sa eksaktong mga hinihingi ng pagpili ng sangkap.
sa 2024/11/8
sa 2024/11/8
sa 8000/04/18 147757
sa 2000/04/18 111935
sa 1600/04/18 111349
sa 0400/04/18 83719
sa 1970/01/1 79508
sa 1970/01/1 66904
sa 1970/01/1 63028
sa 1970/01/1 63012
sa 1970/01/1 54081
sa 1970/01/1 52122