
Ang LM339N ay isang maraming nalalaman quad boltahe comparator, mainam para sa parehong solong at dalawahan na operasyon ng supply, na umaangkop nang walang kahirap -hirap sa isang malawak na pagkakaiba -iba ng boltahe mula sa 2V hanggang 36V.Tinitiyak ito sa pamamagitan ng pagpapanatili ng VCC sa isang antas na 1.5V sa itaas ng boltahe ng karaniwang mode na input.Ang kakayahang pamahalaan ang pagkonsumo ng kuryente nang mahusay sa magkakaibang mga boltahe ng supply ay nagpapaganda ng apela nito.Bukod dito, ang mga open-collector output ay nagbibigay-daan sa mga wired-at koneksyon, na nagpapalawak ng saklaw ng mga potensyal na aplikasyon nang malaki.
Ang pagtutukoy ng disenyo ay ginagawang natatanging naaangkop ang LM339N para sa mga aplikasyon ng solong at dalawahan, na nagbibigay ng kakayahang umangkop sa iba't ibang mga setting.Sa mga sistema ng regulasyon kung saan ang katatagan at katumpakan ay lubos na pinahahalagahan, tulad ng pang -industriya na automation o telecommunication, ang mga comparator ng boltahe tulad ng LM339N ay naghahain ng isang mahalagang function.Ang mga domain na ito ay nakikinabang mula sa kakayahan ng sangkap na hawakan ang malaking pagbabago ng boltahe nang hindi nawawala ang katatagan.Sa mga senaryo na pinauna ang katatagan ng mga sistema, ang matatag na pagkonsumo ng kapangyarihan ng LM339N ay nagsisiguro na hindi matitinag ang pagganap sa gitna ng pagbabagu -bago ng boltahe.

|
Pin Hindi. |
Pangalan ng pin |
Paglalarawan |
|
1 |
1out |
Output pin ng paghahambing 1 |
|
2 |
2out |
Output pin ng paghahambing 2 |
|
3 |
VCC |
Supply pin |
|
4 |
2in- |
Negatibong input pin ng paghahambing 2 |
|
5 |
2in+ |
Positibong input pin ng paghahambing 2 |
|
6 |
1in- |
Negatibong input pin ng paghahambing 1 |
|
7 |
1in+ |
Positibong input pin ng paghahambing 1 |
|
8 |
3in- |
Negatibong input pin ng paghahambing 3 |
|
9 |
3in+ |
Positibong input pin ng paghahambing 3 |
|
10 |
4in- |
Negatibong input pin ng paghahambing 4 |
|
11 |
4in+ |
Positibong input pin ng paghahambing 4 |
|
12 |
Gnd |
Lupa |
|
13 |
4out |
Output pin ng paghahambing 4 |
|
14 |
3out |
Output pin ng paghahambing 3 |

Simbolo ng LM339N

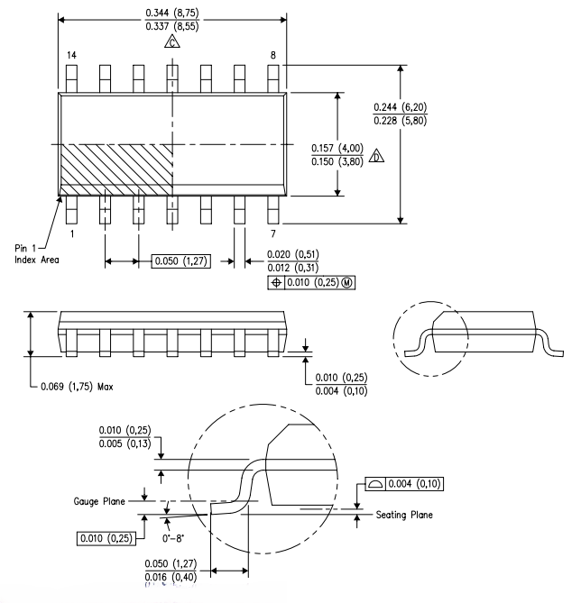
LM339N Footprint

LM339N CAD Model
At Malawak na saklaw ng supply ng kuryente: Sinusuportahan ang 2V - 36V (solong supply) at 1V - 118V (dalawahang supply), na ginagawang naaangkop ito sa magkakaibang mga disenyo ng circuit.
At Mataas na katumpakan: Nagtatampok ng isang mababang tipikal na boltahe ng offset ng 2MV, mainam para sa mga aplikasyon ng mataas na katumpakan tulad ng mga sensitibong sistema ng pagsukat.
At Mababang pagkonsumo ng kuryente: Nagpapatakbo ng isang supply kasalukuyang ng 1.1mA, na angkop para sa mga aparato na pinatatakbo at mahusay na enerhiya.
At Minimal na bias kasalukuyang mga error: Input bias kasalukuyang ng 25NA at offset kasalukuyang ng ± 5NA bawasan ang error sa mga circuit circuit.
At Mataas na paghawak ng boltahe ng pag -input: Pinamamahalaan ang mga karaniwang mode at pagkakaiba-iba ng mga boltahe ng input hanggang sa boltahe ng supply, tinitiyak ang katatagan laban sa pagbabagu-bago ng pag-input.
At Pagiging tugma ng logic circuit: Gumagana sa TTL, DTL, ECL, MOS, at CMOS, pinasimple ang pagsasama sa mga digital system at binabawasan ang pangangailangan para sa mga labis na sangkap.
|
I -type |
Parameter |
|
Static kasalukuyang bawat channel max.(MA) |
0.5 |
|
Output kasalukuyang min.(MA) |
6 |
|
Oras ng pagtugon (mababa hanggang mataas) (µs) |
0.3 |
|
Minimum na boltahe ng operating (v) |
2 |
|
Maximum na boltahe ng operating (v) |
30 |
|
Karaniwan-mode na saklaw ng boltahe ng input (VICR) min.(V) |
- |
|
Karaniwan-mode na saklaw ng boltahe ng input (VICR) max.(V) |
3.5 |
|
Buong sukat |
Hindi |
|
Bilang ng mga channel |
4
|
|
Package/temperatura (° C) |
PDIP-14 /0 ~ 70 |

At LM239N
At LM2901N
At LM339M/NOPB
Ang LM339N ay isang pundasyon sa pang -industriya na automation at control system.Ang pangunahing papel nito ay upang ihambing ang mga antas ng boltahe na may katumpakan at pag -trigger ng mga aksyon batay sa mga paunang natukoy na mga threshold.Halimbawa, sa mga proseso ng pagmamanupaktura, maaaring masubaybayan ng LM339N ang mga output ng sensor at matukoy kung ang ilang mga kundisyon, tulad ng temperatura, presyon, o mga antas ng likido, ay nasa loob ng ligtas na mga limitasyon sa pagpapatakbo.Kapag napansin ang isang pagkakaiba -iba, sinimulan ng IC ang mga pagkilos ng pagwawasto tulad ng pag -activate ng mga alarma, paghinto ng makinarya, o pag -aayos ng mga parameter ng control.Ang mataas na impedance ng input at kakayahang gumana sa mga mababang boltahe ay ginagawang lubos na madaling iakma sa iba't ibang mga pang-industriya na kapaligiran, mula sa mga malalaking pabrika hanggang sa mga compact control panel.Sa pamamagitan ng pagtiyak ng matatag na operasyon kahit na sa malupit na mga kondisyon tulad ng matinding temperatura o ingay ng kuryente, sinusuportahan ng LM339N ang kahusayan, kaligtasan, at pagiging maaasahan sa mga operasyon.
Sa mga aplikasyon ng automotiko, ang LM339N ay nagsisilbing isang pangunahing sangkap para sa pagsubaybay at pagkontrol ng maraming mga system na mabuti para sa parehong pagganap at kaligtasan.Halimbawa, sa mga sistema ng pamamahala ng engine, nakakatulong ito sa pagsubaybay sa data ng sensor, tulad ng mga antas ng oxygen, temperatura ng engine, at posisyon ng throttle, tinitiyak na ang engine ay nagpapatakbo nang mahusay at sa loob ng ligtas na mga limitasyon.Mahusay din ito para sa mga sistema ng pag -iilaw, pagkontrol sa mga headlight, interior lighting, at mga signal ng tagapagpahiwatig.Ang LM339N ay gumaganap ng isang papel sa mga mekanismo ng kaligtasan tulad ng mga sistema ng pag-deploy ng airbag at mga anti-lock braking system (ABS), kung saan ang tumpak na paghahambing ng boltahe upang makita ang mga potensyal na isyu o pag-activate ng pag-save ng buhay na tumutugon sa matatag na disenyo at pagiging maaasahan ay ginagawang isang mapagkakatiwalaang pagpipilian para sa pagdidisenyo ng automotikoAng mga system na dapat magtiis sa mga rigors ng patuloy na paggalaw, panginginig ng boses, at mga nagbabago na temperatura.
Ang mga modernong sasakyan ay umaasa sa mga sistema ng infotainment at digital dashboard upang maihatid ang isang walang tahi at karanasan sa pagmamaneho ng user.Ang LM339N ay nakatulong sa mga sistemang ito, pagpapabuti ng kawastuhan at pagtugon ng pagproseso ng data sa loob ng mga yunit ng infotainment at mga kumpol ng instrumento.Sa mga sistema ng multimedia, nakakatulong ito na pamahalaan ang mga input mula sa iba't ibang mga mapagkukunan, tulad ng mga touchscreens, mga utos ng boses, at mga signal ng audio/video, tinitiyak ang makinis na mga paglilipat at maaasahang operasyon.Sa mga kumpol ng dashboard, nag -aambag ito sa tumpak na paggunita ng impormasyon tulad ng bilis, antas ng gasolina, katayuan ng engine, at data ng nabigasyon.Sa pamamagitan ng pagpapagana ng mga paghahambing ng boltahe at lohikal na operasyon, tinitiyak ng LM339N na ang mga sistemang ito ay gumana nang walang mga lags o mga pagkakamali, pagpapahusay ng parehong kaginhawaan sa pagmamaneho at pagganap ng sasakyan.
Ang mga module ng control ng katawan ay sentro sa pamamahala ng iba't ibang mga pag -andar ng elektrikal at elektronik sa loob ng isang sasakyan, tulad ng mga power windows, gitnang pag -lock, pagsasaayos ng upuan, at panloob/panlabas na ilaw.Ang LM339N ay malalim na isinama sa mga modyul na ito, na kumikilos bilang isang paghahambing na sinusuri ang mga signal ng pag -input mula sa mga switch, sensor, o mga controller.Halimbawa, kapag pinipilit ng isang driver ang pindutan upang i -roll down ang isang window, inihahambing ng LM339N ang signal ng pag -input na may mga kondisyon ng preset at tinutukoy ang naaangkop na tugon tulad ng pag -activate ng motor upang ibaba ang window.Ang kakayahang gumana nang mahusay sa mababang lakas at hawakan ang maraming mga input nang sabay -sabay na ginagawang perpekto para sa mga application na ito.Bukod dito, ang papel nito sa pagtiyak ng ligtas at mahusay na pamamahagi ng kuryente sa buong BCM ay nag -aambag sa pagbabawas ng posibilidad ng mga pagkakamali ng system, sa gayon pinapabuti ang pangkalahatang pagiging maaasahan ng sasakyan.
Ang mga suplay ng kuryente ay ang gulugod ng anumang elektronikong sistema, at ang kanilang katatagan ay mahalaga upang matiyak ang wastong paggana ng mga sangkap.Ang LM339N ay nangunguna sa pagsubaybay sa mga linya ng supply ng kuryente, paghahambing ng mga antas ng boltahe ng input sa paunang natukoy na ligtas na saklaw.Kung ang boltahe ay bumaba sa ibaba o tumataas sa itaas ng mga limitasyong ito, ang IC ay maaaring mag -trigger ng tugon, tulad ng pag -shut down ng mga sensitibong sangkap upang maiwasan ang pinsala, pag -sign ng isang alerto, o pag -activate ng mga backup system.Mahalaga ang kakayahang ito sa mga aplikasyon tulad ng hindi mapigilan na mga suplay ng kuryente (UPS), mga charger ng baterya, at mga nababago na sistema ng enerhiya, kung saan ang regulasyon ng boltahe para sa pagpapanatili ng katatagan at pagprotekta sa kagamitan.Ang mababang pagkonsumo ng kuryente at malawak na saklaw ng boltahe ay ginagawang ang LM339N isang epektibo at mahusay na solusyon para sa mga gawain sa pangangasiwa ng kuryente.
Ang mga Oscillator ay ginagamit upang makabuo ng mga pana -panahong signal na nagsisilbing mga sanggunian sa tiyempo sa mga elektronikong aparato.Ang LM339N ay karaniwang ginagamit sa pagdidisenyo ng tumpak na mga circuit ng oscillator dahil sa kakayahang ihambing ang mga antas ng boltahe na may pambihirang kawastuhan.Halimbawa, maaari itong mai -configure upang makabuo ng mga signal ng alon ng square para magamit sa mga digital na orasan, mga generator ng signal, o mga sistema ng modulation ng dalas.Pinapayagan din nito ang kakayahang magamit nito upang gumana sa mga circuit ng timer, kung saan kinakailangan ang tumpak na agwat upang makontrol ang mga proseso tulad ng pagkaantala ng mga relay, modyul ng pulso (PWM), o sunud-sunod na mga operasyon sa mga digital system.Ang mataas na bilis ng operasyon ng LM339N at mababang offset boltahe ay nag-aambag sa katatagan at kawastuhan ng mga oscillator na ito.
Ang pagtuklas ng halaga ng rurok ng isang signal ay isang function sa maraming mga aplikasyon sa pagsukat at signal sa pagproseso.Ang LM339N ay maaaring mahusay na matukoy ang maximum na amplitude ng isang nagbabago na signal sa pamamagitan ng paghahambing ng mga antas ng pag -input at paghawak ng halaga ng rurok para sa karagdagang pagsusuri.Ang tampok na ito ay kapaki -pakinabang sa mga system tulad ng pagproseso ng signal ng audio, kung saan nakakatulong ito na makilala ang pinakamalakas na bahagi ng isang audio waveform para sa dami ng normalisasyon o pag -iwas sa pagbaluktot.Katulad nito, sa mga kagamitan sa pagsubok at pagsukat, ang IC ay nagpapadali ng tumpak na pagbabasa sa pamamagitan ng paghiwalayin ang mga halaga ng rurok mula sa maingay o mabilis na pagbabago ng mga signal.Ang kakayahang gumana nang epektibo sa parehong mga analog at digital system ay nagpapaganda ng utility nito sa isang malawak na hanay ng mga senaryo ng pagtuklas ng rurok.
Maraming mga elektronikong sistema ay binubuo ng mga sangkap na nagpapatakbo sa iba't ibang mga antas ng boltahe, na gumagawa ng pagsasalin ng boltahe para sa pagtiyak ng pagiging tugma at pare -pareho ang pagganap.Pinapagaan ng LM339N ang prosesong ito sa pamamagitan ng paghahambing ng mga antas ng lohika at pagsasalin ng mga signal sa pagitan ng mga seksyon ng circuit na may iba't ibang mga kinakailangan sa boltahe.Halimbawa, sa isang halo-halong sistema kung saan ang ilang mga sangkap ay nagpapatakbo sa 3.3V at iba pa sa 5V, tinitiyak ng LM339N na ang mga signal ay tumpak na na-convert nang walang pagbaluktot o pagkawala ng impormasyon.Ang kakayahang ito ay ginagamit sa mga system tulad ng mga microcontroller, kung saan ang mga peripheral at sensor ay maaaring gumana sa iba't ibang mga antas ng boltahe.Sa pamamagitan ng pagbibigay ng seamless logic level translation, pinapayagan ng LM339N ang maayos na komunikasyon sa pagitan ng mga sangkap at tumutulong na mapanatili ang pangkalahatang katatagan ng system.





Ang Texas Instruments (TI) ay isang nangungunang kumpanya ng semiconductor na may higit sa 30,000 mga empleyado na nagpapatakbo sa 35 mga bansa.Dahil ang pag -imbento ng unang functional integrated circuit noong 1958, ang TI ay nakatuon sa pagdidisenyo at paggawa ng analog at naka -embed na pagproseso ng mga chips para sa mga industriya tulad ng automotive, telecommunication, at electronics.Ang pandaigdigang tagumpay ng TI ay hinihimok ng bihasang manggagawa nito, na kilala bilang Tiers, na nakikipagtulungan upang malutas ang mga kumplikadong hamon at maghatid ng maaasahang, mga produktong paggupit.Ang kanilang trabaho ay tumutulong sa mga industriya na matugunan ang umuusbong na mga kahilingan sa teknolohiya habang ang paghubog ng mga makabagong ideya na nakakaapekto sa pang -araw -araw na buhay.Para sa higit sa anim na dekada, ang TI ay nanatili sa unahan ng mga pagsulong ng semiconductor.Ang pokus nito sa pagbabago at kahusayan ay nagbibigay-daan sa paglikha ng mga produktong mataas na pagganap na nagtutulak sa mga limitasyon ng teknolohiyang batay sa silikon.Sa pamamagitan ng pagbabago at pakikipagtulungan, ang TI ay patuloy na nakakaimpluwensya sa mga industriya at pagbutihin kung paano nakikipag -ugnay ang mga tao sa teknolohiya sa buong mundo.
Materyal na itinakda 30/mar/2017.pdf
Mult Dev Datasheet 11/dec/2018.pdf
Mangyaring magpadala ng isang pagtatanong, tutugon kami kaagad.
Natagpuan ng LM339N ang makabuluhang paggamit sa mga circuit na hinihingi ang tumpak na pagsubaybay sa antas ng boltahe, dahil maaari itong isama ang maraming mga paghahambing sa loob ng isang solong pakete.Ang tampok na ito, na sinamahan ng kahusayan nito sa paggamit ng kuryente, ginagawang angkop para sa mga aparato na umaasa sa mga baterya.Ang isang nakalarawan na kaso ng paggamit ay nasa mga zero-crossing detector, kung saan ang tumpak na paghahambing ng signal para sa pagpapanatili ng katatagan at walang tahi na operasyon ng mga system.Ang katumpakan na ito ay hindi lamang isang kinakailangan sa teknikal ngunit nagpapabuti sa pangkalahatang pagganap ng system.
Functionally, sinusuri ng LM339N ang mga antas ng boltahe sa mga pin ng input nito at nagpasiya na mag -output ng isang superyor o mas mababang estado nang naaayon.Ang prosesong ito ay kahawig kung paano ang mga paunang mekanismo ng pagtuklas sa mga lugar ng teknolohiya ay nakakakita ng mga banayad na pagkakaiba -iba, na nagpapagana ng mabilis na reaksyon.Ang arkitektura nito ay katugma sa mga operasyon ng split supply, na nagpapadali sa pagsasama sa isang iba't ibang mga pag -setup ng circuit, na nag -aalok ng kakayahang umangkop sa isang hanay ng mga kapaligiran ng boltahe, sa gayon pagpapalawak ng kakayahang magamit nito.
Ang LM339N at LM339 ay nakikilala ang kanilang sarili lalo na sa pamamagitan ng kanilang mga saklaw ng pagpapatakbo ng boltahe at mga disenyo ng packaging.Ang mga pagkakaiba -iba na ito ay nakakaapekto sa kanilang pagsasaayos sa mga partikular na pangangailangan ng proyekto, tulad ng limitadong puwang o iba't ibang mga kondisyon ng pagganap ng thermal.Ang pagpili ng isang naaangkop na pagsasaayos ng pakete ay maaaring mapahusay ang kahabaan ng buhay at pagiging epektibo ng pangwakas na produkto, ang pag -on ng mga desisyon sa disenyo sa nakakaapekto sa mga kinalabasan ng teknikal.
Ang isang paghahambing ay nagsasagawa ng isang pagsusuri ng mga input nito, na naglalabas ng isang binary signal batay sa kanilang mga kamag -anak na magnitude.Ito ay kahanay sa mga proseso ng paggawa ng desisyon kung saan ang mga kinalabasan ng binary ay nagtutulak ng mga kasunod na pagkilos.Ang binary output ay isang juncture para sa mga digital circuit, paghuhubog ng mga operasyon at tinitiyak ang magkakaugnay at naka -synchronize na pag -andar ng system.Ito ay kumikilos bilang isang pundasyon sa walang tahi na daloy ng isang digital na disenyo, pinapatibay ang maayos na pagpapatupad ng mga gawain.
sa 2024/12/5
sa 2024/12/5
sa 8000/04/18 147758
sa 2000/04/18 111938
sa 1600/04/18 111349
sa 0400/04/18 83721
sa 1970/01/1 79508
sa 1970/01/1 66914
sa 1970/01/1 63061
sa 1970/01/1 63012
sa 1970/01/1 54081
sa 1970/01/1 52131