




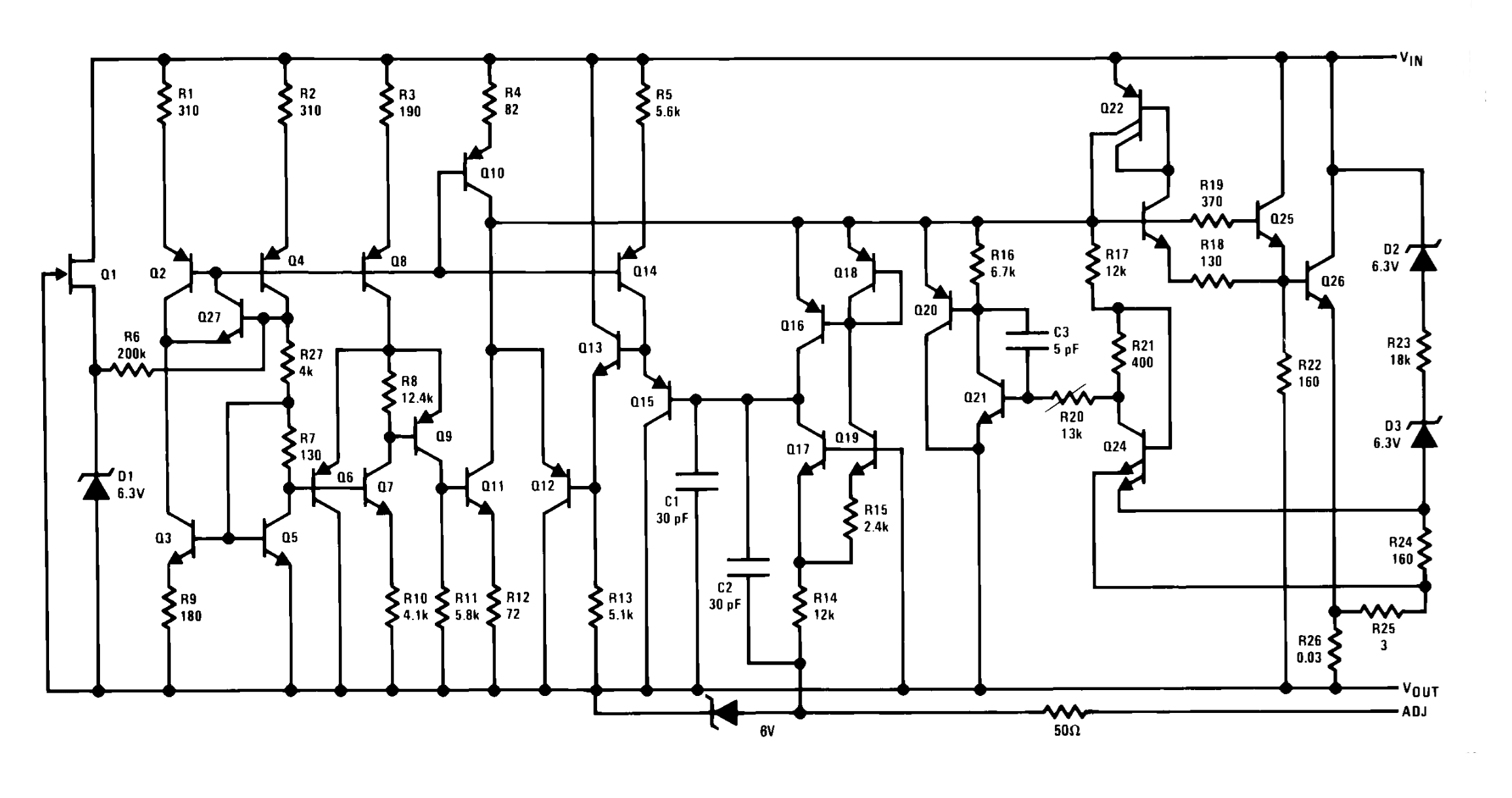
Ang LM338K Nag -navigate ng isang malawak na boltahe na spectrum mula sa 1.2 V hanggang 32 V, na may kakayahang pamamahala ng mga alon na higit sa 5 A. Ang kakayahang umangkop nito ay ipinakita sa pamamagitan ng simpleng paggamit ng dalawang resistors para sa pagsasaayos ng output, na pinapawi ang pagsasama nito sa iba't ibang mga system.
Ang mga sistemang pang -industriya ay nakikinabang mula sa disenyo nito, ang timpla ng kahusayan na katulad sa mga advanced na suplay ng kuryente.Ang mga sistema ng telecommunication ay nahahanap ito na angkop dahil sa kakayahang magamit nito.Pinahahalagahan ng mga domestic electronics ang walang tahi na pagsasama nito.
Sa mga patlang ng pamamahala ng kuryente maaari mong madalas na isama ang LM338K sa kanilang mga system.Ang katatagan at kadalian ng paggamit ay ginagawang isang ginustong pagpipilian para sa mga naghahanap ng maaasahang mga solusyon sa kuryente.Ang matibay na disenyo nito ay nag -aalsa na nagbabago ng mga naglo -load na may biyaya, ginagawa itong kapaki -pakinabang na kapaki -pakinabang.
|
I -type |
Parameter |
|
Bundok |
Sa pamamagitan ng butas |
|
Uri ng pag -mount |
Sa pamamagitan ng butas |
|
Package / Kaso |
TO-204AA, TO-3 |
|
Bilang ng mga pin |
2 |
|
Timbang |
6.40101g |
|
Temperatura ng pagpapatakbo |
0 ° C ~ 125 ° C. |
|
Packaging |
Tube |
|
Tolerance |
5% |
|
Code ng JESD-609 |
E3 |
|
Bahagi ng Bahagi |
Lipas na |
|
Antas ng Sensitivity ng kahalumigmigan (MSL) |
1 (walang limitasyong) |
|
Bilang ng mga pagtatapos |
2 |
|
Code ng ECCN |
EAR99 |
|
Pagtatapos ng terminal |
Lata (sn) |
|
Rating ng kuryente |
50w |
|
Posisyon ng terminal |
Ilalim |
|
Form ng terminal |
Pin/peg |
|
Bilang ng mga pag -andar |
1 |
|
BASE PART NUMBER |
LM338 |
|
Bilangin ng pin |
2 |
|
Bilang ng mga output |
1 |
|
Boltahe - Input (MAX) |
35v |
|
Boltahe ng output |
32v |
|
Uri ng output |
Nababagay |
|
Max output kasalukuyang |
5a |
|
Pagsasaayos ng output |
Positibo |
|
Max output boltahe |
32v |
|
Bilang ng mga regulator |
1 |
|
Min input boltahe |
4.2v |
|
Mga tampok ng proteksyon |
Sa paglipas ng kasalukuyang, higit sa temperatura |
|
PSRR |
75dB ~ 60dB (120Hz) |
|
Sanggunian ng sanggunian |
1.29v |
|
Dropout boltahe |
3v |
|
Dropout boltahe1-nom |
3v |
|
Min output boltahe |
1.2V |
|
Ratio ng pagtanggi ng power supply (PSRR) |
75dB |
|
Min kasalukuyang limitasyon |
7a |
|
Mag-load ng regulasyon-max (%) |
1% |
|
Taas |
8.7mm |
|
Haba |
39.5mm |
|
Lapad |
26.2mm |
|
Abutin ang SVHC |
Walang SVHC |
|
Radiation Hardening |
Hindi |
|
Katayuan ng ROHS |
Sumunod ang ROHS3 |
|
Libre ang Lead |
Libre ang Lead |
|
Tampok |
Paglalarawan |
|
Kasalukuyang Peak Output |
Garantisadong 7 a |
|
Output kasalukuyang |
Garantisadong 5 a |
|
Nababagay na boltahe ng output |
Hanggang sa 1.2 v |
|
Regulasyon ng linya |
Karaniwang 0.005 %/v |
|
Regulasyon ng pag -load |
Karaniwang 0.1 % |
|
Regulasyon ng thermal |
Garantisado |
|
Kasalukuyang limitasyon |
Pare -pareho sa temperatura |
|
Uri ng pakete |
Pamantayang 3-lead transistor package |

Ang LM338K ay nagsisilbi sa paggawa ng mga nababagay na mga suplay ng kuryente, na naghahatid ng tumpak na pare -pareho ang kasalukuyang, at mahusay na singilin ang mga baterya.Ang malawak na application nito ay nagmumula sa matibay na build at maraming nalalaman regulasyon ng boltahe.
Ang LM338K ay pinuno sa paglikha ng maraming nalalaman mga sistema ng supply ng kuryente.Ang kakayahang pamahalaan ang mataas na boltahe at kasalukuyang nagpapabuti ng katatagan habang binabawasan ang ingay, pagpapalakas ng pagganap ng elektronikong sistema.Karaniwang ginagamit sa mga lab at workshop, ang mga sistemang ito ay nakikinabang mula sa pagiging maaasahan ng kagamitan.Maaari mong pahalagahan ang tumpak na mga pagsasaayos ng boltahe, na sumasalamin sa katumpakan at pagiging maaasahan ng aparato.
Sa mga konteksto tulad ng LED lighting at motor control, ang regulate na patuloy na kasalukuyang ay aktibo.Ang LM338K ay nagbibigay ng matatag na kasalukuyang, pag -iingat sa mga sensitibong sangkap at pagpapabuti ng kahusayan ng system.Ang maaasahang kasalukuyang regulasyon ay tumutulong na matiyak ang pangmatagalang katatagan, na pumipigil sa pagbabagu-bago na maaaring humantong sa mga pagkabigo sa system.
Ang mga sistema ng pagsingil ng baterya ay gumagamit ng mga nababagay na kakayahan ng LM338K para sa tumpak na control control ng pag -ikot.Na -optimize nito ang kahusayan at kaligtasan ng pagsingil ng baterya, pagpapahusay ng buhay ng baterya.Ang mga advanced na system ay nagsasama ng mga tampok upang makita ang mga pagbabago sa estado sa singilin, makabuluhang pagpapabuti ng kahusayan at kalusugan ng baterya.
Ang matibay na disenyo ng LM338K at pagbagay sa regulasyon ng boltahe ay angkop para sa iba't ibang mga aplikasyon.Ito ay gumagana nang maayos sa ilalim ng iba't ibang mga kondisyon sa kapaligiran, isang pinahahalagahan na katangian sa mga industriya na humihiling ng katatagan.Ang kakayahang umangkop nito ay humantong sa malawakang paggamit sa mga patlang na nangangailangan ng mataas na pagganap at pagiging maaasahan, maaari mong madalas na mabanggit ang mga tampok na ito bilang mga kadahilanan para sa pagpili sa magkakaibang mga proyekto.

|
Mga bahagi |
Paglalarawan |
Tagagawa |
|
LM138AKSTEEL |
1.2 V-32V Adjustable Positive Regulator, MBFM2, Metal
Maaari, to-3, 2 pin |
Mga instrumento sa Texas |
|
LM138K/883 |
IC VREG 1.2 V-32 V Adjustable Positive Regulator, MBFM2,
Ang metal ay maaaring, TO-3, 2 PIN, Adjustable Positibong Single Output Standard Regulator |
Pambansang Semiconductor Corporation |
|
LM338K STEEL/NOPB |
1.2 V-32V Adjustable Positive Regulator, MBFM2, Green,
Ang metal ay maaaring, TO-3, 2 pin |
Mga instrumento sa Texas |
|
LM138K-MIL/NOPB |
1.2 V-32V Adjustable Positive Regulator, MBFM2, ROHS
Sumunod, metal maaari, to-3, 3 pin |
Mga instrumento sa Texas |
|
M38510/11706Sya |
IC VREG adjustable positibong regulator, nababagay
Positibong Single Output Standard Regulator |
Teknolohiya ng linear |
|
FT138AK |
Nababagay na positibong pamantayang regulator, 1.2V min, 32V
Max, MBFM2, Metal Can, TO-3, 2 Pin |
Force Technologies Ltd |
|
Ft338k |
Nababagay na positibong pamantayang regulator, 1.2V min, 32V
Max, MBFM2, Metal Can, TO-3, 2 Pin |
Force Technologies Ltd |
|
LT338AK |
IC VREG 1.2 V-32 V Adjustable Positive Regulator, MBFM2,
Ang metal ay maaaring, TO-3, 3 PIN, Adjustable Positibong Single Output Standard Regulator |
Teknolohiya ng linear |
|
SG138AK/883B |
Regulator, 1 output, bipolar |
Microsemi Corporation |
|
LM338MWC |
1.2 V-32V Adjustable Positive Regulator, UUC, Wafer |
Mga instrumento sa Texas |

Ang Stmicroelectronics ay nakikipag -ugnay sa pilosopiya ng pangunahing disenyo na may pagpapanatili sa mga solusyon sa semiconductor, paghabi ng pangangasiwa sa kapaligiran na may kaligtasan at kahusayan ng produkto, na sumasalamin sa mga halaga at adhikain tungo sa isang napapanatiling hinaharap.
Ang nangingibabaw sa mga pagbabago sa Stmicroelectronics 'ay ang pagtugis ng teknolohiyang may kamalayan sa eco upang mabawasan ang pinsala sa kapaligiran.Sa pamamagitan ng pagbibigay diin sa kahusayan ng enerhiya, ang mga sangkap ay ginawa upang mas mababa ang pagkonsumo ng kuryente sa magkakaibang mga aplikasyon.Ang mga industriya tulad ng automotive at consumer electronics ay nakikinabang, mula sa pagkakita ng isang pagbawas sa mga bakas ng carbon.Ang kalakaran na ito ay sumasalamin sa isang mas malawak na paglipat ng industriya patungo sa mga berdeng solusyon, na hinihingi ang patuloy na pagbagay at talino sa paglikha.
Ang LM338K ay nagtatagumpay sa mga temperatura mula 0 ° C hanggang 125 ° C.Ang kakayahang umangkop na ito ay nakasalalay sa isang kalakal ng mga gamit, mula sa pang -araw -araw na mga gadget ng consumer hanggang sa mahigpit na pang -industriya na konteksto.Ang pagpapanatili ng pare -pareho na temperatura ng aparato ay susi, na humuhubog sa parehong pagganap at habang -buhay, sa gayon ay nag -aalok sa iyo ng sapat na posibilidad.
Ang LM338K ay isang nababanat na three-terminal positibong regulator ng boltahe, na naghahatid ng higit sa 5 A sa pagitan ng 1.2 V at 32 V. na may dalawang resistors lamang, pinapadali nito ang pamamahala ng boltahe habang ang pag-mirror ng kahusayan ng mga advanced na sistema ng kuryente.Ang tuwid na ito ay sumasamo sa mga prioritizing maaasahang output, lalo na sa mga kapaligiran at sensitibo sa badyet.
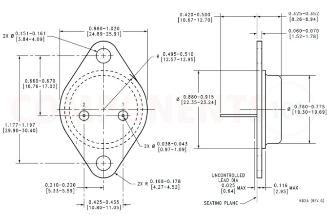
Naka-encode sa bakal na TO-3 transistor package, ang LM338K ay itinayo para sa lakas at epektibong pamamahala ng init.Ang packaging na ito ay ginustong para sa mga gawain na may mataas na kapangyarihan dahil sa mahusay na regulasyon ng thermal, tinitiyak ang katatagan at matagal na pagiging maaasahan.Ang wastong pagpili ng packaging ay ginagamit para sa pagpapahusay ng kaligtasan at pagganap ng anumang elektronikong sangkap.
Mangyaring magpadala ng isang pagtatanong, tutugon kami kaagad.
sa 2024/10/22
sa 2024/10/22
sa 8000/04/18 147757
sa 2000/04/18 111935
sa 1600/04/18 111349
sa 0400/04/18 83720
sa 1970/01/1 79508
sa 1970/01/1 66905
sa 1970/01/1 63028
sa 1970/01/1 63012
sa 1970/01/1 54081
sa 1970/01/1 52124