
Ang LM317T nakatayo bilang isang mataas na madaling iakma na boltahe regulator na naka-encode sa isang TO-220 package, na kilala para sa hindi komplikadong disenyo at kahanga-hangang pagganap sa pamamahala ng mga positibong output ng boltahe.Maaari itong mapaunlakan ang mga alon na mas malaki kaysa sa 1.5a, pag -iwas sa pamamahala ng kuryente gamit ang isang resistive divider para sa eksaktong pag -tune ng boltahe.Ang kakayahang ito ay sumusuporta sa isang malawak na saklaw ng boltahe, binabawasan ang pangangailangan para sa maraming mga nakapirming regulators.Ang LM317T ay nailalarawan sa pamamagitan ng mga tampok na sumusuporta sa mahusay na regulasyon ng kuryente.Ang kasanayan nito sa pagpapanatili ng isang matatag na boltahe ng output sa kabila ng variable na mga kondisyon ng pag -input ay binibigyang diin ang kahusayan nito.Kapag ginagamit ang LM317T, ang proteksyon ng thermal overload nito at proteksyon ng short-circuit, na nagbibigay ng pare-pareho na pagganap at nababanat kahit na sa hinihingi na mga kapaligiran.Ang LM317T ay madalas na isinama sa mga circuit ng supply ng kuryente para sa mga aparato na may iba't ibang mga kinakailangan sa boltahe.Ang diretso na disenyo nito ay nagbibigay -daan para sa madaling pagsasaayos at pagpapanatili, nag -aalok ng mga benepisyo sa mga setting ng edukasyon at mga pang -eksperimentong pag -setup.

|
Pin no |
Pangalan ng pin |
Paglalarawan |
|
1 |
Ayusin |
Inaayos ng pin na ito ang boltahe ng output |
|
2 |
Output boltahe (vout) |
Ang regulated output boltahe na itinakda ng nababagay na pin ay maaaring
makuha mula sa pin na ito |
|
3 |
Boltahe ng input (VIN) |
Ang boltahe ng input na kailangang regulated ay ibinibigay sa
Ang pin na ito |


Ang isang kapansin-pansin na aspeto ng LM317T ay ang nababagay na saklaw ng boltahe mula sa 1.2V hanggang 37V, na tumutugma sa mga aplikasyon na nangangailangan ng pamamahala ng boltahe na pinong.Ang kakayahang umangkop na ito ay sumasamo sa maraming mga elektronikong aplikasyon, binabawasan ang mga komplikasyon sa disenyo.
Sa suporta para sa mga alon na higit sa 1.5a, ang LM317T ay naayon para sa mga high-demand na circuit na may pagtuon sa pagpapanatili ng katatagan sa iba't ibang mga pangangailangan ng kapangyarihan.Ang katangian na ito ay nag -aambag sa operasyon ng walang tahi na aparato, ginagawa itong isang mahalagang sangkap kung saan ang mga hinihingi ng kapangyarihan ay hindi mahuhulaan.
Ang LM317T ay nangunguna sa pagpapanatili ng isang masikip na linya at regulasyon ng pag -load sa 0.1%, pag -minimize ng pagkakaiba -iba ng boltahe na maaaring makagambala o magpabagal sa mga sensitibong sangkap.
Ang lumulutang na disenyo ng boltahe ng LM317T ay nagpapabuti sa kakayahang umangkop sa layout ng circuit, na sumusuporta sa paggamit nito sa mga negatibong sitwasyon ng boltahe nang hindi nangangailangan ng mga kumplikadong pagsasaayos.Ang kakayahang ito ay nagiging kapaki -pakinabang kapag maraming mga regulator ang isinama sa loob ng isang solong sistema.
Nilagyan ng overcurrent protection, thermal shutdown, at SOA control, ang LM317T ay nag -aalok ng matatag na pangangalaga, pagpapalakas ng integridad ng system laban sa mga karaniwang banta tulad ng mga maikling circuit at sobrang pag -init.Sa pamamagitan ng mga tampok na ito, marami ang lumikha ng isang maayos na timpla ng pagbabago at pagiging maaasahan, pagmamaneho ng pasulong na pagganap ng produkto at kahabaan ng buhay.
|
I -type |
Parameter |
|
Katayuan ng Lifecycle |
Aktibo (huling na -update: 7 buwan na ang nakakaraan) |
|
Makipag -ugnay sa kalupkop |
Lata |
|
Uri ng pag -mount |
Sa pamamagitan ng butas |
|
Bilang ng mga pin |
3 |
|
Tagagawa ng tagagawa ng tagagawa |
0015988_typea_rev_t |
|
Packaging |
Tube |
|
Code ng JESD-609 |
E3 |
|
Antas ng Sensitivity ng kahalumigmigan (MSL) |
1 (walang limitasyong) |
|
Code ng ECCN |
EAR99 |
|
Bilang ng mga pag -andar |
1 |
|
BASE PART NUMBER |
LM317 |
|
Bilang ng mga output |
1 |
|
Boltahe ng output |
37v |
|
Oras ng tingga ng pabrika |
24 na linggo |
|
Bundok |
Sa pamamagitan ng butas |
|
Package / Kaso |
TO-220-3 |
|
Timbang |
2.299807G
|
|
Temperatura ng pagpapatakbo |
0 ° C ~ 125 ° C. |
|
Tolerance |
5% |
|
Bahagi ng Bahagi |
Aktibo |
|
Bilang ng mga pagtatapos |
3 |
|
Posisyon ng terminal |
Walang asawa |
|
Terminal pitch |
2.54mm |
|
Bilangin ng pin |
3 |
|
Boltahe - Input (MAX) |
40V |
|
Uri ng output |
Nababagay |
|
Max output kasalukuyang |
1.5a |
|
Max output boltahe |
37v |
|
Min input boltahe |
4.2v |
|
PSRR |
80dB ~ 85dB (120Hz) |
|
Min output boltahe |
1.2V |
|
Taas |
9.15mm |
|
Lapad |
4.6mm |
|
Radiation Hardening |
Hindi |
|
Libre ang Lead |
Libre ang Lead |
|
Pagsasaayos ng output |
Positibo |
|
Bilang ng mga regulator |
1 |
|
Mga tampok ng proteksyon |
Sa paglipas ng kasalukuyang, higit sa temperatura |
|
Sanggunian ng sanggunian |
1.25v |
|
Ratio ng pagtanggi ng power supply (PSRR) |
80db |
|
Haba |
10.4mm |
|
Abutin ang SVHC |
Walang SVHC |
|
Katayuan ng ROHS |
Sumunod ang ROHS3 |

|
Bahagi ng bahagi |
Paglalarawan |
Tagagawa |
|
LM317KC |
3/4 PIN 1.5A Adjustable Positive Voltage Regulator
3-to-220 0 hanggang 125 |
Mga instrumento sa Texas |
|
LM317T#PBF |
IC VREG 1.2 V-37 V Adjustable Positive Regulator, PSFM3,
Plastik, TO-220, 3 PIN, Adjustable Positibong Single Output Standard Regulator |
Teknolohiya ng linear |
|
LM317T/NOPB |
IC VREG 1.2 V-37 V Adjustable Positive Regulator, PSFM3,
Ang sumusunod sa ROHS, plastik, TO-220, 3 pin, nababagay na positibong solong output
Standard Regulator |
Pambansang Semiconductor Corporation |
|
LM317T2 |
1.2 V-37V Adjustable Positive Regulator, PSFM3, Plastik,
TO-220, 3 pin |
Sa semiconductor |
Karagdagang katumbas ng LM317T ay kasama ang:LM317emp,LM317Aemp,LM317LIDR, LM317LMX, at iba pa.
Natagpuan ng LM317 ang malawak na paggamit sa variable na mga aplikasyon ng supply ng kuryente dahil sa kakayahang ayusin ang mga antas ng boltahe ng output.Sa mga pang -edukasyon na kapaligiran at mga electronics laboratories, sinusuportahan nito ang pag -unlad at pagsubok ng magkakaibang mga circuit.Sa pamamagitan ng isang nababaluktot na saklaw ng output mula sa 1.25V hanggang 37V, mag -enjoy ng isang malawak na spectrum ng mga posibilidad.
Para sa mga aplikasyon na nangangailangan ng kasalukuyang limitasyon, ang LM317 ay naghahatid ng isang epektibo at prangka na diskarte.Ang katangiang ito ay nagpapatunay na kapaki -pakinabang sa mga charger ng baterya at mga sistema ng pamamahala ng kuryente kung saan kinakailangan ang pag -iingat laban sa labis na labis.Sa pamamagitan ng pagpasok ng isang risistor sa serye na may output, tinitiyak ng regulator na ang kasalukuyang ay pinananatili sa loob ng ligtas na mga hangganan, na pinapanatili ang parehong mapagkukunan ng kapangyarihan at mga konektadong aparato.Ang ganitong pamamaraan ay kapansin -pansin na nagpapalakas ng kahabaan ng aparato at pagiging maaasahan.
Ang kakayahang umangkop ng LM317 ay nagpapalawak ng utility nito sa mga Controller ng motor, kung saan kinokontrol nito ang boltahe para sa mga motor ng DC sa mga setting ng robotics at automation, na nag -aalok ng tumpak na kontrol sa bilis ng motor.Ang regulator na ito ay nagpapadali ng makinis na mga paglilipat sa pagpabilis at pagkabulok, na partikular na ginagamit para sa mga aplikasyon na hinihingi ang tumpak na paggalaw, tulad ng sa robotic arm o CNC makinarya.Ang kahusayan nito sa pagbibigay ng matatag na pag -andar ng motor sa ilalim ng pagbabago ng mga kondisyon ng pag -load ay pinasisigla ang pagiging praktiko nito sa iba't ibang mga senaryo sa industriya.
Sa kabila ng mga matatag na tampok nito, ang boltahe ng pagbagsak ng 2.5V ng LM317 ay nangangailangan ng maingat na pagsusuri.Ang aspetong ito ay potensyal na nakakaapekto sa application nito sa mga mababang mga sitwasyon ng boltahe kung saan ang minimal na input-to-output ay dapat na minimal.Kailangan mong i -verify na ang boltahe ng input ay higit sa nais na output ng hindi bababa sa halagang ito ng dropout upang matiyak ang epektibong operasyon.Sa mga kaso kung saan ang pag-dropout boltahe ay maaaring limitahan ang pag-andar, isinasaalang-alang ang mga alternatibong regulator ng low-dropout (LDO) ay maaaring maging mas naaangkop, ang pagbabalanse ng mga teknikal na pangangailangan sa mga malikhaing solusyon.
Natagpuan ng LM317 ang malawakang paggamit sa iba't ibang mga elektronikong consumer tulad ng mga PC at mga manlalaro ng DVD.Ang pagiging maaasahan at pagiging simple ay alagaan ito sa mga gawain ng regulasyon ng kapangyarihan, na umaabot mula sa paghahatid ng kapangyarihan sa mga lohika na circuit upang magpapatatag ng boltahe para sa mga sensitibong sangkap.Ang kakayahang umangkop na ito ay nagtatampok ng papel ng LM317 sa pagpapalakas ng pagganap at pagiging maaasahan ng aparato, na nag -aambag sa walang tigil na pag -andar ng mga aparato sa sambahayan.
Ang nababagay na kakayahan ng output ng LM317 ay nagbibigay -daan upang mapanatili ang pare -pareho na output ng boltahe sa kabila ng pagbabagu -bago sa boltahe ng pag -input o mga kondisyon ng pag -load, tinitiyak ang mga sensitibong elektronikong aparato na gumana nang maaasahan.Ang regulasyon ng boltahe ay gumaganap ng isang papel sa mga application tulad ng mga charger ng baterya at portable na aparato.Ang isang matatag na antas ng boltahe ay maaaring mapalawak ang buhay ng baterya at mapahusay ang pagganap ng aparato.
Ang kasalukuyang paglilimita ay susi upang maiwasan ang labis na mga kondisyon na maaaring makapinsala sa mga sangkap ng circuit.Sa pamamagitan ng awtomatikong pag -aayos upang pamahalaan ang kasalukuyang daloy, nagsisilbi itong isang mahusay na kalasag laban sa hindi sinasadyang mataas na kasalukuyang mga sitwasyon.Sa mga praktikal na setting, kinakailangan sa mga circuit na nagsasama ng iba't ibang mga sangkap na may iba't ibang kasalukuyang mga rating, pagpapanatili ng ligtas at pinakamainam na operasyon nang walang sobrang pag -init o pagkabigo.
Ang proteksyon ng polarity ay tumutugon sa mga karaniwang isyu tulad ng hindi tamang mga koneksyon sa supply ng kuryente na madalas na nakatagpo sa panahon ng prototyping ng produkto o mga pagsasaayos ng nakagawiang.Ipinapakita ng disenyo at pagpapanatili ng circuit ang halaga ng proteksyon ng polaridad sa pagtiyak ng pangmatagalang tibay at maaasahang pagganap sa ilalim ng iba't ibang mga kalagayan sa pagpapatakbo.

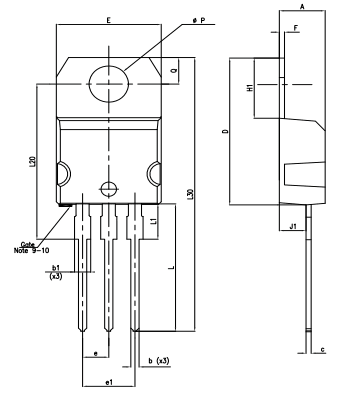
TO-220 (solong gauge) na impormasyon sa pakete

TO-220 (solong gauge) mekanikal na data
Ang Stmicroelectronics ay nakatayo sa loob ng industriya ng semiconductor, na nagpayaman sa pag -unlad at pagkamalikhain ng teknolohiya ng System on Chip (SOC).Ang epekto ng kumpanya ay umaabot sa iba't ibang mga aplikasyon ng microelectronics, na nakakaimpluwensya sa mga pandaigdigang industriya at pag -aalaga ng pagsasama ng magkakaibang mga teknolohiya.Ang Stmicroelectronics ay bantog sa pag -unlad nito sa mga solusyon sa SOC, na pinagsama ang iba't ibang mga pag -andar sa isang solong chip.Ang pagsasama na ito ay naglalayong mapahusay ang pagganap, pagbaba ng paggamit ng kuryente, at pag -urong ng kabuuang sukat ng system.Ang pangako ng stmicroelectronics sa pagbabago ay nagtutulak sa paggalugad ng mga bagong lugar sa microelectronics, na hinihikayat ang isang patuloy na pag -unlad ng mga kakayahan.Ang kanilang mga inisyatibo sa pananaliksik at pag -unlad ay hindi lamang naglalayong mapahusay ang kasalukuyang mga teknolohiya kundi pati na rin upang mabuo ang mga bagong modelo na humahawak sa mga modernong isyu tulad ng napapanatiling pag -unlad at pag -iingat ng enerhiya.
Mangyaring magpadala ng isang pagtatanong, tutugon kami kaagad.
Kabaligtaran sa LM337, ang LM317 ay nag -aalok ng isang adjustable output na nakakaakit ng marami sa larangan ng elektronika.Pinapadali nito ang disenyo ng circuit habang pinapahusay ang mga katangian ng regulasyon, na humihiling na naghahanap ng maaasahang mga solusyon sa pamamahala ng kuryente.Ang kakayahang umangkop nito ay madalas na ginagawang isang ginustong pagpipilian sa mga pasadyang mga suplay ng kuryente, na pinahahalagahan para sa maaasahang pagganap nito.
Ang kakayahan ng LM317 na magbigay ng variable na mga output ng boltahe ay lubos na pinahahalagahan.Madalas itong ginagamit sa mga aplikasyon na may tiyak na kapangyarihan, input, at mga kinakailangan sa pag -load.Ang mga masalimuot na mga kinakailangan ay madalas na natutugunan sa parehong mga setting ng pang -industriya at mga proyekto ng DIY kung saan kinakailangan ang kontrol ng boltahe ng katumpakan, upang makamit ang nais na mga resulta nang mahusay.
Kahit na paminsan -minsang hindi pagkakaunawaan bilang isang triode, ang LM317 ay nagsisilbing isang adjustable anode boltahe regulator.Ang espesyal na pokus na ito sa regulasyon ng boltahe ay mahalaga sa iba't ibang mga aplikasyon, tulad ng mga suplay ng kuryente sa laboratoryo o mga charger ng baterya, kung saan kinakailangan ang matatag na output sa ilalim ng pagbabagu -bago ng mga kondisyon ng pag -input.
Ang LM317T ay nakikilala ang sarili sa pamamagitan ng pagiging nakalagay sa isang TO-220 plastic package, na nagbibigay ng mga tampok tulad ng pinahusay na tibay at mas madaling pag-mount.Ang mga katangiang ito ay nagiging sa mga sitwasyon kung saan ang pamamahala ng init nang epektibo at pag -iingat ng puwang ay kinakailangan, sa gayon ginagawa itong variant na sikat sa mga senaryo na nangangailangan ng mahusay na pagganap ng thermal.
Habang ang nakapirming output ng serye ng LM78XX ay kaibahan sa nababagay na regulasyon ng LM317, ang kakayahang umangkop ng huli ay kumikinang sa mga circuit na kailangang umangkop sa paglilipat ng mga pangangailangan ng boltahe.Ang nasabing kakayahang umangkop ay nagpapatunay na kapaki -pakinabang sa pagdidisenyo ng mga sistema na mahusay na tumugon sa mga pang -eksperimentong o dynamic na teknolohikal na kapaligiran, na nag -aalok ng malinaw na mga benepisyo sa mga nakapirming katapat nito.
sa 2024/11/19
sa 2024/11/19
sa 8000/04/18 147778
sa 2000/04/18 112035
sa 1600/04/18 111352
sa 0400/04/18 83794
sa 1970/01/1 79602
sa 1970/01/1 66978
sa 1970/01/1 63111
sa 1970/01/1 63044
sa 1970/01/1 54097
sa 1970/01/1 52198