
Ang L7812CV ay isang three-terminal positibong boltahe regulator na idinisenyo upang magbigay ng matatag na kapangyarihan sa mga electronic circuit.Tumutulong ito na matiyak ang maayos na regulasyon ng boltahe nang direkta sa circuit board, pagtugon sa mga potensyal na problema sa pamamahagi na maaaring mangyari kapag nag -regulate ng kapangyarihan mula sa isang solong punto.Ang sangkap na ito ay nagtatampok ng mga mekanismo ng panloob na proteksyon tulad ng kasalukuyang paglilimita at thermal shut-down, na nag-aambag sa tibay nito at maaasahang operasyon sa ilalim ng iba't ibang mga kondisyon.Maaari itong magbigay ng higit sa 1 amp ng output kasalukuyang, sa kondisyon na ang sapat na pagwawaldas ng init ay nasa lugar.Habang ang L7812CV ay pangunahing ginagamit para sa nakapirming regulasyon ng boltahe, maaari rin itong pagsamahin sa mga karagdagang sangkap upang payagan ang nababagay na boltahe at kasalukuyang mga output, na nagbibigay ng kakayahang umangkop sa iba't ibang mga aplikasyon.




Output kasalukuyang hanggang sa 1.5 a
Output boltahe ng 5;6;8;8.5;9;12;15;18;24 v
Proteksyon ng thermal overload
Proteksyon ng Maikling Circuit
Proteksyon ng Output Transition SOA
2 % output boltahe tolerance (isang bersyon)
Garantisado sa pinalawig na saklaw ng temperatura (isang bersyon)
Ang L7812CV mula sa STMICROELECTRONICS ay may kasamang mga teknikal na pagtutukoy, tampok, at mga parameter, pati na rin ang isang paghahambing sa iba pang mga sangkap na may katulad na mga katangian sa L7812CV.
| I -type | Parameter |
| Katayuan ng Lifecycle | Aktibo (huling na -update: 7 buwan na ang nakakaraan) |
| Oras ng tingga ng pabrika | 24 na linggo |
| Makipag -ugnay sa kalupkop | Lata |
| Bundok | Sa pamamagitan ng butas |
| Uri ng pag -mount | Sa pamamagitan ng butas |
| Package / Kaso | TO-220-3 |
| Bilang ng mga pin | 3 |
| Timbang | 2.299997G |
| Temperatura ng pagpapatakbo | 0 ° C ~ 125 ° C. |
| Packaging | Tube |
| Tolerance | 5% |
| Code ng JESD-609 | E3 |
| Bahagi ng Bahagi | Aktibo |
| Antas ng Sensitivity ng kahalumigmigan (MSL) | 1 (walang limitasyong) |
| Bilang ng mga pagtatapos | 3 |
| Posisyon ng terminal | Walang asawa |
| Bilang ng mga pag -andar | 1 |
| BASE PART NUMBER | L7812 |
| Bilangin ng pin | 3 |
| Boltahe - Input (MAX) | 35v |
| Boltahe ng output | 12v |
| Uri ng output | Naayos |
| Max output kasalukuyang | 1.5a |
| Pagsasaayos ng output | Positibo |
| Quiescent kasalukuyang | 8ma |
| Output boltahe 1 | 12v |
| Bilang ng mga regulator | 1 |
| Min input boltahe | 14v |
| Mga tampok ng proteksyon | Sa paglipas ng temperatura, maikling circuit |
| Boltahe dropout (max) | 2V @ 1A typ |
| PSRR | 55dB (120Hz) |
| Dropout boltahe | 2v |
| Dropout boltahe1-nom | 2v |
| Min output boltahe | 12v |
| Ratio ng pagtanggi ng power supply (PSRR) | 55dB |
| Nominal output boltahe | 12v |
| Taas | 9.15mm |
| Haba | 10.4mm |
| Lapad | 4.6mm |
| Abutin ang SVHC | Walang SVHC |
| Radiation Hardening | Hindi |
| Katayuan ng ROHS | Sumunod ang ROHS3 |
| Libre ang Lead | Libre ang Lead |





| Bahagi ng bahagi | Paglalarawan | Tagagawa |
| MC7815ACTG | Linear boltahe regulator, 1a, 5 hanggang 24v, positibong vout: 15.0v;TJ: 0 ° C hanggang +125 ° C, TO-220, solong sukat, 3-lead, 50-tube | Sa semiconductor |
| BA178M15CP | Nakatakdang Positibong Pamantayang Regulator, 15V Bipolar, MSFM3, TO-220, 3 PIN | Rohm Semiconductor |
| MC7812AECTBU | 12v Nakatakdang Positibong Regulator, PSFM3, Sumunod ang ROHS, TO-220, 3 PIN | Rochester Electronics LLC |
| P1406-15-883B | Nakatakdang positibong pamantayang regulator, 15V MSFM3, TO-257, 3 PIN | TT Electronics Resistors |
| OM7812AIH | Nakatakdang Positibong Pamantayang Regulator, 12V Bipolar, MSFM3, TO-257A, 3 PIN | Infineon Technologies Ag |
| UPC7815Ahf | Nakatakdang Positibong Pamantayang Regulator, 15V Bipolar, MSFM3, Nahiwalay, Plastik, TO-220, SIP-3 | NEC Electronics America Inc. |
| UPC7812Ahf-Az | UPC7812Ahf-Az | Renesas Electronics Corporation |
| P7815AG-883B | 15v Nakatakdang Positibong Regulator, MSFM3, TO-257A, 3 Pin | |
| P7815AG-BS2S | Nakatakdang positibong pamantayang regulator, 15V MSFM3, TO-257A, 3 pin | TT Electronics Resistors |
| SHD5158B | Nakatakdang positibong pamantayang regulator, 15V, SHD-5B, 3 pin | Sensitron Semiconductors |
Patuloy +12V output regulator sa kapangyarihan microcontroller at sensor sa karamihan ng mga proyekto
Nababagay na output regulator
Kasalukuyang limiter para sa ilang mga aplikasyon
Regulated Dual Supply
Output polarity-reversal-protection circuit
Nakapirming output regulator


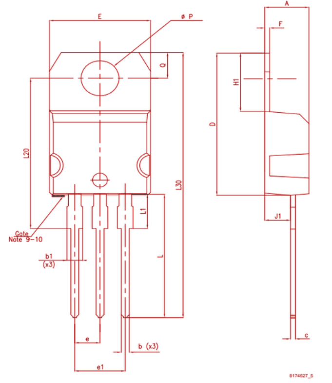
| Malabo | Min.(mm) |
| A | 4.4 |
| b | 0.61 |
| B1 | 1.14 |
| c | 0.48 |
| D | 15.25 |
| E | 10 |
| e | 2.4 |
| E1 | 4.95 |
| F | 0.51 |
| H1 | 6.2 |
| J1 | 2.4 |
| L | 13 |
| L1 | 3.5 |
| L20 | - |
| L30 | - |
| Øp | 3.75 |
| Q | 2.65 |

Ang Stmicroelectronics ay isang pandaigdigang pinuno sa industriya ng semiconductor, na kilala sa paggawa ng isang malawak na hanay ng mga elektronikong sangkap at solusyon.Pinagsasama nila ang kadalubhasaan sa teknolohiya ng silikon at disenyo ng system, kasama ang mga advanced na kakayahan sa pagmamanupaktura, na nagbibigay -daan sa kanila upang maihatid ang mga makabagong produkto na nakakatugon sa mga pangangailangan ng mga modernong elektronika.Ang kanilang trabaho ay sumasaklaw sa maraming mga aplikasyon, kabilang ang mga microelectronics, at kinikilala sila para sa kanilang kakayahang umangkop sa mabilis na pagbabago ng tech na tanawin.Sa pamamagitan ng madiskarteng pakikipagtulungan at isang malakas na portfolio ng intelektwal na pag-aari, ang StMicroelectronics ay patuloy na humuhubog sa hinaharap ng mga elektronika, na tumutulong sa mga aparato na maging mas mahusay, konektado, at madaling gamitin.Ang kanilang mga produkto ay gumaganap ng isang pangunahing papel sa pagpapagana ng tagpo ng teknolohiya, na ginagawang mas madali para sa iba't ibang mga sistema na magtulungan sa pang -araw -araw na aplikasyon.
Ang L7812CV ay isang three-terminal positibong boltahe regulator.Tumutulong ito na magbigay ng matatag na regulasyon ng boltahe nang direkta sa circuit board, na nag -aalis ng mga hamon ng pamamahala ng boltahe mula sa isang solong punto.Kasama dito ang mga built-in na tampok tulad ng kasalukuyang paglilimita at thermal shut-down, na ginagawang napaka matibay at magagawang hawakan ang iba't ibang mga kondisyon.
Ang isang nakapirming regulator ng boltahe ay nangangailangan ng halos walang mga panlabas na sangkap, bukod sa posibleng ilang mga capacitor ng bypass, upang mapatakbo.Sa kabilang banda, ang isang nababagay na regulator ng boltahe ay nangangailangan ng ilang mga panlabas na sangkap para sa wastong paggana.Gamit ang nababagay na uri, maaari kang magkaroon ng isang mas malawak na hanay ng boltahe at kasalukuyang mga pagpipilian, na nag -aalok ng higit na kakayahang umangkop para sa iba't ibang mga pangangailangan.
Parehong ang L78S12CV at ang L7812CV ay may katulad na pagganap sa mga tuntunin ng output boltahe kumpara sa temperatura ng kantong.Gayunpaman, ang saklaw ng temperatura ng operating ay bahagyang naiiba: ang L7812CV ay gumagana sa pagitan ng 0 ° C at 125 ° C, habang ang L78S12CV ay maaaring umakyat sa 150 ° C.Sa kabila nito, ang parehong mga chips ay may parehong thermal resistance, nangangahulugang ang L78S12CV ay hindi kinakailangang magpatakbo ng mas cool sa ilalim ng parehong pag -load, ngunit maaari itong hawakan ang mas mataas na temperatura kung kinakailangan.
Ang Nichrome wire ay lumilikha ng isang resistive load.Malamang, ang iyong wire ay may napakababang pagtutol, marahil sa ilalim ng 100 ohms o kahit 1 ohm.Kapag ang paglaban ay mababa ito, maaari itong gumuhit ng mataas na kasalukuyang sa pamamagitan ng regulator.Kung nagpapakain ka ng 17V sa regulator at lumabas ng 12V, ang pagkakaiba ng 5V ay natatanggal bilang init.Para sa bawat amp ng kasalukuyang, na ang 5V drop ay nagreresulta sa 5 watts ng init.Dahil ang nichrome wire ay maaaring gumuhit ng maraming kasalukuyang, ang iyong regulator ay malamang na naglalabas ng maraming init.
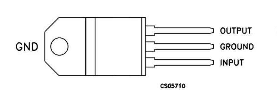
Kung gumagamit ka ng TO-220 package, ang pinakamadaling paraan upang makilala ang mga pin ay upang tumingin sa gilid kasama ang pag-label at ituro ang mga pin pababa.Mula kaliwa hanggang kanan, ang pin 1 ay ang input, ang pin 2 ay ang lupa, at ang pin 3 ay ang output.Siguraduhin na nagbibigay ka ng isang DC input dahil kung baligtarin mo ang input at output, maaaring masunog ang chip.Gayundin, tiyakin na ang boltahe ng input ay hindi masyadong mataas para hawakan ng chip.
Ang L7812CV ay isang nakapirming regulator ng boltahe na nagbibigay ng isang matatag na 12V output.Maaari itong hawakan hanggang sa 1A ng kasalukuyang, at ang boltahe ng input ay maaaring saklaw mula 14V hanggang 35V.
Mangyaring magpadala ng isang pagtatanong, tutugon kami kaagad.
sa 2024/10/16
sa 2024/10/16
sa 8000/04/18 147757
sa 2000/04/18 111935
sa 1600/04/18 111349
sa 0400/04/18 83721
sa 1970/01/1 79508
sa 1970/01/1 66905
sa 1970/01/1 63028
sa 1970/01/1 63012
sa 1970/01/1 54081
sa 1970/01/1 52124