
Ang HT12E RF encoder IC ay isang mahusay na sangkap sa kaharian ng RF at IR wireless na mga sistema ng komunikasyon.Ang pangunahing pag-andar nito ay ang pag-encode ng mga signal sa isang 12-bit na istraktura, na nagpapagana ng ligtas at maaasahang paghahatid ng data.Tinitiyak ng proseso ng pag -encode na ang ipinadala na data ay isinaayos sa isang format na kapwa nakikilala at naproseso ng mga natanggap na yunit.Ang HT12E ay gumagana nang walang putol sa katapat nito, ang HT12D Decoder IC, na lumilikha ng isang epektibong link sa komunikasyon sa pagitan ng pagpapadala at pagtanggap ng mga aparato.Ang isa sa mga pangunahing bentahe ng HT12E ay ang kakayahang i -convert ang kahanay na mga input ng data sa mga serial output, isang tampok na nagpapabuti ng integridad ng data at seguridad.Ginagawa nitong mahalaga sa mga aplikasyon tulad ng mga remote control at alarm system, kung saan kinakailangan ang pare -pareho at maaasahan na paghahatid ng signal para sa wastong pag -andar.

|
Numero ng pin |
Pangalan ng pin |
Paglalarawan |
|
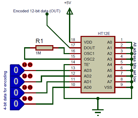
1 hanggang 8 |
A0, A1, A2, A3, A4, A5, A6, A7 |
Ito ang mga 8-bit address bits na ginamit upang maprotektahan ang data.
Ang mga bits na ito ay dapat itakda sa parehong pattern sa encoder at decoder ics sa
ipares ang mga ito. |
|
9 |
Ground/vss |
Konektado sa lupa ng circuit. |
|
10 hanggang 13 |
AD0, AD1, AD2, AD3 |
Ang apat na pin na ito ay ginagamit upang magpadala ng data.Ang data na naka -encode
Dito ay mai -decode sa HT12D IC na nagbabahagi ng parehong mga bits ng address. |
|
14 |
Paghahatid Paganahin (TE) |
Ang pin na ito ay dapat na konektado sa lupa (0V) upang paganahin ang
paghawa. |
|
15 at 16 |
Oscillator pin 1 & 2 |
Ang IC ay may built-in na oscillator.Ikonekta ang dalawang pin na ito
sa pamamagitan ng isang 1m risistor upang magamit ito. |
|
17 |
Output |
Ang naka-encode na 12-bit na data ng output ay maaaring makuha mula dito
pin. |
|
18 |
VCC/VDD |
Ang pin na ito ay pinapagana ang IC, karaniwang +5V ay ginagamit.Maaaring saklaw
mula sa 2.4V hanggang 12V. |
|
Tampok |
Paglalarawan |
|
12-bit encoder ic |
Dinisenyo upang magamit sa HT12D para sa pag -encode ng data. |
|
Naka -encode na data |
Binubuo ng 4 na data bits at 8 address bits, na bumubuo ng isang kabuuang
ng 12 bits (8+4 = 12 bits). |
|
Wireless transmission |
Karaniwang ginagamit para sa RF at IR wireless transmission
Mga Aplikasyon. |
|
Saklaw ng boltahe ng supply |
Nagpapatakbo na may malawak na saklaw ng boltahe ng supply mula sa 2.4V hanggang
12v, karaniwang 5V ay ginagamit. |
|
Mababang standby kasalukuyang |
Kumokonsumo ng isang standby kasalukuyang lamang 0.1µA sa VCC = 5V,
tinitiyak ang kahusayan ng enerhiya. |
|
Mga pagpipilian sa pakete |
Magagamit sa 16-pin dip at 20-pin SOP packages para sa
nababaluktot na pagsasama sa mga circuit. |
At PT2262
At 74C922
Ang HT12E IC ay malawakang ginagamit sa ligtas at maaasahang mga sistema ng paghahatid ng data, lalo na sa RF at IR wireless na komunikasyon at mga remote control application.Nagpapares ito sa HT12D decoder upang lumikha ng isang ligtas na balangkas, gamit ang isang pagsasaayos na batay sa address upang maiwasan ang hindi awtorisadong pag-access.Kasama sa mga karaniwang gamit ang mga pintuan ng garahe, automation ng bahay, at mga sistema ng pag -iilaw, kung saan ang simpleng pamamaraan ng pag -encode nito ay nagsisiguro na kadalian ng paggamit at pagiging maaasahan.Sa kabila ng pagsuporta lamang sa 4-bit na paghahatid ng data, mainam ito para sa mga short-range control system na unahin ang seguridad at pagganap.Maraming madalas na ipasadya ang mga setting ng address nito upang matugunan ang mga tiyak na pangangailangan ng proyekto, na ginagawa ang HT12E na maraming nalalaman na pagpipilian para sa mga aplikasyon na nangangailangan ng katamtamang pagiging kumplikado at matatag na integridad ng data.
Ang HT12E encoder IC ay isang mahalagang sangkap para sa paghahatid ng data sa mga remote control system.Upang mapatakbo ito, ikonekta ang IC sa isang matatag na mapagkukunan ng 5V at ground ang paghahatid ay paganahin ang PIN upang maisaaktibo ang mode ng paghahatid ng data nito.Ang panloob na oscillator ay nangangailangan ng isang 1M risistor na konektado sa mga OSC1 at OSC2 pin upang matiyak ang tumpak na tiyempo at matatag na pagganap.Para sa pag-input ng data, gamitin ang 4-bit na pagsasaayos sa PIN AD0-AD3, at ihanay ang Address Pins (A0-A7) upang tumugma sa address ng decoder upang maiwasan ang mga pagkakamali sa komunikasyon.Ang naka -encode na data ay pagkatapos ay output sa pamamagitan ng data pin at maaaring maipadala sa isang HT12D decoder sa pamamagitan ng alinman sa isang wired na koneksyon o mga wireless na teknolohiya tulad ng RF o IR.Habang ang mga wired na koneksyon ay maaasahan para sa mga maikling distansya, ang mga wireless na pamamaraan ay nagbibigay ng higit na kakayahang umangkop at kakayahang umangkop, na ginagawang perpekto para sa iba't ibang mga aplikasyon.

Ang diagram ng koneksyon para sa HT12E IC
Ang HT12E encoder ay malawakang ginagamit sa mga remote control system tulad ng mga openers ng garahe ng garahe upang mapabuti ang kahusayan.Ito ay nagko -convert ng kahanay na data sa isang format na angkop para sa paghahatid ng module ng RF, tinitiyak ang tumpak at maaasahang komunikasyon sa pagitan ng remote at ang tatanggap.Kumpara sa mga sistema ng analog, ang HT12E ay nag -aalok ng mas mabilis at mas maaasahan na pagganap.
Sa automation ng bahay, ang HT12E ay gumaganap ng isang papel sa pag -convert ng serial data para sa mahusay na pagsasama ng system.Pinapayagan nito ang sentralisadong kontrol ng iba't ibang mga aktibidad, tulad ng pag -on o pag -off at pamamahala ng mga kasangkapan nang malayuan.Ang encoder na ito ay hindi lamang nagpapabuti sa kaginhawaan ngunit nagtataguyod din ng kahusayan ng enerhiya sa pamamagitan ng pagpapahintulot sa tumpak na kontrol ng mga sistema ng bahay, na nakatutustos sa iyong mga pangangailangan para sa ginhawa at pagpapanatili.
Ang HT12E ay nagpapabuti sa mga sistema ng seguridad, tulad ng mga alarma sa pagnanakaw at sunog, sa pamamagitan ng pagtiyak ng ligtas at tumpak na paglipat ng data.Tinitiyak ng maaasahang pag -encode nito na ang mga signal ng emergency, tulad ng mga alerto sa panghihimasok o mga babala sa sunog, ay mabilis at wastong naipadala sa mga istasyon ng pagsubaybay o mga emergency responder.Pinahuhusay nito ang pangkalahatang kaligtasan at pagtugon ng mga naturang sistema sa mga kritikal na sitwasyon.
Ang mga pagsusuri sa patlang ay nagpapakita na ang HT12E ay patuloy na naghahatid ng maaasahang pagganap, kahit na sa mapaghamong mga kapaligiran na may pagkagambala sa electromagnetic.Ang pagiging matatag at kakayahang umangkop sa iba't ibang mga aplikasyon ay ginagawang isang standout solution sa wireless na komunikasyon, na nagbibigay inspirasyon upang galugarin ang mga makabagong paggamit at i -maximize ang potensyal nito.

Mangyaring magpadala ng isang pagtatanong, tutugon kami kaagad.
sa 2024/12/20
sa 2024/12/20
sa 8000/04/18 147757
sa 2000/04/18 111935
sa 1600/04/18 111349
sa 0400/04/18 83720
sa 1970/01/1 79508
sa 1970/01/1 66904
sa 1970/01/1 63028
sa 1970/01/1 63012
sa 1970/01/1 54081
sa 1970/01/1 52123