
Ang BAV70.Ang mabilis na paglipat ng dual diode na ito ay nakakahanap ng utility sa isang napakaraming mga elektronikong aplikasyon.Ang papel nito ay sumasaklaw sa paglipat ng mga circuit, mga sistema ng pagtuklas, mga high-frequency na pagwawasto ng mga circuit, at mga kontrol sa automation.
Ang BAV70 ay higit sa pamamahala at pagdidirekta ng mga signal ng elektrikal na may katumpakan.Ang mababang pasulong na boltahe na kasama ng isang mataas na reverse breakdown boltahe ay ginagawang epektibo para sa mga sistema ng pagtuklas na humihiling ng pagiging sensitibo at hindi nagbabago na pagiging maaasahan.Marami ang gumagamit nito sa mga high-frequency na pagwawasto ng mga circuit dahil sa mabilis na oras ng pagtugon at kaunting pagbaluktot ng signal, tinitiyak ang pagganap ng rurok sa mga dynamic na elektronikong kapaligiran.
Sa loob ng mga kontrol ng automation, ang BAV70 ay gumaganap ng isang papel sa pagprotekta ng mga sensitibong sangkap mula sa pagbabagu -bago ng boltahe, sa gayon ay pinapalo ang pagiging matatag at kahabaan ng mga elektronikong sistema.Ang disenyo nito ay nagpapakita ng pagiging maaasahan, maliwanag sa parehong mga prototyp ng laboratoryo at buong pagpapatupad.Sa mga kapaligiran na nailalarawan sa pamamagitan ng madalas na mga pagkakaiba -iba ng signal, ang mga sangkap na ito ay ginagamit para sa pagpapanatili ng integridad ng system at mga malfunctions ng kagubatan.

|
Numero ng pin |
Pangalan ng pin |
Paglalarawan |
|
1 |
Diode 1 anode |
Anode pin ng 1st diode |
|
2 |
Diode 2 katod |
Cathode pin ng 2nd diode |
|
3 |
Diode 1 Cathode Diode 2 Anode |
Cathode pin ng 1st diode at anode pin ng 2nd diode |



|
I -type |
Parameter |
|
Katayuan ng Lifecycle |
Huling Pagpapadala (huling na -update: 1 linggo ang nakakaraan) |
|
Makipag -ugnay sa kalupkop |
Lata |
|
Uri ng pag -mount |
Surface Mount |
|
Bilang ng mga pin |
3 |
|
Packaging |
Tape & Reel (TR) |
|
Bahagi ng Bahagi |
Lipas na |
|
Max na temperatura ng operating |
150 ° C. |
|
Kapasidad |
1.5pf |
|
Kasalukuyang rating |
200Ma |
|
Boltahe |
75v |
|
Bilis |
Maliit na signal <= 200mA (Io), Any Speed |
|
Uri ng diode |
Pamantayan |
|
Pag -dissipation ng Power |
350MW |
|
Ipasa ang kasalukuyang |
200Ma |
|
Oras ng tingga ng pabrika |
42 linggo |
|
Bundok |
Surface Mount |
|
Package / Kaso |
TO-236-3, SC-59, SOT-23-3 |
|
Package ng aparato ng supplier |
SOT-23-3 (TO-236) |
|
Nai -publish |
2004 |
|
Antas ng Sensitivity ng kahalumigmigan (MSL) |
1 (walang limitasyong) |
|
Min operating temperatura |
-55 ° C. |
|
Boltahe - Na -rate na DC |
70V |
|
BASE PART NUMBER |
BAV70 |
|
Pagsasaayos ng elemento |
Karaniwang katod |
|
Kasalukuyan |
2a |
|
Kasalukuyang - Reverse Leakage @ VR |
5μA @ 70V |
|
Boltahe - Ipasa (vf) (max) @ kung |
1.25V @ 150mA |
|
Temperatura ng Operating - Junction |
150 ° C max |
|
Max Surge Kasalukuyang |
2a |
|
Kasalukuyang - Average na Rectified (IO) |
200Ma |
|
Max Reverse Voltage (DC) |
70V |
|
Baliktarin ang oras ng pagbawi |
6 ns |
|
Max Repetitive Reverse Voltage (VRRM) |
70V |
|
Balbas na boltahe |
70V |
|
Max Forward Surge Kasalukuyang (IFSM) |
2a |
|
Max junction temperatura (TJ) |
150 ° C. |
|
Haba |
2.92mm |
|
Abutin ang SVHC |
Walang SVHC |
|
Katayuan ng ROHS |
Sumunod ang ROHS |
|
Boltahe - DC Reverse (VR) (MAX) |
70V |
|
Ipasa ang boltahe |
1v |
|
Average na naayos na kasalukuyang |
200Ma |
|
Peak reverse kasalukuyang |
100μA |
|
Peak non-paulit-ulit na pag-surge kasalukuyang |
2a |
|
Pagsasaayos ng diode |
1 pares karaniwang katod |
|
Oras ng pagbawi |
6 ns |
|
Taas |
1.2mm |
|
Lapad |
1.3mm |
|
Radiation Hardening |
Hindi |
|
Libre ang Lead |
Libre ang Lead |

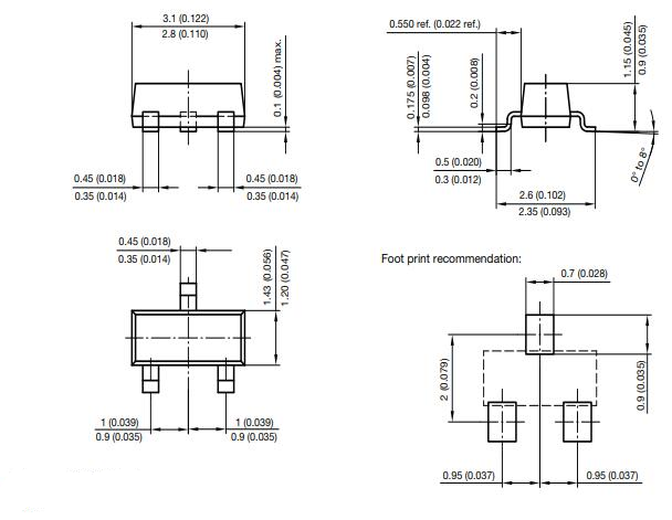
Ang BAV70 ay matikas na nakalagay sa isang pakete ng SOT-23, na may maselan na masa na humigit-kumulang na 8.8 milligrams.Ang compact na istraktura na ito ay nilikha upang ma -maximize ang paggamit ng limitadong puwang sa mga nakalimbag na circuit board.Ang paggawa ng landscape ngayon ay nangangailangan ng mga sangkap tulad ng BAV70 na sanay sa pagsuporta sa mga awtomatikong linya ng pagpupulong, na nagpapaliwanag ng iba't ibang mga pagpipilian sa bulk packaging na pinasadya para sa mga proseso na hinihimok ng kahusayan.Ang maalalahanin na diskarte sa disenyo na ito ay hindi lamang nag-streamlines ng produksyon ngunit nagpapagaan din ng mga panganib ng error sa panahon ng pagpupulong, isang kadahilanan na humahawak ng timbang sa paggawa ng mataas na dami ng elektroniko kung saan kinakailangan ang katumpakan at pagiging maaasahan.
Sa gitna ng disenyo ng BAV70 ay namamalagi ang mga kilalang mekanikal na katatagan, kapag nahaharap sa mga hamon ng thermal na madalas na nakatagpo sa mga elektronikong aparato.Ang mga kakayahan sa pamamahala ng thermal ay pinagtagpi sa mismong disenyo ng pakete ng SOT-23, na tinitiyak ang pagganap ay nananatiling pare-pareho sa mahabang panahon.Ang napapailalim na paniwala dito ay ang tibay ay kasing prinsipyo ng disenyo dahil ito ay isang paunang kinakailangan sa pagmamanupaktura.
Ang diode na ito ay nilikha para sa mahusay na pagganap, na may mabilis na bilis ng paglipat nito na kapaki -pakinabang sa mga kapaligiran na sensitibo sa mga pagkakaiba -iba ng dalas.Ang high-speed switch ay nag-aambag sa pagtaas ng kahusayan at nagbibigay-daan para sa pinataas na katumpakan sa pagproseso ng signal, na kung saan ay integral sa pagpapanatili ng integridad ng system sa masalimuot na mga istruktura ng elektronik.
Ang nabawasan na kapasidad ay naghahatid ng isang kilalang benepisyo sa pamamagitan ng pagpapagaan ng panganib ng hindi sinasadyang pagsasama ng signal, isang madalas na hamon sa mga disenyo ng circuit ng RF.Sa pamamagitan ng pagbawas sa isyung ito, ang katumpakan ng paghahatid ng signal ay pinahusay, pagpapabuti ng pagiging maaasahan ng system.Ang telemetry o remote sensing ay madalas na pinapaboran ang mga sangkap na may mababang kapasidad upang mapanatili ang mataas na kalidad ng data, pagkamit ng isang balanse sa pagitan ng compactness at kakayahan.
Ang pagpigil sa pagtagas kasalukuyang ay mabuti para sa pagkamit ng kahusayan ng kuryente, lalo na sa mga system na nagpapatakbo sa mga napilitang reserbang kuryente.Ang tampok na ito ay kapaki -pakinabang sa portable at masusuot na mga teknolohiya na naglalayong palawakin ang buhay ng baterya.Sa pamamagitan ng pag -minimize ng pagtagas, ang diode na ito ay tumutulong sa pagpapahaba ng operasyon ng aparato, na nag -aalok ng pinalawig na paggamit sa pagitan ng mga singil, isang benepisyo na pinahahalagahan ng mga tagagawa na nagsusumikap upang mapabuti ang kasiyahan.
Ang compact, naka-mount na arkitektura ng BAV70 ay nagpapanatili ng mahalagang puwang ng board ng circuit, na kung saan ay lalong mahalaga dahil ang mga elektronikong aparato ay nagiging mas compact.Sinusuportahan ng kalidad na ito ang pag -unlad ng industriya patungo sa miniaturization, na nagpapagana ng mas advanced na disenyo sa loob ng mga pinigilan na puwang.
Ang mga high-speed switch ay hinihingi ang mga diode na may kakayahang mabilis na paglilipat ng estado, pagbabawas ng pagkaantala at pag-iingat ng enerhiya.Ang mabilis na mga katangian ng pagbawi ng BAV70 ay ginagawang isang ginustong pagpipilian sa mga circuit kung saan ang katumpakan ng tiyempo ay isang kritikal na kadahilanan.Malawakang ginagamit ito sa mga aparato ng telecommunication at computing, pagpapahusay ng bilis ng pagproseso ng data at oras ng pagtugon, kung saan kinakailangan ang kahusayan at mabilis na operasyon.
Sa mga circuit na humahawak ng isang malawak na hanay ng mga pag-andar, ang pangkalahatang-layunin na paglipat ay gumaganap ng isang malaking papel.Ang kakayahan ng BAV70 upang mapanatili ang pagiging maaasahan at pagiging epektibo sa malawak na saklaw ng boltahe ay nagbibigay -daan sa paggamit nito sa iba't ibang larangan, mula sa elektronika hanggang sa pang -industriya na automation.Ang pare -pareho na pagganap nito sa iba't ibang mga setting ay nagpapakita ng kahalagahan ng pagkakaroon ng mga adaptable na sangkap sa kontemporaryong electronics.
Kapag ang reverse polarity ay nagdudulot ng isang banta sa integridad ng circuit, nag -aalok ang BAV70 ng isang mabubuhay na solusyon sa pamamagitan ng pagkilos bilang isang panukalang proteksiyon sa mga sistema ng supply ng kuryente.Ang panukalang ito ng pag -iwas ay hindi lamang nagpapabuti sa kaligtasan ngunit nagpapalawak din ng habang -buhay ng mga circuit.Ang malawak na paggamit nito sa mga automotive electronics na pangangalaga laban sa mga error sa pag -install, na ipinapakita ang kakayahan nito upang maiwasan ang mga isyu at ipakilala ang isang pagtuon sa kaligtasan ng circuit.
Ang BAV70 ay epektibo sa mga operasyon ng clipping at clamping para sa pagpapanatili ng kadalisayan ng mga signal.Ang mga pag -andar na ito ay mabuti sa mga audio at video system, kung saan kinakailangan ang pag -iwas sa signal ng signal.Ang paggamit ng BAV70 ay nagsisiguro na ang mga signal ay mananatili sa loob ng mga inilaan na mga limitasyon, sa gayon pinapanatili ang parehong kalidad at pagiging maaasahan ng pagpapatakbo.
Ang mga circuit circuit ay may hawak na isang function sa pagtatanggol ng mga sensitibong sangkap laban sa mga boltahe na peak at surge.Ang BAV70, madalas na isang bahagi ng mga circuit na ito, ay nag -aambag ng isang malakas na diskarte sa pagtatanggol.Ang papel na ito ay kapansin -pansin na kilalang sa mga nababago na mga sistema ng enerhiya, kung saan ang mga pagbabagu -bago ng boltahe ay madalas, na binibigyang diin ang papel ng diode sa pagsulong ng mga napapanatiling solusyon sa teknolohikal.
At BAV99
At Baw56
At MMBD1503

Ang Onsemi ay may hawak na isang kilalang posisyon sa Semiconductor Arena, pinuri para sa pagbabago nito sa paglikha ng mga aparato sa pamamahala ng kapangyarihan at signal.Ang bawat isa sa mga sektor na ito ay nagtatanghal ng sariling mga hamon at hinihingi.Ang papel ni Onsemi sa industriya ng automotiko ay nakatayo, lalo na sa mga advanced na sistema ng pagtulong sa driver (ADAS) at mahusay na mga solusyon sa enerhiya na pinasadya para sa mga de-koryenteng sasakyan (EV).Ang kanilang mga sangkap ay integral sa mga system na unahin ang mahigpit na mga hakbang sa kaligtasan at hindi matitinag na pagiging maaasahan.Ang pag -prioritize ng mga elementong ito ay maaaring mapahusay ang pagganap ng sasakyan, pag -aalaga ng tiwala at kasiyahan.Ang mga madiskarteng pagpipilian ng Onsemi, tulad ng pagyakap sa mga napapanatiling kasanayan at teknolohiya ng pangunguna, ay sumasalamin sa dedikasyon nito sa pagtugon sa mga hamon sa hinaharap at mahusay na hinihingi ng pandaigdig.
Mangyaring magpadala ng isang pagtatanong, tutugon kami kaagad.
Ang BAV70 ay naka-encode sa isang aparato na naka-mount sa ibabaw ng SOT23 (TO-236AB).Ang format na ito ay minamahal para sa compact na laki nito, na nagpapahintulot sa walang tahi na pagsasama sa mga modernong electronic circuit.
Natagpuan ng BAV70 ang lugar nito sa maraming mga elektronikong sistema.Naghahain ito ng mga pag -andar sa paglipat ng mga circuit at mga circuit circuit, tinitiyak ang epektibong pag -convert ng signal.Sa mataas na dalas na pagwawasto, ito ay higit sa pagpapagana ng mabilis na paglipat at pamamahala ng boltahe para sa mahusay na pagganap.Ang mga awtomatikong control system ay nakakakuha din ng isang gilid mula sa BAV70, dahil pinangangasiwaan nito ang mga variable na elektrikal, pinalakas ang mga kakayahan ng mga intelihenteng aparato.
Ang BAV70 ay idinisenyo upang pamahalaan ang hanggang sa 75V, na nakatutustos sa mga aplikasyon kung saan ang mga pagkakaiba -iba ng boltahe ay isang priyoridad.Ito ay sumasaklaw sa katatagan na nakakaakit para sa mga circuit na nakasalalay sa pare -pareho ang regulasyon ng boltahe.
Ang BAV70 ay gumana nang epektibo sa loob ng isang saklaw ng temperatura na -55 ° C hanggang 150 ° C.Tinitiyak ng kakayahang umangkop na ito ang pagiging maaasahan sa iba't ibang mga kondisyon ng kapaligiran, pagpapahusay ng kahabaan ng buhay nito sa mga aparato na nagpapatakbo sa ilalim ng matinding temperatura.Sinusuportahan nito ang parehong elektronika at pang -industriya na kagamitan, na akomodasyon sa karaniwang mga pagbabago sa temperatura sa mga patlang na ito.
Nagtatampok ng tatlong pin, ang BAV70 ay nilikha upang ma -optimize ang koneksyon at pag -andar sa loob ng mga compact na electronic frameworks.Ang maalalahanin na disenyo na ito ay sumusuporta sa isang maayos na balanse sa pagitan ng pagiging kumplikado at kadalian sa panahon ng pagsasama, na pinapawi ang proseso ng pagpupulong sa paggawa.
sa 2024/11/8
sa 2024/11/8
sa 8000/04/18 147757
sa 2000/04/18 111936
sa 1600/04/18 111349
sa 0400/04/18 83721
sa 1970/01/1 79508
sa 1970/01/1 66907
sa 1970/01/1 63035
sa 1970/01/1 63012
sa 1970/01/1 54081
sa 1970/01/1 52125