




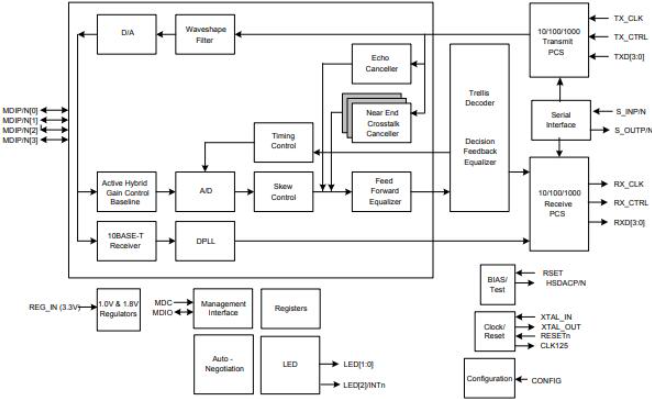
Ang 88E1512 ay isang lubos na madaling iakma ang Gigabit Ethernet transceiver.Sinusuportahan nito ang malawak na ginamit na 1000Base-T, 100Base-TX, at mga pamantayan sa 10Base-T, na tinitiyak ang mahusay na paghahatid ng data.Ang pagkakaiba -iba sa mga pamantayan na ito ay nagbibigay -daan upang matupad ang mga hinihingi ng mga modernong sistema ng network, na nag -aalok ng pagiging maaasahan sa iba't ibang mga interface.
Sa mga koneksyon na magagamit sa pamamagitan ng parehong mga interface ng GMII at RGMII, pinadali ng transceiver ang maayos na pagsasama sa iba't ibang mga imprastruktura ng network.Ang dalawahang pagiging tugma na ito ay nakasalalay sa magkakaibang mga arkitektura ng network, na nagbibigay sa iyo ng kakayahang umangkop na kinakailangan upang mapahusay ang pagganap ng system nang walang putol.Ang kadalian ng pagsasama sa mga umiiral na mga sistema ay madalas na pinahahalagahan, na pinalakas ang parehong scalability at kahusayan.Ang pagsuporta sa mga format na tanso, hibla, at SGMII, ang 88E1512 ay handa na umangkop sa isang hanay ng mga senaryo ng network.Sa mga kapaligiran kung saan hinihiling ng network ang pagbabago, ang kakayahang ito ay maaaring maging kapaki -pakinabang.Ang awtomatikong pagtuklas ng uri ng media ng transceiver ay binabawasan ang pagiging kumplikado ng pag -setup, pamamahala ng network ng pag -stream.
Ang pinagsamang mga resistors ng pagtatapos ng MDI ay bahagi ng mahusay na disenyo ng 88E1512, pinasimple ang mga layout ng circuit at pagbaba ng mga gastos na may kaugnayan sa mga materyales at pagmamanupaktura.Ang maalalahanin na disenyo na ito ay nakahanay sa mga pamantayan ng IEEE, na tinitiyak ang pare -pareho na pagganap.Ang nasabing mga pantulong na kahusayan sa paghahatid ng mga system na maaasahan ngunit prangka upang mag -deploy.Ang balanse ng katumpakan at pamamahala ng gastos na inaalok ng 88E1512 ay madalas na hinahangad.Sa pamamagitan ng paghahatid ng mga kalidad na solusyon na iginagalang ang mga hadlang sa badyet, ang mga proyekto ay maaaring makamit ang parehong pagpapanatili at scalability.Ang balanse na ito ay karaniwang sinusunod sa matagumpay na pagpapatupad, pagmamaneho ng pangmatagalang pagsulong sa network.
|
Tampok |
Paglalarawan |
|
Pagsunod sa IEEE |
10/100/1000BASE-T IEEE 802.3 sumusunod |
|
Maramihang mga mode ng operating |
- RGMII sa tanso |
|
- Sgmii sa tanso (88e1512/88e1514 lamang) |
|
|
- rgmii sa hibla/sgmii (88e1512 lamang) |
|
|
- RGMII sa tanso/hibla/sgmii na may detektura ng auto-media
(88e1512 lamang) |
|
|
- tanso sa hibla (1000base-x) (88e1512/88e1514) |
|
|
Mga mode ng tiyempo ng RGMII |
Apat na mga mode ng tiyempo ng RGMII na may pinagsamang pagkaantala,
Tinatanggal ang pangangailangan para sa mga pagkaantala sa bakas ng PCB |
|
Suporta sa interface ng hibla |
Sinusuportahan ang 1000Base-X at 100Base-FX na may SGMII (88E1512
Lamang) |
|
Mga Pamantayang RGMII LVCMOS |
Sinusuportahan ang LVCMOS/0 sa RGMII |
|
Enerhiya mahusay na Ethernet (EEE) |
IEEE 802.3AZ-2010 na sumusunod, kasama ang EEE Buffering para sa
Legacy Macs |
|
Kahusayan ng kuryente |
Ultra-mababang kapangyarihan, na may pinagsamang pagtatapos ng MDI
Resistors |
|
Mga regulator ng boltahe |
Pinagsamang paglipat ng mga regulator ng boltahe |
|
Suporta ng Green Ethernet |
- Aktibong Power Save Mode |
|
- Detect ng Enerhiya at Detect ng Enerhiya+ Mababang mga mode ng kuryente |
|
|
IEEE1588 V2 |
Suporta sa oras ng panlililak |
|
Kasabay na Ethernet (Synce) |
Pagbawi ng orasan |
|
Mga mode ng Loopback |
Tatlong mga mode ng diagnostic loopback |
|
Mode ng downshift |
Suporta para sa pag-install ng dalawang pares na cable
|
|
Adaptive equalizer |
Ganap na isinama ang mga digital na adaptive equalizer, echo
Mga canceller, at Crosstalk cancellers |
|
Ang pagwawasto ng baseline wander |
Advanced Digital Baseline Wander Correction |
|
Mdi/mdix |
Awtomatikong MDI/MDIX crossover sa lahat ng bilis |
|
Pagwawasto ng Polarity |
Awtomatikong pagwawasto ng polaridad |
|
Auto-negotiation |
Sumunod ang IEEE 802.3 |
|
LED mode |
Software Programmable LED mode, kabilang ang pagsubok sa LED |
|
Interface ng pamamahala |
Interface ng pamamahala ng MDC/XMDIO |
|
Mga tool sa diagnostic |
CRC checker, packet counter, henerasyon ng packet |
|
Gumising sa LAN (WOL) |
Kakayahang pagtuklas ng kaganapan |
|
Virtual Cable Tester (VCT) |
Advanced virtual cable tester para sa mga diagnostic |
|
Auto-Calibration |
Para sa mga output ng interface ng MAC |
|
Sensor ng temperatura |
Isinama |
|
Supply ng Boltahe |
Single 3.3V supply na may panloob na regulator ng paglipat
Suporta |
|
Mga pagpipilian sa I/O boltahe |
1.8V, 2.5V, o 3.3V para sa I/O pad |
|
Mga pagpipilian sa grade |
Komersyal at pang -industriya na marka (88E1510 at 88E1512
Lamang) |
|
Package |
- 48-pin qfn 7mm x 7mm berde na may epad (88e1510 at
88e1518) |
|
- 56-pin qfn 8mm x 8mm berde na may epad (88e1512/88e1514) |
Nag -aalok ang 88E1512 Ethernet Phy ng isang nababaluktot na pundasyon para sa Swift Advancement sa Digital Landscapes.Ang sangkap na ito ay nagbibigay lakas sa mga sistema ng gigabit sa iba't ibang mga sektor, tulad ng enterprise, naka -embed na mga solusyon, elektronikong consumer, at mga network ng metro/serbisyo.
• Pagpapahusay ng imprastraktura ng network: Sa mga network ng negosyo, ang 88E1512 ay nagpapalakas ng koneksyon at pinalalaki ang mga rate ng paglilipat ng data.Nagtatagumpay ito sa mga kapaligiran na hinihingi ang mabilis at walang tahi na pagpapalitan ng data, tulad ng mga sentro ng data at mga network ng korporasyon.
• Pagsasama ng Data Center: Ang mga sentro ng data ay nakikinabang mula sa matatag na pagganap ng 88E1512 at mga kakayahan sa high-speed, tinitiyak ang makinis na daloy ng data na kinakailangan para sa pag-iimbak at pagproseso.Tinatamaan nito ang isang maayos na balanse sa pagitan ng bilis at pagiging maaasahan, na nagiging isang pangunahing elemento sa mga kontemporaryong disenyo ng sentro ng data.
Sa mga naka -embed na system, ang sangkap ay nagbibigay -daan sa compact at mahusay na mga layout na seryoso para sa IoT at automation.Ang pagsasama na ito ay nagtataguyod ng mas matalinong at mas tumutugon na mga aplikasyon, pagmamaneho ng mga makabagong ideya sa mga matalinong teknolohiya sa bahay at pang -industriya na automation.
Ang 88E1512 ay nakakatugon sa tumataas na demand para sa high-speed internet sa mga aparato ng consumer.Ang mga Smart TV at gaming console, halimbawa, ay gumagamit ng kanilang kapasidad para sa mahusay na mga karanasan sa streaming at gaming, pagpapahusay ng iyong kasiyahan at mapagkumpitensyang gilid.
• Pagpapanatili ng koneksyon: Sa mga network ng metro at kabilang sa mga service provider, ang 88E1512 ay nagsisiguro na matatag at pare -pareho ang mga koneksyon.Pinapayagan ng paglawak nito ang mga service provider na maghatid ng kalidad ng pag -access sa internet na may kaunting mga pagkagambala, na nakikinabang sa parehong mga negosyo at tahanan.
• Pagpapahusay ng gulugod sa network: Ang papel nito sa mga network ng metro ay sumusuporta sa maaasahang imprastraktura, pinadali ang mahusay na mga channel ng komunikasyon at pagtanggap ng mga mataas na data na naglo -load.Ito ay pangunahing sa pagpapanatili ng mga network ng komunikasyon sa lunsod, tinitiyak ang kanilang kahusayan at pagiging matatag.
• 88E1512-A0-NNP2I000
• 88E1512-A0-NNP-2I000
• 88e1512-a0nnp2i000
• 88e1512a0nnp2i000


Si Marvell, na kilala sa pagtulak ng sobre sa digital na imbakan, ay palaging sumisira sa bagong lupa sa iba't ibang mga sektor.Ang kanilang mga advanced na solusyon sa semiconductor ay naglalaro ng isang pangunahing papel sa pagtukoy sa hinaharap ng pag-iimbak ng data at may malalayong epekto sa mga merkado ng negosyo, ulap, automotiko, pang-industriya, at consumer.Ang holistic na diskarte na ito ay nagpapakita ng kanilang dedikasyon sa pagpapalakas ng kahusayan sa pamamahala ng data at scalability.
Sa parehong mga setting ng negosyo at ulap, pinapahusay ni Marvell ang daloy ng data at kahusayan sa imbakan.Ang lumalagong diin sa cloud computing ay tumatawag para sa matatag, nasusukat na mga makabagong ideya.Sa pamamagitan ng pag-agaw ng mga advanced na algorithm sa tabi ng mga disenyo na mahusay na kapangyarihan, tinutuya ni Marvell ang mga hamon sa latency, na nagbibigay ng pag-access ng walang tahi na data upang matugunan ang mga kinakailangan sa bilis na kinakailangan para sa mga modernong negosyo.Para sa mga gamit sa automotiko at pang -industriya, naghahatid si Marvell ng mga matibay na solusyon na idinisenyo upang matiis ang mga mahihirap na kondisyon.Ang kanilang mga semiconductors ay nag -aalok ng maaasahang, pagproseso ng data - aktibo para sa ebolusyon ng matalinong sasakyan at automation ng pagmamanupaktura.Ang pagsasama ng mga kakayahan ng AI ay sumusuporta sa matalinong paggawa ng desisyon at mahuhulaan na pagpapanatili, na parehong ginagamit para sa mga pagbabagong-anyo ng mga sektor.
Narito ang talahanayan para sa Marvell Semiconductor, Inc. 88E1512-A0-NNP2I000 Mga pagtutukoy at katangian ng teknikal.
|
I -type |
Parameter |
|
Oras ng tingga ng pabrika |
16 linggo |
|
Bundok |
Surface Mount |
|
Uri ng pag -mount |
Surface Mount |
|
Package / Kaso |
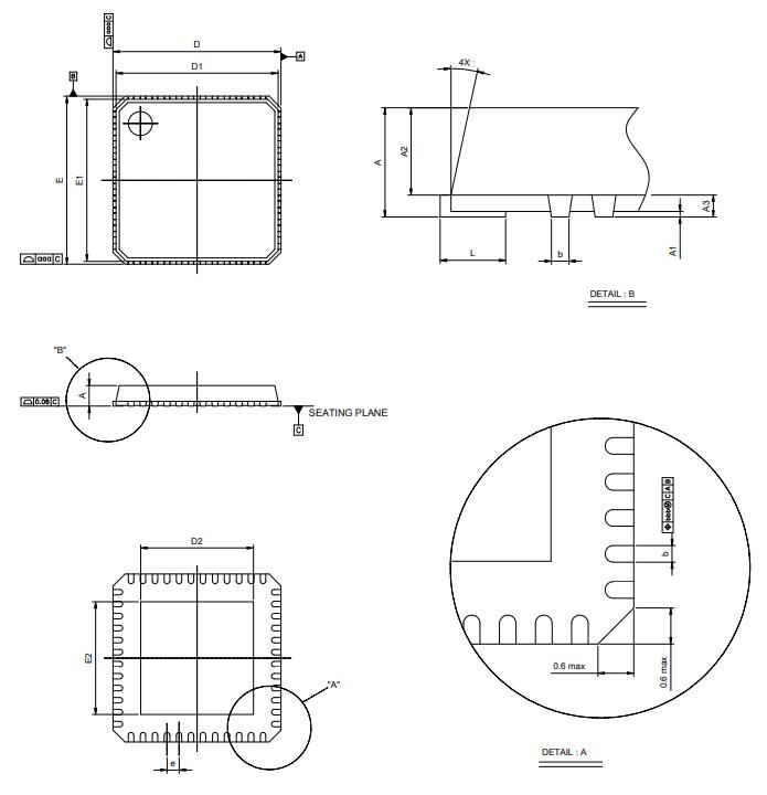
56-Vfqfn nakalantad na pad |
|
Antas ng paggamit |
Pang -industriya na grado |
|
Temperatura ng pagpapatakbo |
-40 ° C ~ 85 ° C (TA) |
|
Serye |
Alaska® |
|
Nai -publish |
2011 |
|
Bahagi ng Bahagi |
Aktibo |
|
Antas ng Sensitivity ng kahalumigmigan (MSL) |
3 (168 oras) |
|
Bilang ng mga pagtatapos |
56 |
|
I -type |
Transceiver |
|
Boltahe - Supply |
1.71V ~ 1.89V, 2.38V ~ 2.62V, 3.14V ~ 3.46V |
|
Posisyon ng terminal |
Quad |
|
Form ng terminal |
Walang tingga |
|
Bilang ng mga pag -andar |
1 |
|
Supply boltahe |
3.3v |
|
JESD-30 code |
S-XQCC-N56 |
|
Bilang ng mga channel |
4 |
|
Interface |
Ethernet |
|
Rate ng data |
10Mbps, 100Mbps, 1Gbps |
|
Protocol |
IEEE 802.3, IEEE 1588 |
|
Bilang ng mga driver/tagatanggap |
4-Abr |
|
Duplex |
Puno, kalahati |
|
Bilang ng mga transceiver |
1 |
|
Simplex/duplex |
Duplex |
|
Max junction temperatura (TJ) |
125 ° C. |
|
Mataas na saklaw ng temperatura ng paligid |
85 ° C. |
|
Taas |
1mm |
|
Katayuan ng ROHS |
Sumunod ang ROHS |
Ang 88E1512 transceiver ay Dinisenyo para sa maraming nalalaman network setup, na sumusuporta sa limang mga mode ng operasyon upang umangkop mga tiyak na pangangailangan.RGMII na nagpapabuti sa digital na komunikasyon Sa pagitan ng Mac at Phy, ang pag -stream ng paghahatid ng data at pagbabawas ng disenyo Ang pagiging kumplikado, ay mainam para sa mga koneksyon sa tanso sa iba't ibang mga pag -install.Sgmii ay isang compact protocol na may mga pares ng pagkakaiba -iba para sa mataas na integridad ng signal at mababang bilang ng pin, na sumusuporta sa mga koneksyon sa tanso at hibla, na malawakang ginagamit para sa mga ito mababang lakas at kakayahang umangkop.RGMII sa mga alok ng paglipat ng SGMII nababaluktot na koneksyon sa pamamagitan ng pagpapagana ng mga paglilipat ng RGMII-to-SGMII na may pagsasaayos mga pagpipilian upang matiyak ang pagiging tugma sa iba't ibang mga pag -setup.Tanso at hibla Suportahan ang suporta ng SGMII kapwa tanso (matibay, cost-effective) at hibla (high-speed, long-distance) na koneksyon, kasama Auto-detection para sa pinasimple na pag-setup.Ang paglipat ng hibla (1000Base-X) ay nagpapadali walang tahi na mga paglilipat sa pagitan ng mga mode ng tanso at hibla, naaangkop sa tirahan at mga komersyal na kapaligiran batay sa mga kinakailangan sa latency at signal.
Nagtatampok ang transceiver ng isang integrated regulator ng boltahe, na maayos ang pagpapatakbo sa isang 3.3V na supply ng kuryente habang sinusuportahan ang maraming mga boltahe ng LVCMOS: 1.8V, 2.5V, at 3.3V.Ang kakayahang umangkop na ito ay nagbibigay -daan sa walang tahi na pagsasama sa mga system na may iba't ibang mga frameworks ng kuryente.Ang isang sinasadyang pagpili ng mga pamantayan ng boltahe ay direktang nakakaimpluwensya sa pamamahala ng thermal at kahusayan ng kapangyarihan, na naglalaro ng isang kilalang papel sa mga hamon sa engineering.Sa pamamagitan ng pagdalo sa mga aspeto na ito, maaari mong palakasin ang kahabaan ng pagganap at napapanatiling operasyon ng aparato.
Naka-encode sa isang compact 56-pin QFN package, ang mga dimensyon ng transceiver ay 8mm x 8mm.Ang disenyo na ito ay ginagamit para sa pag-maximize ng puwang sa mga siksik na circuit board, na ginagawang angkop para sa mga aplikasyon ng high-density.Habang ang mga electronics ay patuloy na nag -trending patungo sa mas maliit na sukat, ang pagpili ng mga compact na sangkap nang hindi nawawala ang pag -andar ay nagiging mas mahalaga.Ang pakete ng QFN ay hindi lamang nagpapabuti sa pagganap ng thermal ngunit binabawasan din ang bakas ng paa, na nakakaapekto sa kagalingan ng produkto at direktang pagtugon sa merkado.
Mangyaring magpadala ng isang pagtatanong, tutugon kami kaagad.
sa 2024/10/29
sa 2024/10/29
sa 8000/04/18 147758
sa 2000/04/18 111938
sa 1600/04/18 111349
sa 0400/04/18 83721
sa 1970/01/1 79508
sa 1970/01/1 66914
sa 1970/01/1 63062
sa 1970/01/1 63012
sa 1970/01/1 54081
sa 1970/01/1 52131