
Ang 8255 Ang Microprocessor, na tinukoy din bilang isang PPI (Programmable Peripheral Interface) Chip, ay gumaganap ng isang papel sa pagpapadali ng paghahatid ng data sa magkakaibang mga kapaligiran.Ang suporta nito para sa parehong simple at makagambala-hinihimok na operasyon ng I/O ay ginagawang lubos na nakakaakit para sa iba't ibang mga aplikasyon.Ang microprocessor na ito ay nagbibigay-daan sa mga pakikipag-ugnayan ng likido sa pagitan ng CPU at mga panlabas na aparato tulad ng mga analog-to-digital converters (ADC), digital-to-analog converters (DAC), at mga keyboard.Ang sopistikado ngunit matipid na arkitektura nito ay nagsisiguro ng pagiging tugma sa isang malawak na hanay ng mga microprocessors at panlabas na sangkap.Ito ay may tatlong 8-bit na bidirectional I/O port, na ma-program sa bawat pangangailangan ng aplikasyon.Natagpuan ng 8255 microprocessor ang lugar nito sa napakaraming mga industriya, na nagpapatunay sa kakayahang magamit nito sa parehong pang -industriya na automation at electronics ng consumer.Sa isang awtomatikong kapaligiran sa pagmamanupaktura, ang 8255 ay nagsisilbing pangunahing sa mga sistema ng pagkuha ng data, nakikipag -ugnay sa mga sensor at actuators.
Ang 8255 microprocessor ay nangunguna bilang isang programmable peripheral interface (PPI) na aparato, na nagtatampok ng tatlong programmable I/O port.Ang mga port na ito ay pinadali ang koneksyon sa iba't ibang mga aparato, na gumagana sa tatlong mga mode ng pagpapatakbo: mode 0 (simpleng I/O), mode 1 (strobed I/O), at mode 2 (bidirectional strobed I/O).
Ang tatlong mga naka -program na I/O port ay nag -aalok ng magkakaibang mga pagpipilian sa koneksyon.Ang kakayahang umangkop na ito ay tumutulong sa kontrol at koordinasyon ng maraming mga aparato ng peripheral, pagpapayaman ng modularity at scalability.
Ang mode 0 ay nagbibigay -daan sa direktang operasyon ng pag -input at output.Ang pagiging simple at bilis nito ay ginagawang lubos na maaasahan para sa mga gawain kung saan kinakailangan ang prangka na pag -andar.
Ang mode 1, o strobed I/O, ay gumagamit ng mga signal ng handshake upang matiyak ang wastong tiyempo at pag -synchronise ng paglipat ng data.Ang mode na ito ay nag -aambag sa integridad ng data, binabawasan ang panganib ng mga pagkakamali sa panahon ng paghahatid.
Sinusuportahan ng mode 2 ang komunikasyon ng bidirectional, pagpapahusay ng kahusayan ng mga palitan ng data.Ang dual-flow na kakayahan na ito ay mabuti sa mga system na hinihingi ang dynamic at maaasahang paglipat ng data.
Ang buong pagiging tugma ng microprocessor sa mga processors ng Intel ay ginagarantiyahan ang walang tahi na pagsasama at pambihirang kooperasyon sa loob ng mga sistema na batay sa Intel.Ang pagiging tugma ng TTL ay nagpapadali ng diretso na pakikipag -ugnay sa mga karaniwang pamilya ng lohika, na nag -stream ng disenyo at pagpapatupad ng mga elektronikong sistema.
Ang isang tampok ng 8255 ay ang direktang pag -andar ng set/pag -reset ng pag -reset.Pinapayagan nito ang pagmamanipula ng mga indibidwal na mga piraso sa loob ng mga port, na nag -aalok ng tumpak na kontrol sa mga operasyon ng peripheral.Ginagamit ng iba ang kakayahang ito upang mapataas ang pagganap at pagtugon ng system.
Ang 8255 ay nagbibigay ng isang kabuuang 24 na maaaring ma-program na I/O pin, na nakaayos sa 8-bit at 4-bit port.Ang pagsasaayos na ito ay nagbibigay ng malaking kakayahang umangkop sa pagdidisenyo ng mga interface ng peripheral, na nakatutustos sa parehong simple at masalimuot na mga pag -setup.Ang mga programmable pin na ito ay nagbibigay -daan sa mga practitioner na lumikha ng mga solusyon sa bespoke na naaayon sa mga tiyak na pangangailangan ng aplikasyon.Ang kakayahang umangkop at kakayahang magamit ng 8255 ay nagpapatunay na lubos na kapaki -pakinabang.Halimbawa, sa mga sistema ng kontrol ng automotiko na namamahala ng maraming mga sensor at actuators, ang kakayahan ng microprocessor upang mahawakan ang magkakaibang mga operasyon ng input/output ay nagsisiguro na maaasahan at mahusay na pagganap ng system.

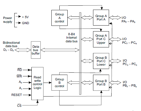
Ang 8255 microprocessor ay nakatayo bilang isang sopistikadong programmable peripheral interface, na nilikha ng 40 pin, bawat isa ay naglalaro ng natatanging mga tungkulin para sa pag -andar nito.Ang isang paghiwalay ng mga pin na ito ay nagpapakita ng kani -kanilang mga pag -andar at magkakaibang mga aplikasyon.
Ang PA0-PA7 at PB0-PB7 pin ay nagsisilbing pangunahing mga channel ng palitan ng data para sa Port A at Port B, ayon sa pagkakabanggit.Ang mga port na ito ay nagpapadali ng walang tahi na komunikasyon sa pagitan ng microprocessor at peripheral na aparato.Madalas silang nagtatrabaho sa kahanay na komunikasyon sa mga aparato ng input/output, tinitiyak ang mahusay na pagproseso ng data.Ang pamamahala ng mga linya na ito ay epektibo sa mga senaryo na hinihingi ang kahanay na pagproseso at paglilipat ng data, pagpapahusay ng pangkalahatang pagtugon ng system.
Ang Port C pin, PC0-PC7, ay nahahati sa itaas (PC4-PC7) at mas mababa (PC0-PC3) halves.Pinapayagan ng segment na ito ang nababaluktot na mga pagsasaayos para sa iba't ibang mga mode ng pagpapatakbo.Ang dalawahang kalikasan ng Port C ay maaaring gumana bilang mga indibidwal na linya ng kontrol o bilang isang kolektibong grupo para sa paggawa ng kamay.Ang nasabing kagalingan ay nagpapatunay na napakahalaga sa mga kumplikadong interface ng mga circuit kung saan kinakailangan ang tumpak na kontrol at feedback ng katayuan, na mapadali ang masalimuot na operasyon ng system.
Ang D0-D7 PINS ay bumubuo ng Core Data Bus, na nagpapagana ng daloy ng data ng bidirectional sa pagitan ng microprocessor at peripheral.Ang mga linya na ito ay may papel sa pagpapadala ng data, utos, at impormasyon sa katayuan.Ang pag -unawa sa tiyempo at pag -synchronise ng mga transaksyon ng data ng bus upang ma -optimize ang pangkalahatang pagganap ng system, tinitiyak ang makinis na mga palitan ng data at kahusayan sa pagpapatakbo.
Ang mga PIN A0 at A1 ay integral sa pagpili ng naaangkop na port para sa paghahatid ng data o mga operasyon sa rehistro ng control.Pinapayagan ng mga linya ng address na ito ang microprocessor na tumpak na i -target ang mga tiyak na rehistro, na nagdidirekta ng mga operasyon na may katumpakan.Ang pag -master ng paggamit ng mga pin na ito ay mabuti para sa pag -configure ng microprocessor para sa iba't ibang mga gawain, tulad ng setting ng mode at matakpan ang paghawak, pag -angkop nito upang matugunan ang magkakaibang mga kinakailangan sa pagpapatakbo.
Ang pin ng CS 'ay nagpapa -aktibo sa 8255 microprocessor.Kapag ang PIN na ito ay mababa, ang microprocessor ay napili para sa kasunod na pagbabasa o pagsulat ng mga operasyon.Ang tamang pagpapatupad ng PIN na ito ay mahalaga para sa katatagan ng system at maiwasan ang mga maling palitan ng data, tinitiyak ang maaasahang operasyon.
Sinimulan ng RD 'PIN ang mga operasyon mula sa microprocessor.Ang signal na ito ay ginagamit para sa pagkuha ng data mula sa aparato.Ang mabisang koordinasyon ng mga signal ng Basahin na may peripheral na tiyempo ng aparato ay tumutulong para sa pagkuha ng tahi ng data, pagpapahusay ng integridad ng data.
Ang wr 'pin trigger ay nagsusulat ng mga operasyon, na nagpapahintulot sa data na maipadala sa mga aparato ng peripheral.Ang wastong pag -synchronise ng mga utos ng pagsulat ay kinakailangan upang matiyak ang integridad ng data at maiwasan ang pagkawala ng data sa panahon ng paghahatid, pagpapanatili ng pagiging maaasahan ng system.
Ang pag -reset ng pin ay nagpapagana ng microprocessor.Ang pagkilos na ito ay nag -aalis ng data at mga setting, tinitiyak na ang system ay maaaring ma -restart at dalhin sa isang kilalang estado.Mahalaga ito pagkatapos makatagpo ng mga error sa pagproseso o sa panahon ng mga pagkakasunud -sunod ng pagsisimula, pagpapanatili ng pagkakapare -pareho ng system.
Ang GND at VCC pin ay nagbibigay ng power supply sa microprocessor.Ang GND ay nagsisilbing sanggunian ng sanggunian, habang ang VCC ay nagbibigay ng isang matatag na 5V.Tamang mga kable ng mga pin na ito upang maiwasan ang pagbabagu -bago ng kapangyarihan na maaaring makompromiso ang pagganap ng microprocessor at pangkalahatang pagiging maaasahan ng system.
Ang pagtatrabaho sa 8255 microprocessor ay nagpapakita ng isang kawili-wiling aspeto: na-optimize ang mga multi-functional na pin para sa iba't ibang mga mode ng pagpapatakbo.Ang paggamit ng mga pin na ito sa mga aplikasyon na hinihimok na hinihimok ay nagpapaganda ng kahusayan sa pamamagitan ng pagpapahintulot sa microprocessor na tumugon sa mga kaganapan habang nagaganap ito, nang walang patuloy na botohan ng mga aparato ng peripheral.Ang pamamaraang ito ay nagpapabuti sa pagganap ng system, na ginagawang mas umaangkop at tumutugon sa anumang mga kaganapan.
Ang pagsasaayos ng PIN ng 8255 microprocessor ay batayan sa kakayahang umangkop at kahusayan sa interface ng peripheral.Ang pag -unawa sa bawat papel ng PIN at paglalapat ng pinakamahusay na kasanayan sa kanilang paggamit ay maaaring mapahusay ang pagganap ng microprocessor sa masalimuot na mga sistema.

Ang arkitektura ng 8255 microprocessor ay kumplikado, na sumasaklaw sa ilang mga sangkap na matiyak ang mga operasyon ng likido na CPU.Ang isang sopistikadong panloob na interface ng bus ay nagsasama ng mga panloob at sistema ng mga bus, na sumusuporta sa walang tahi na CPU na basahin at isulat ang mga gawain, ito ay sumasailalim sa papel nito sa pangkalahatang pag -andar ng microprocessor.
Ang panloob na interface ng bus ay nagsisilbing tulay sa pagitan ng mga panloob na mekanismo ng microprocessor at mga panlabas na sistema ng sistema.Ang interface ng bidirectional na ito ay mabuti para sa epektibong pagpapatupad ng mga operasyon sa pagbasa at pagsulat.Halimbawa, ang mga katulad na sistema ay ginagamit sa kontemporaryong computing upang mapadali ang pagpapalitan ng impormasyon sa pagitan ng isang sentral na yunit ng pagproseso at iba't ibang mga aparato ng peripheral, tinitiyak ang maayos at mahusay na pagganap.
Ang control logic ay ang core ng 8255 arkitektura, orchestrating panloob na operasyon at pamamahala ng mga paglilipat ng data.Sa pamamagitan ng pagpapahusay ng koordinasyon, kontrolin ng Logic ang kahusayan sa pagproseso.Ang pagpapatupad ng mga advanced na sistema ng kontrol, na katulad ng sa mga modernong awtomatikong linya ng produksyon, ay maaaring mapalakas ang pagganap at pagiging maaasahan ng mga kumplikadong sistema.
Tinutukoy ng arkitektura ang mga grupo ng control A at B, na pinamamahalaan ng CPU.Ang mga pangkat na ito ay nagpapadala ng mga utos sa mga nauugnay na port, na katulad ng kung paano nahahati ang mga awtomatikong sistema sa mga nakokontrol na yunit upang mapabuti ang pamamahala at kahusayan.Ang segment na ito ay nagbibigay -daan para sa mas madaling pagpipino at pag -aayos sa mga kumplikadong mga sitwasyon.
Nagtatampok ang mga port A at B ng 8-bit na mga latch ng input at output buffer.Ang Port A ay nagpapatakbo sa tatlong natatanging mga mode, habang ang Port B ay gumana sa dalawa.Ang iba't ibang mga mode ng pagsasaayos ay nagbibigay -daan para sa isang malawak na hanay ng mga aplikasyon, katulad ng mai -configure na mga sistema ng network na maaaring umangkop sa iba't ibang mga pangangailangan sa pagpapatakbo.Ang maraming mga mode ay nagbibigay ng pinahusay na kakayahang umangkop at utility.
Ang Port C ay nahahati sa itaas at mas mababang mga seksyon, para sa mga handshake at operasyon ng signal ng katayuan.Tinitiyak ng segment na ito ang tumpak at maaasahang komunikasyon, sa parehong microprocessor at modernong mga sistema ng komunikasyon sa network.Halimbawa, ang mga protocol ng handshake na ginamit sa mga secure na palitan ng data ay nagpapakita ng pangangailangan ng naturang segment na kontrol sa pagpapanatili ng integridad at kahusayan.
Ang pagiging sopistikado ng arkitektura ng 8255 na microprocessor, na minarkahan ng komprehensibong lohika ng kontrol, maraming nalalaman na mga pagsasaayos ng port, at mahusay na interface ng bus, ay nagtatampok ng halaga ng detalyadong, modular na disenyo sa pagkamit ng na -optimize at maaasahang pagganap sa iba't ibang mga teknolohikal na domain.
Ang 8255 ay nagpapatakbo sa iba't ibang mga mode, ang bawat isa ay nag -aalok ng mga natatanging pag -andar na pinasadya para sa iba't ibang mga aplikasyon.Ang pag -unawa sa mga mode na ito at pagpili ng naaangkop na isa ay madalas na humantong sa pinabuting pagganap ng system at kahusayan.
Ang mode na Bit Set-reset ay nakatuon sa pagkontrol sa mga indibidwal na mga piraso sa port C. Nag-aalok ito ng isang praktikal na solusyon para sa mga senaryo na nangangailangan ng pagmamanipula ng pinong pag-manipulasyon ng mga tiyak na pin, na nagpapahintulot sa tumpak na kontrol nang hindi nakakaapekto sa buong port.Halimbawa, ang mode na ito ay lubos na kapaki -pakinabang kapag namamahala ng mga peripheral na aparato tulad ng mga LED o maliit na motor, tulad ng katumpakan at kaunting pagkagambala.Ang mode na ito ay nagpakita ng halaga nito sa pagbibigay ng kontrol sa mga tiyak na sangkap, pag -aalaga ng maaasahang at nuanced operation.
Kasama sa 8255 ang tatlong natatanging mga mode ng I/O, bawat isa ay nakatutustos sa iba't ibang mga kinakailangan sa pagpapatakbo.
Ang mode 0 ay nagbibigay -daan sa diretso na mga operasyon sa pag -input at output nang hindi kinasasangkutan ng mga pagkagambala o paggawa ng kamay.Pinapabilis nito ang direktang komunikasyon sa pagitan ng processor at peripheral, ginagawa itong angkop para sa pag-unlad ng maagang yugto at simpleng naka-embed na mga sistema.Ang mode na ito ay nagniningning sa mga aplikasyon kung saan ang direktang pakikipag -ugnay sa minimal na pagiging kumplikado ay kanais -nais, na nagpapahintulot sa pag -verify ng pag -andar nang walang idinagdag na mga layer ng pag -synchronize.
Ipinakikilala ng Mode 1 ang handshaking upang matiyak na ang pag -synchronize ng data sa pagitan ng processor at peripheral na aparato, gamit ang mga signal ng control upang mapanatili ang integridad ng data at tiyempo.Ang mode na ito ay nagpapatunay na kapaki -pakinabang sa mga sistema ng komunikasyon at mga aparato ng pagkuha ng data, tinitiyak ang maaasahang pagtanggap ng data kung saan mahusay ang kawastuhan.Sa mga mekanismo ng handshaking sa lugar, pinipigilan ng Mode 1 ang pagkawala ng data at banggaan, ginagawa itong isang maaasahang pagpipilian para sa mga kapaligiran na nangangailangan ng pagpapalitan ng data.
Sinusuportahan ng mode 2 ang mga operasyon ng bidirectional I/O at gumagamit ng Group A Pins para sa isang bidirectional data bus na may mas mababang port c bits na paghawak ng I/O control.Ang mode na ito ay perpektong angkop para sa mga advanced na protocol ng komunikasyon, mahusay na pagpapalitan ng data, at mga intelihenteng aparato ng peripheral, tulad ng ilang mga interface ng memorya at matalinong sensor.Sa pamamagitan ng pag -agaw ng grupo ng mga pin at mas mababang port c bits, ang mode 2 ay nag -aalok ng higit na kakayahang umangkop at kahusayan, pinadali ang kumplikado at tumutugon na pakikipag -ugnayan sa pagitan ng mga aparato.
Ang magkakaibang mga mode ng operating ng 8255, kabilang ang detalyadong pagmamanipula sa bit mode na set-reset at iba't ibang mga pagsasaayos ng I/O, bumuo ng isang matatag na batayan para sa paggawa ng sopistikadong at maaasahang mga digital system.Ang pagpili ng tamang mode batay sa mga tiyak na pangangailangan ng aplikasyon ay maaaring mai -optimize ang pagganap at pag -andar ng system.
Ang paggana ng 8255 microprocessor, isang maraming nalalaman programmable I/O unit, ay nagpapadali ng pagpapalitan ng data sa pagitan ng sentral na yunit ng pagproseso (CPU) at maraming mga peripheral na aparato, tulad ng mga keyboard, analog-to-digital converters (ADC), at digital-to-Analog Converters (DACS).Tinitiyak ng yunit na ito ang makinis na paghawak ng mga operasyon sa pag -input at output, pag -aalaga ng walang kamali -mali na komunikasyon at mahusay na pagpapalitan ng data.
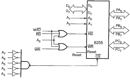
Kapag nakikipag -ugnay sa 8255 na may 8086 microprocessor, ang mga tiyak na control pin, tulad ng input read (RD) at pagsulat (WR) pin, ay kapaki -pakinabang sa mga transaksyon ng data.Sa panahon ng pagkuha ng data, ang RD PIN ay nagpapa -aktibo, na nagpapahintulot sa microprocessor na kumuha ng data mula sa isang panlabas na mapagkukunan.Sa kabaligtaran, ang WR pin ay aktibo upang ilipat ang data mula sa microprocessor sa isang panlabas na aparato.Ang isang praktikal na halimbawa ay makikita sa mga awtomatikong sistema ng pagsubok, kung saan ang napapanahong pagkuha ng data at pag -record ay mahalaga.Ang walang tahi na operasyon ng pagbabasa at pagsulat ng data sa pagitan ng mga sangkap ay nagpapaliit sa latency, sa gayon ang pag -optimize ng pagganap.
Ang 8255 microprocessor ay gumagamit ng isang 8-bit data bus para sa paglipat ng data, tinitiyak ang malawak na pagiging tugma at kakayahang umangkop sa iba't ibang mga aplikasyon.Ang mga linya ng address A1 at A0 ay gumaganap ng isang papel sa pag -regulate ng mga panloob na mga pagsasaayos at mga mode ng pagganap ng 8255, na nagdidikta kung paano pinamamahalaan at naitala ang data.Ang pagtugon sa mga linya ng A1 at A0 ay maaaring maihahalintulad sa isang librarian na nag -aayos ng mga libro sa isang silid -aklatan, tinutukoy nila kung saan dapat basahin ang data mula o isulat sa, pagpapanatili ng pagkakasunud -sunod ng system at kahusayan.Ang samahang ito ay pinakamahusay para sa mga system na humihiling ng mataas na pagiging maaasahan, tulad ng medikal na instrumento kung saan mahusay ang paghawak ng data.
Ang pag -unawa sa pakikipag -ugnay ng mga signal ng RD at WR control para sa pag -aayos at pag -optimize ng pagganap ng system ay kinakailangan.Halimbawa, sa mga digital control system na nagtatrabaho sa pagmamanupaktura, tinitiyak ang tamang tiyempo at pag -activate ng mga signal na ito ay maaaring mapalakas ang katumpakan at pagiging maaasahan ng mga proseso ng paggawa.
Maliwanag na ang kabataan ng 8255 microprocessor sa pamamahala ng data transfer at peripheral na komunikasyon ay nagtatampok ng kabuluhan nito sa mga kumplikadong sistema ng computing.Ang nuanced pagmamanipula ng mga linya ng address at control signal ay nagpapakita ng talino sa paglikha, pasulong sa pagmamaneho.Ang 8255 microprocessor ay nakatayo bilang isang testamento sa pagiging kumplikado na kasangkot sa digital na komunikasyon at kontrol.Ang walang tahi na mga kakayahan sa pagsasama nito ay patuloy na paganahin ang mga pag -unlad ng groundbreaking sa iba't ibang larangan, mula sa pang -industriya na automation hanggang sa teknolohiya ng pangangalaga sa kalusugan.

Upang magsimula, ang 8255 port ay nakatakda sa mode ng pag -input.Ang default na pagsasaayos na ito ay nangangailangan ng masusing pagsasaayos sa software upang tumugma sa nais na pag -andar.Ang pag -configure nang naaangkop para sa pagtiyak ng isang maayos at maaasahang pagpapalitan ng data sa iyong pag -setup.
Ang mga output pin sa 8255 microprocessor ay hindi idinisenyo upang kapangyarihan ang mga panlabas na aparato nang direkta dahil sa kanilang limitadong kapasidad.Ang pagpapakilala sa mga panlabas na amplifier o transistor ay nagiging isang praktikal na pagsasaalang -alang upang matugunan ang mas mataas na kasalukuyang mga kinakailangan.Ito ay madalas na sinusunod sa mga senaryo kung saan ang pagpapalakas ng lakas ng signal ay mahusay upang mapanatili ang mga pamantayan sa pagpapatakbo.
Kapag nakikipag -ugnay sa mga aparato ng mataas na kasalukuyang o boltahe, kinakailangan ang pag -agaw ng tamang pagpapalakas o paglipat ng mga mekanismo.Ang pag-aalis ng mga transistor para sa paglipat ay maaaring hawakan ang mas malaking mga alon nang hindi labis na labis na 8255. Ang pamamaraang ito ay sumasalamin sa mga praktikal na aplikasyon kung saan ang mga switch na hinihimok ng pag-load ay mapadali ang pamamahala ng mapagkukunan nang mahusay, sa gayon pinoprotektahan ang microprocessor mula sa potensyal na pinsala.
Ang pakikipag-ugnay sa mga aparato na pinapagana ng AC ay nangangailangan ng paggamit ng mga relay.Ang mga relay ay kumikilos bilang mga tagapamagitan, tinitiyak na ang pagkonsumo ng enerhiya ay pinamamahalaan nang ligtas at pinapanatili ang paghihiwalay.Mahalaga ang pamamaraang ito sa maraming mga aplikasyon, na nagbibigay ng parehong elektrikal na paghihiwalay at ligtas na pakikipag-ugnay sa pagitan ng mga circuit ng AC at mga mababang digital na circuit.
Ang pag -uugali ng Port C ay nagbabago sa mga operasyon ng Mode 1 o Mode 2.Sa ilalim ng mga mode na ito, hindi ito maaaring gumana bilang isang pamantayang I/O port.Ang pagpilit na ito ay nagtatampok ng pangangailangan para sa masusing pagpaplano kapag ang pagdidisenyo ng mga system na nangangailangan ng magkakaibang mga pag -andar ng port.Ang sapat na pagsasaalang -alang ng mga mode ng pagpapatakbo sa loob ng arkitektura ng system ay nakakatulong na maiwasan ang hindi inaasahang mga limitasyon.Sa pamamagitan ng pagtugon sa mga pagsasaalang -alang na ito, ang pakikipag -ugnay sa 8255 microprocessor ay maaaring makinis na nakatutok upang mapaunlakan ang magkakaibang mga aplikasyon, na tinitiyak ang matatag at maaasahan na pagganap ng system.
Ang 8255 microprocessor ay ipinagdiriwang para sa maraming mga benepisyo, na pinapatibay ang papel nito bilang isang coveted na sangkap sa iba't ibang mga teknolohikal na landscape.
Ang 8255 microprocessor ay nangunguna sa pagiging tugma nito sa isang malawak na hanay ng mga processors, na pinapawi ang pagsasama nito sa maraming mga system nang hindi nangangailangan ng malawak na pagbabago.Ang walang tahi na koneksyon na may iba't ibang mga microchips ay nag -stream ng yugto ng disenyo, na madalas na binabawasan ang mga takdang oras ng pag -unlad.
Ang pagpapakita ng kahanga -hangang kakayahang umangkop, ang 8255 microprocessor ay naaangkop sa maraming mga pag -andar sa loob ng mga teknolohikal na ekosistema.Ito ay mai -configure sa maraming mga mode ng pagpapatakbo, na nagbibigay -daan upang mahawakan ang mga gawain mula sa pagkuha ng data upang makontrol ang pamamahala ng system.Ang nasabing kakayahang umangkop ay nakikita ang pagsasama nito sa isang hanay ng mga aparato, parehong simpleng gadget at masalimuot na makinarya ng pang -industriya.
Ang disenyo ng 8255 microprocessor ay nagpapauna sa pinakamainam na paggamit ng enerhiya, ginagawa itong isang perpektong akma para sa mga aplikasyon tulad ng pag -iingat ng kuryente.Ang mga aparato na gumagamit ng microprocessor na ito ay nasisiyahan sa pinalawak na mga lifespans ng pagpapatakbo at pinataas na pagiging maaasahan, mga katangian sa parehong mga elektroniko at pang -industriya na kapaligiran.
Ang malawak na pagtanggap ng 8255 microprocessor ay nagtatampok ng pare -pareho ang pagganap at pagiging maaasahan.Nagsisilbi itong isang mapagkakatiwalaang sangkap sa mga setting ng edukasyon para sa pagtuturo, mga lab ng pananaliksik para sa pang -eksperimentong gawain, at mga komersyal na produkto para sa mga sistema ng produksyon.Ang malawak na paggamit na ito ay binibigyang diin ang tibay nito at epektibong pag-andar, nasubok ang oras sa iba't ibang mga aplikasyon.
Ang kakayahang mapadali ang kahanay na paglilipat ng data ay nakatayo bilang isang prized na tampok ng 8255 microprocessor.Ang kakayahang ito ay kapaki -pakinabang sa mga system na hinihingi ang mabilis na komunikasyon sa pagitan ng microprocessor at peripheral.Ang mahusay na pamamahala ng sabay -sabay na mga stream ng data sa pamamagitan ng 8255 ay nagpapabuti sa bilis at pagganap ng mga kumplikadong pag -setup.
Ang 8255 microprocessor ay nagpapatunay na mahalaga sa mga naka -embed na system at automation.Ang iba ay gumagamit ng diretso na pagsasama at mai -configure na kalikasan upang pinuhin ang mga proseso ng pag -unlad.Sa mga kapaligiran sa pagmamanupaktura, halimbawa, ang 8255 ay nag -synchronize ng mga operasyon ng mga sensor at actuators, na tinitiyak ang parehong katumpakan at kahusayan.Ang pagiging tugma ng 8255 microprocessor, kakayahang umangkop, kahusayan ng enerhiya, malawakang paggamit, at kakayahang hawakan ang kahanay na paglilipat ng data ay itaas ang tangkad nito sa microelectronics.Ang paghawak ng mga praktikal na aplikasyon nito ay nag -aalok ng isang mas malalim na pagpapahalaga sa kontribusyon nito sa pag -unlad ng teknolohiya.
Ang 8255 microprocessor, isang matagal ngunit palaging nauugnay na sangkap, ay nahahanap ang lugar nito sa isang napakaraming mga dalubhasang aplikasyon, na nagpayaman sa parehong makasaysayang at modernong teknolohikal na mga landscape.Ang kakayahang magamit na ito ay nakabase sa pagiging dexterity nito sa pakikipag -ugnay sa isang kalakal ng mga aparato at system.
Pagdating sa mga aplikasyon ng LED control, ang 8255 ay higit sa pamamahala ng mga kumplikadong pagkakasunud -sunod ng pag -iilaw.Ang kakayahang ito ay lubos na pinahahalagahan sa mga sistema ng pagpapakita at tagapagpahiwatig, kung saan ang tumpak na kontrol sa mga multi-led arrays ay mahalaga.Pag -agaw ng mga pagsasaayos ng port, maraming mga bapor na sopistikadong panloob at panlabas na signage na hindi lamang nagsisilbi sa mga layunin ng pag -andar ngunit nakakakuha din ng visual na pang -akit.
Sa control ng relay, ipinapakita ng 8255 ang katapangan nito sa mga sistema ng automation at control.Tinitiyak nito ang tumpak at maaasahang operasyon ng makinarya, isang tampok na minamahal sa loob ng mga pang -industriya na kapaligiran.Dito, ang 8255 ay gumaganap ng isang papel sa pagpapadali ng pagkilos, pagpapanatili ng integridad ng pagpapatakbo at tinitiyak ang maayos na mga paglilipat ng daloy ng trabaho.
Gamit ang 8255 para sa control ng motor ng stepper ay nangangailangan ng pamamahala ng pagkakasunud -sunod ng pulso, na ginagamit para sa pagkamit ng tumpak na pagpoposisyon ng motor.Natagpuan ng katumpakan na ito ang yugto nito sa makinarya ng CNC, robotic system, at iba't ibang mga solusyon sa automation.Ang mga workshop at mga yunit ng pagmamanupaktura ay nag -aani ng malaking benepisyo mula sa naturang teknolohiya, sa huli ay pinalakas ang pagiging produktibo at pagpapahusay ng katumpakan.
Pinapagaan ng 8255 ang pagproseso ng signal ng pag -input sa mga aplikasyon ng interface ng keyboard, pag -aalaga ng mga maaasahang sistema ng pagpasok ng data.Ang utility na ito ay tulay sa parehong makasaysayang mga kapaligiran sa computing at mga modernong naka -embed na disenyo ng system.Ang kakayahan ng processor na umangkop at manatiling may kaugnayan sa iba't ibang mga ERA ay nagpapakita ng walang katapusang apela at pag -andar.
Ang pag -aalis ng 8255 sa mga sistema ng control signal ng trapiko ay nagpataas ng pamamahala sa imprastraktura ng lunsod.Ang mga pagpapatupad ay nagpapakita kung paano maingat na na -program ang mga pagkakasunud -sunod ng tiyempo na -optimize ang daloy at kaligtasan ng trapiko.Kaya, ang processor ay nakakaimpluwensya sa pang-araw-araw na mga pampublikong sistema, na tinitiyak ang makinis at mas ligtas na mga commute.
Sa pamamahala ng mga sistema ng pag -angat, ang naka -program na likas na katangian ng 8255 ay nagpapakita ng tumpak na operasyon ng mga mekanika ng elevator.Ang application na ito ay isang pangunahing sa mga teknolohiya ng pamamahala ng gusali, kung saan ang maaasahang mga sistema ng microprocessor ay matiyak na ligtas at mahusay na vertical na transportasyon.
Ang nababaluktot na I/O port ng 8255 ay isang bonus sa mga kontemporaryong sistema ng microcontroller, na nagpapabuti sa paghawak ng peripheral.Ang praktikal na pagsasama ay pinapasimple ang pagpapalawak ng system at nagbibigay-daan sa pasadyang kontrol ng peripheral, na ginagawa itong isang go-to solution para sa pagbuo ng mga angkop na teknolohikal na aplikasyon sa iba't ibang mga sektor.Ang kakayahang umangkop nito ay nagpapadali ng isang walang tahi na proseso ng paglikha para sa mga makabagong solusyon.
Ang 8255 din ay tulay ang agwat sa pagitan ng mga vintage na gawa sa bahay na mga computer at modernong peripheral.Maraming mga mahalin ang kakayahang ito habang pinapanatili at binabago ang mga sistema ng legacy.Sa pamamagitan ng pagpapagana ng pakikipag -ugnay sa mga kontemporaryong aparato, ang 8255 ay nagtatampok ng kakayahang umangkop at patuloy na kaugnayan sa isang mabilis na umuusbong na tanawin ng teknolohikal.
Ang 8255 microprocessor ay nakatayo bilang isang testamento sa katatagan at kakayahang umangkop, na pinapatibay ang lugar nito sa parehong mga setting ng kasaysayan at kontemporaryong.Ang malawak na spectrum ng mga aplikasyon ay muling nagpapatibay sa pangmatagalang utility at kaugnayan nito sa isang palaging nagbabago na teknolohikal na mundo.
Ang 8255 interface kasama ang pangunahing processor sa pamamagitan ng isang address bus at isang data bus.Ang interface na ito ay nagpapadali sa paghahatid ng data ng bidirectional, pagpapagana ng epektibong komunikasyon at kontrol sa loob ng mga sistemang batay sa microprocessor.Sa mga praktikal na aplikasyon, ang iba ay madalas na mapa ang mga port ng 8255 sa mga tiyak na saklaw ng address upang matiyak ang walang tahi na pagpapalitan ng data, na -optimize ang pangkalahatang pagganap ng system.
Ang 8255 ay may tatlong natatanging mga mode ng operasyon:
Mode 0 (Pangunahing I/O): Pinapayagan ang diretso na pag -input ng data at output, na ginagawang angkop para sa mga simpleng gawain.
Mode 1 (kinokontrol na I/O): Isinasama ang handshaking para sa mas kinokontrol na mga proseso ng paglilipat ng data, pagpapahusay ng pagiging maaasahan.
Mode 2 (Dual-Directional Bus): Sinusuportahan ang daloy ng data ng bidirectional, na angkop para sa mga kumplikadong pangangailangan sa komunikasyon.
Ang mga modernong sistema ay madalas na tularan ang mga mode na ito gamit ang na -update na hardware para sa paatras na pagiging tugma, na tinitiyak na ang umiiral na mga daloy ng trabaho at aplikasyon ay patuloy na gumana nang walang putol.
Ang 8255 ay humahawak ng mga nakakagambala sa pamamagitan ng pag -trigger ng mga ito sa ilalim ng mga tiyak na kondisyon at pagpapatupad ng paunang natukoy na mga nakagawiang gawain sa serbisyo.Ang mekanismong ito ay pinahahalagahan ang agarang pansin sa mga gawain na may mataas na priyoridad, na nagpapahintulot sa mabilis na mga tugon sa anumang mga kaganapan.Kasama sa isang praktikal na halimbawa ang pagsubaybay sa isang port ng input para sa isang panlabas na pagbabago ng signal at pag -trigger ng isang makagambala upang maproseso ito agad.Ang ilan ay gumagamit ng mga nakakaabala na vectors upang tukuyin ang mga gawain sa serbisyo, tinitiyak ang tumpak at napapanahong mga tugon sa naturang mga pagkagambala.
Sa panahon ng 1980s, ang 8255 ay malawakang ginagamit upang magbigay ng kahanay na mga kakayahan sa I/O sa pagkuha ng data, control control, at pang -industriya na automation.Ang mga application na ito ay nakinabang mula sa kakayahan ng chip na hawakan ang maraming mga operasyon ng I/O nang sabay -sabay.Halimbawa, ang 8255 ay nagtrabaho sa maagang mga sistema ng pagmamanupaktura na kinokontrol ng computer upang mahusay na mga sensor ng interface at mga actuators.Ang kakayahang magamit at pagiging maaasahan ay naging pangunahing sa automation ng iba't ibang mga industriya, na sumusuporta sa isang hanay ng mga gawain mula sa simpleng pagkolekta ng data hanggang sa mga kumplikadong proseso ng kontrol.
Ang 8255 ay namamahala ng mga signal ng handshake sa pamamagitan ng mga built-in na pag-andar na nag-regulate ng daloy ng data sa pagitan ng pangunahing processor at ang 8255. Kasama dito ang pagkilala sa pagtanggap ng data at tinitiyak ang wastong pagkakasunud-sunod ng komunikasyon, na humahantong sa pinabuting pag-synchronise sa pagitan ng mga sangkap ng system.Sa pagsasagawa, tinitiyak ng handshaking na ang data ng isang sensor ay binabasa nang tumpak bago magpatuloy sa susunod na hakbang na proseso, pag -iingat ng kawastuhan at kahusayan.
Ang 8255 microprocessor, bagaman higit sa lahat ay pinalitan ng advanced na peripheral interface chips tulad ng mga microcontroller at pangkalahatang layunin I/O chips, ay paminsan-minsan ay ginagamit sa mga sistema ng legacy kung saan kinakailangan ang kahanay na I/O.Ang mga sistemang ito ay nagpapanatili ng kanilang pag-andar dahil sa matatag at mahusay na naiintindihan na disenyo ng 8255. Halimbawa, maraming mga mas matandang pang-industriya na makina ang patuloy na umaasa sa 8255 para sa maaasahan at prangka na pamamahala ng I/O.Ang pag -unawa sa mga katangian ng 8255 ay nagbibigay -daan para sa epektibong pagpapanatili at paminsan -minsang pagsasama sa umiiral na mga pag -setup na nangangailangan ng kahanay na pagproseso ng data.Ang matatag na presensya na ito ay nagsasalita sa mapagkakatiwalaang pagganap ng chip kahit na sa harap ng mga modernong kahalili.
Mangyaring magpadala ng isang pagtatanong, tutugon kami kaagad.
sa 2024/10/8
sa 2024/10/7
sa 8000/04/18 147757
sa 2000/04/18 111936
sa 1600/04/18 111349
sa 0400/04/18 83721
sa 1970/01/1 79508
sa 1970/01/1 66905
sa 1970/01/1 63034
sa 1970/01/1 63012
sa 1970/01/1 54081
sa 1970/01/1 52125