
Ang 74HC02 ay isang integrated circuit na nagtatampok ng apat na natatanging 2-input o mga pintuan.Ang bawat gate ay nilagyan ng mga diode ng clamp ng input, na gumagana sa kamay na may kasalukuyang naglilimita sa mga resistors upang pamahalaan ang mga pagkakataon kapag ang mga halaga ng input ay lumampas sa VCC.Sa tanawin ng digital circuitry, ang NOR gate ay nakatayo bilang isang paunang elemento ng lohika.Ang pagiging simple nito ay nagniningning sa pamamagitan ng operasyon nito: Nag -output ito ng isang mataas na signal lamang kapag ang parehong mga input ay mababa.Samakatuwid, ang 74HC02 ay nagiging isang kinakailangang bahagi ng paggawa ng iba't ibang mga lohikal na pag -andar.
Sa mga praktikal na termino, ang 74HC02 ay madalas na mag -streamline ng mga disenyo ng circuit sa pamamagitan ng pagbabawas ng bilang ng sangkap na kinakailangan para sa mga kumplikadong gawain ng lohika.Ang NOR GATE ay nagniningning kapag ang dalawa o higit pang mga kondisyon ay eksklusibo ay dapat na matugunan upang makabuo ng isang output.Ang mga elektronikong consumer ay nagsisilbing isang halimbawa ng nakalarawan.Maaari mong madalas na lumiko sa IC na ito upang mag -navigate ng mga kontrol na dapat lamang mag -trigger sa ilalim ng mga tiyak na kondisyon - tulad ng awtomatikong mga mode ng standby na nakikita sa mga telebisyon.
Ang kakayahang umangkop ng mga sanga ng 74HC02 mula sa mga elementong aplikasyon, na hinahanap ang lugar nito sa masalimuot na mga sistema.Nagsisilbi itong pangunahing elemento sa pagbuo ng mga flip-flops at latch.Ang mga sangkap na ito ay ginagamit sa mga circuit ng tiyempo na naroroon sa mga memorya ng memorya at mga processors.Bukod dito, ang 74HC02 ay nagpapatunay na isang banayad na katalista para sa pagbabago sa pag -aayos at pag -aayos, kung saan ang paghawak sa lohika ay dumadaloy sa paraan para sa mas epektibong mga diagnostic.
|
Tampok |
Paglalarawan |
|
Saklaw ng Operating Boltahe |
Malawak na saklaw ng 2.0 V hanggang 6.0 v |
|
Pag -dissipation ng Power |
Mababang pagkonsumo ng kuryente sa teknolohiya ng CMOS |
|
Ingay sa kaligtasan sa ingay |
Mataas na kaligtasan sa ingay |
|
Pagganap ng Latch-Up |
Malakas na pagganap ng latch-up na lumampas sa 100 Ma (JESD 78
Antas ng Klase II B) |
|
Mga antas ng pag -input |
- 74HC02: antas ng CMOS |
|
- 74HCT02: antas ng TTL |
|
|
Pagsunod sa mga pamantayan ng JEDEC |
- JESD8C: 2.7 V hanggang 3.6 v |
|
- Jesd7a: 2.0 V hanggang 6.0 v |
|
|
Proteksyon ng ESD |
- HBM JESD22-A114F: lumampas sa 2000 v |
|
-MM JESD22-A115-A: lumampas sa 200 v |
|
|
Mga pagpipilian sa pakete |
Magagamit ang iba't ibang mga pagpipilian sa pakete |
|
Mga pagtutukoy sa saklaw ng temperatura |
Ibinigay para sa -40 ° C hanggang +85 ° C at -40 ° C hanggang +125 ° C |
|
I -type |
Parameter |
|
Max Power Dissipation |
500MW |
|
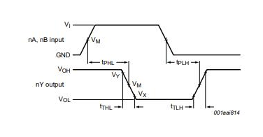
Pagkaantala ng pagpapalaganap |
15 ns |
|
Quiescent kasalukuyang |
2μA |
|
I -on ang oras ng pagkaantala |
7 ns |
|
Antas ng Logic - Mababa |
0.5V ~ 1.8V |
|
Antas ng Logic - Mataas |
1.5V ~ 4.2V |
|
Kasalukuyan - Mataas ang Output, Mababa |
5.2MA, 5.2mA |
|
Output kasalukuyang |
25MA |
|
Bilang ng mga pag -andar |
4 |
Ang 74HC02 ay naglalagay ng apat na magkahiwalay o mga pintuan, bawat isa ay nakakuha ng sopistikadong lohikal na operasyon.Ang mga pintuang ito ay natatanging naglalabas ng isang mataas na signal lamang kapag ang bawat input ay nagrehistro na mababa, tulad ng inilalarawan ng talahanayan ng katotohanan nito.Ang katangian na ito ay nagbibigay kapangyarihan o mga pintuan upang maging mga paunang elemento sa paglikha ng digital circuit, na sumusuporta sa mga kumplikadong pag -andar ng lohika.Sa pamamagitan ng estratehikong pag -configure sa kanila, ang mga pintuang ito ay talino na tularan ang iba pang mga gate ng lohika tulad ng at, o, at hindi.

Sa mundo ng mga digital system, o ang mga pintuan na ipinakita ng 74HC02 ay nag -aalok ng malawak na mga pagkakataon para sa pagbuo ng madaling iakma at matatag na mga circuit circuit.Pinapayagan ka nilang isama ang mga pangunahing pag -andar at kontrolin ang mga elemento sa mga aparato sa computational.Sa pamamagitan ng mahusay na mga kumbinasyon, ang mga pintuang ito ay nagsasagawa ng negasyon at pagsasama, na kung saan ay mga pangunahing facet ng mga proseso ng computational.Maaari kang madalas na nakasalalay sa kanilang kapasidad upang mag -streamline ng arkitektura ng circuit, pagpapahusay ng pangkalahatang pagiging epektibo sa pagpapatakbo at pagiging maaasahan ng system.
AtMemorya at imbakan: Ang malawak na aplikasyon ng Nor Gates ay maaaring sundin sa mga teknolohiya ng memorya at imbakan.Bilang mga pangunahing sangkap sa pagtatayo ng mga cell ng memorya, pinadali nila ang mga proseso ng pamamahala ng data sa parehong pabagu-bago at hindi pabagu-bago na mga alaala.Ang kanilang papel ay kadalasang kapansin-pansin sa mga pagbabago sa memorya ng flash, kung saan sinusuportahan ng kanilang pagsasama ang pag-iimbak ng data ng mataas na kapasidad na may nabawasan na mga kinakailangan sa kuryente.Ang ganitong mga pagsulong ay binibigyang diin o ang kamangha -manghang kontribusyon ng mga pintuan sa umuusbong na pang -araw -araw na teknolohiya ng memorya ng elektronik.
Ni ang mga pintuan sa 74HC02 ay makabuluhang palakasin ang mga kakayahan sa seguridad ng mga digital na pagsasaayos.Ang mahusay na aplikasyon ng mga pintuang ito ay nagbibigay -daan sa pagpapatupad ng masalimuot na mga protocol ng seguridad.Ang mga lohikal na pagsasaayos, tulad ng mga nagtatrabaho sa mga algorithm ng pag -encrypt, ay gumagamit ng mga pintuang ito upang maprotektahan ang sensitibong data mula sa hindi awtorisadong pagkakalantad.Dahil dito, ang lakas ng Nor Gates ay susi sa pagbuo ng mga ligtas na arkitektura ng system na kapaki -pakinabang para sa pagpapanatili ng integridad ng data at pagprotekta sa iyong pagiging kompidensiyal.
Bilang karagdagan, ang 74HC02 ay nagpapalabas ng impluwensya sa pamamahala ng signal ng control sa maraming mga elektronikong sistema.Ni ang mga pintuan ay nakatulong sa pagdidirekta ng mga landas ng signal, pinadali ang tumpak na kontrol sa tiyempo, at ang sunud -sunod na pagpapatupad ng mga gawain sa mga microcontroller at processors.Ang antas ng kontrol na ito ay aktibo para sa pag -maximize ng pagganap ng system at tinitiyak ang synchrony sa magkakaibang mga sangkap sa loob ng isang digital na balangkas.
Ang 74HC02 Integrated Circuit ay humahawak ng kapansin -pansin na kabuluhan sa loob ng malawak na serye ng 7400, na nag -aanyaya sa maalalahanin na pagmuni -muni sa mga functional na pagtutukoy at maiisip na gamit.Ito ay gumaganap ng isang papel sa mga system na ang pagkamalikhain ng parlay at mga hangarin sa paglutas ng problema sa mga makabagong disenyo ng circuit.

Hinihiling ng circuit ang pagiging matatag sa pinagmulan ng kuryente nito, pagpapatakbo sa loob ng isang VCC spectrum ng 2V hanggang 6V.Ang nasabing kakayahang umangkop ay nagtatanghal ng mga pagkakataon para sa pagsasama nito sa isang napakaraming mga system, na sumusuporta sa isang buong saklaw ng mga kahilingan sa kapangyarihan.Ang pag -secure ng mga pin ng kapangyarihan na may kumpiyansa ay nagsisiguro sa katatagan ng pagpapatakbo at maiwasan ang mga hindi ginustong mga pagkagambala.
Nabuo ng apat na hiwalay o mga pintuan, ang 74HC02 chip ay nangangailangan ng kaunting pag -input, na nagsisilbing isang panghuli na bahagi para sa pagbuo ng mas masalimuot na mga circuit circuit.Maaari mong madalas na gamitin ang mga pintuang ito sa disenyo ng digital na lohika.
Output kasalukuyang mga limitasyon, pag -peaking sa 4 mA bawat gate kapag nagpapatakbo sa 5V, i -frame ang mga hangganan ng application.Ang kadahilanan na ito ay naghihikayat ng masusing mga pagtatasa ng pag -load upang maiwasan ang mga overstraining output, pagkamit ng isang pagkakaisa ng pagiging maaasahan.Maaari mong ipasok ang mga pintuan ng buffer sa loob ng mga circuit, mahusay na pamamahala ng mga alon upang maprotektahan at pahabain ang kakayahang umangkop ng IC.
Ni ang mga pintuan ay nagsisilbing karaniwang mga elemento sa mundo ng digital electronics.Sa pamamagitan ng pag -configure ng mga ito nang naaangkop, ang isa ay maaaring lumikha ng anumang pag -andar ng Boolean, na salungguhit ang kanilang pambihirang kakayahang umangkop.Maaari kang maghukay sa maraming nalalaman mga aplikasyon para sa mga pintuang ito, tulad ng pagtatayo ng mga latch at oscillator, na ipinapakita ang potensyal na pagbagay ng chip upang matupad ang masalimuot na mga pangangailangan ng natatangi at malikhaing disenyo.
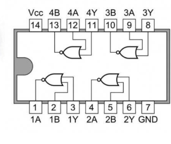
Nagtatampok ang 74HC02 Integrated Circuit ng isang kabuuang 14 na pin at may kasamang apat na pangunahing o mga pintuan, maingat na naayos na inilalarawan sa kasamang diagram ng pinout para sa pinakamainam na kalinawan at pag -andar.

|
Pin Hindi. |
Pangalan ng pin |
I -type |
Paglalarawan |
|
1 |
1y |
Output
|
Output mula sa una o gate. |
|
2 |
1a |
Input |
Input sa una o gate. |
|
3 |
1B |
Input |
Input sa una o gate. |
|
4 |
2y |
Output |
Output mula sa Pangalawang Nor Gate. |
|
5 |
2a |
Input |
Input sa pangalawa o gate. |
|
6 |
2B |
Input |
Input sa pangalawa o gate. |
|
7 |
Gnd |
Kapangyarihan |
Kumonekta sa lupa. |
|
8 |
3a |
Input |
Input sa pangatlo o gate. |
|
9 |
3B |
Input |
Input sa pangatlo o gate. |
|
10 |
3y |
Output |
Output mula sa ikatlong Ni Gate. |
|
11 |
4a |
Input |
Input sa ika -apat o gate. |
|
12 |
4b |
Input |
Input sa ika -apat o gate. |
|
13 |
4y |
Output |
Output mula sa ika -apat o gate. |
|
14 |
VCC |
Kapangyarihan |
Positibong supply ng kuryente.Kumonekta sa +5V na kapangyarihan. |





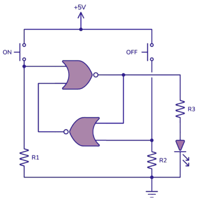
Ang 74HC02 IC ay isang maraming nalalaman na sangkap na karaniwang ginagamit sa simple ngunit mahalagang mga proyekto ng elektronika.Ang isang praktikal na halimbawa ay ang pagtatayo ng isang SR (set-reset) na latch, isang circuit na nagbibigay-daan sa iyo upang makontrol ang isang LED gamit ang IC o Gates.Ang disenyo na ito ay nagpapakita ng function na "memorya" ng isang SR latch - kung saan ang LED ay mananatiling naiilawan kahit na matapos ang paunang pindutan ng pindutan ay pinakawalan.

Upang mabuo ang circuit na ito, tipunin ang sumusunod:
• 1 x 74HC02 IC: Ang pangunahing sangkap, na nagbibigay ng mga pintuan ng NOR.
• 1 x LED (L1): Ipinapakita ang estado ng output (on o off).
• 2 x 10 kΩ resistors (R1, R2): ayusin ang mga antas ng boltahe para sa matatag na operasyon ng circuit.
• 1 x 1 kΩ risistor (R3): Pinoprotektahan ang LED sa pamamagitan ng paglilimita sa kasalukuyang pagdaan dito.
• 2 x Pushbuttons (S1, S2): Payagan kang i -toggle ang estado ng LED (i -on o i -off ito).
Nag -aalok ang 74HC02 IC ng isang hanay ng mga pagkakaiba -iba, ang bawat isa ay nagpapanatili ng mga pangunahing tampok nito habang nagpapakita ng mga pagkakaiba sa boltahe at kasalukuyang mga kakayahan sa paghawak.Maraming mga kapansin -pansin na pagpipilian ang kasama:
At 74HCT02
At 74LS02
At 74LVC02
At 74AC02
At 74ALS02
At 74f02
• 74C02
|
Simbolo |
Parameter |
Halaga |
Unit |
|
VCC |
Boltahe ng supply ng DC (na -refer sa GND) |
- 0.5 hanggang +7.0 |
V |
|
Vin |
DC input boltahe (na -refer sa GND) |
- 0.5 sa VCC + 0.5 |
V |
|
Vout |
DC output boltahe (na -refer sa GND) |
- 0.5 sa VCC + 0.5 |
V |
|
Lin |
DC input kasalukuyang, bawat pin |
± 20 |
Ma |
|
Iout |
DC output kasalukuyang, bawat pin |
± 25 |
Ma |
|
ICC |
Ang DC ay nagbibigay ng kasalukuyang, VCC at GND pin |
± 50 |
Ma |
|
Pd |
Pag -dissipation ng kapangyarihan sa hangin pa rin: |
||
|
- SOIC Package |
500 |
MW |
|
|
- TSSOP Package |
450 |
MW |
|
|
TSTG |
Temperatura ng imbakan |
- 65 hanggang +150 |
℃ |
|
Tl |
Ang temperatura ng tingga, 1 mm mula sa kaso sa loob ng 10 segundo: |
||
|
- SOIC o TSSOP Package |
260 |
℃ |
|
Simbolo |
Parameter |
Min |
Max |
Unit |
|
VCC |
Boltahe ng supply ng DC (na -refer sa GND) |
2 |
6 |
V |
|
Vin, Vout |
DC input boltahe, boltahe ng output (na -refer sa GND) |
0 |
VCC |
V |
|
Ta |
Temperatura ng pagpapatakbo, lahat ng mga uri ng pakete |
-55 |
125 |
℃ |
|
tr, tf |
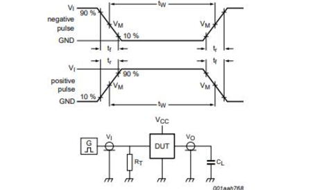
Pagtaas ng input at oras ng pagkahulog (74HC02 figure ng mga alon) |
NS |
||
|
- VCC = 2.0 v |
0 |
1000 |
||
|
- VCC = 4.5 v |
0 |
500 |
||
|
- VCC = 6.0 v |
0 |
400 |

Mangyaring magpadala ng isang pagtatanong, tutugon kami kaagad.
Pinagsasama ng isang Nor Gate ang mga pag -andar ng isang o gate at isang inverter.Gumagawa ito ng isang tunay na output lamang kapag ang parehong mga input ay hindi totoo.Ang katangian na ito ay aktibo para sa pagpapagaan ng mga digital na circuit circuit, dahil nagbibigay ito ng parehong negation at magkakasamang operasyon.Ang paggamit ng mga pintuan ay nagpapahusay ng parehong pagiging maaasahan at kahusayan ng iba't ibang mga aplikasyon sa pamamagitan ng pagbabawas ng pagiging kumplikado ng circuit.
Ang 74HC02 IC ay nagpapatakbo sa loob ng isang saklaw ng boltahe na 2.7 V hanggang 3.6 V. Ang saklaw na ito ay kadalasang kapaki -pakinabang sa digital electronics, na nagpapagana ng madaling pagsasama sa iba't ibang mga digital system habang pinapanatili ang mababang pagkonsumo ng kuryente.Ang katangiang ito ay lalong mahalaga sa mga aparato na pinapagana ng baterya at nagbibigay-daan para sa pagsasama ng iba't ibang mga pamilya ng lohika sa mga halo-halong kapaligiran.
Ni ang mga pintuan ay compact at epektibo ang gastos, na ginagawa silang isang mahusay na pagpipilian para sa pagbabawas ng mga gastos sa materyal.Ang kanilang simpleng disenyo ay nagpapadali ng mabilis na pag -unlad at prototyping, na nagpapahintulot sa iyo na tumuon sa pagpapabuti ng iba pang mga aspeto ng kanilang mga system.Ang pagsasama o mga pintuan sa mga disenyo ng circuit ay maaaring gawing simple ang system, potensyal na pagpapahusay ng tibay at pagganap.
Ang pagpili sa pagitan ng mga pintuang NAND at NAND ay nakasalalay sa mga tiyak na pangangailangan tulad ng bilis, pagkonsumo ng kuryente, gastos, at pagiging kumplikado ng disenyo ng circuit.Ang mga pintuan ay madalas na ginustong sa mga aplikasyon na nangangailangan ng mabilis na pagganap at mababang paggamit ng kuryente.Sa kabilang banda, ang mga pintuan ng NAND ay mas simple, na maaaring humantong sa pagtitipid ng gastos at kadalian ng disenyo sa malakihang pagsasama (VLSI) circuit.Ang desisyon ay dapat na batay sa isang maingat na pagsusuri ng mga salik na ito na nauugnay sa mga kinakailangan ng application.
sa 2024/11/28
sa 2024/11/28
sa 8000/04/18 147757
sa 2000/04/18 111936
sa 1600/04/18 111349
sa 0400/04/18 83721
sa 1970/01/1 79508
sa 1970/01/1 66905
sa 1970/01/1 63035
sa 1970/01/1 63012
sa 1970/01/1 54081
sa 1970/01/1 52125