
A Pagkakaiba -iba ng amplifier ay isang pangunahing bahagi ng maraming mga sistema ng analog.Ang pangunahing pag -andar nito ay upang palakasin ang pagkakaiba ng boltahe sa pagitan ng dalawang signal ng pag -input habang hindi pinapansin ang anumang boltahe na karaniwan sa pareho.Ang napiling pagpapalakas na ito ay kung ano ang ginagawang kapaki -pakinabang sa maingay na mga kapaligiran.Kapag ang pagkagambala tulad ng electromagnetic na ingay o linya ng kuryente ay nakakaapekto sa parehong mga input nang pantay, ang amplifier ay epektibong ma -cancels ito.
Ang kakayahang ito ay tinatawag na karaniwang mode na pagtanggi.Ang isang mataas na karaniwang mode na pagtanggi sa ratio (CMRR) ay nagsisiguro na ang amplifier ay nakatuon lamang sa tunay na pagkakaiba ng signal, na tumutulong na mapanatili ang kawastuhan.Halimbawa, sa mga medikal na kagamitan tulad ng ECG machine, ang mga de -koryenteng signal ng puso ay maliit at madalas na inilibing sa ingay.Ang isang kaugalian na amplifier ay kumukuha ng mga signal na ito nang malinis, na nagpapahintulot sa maaasahang pagbabasa.Ang parehong prinsipyo ay nalalapat sa mga sistemang pang -industriya o audio, kung saan mahalaga ang katumpakan at paglaban sa ingay.
Kapag ang mga senyas ay naglalakbay ng malalayong distansya, tulad ng sa pamamagitan ng mga baluktot na pares ng mga pares sa mga sistema ng pagkuha ng data, ang parehong mga wire ay nakakakuha ng katulad na panghihimasok.Ang pagkakaiba -iba ng amplifier ay nag -cancels ng ibinahaging ingay na ito at pinalakas lamang ang kapaki -pakinabang na pagkakaiba sa signal.Dahil dito, ito ay isang pangunahing sangkap sa Elecision Electronics na ginamit sa lahat mula sa mga interface ng sensor hanggang sa high-fidelity audio.
Ang isang op-amp, maikli para sa pagpapatakbo ng amplifier, ay isang elektronikong bahagi na maaaring gumawa ng mga maliit na signal ng boltahe na mas malaki.Mayroon itong dalawang mga pin ng input: ang isa ay tinatawag na non-inverting input (minarkahan ng isang "+"), at ang isa pa ay ang inverting input (minarkahan ng isang "-").Inihahambing ng op-amp ang mga boltahe sa dalawang input na ito at nagbibigay ng isang output batay sa pagkakaiba sa pagitan nila.Sa pamamagitan ng kanyang sarili, ang isang op-amp ay may napakataas na pakinabang, na nangangahulugang kahit isang maliit na pagkakaiba-iba ng boltahe sa pagitan ng dalawang mga input ay maaaring itulak ang output sa pinakamataas o minimum na antas nito.Ginagawa nitong masyadong sensitibo para sa karamihan ng mga gamit.Upang ayusin ito, nagdaragdag kami ng isang bagay na tinatawag na negatibong feedback, ito ay kapag ang bahagi ng output ay ipinadala pabalik sa inverting input sa pamamagitan ng mga resistors.Makakatulong ito sa op-amp na panatilihin ang output sa isang matatag at kapaki-pakinabang na antas.Kinokontrol ng mga resistors kung magkano ang op-amp na nagpapalakas ng pagkakaiba sa pagitan ng dalawang input.

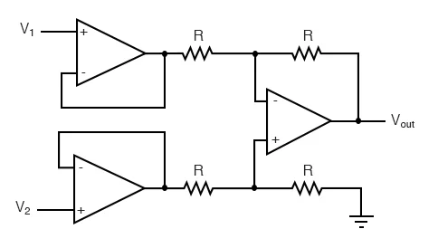
Larawan 2. Op-amps sa pagpapalakas ng pagkakaiba-iba
Ang figure ay nagpapakita ng isang espesyal na pag -setup na tinatawag na isang pagkakaiba -iba ng amplifier, kung minsan ay tinatawag na isang diff amp para sa maikli.Gumagamit ito ng apat na resistors (R₁, R₂, R₃, at R₄) at dalawang signal ng pag -input: V₁ at V₂.Tinitingnan ng op-amp kung paano naiiba ang V₁ at V₂ at nagbibigay ng isang output boltahe V₀ na batay sa pagkakaiba na iyon.Ang ganitong uri ng circuit ay mahusay sa pagpili ng pagkakaiba sa pagitan ng dalawang signal habang hindi pinapansin ang anumang ingay o hindi ginustong mga signal na pareho sa parehong mga input.Iyon ang dahilan kung bakit ginagamit ito sa mga bagay tulad ng mga circuit ng sensor, mga audio system, at mga tool sa pagsukat kung saan kailangan mo ng malinaw at tumpak na mga signal.
Upang makagawa ng isang pagkakaiba -iba ng amplifier na gumagana sa isang malinaw at maaasahang paraan, gumamit ng isang balanseng pag -setup na may apat na resistors.Ipinapakita ng diagram kung paano ito ginagawa gamit ang isang op-amp (pagpapatakbo ng amplifier), dalawang boltahe ng input (V₁ at V₂), at apat na resistors: R1, R2, R3, at R4.

Larawan 3. Ang circuit ng amplifier ng pagkakaiba -iba na may simetriko na network ng risistor
Sa circuit na ito, ang unang boltahe ng input, V₁, ay ipinadala sa pamamagitan ng risistor R1 sa inverting input ng op-amp (minarkahan ng isang minus sign).Ang pangalawang boltahe ng pag-input, V₂, ay dumadaan sa risistor R3 sa hindi pag-inverting input (minarkahan ng isang plus sign).Pagkatapos, kinokonekta ng Resistor R2 ang inverting input sa lupa, at ang Risistor R4 ay nag-uugnay sa output ng op-amp pabalik sa inverting input.Ang feedback loop na ito ay tumutulong sa op-amp control ang output at panatilihing matatag ang pagkakaiba sa pagitan ng dalawang mga input.
Ang pangunahing ideya ng amplifier na ito ay upang masukat ang pagkakaiba sa pagitan ng V₂ at V₁ at dumami ang pagkakaiba sa pamamagitan ng isang tiyak na halaga, ito ay tinatawag na pakinabang.Ang pakinabang ay itinakda sa pamamagitan ng pagpili ng tamang mga halaga ng risistor.Kung ang R1 at R3 ay may parehong halaga, at ang R2 at R4 ay mayroon ding parehong halaga, ang circuit ay gagana nang maayos at magbibigay ng isang malinis, tumpak na output.Ang pagkakaroon ng pantay na resistors ay napakahalaga.Kapag ang mga resistors ay naitugma, ang circuit ay maaaring huwag pansinin ang anumang ingay o pagkagambala na pareho sa parehong mga linya ng pag -input.Ito ay tinatawag na karaniwang mode na pagtanggi, at makakatulong ito na mapanatiling malinis ang signal ng output.Kung ang mga resistors ay hindi naitugma nang maayos, maaaring hayaan ng circuit ang mga hindi ginustong mga signal, na maaaring gulo ang output.
Upang maiwasan ito, gumamit ng mga resistor na may mataas na precision na napakalapit sa halaga, madalas sa loob ng 0.1% ng bawat isa.Sa mas advanced na disenyo, tulad ng mga natagpuan sa loob ng mga microchips, ang mga halaga ng risistor ay maingat na nababagay gamit ang laser trimming upang matiyak na ang lahat ay balanse.Sa iba pang mga kaso, isipin din ang tungkol sa temperatura, dahil ang init ay maaaring magbago kung paano kumilos ang mga resistors.Kaya, sinisikap nilang pumili ng mga resistors na hindi nakakaapekto sa temperatura o ayusin ang mga ito sa paraang panatilihing matatag ang mga bagay.Ang simpleng uri ng pagkakaiba -iba ng amplifier na ito ay madalas na ginagamit bilang panimulang punto para sa mas kumplikadong mga sistema, tulad ng mga amplifier ng instrumento.Ang mga circuit na iyon ay gumagamit ng mga labis na bahagi upang mapabuti ang pagganap kahit na higit pa, lalo na kung nagtatrabaho sa napakaliit na mga signal sa maingay na mga kapaligiran.
Ang pakinabang ng isang pagkakaiba -iba ng amplifier ay isang sukatan kung magkano ang pagtaas ng circuit sa pagitan ng dalawang boltahe ng input, V₁ at V₂.Sa madaling salita, ang Gain ay nagsasabi sa amin kung magkano ang mas malaki ang output ay ihahambing sa pagkakaiba sa pagitan ng mga signal ng pag -input.Ang pakinabang na ito ay itinakda ng mga resistors sa circuit partikular, sa pamamagitan ng paghahambing ng mga halaga ng mga resistors ng input at ang mga resistors ng feedback.Kung itinakda namin ang mga resistors sa isang balanseng paraan, ang pagkalkula ng pakinabang ay nagiging napaka -simple.Sabihin natin na ang R1 ay pareho sa R3, at ang R2 ay pareho sa R4.Ang ganitong uri ng pag -setup ay tinatawag na simetriko, at nakakatulong ito sa circuit na gumana nang mas tumpak.Sa kasong ito, ang formula para sa pakinabang ng amplifier ay ganito:

Ang pormula na ito ay nangangahulugan na ang amplifier ay tumatagal ng pagkakaiba sa pagitan ng V₂ at V₁ at pinarami ito sa pamamagitan ng bilang na makukuha mo kapag hinati mo ang R2 ng R1.Kaya kung ang R2 ay dalawang beses kasing laki ng R1, ang output ay magiging dalawang beses ang pagkakaiba sa pagitan ng V₂ at V₁.
Narito ang isang halimbawa:
Kung v₂ = 3 volts at v₁ = 1 volt, ang pagkakaiba ay 2 volts.
Kung ang R2 ay 10kΩ at ang R1 ay 5kΩ, kung gayon ang pakinabang ay 10k / 5k = 2.
Kaya ang boltahe ng output ay magiging 2 × 2 = 4 volts.
Kung ginagawa mo ang lahat ng apat na resistors pareho (R1 = R2 = R3 = R4), ang pakinabang ay nagiging 1. Nangangahulugan ito na ang amplifier ay hindi nagbabago sa laki ng pagkakaiba, ipinapasa lamang nito ang pagkakaiba sa output tulad nito.Ito ay kapaki -pakinabang kapag nais mo lamang sukatin o ipasa ang isang signal nang hindi ito pinalakas.Minsan, bagaman, kailangan mo ang output upang maging mas malakas, lalo na kung ang mga signal ng input ay napakaliit.Upang gawin ito, maaari kang gumawa ng R2 at R4 na mas malaki kaysa sa R1 at R3.Pinatataas nito ang pakinabang, at ginagawang mas malaki ang signal ng output.Halimbawa, kung ang R2 ay sampung beses na mas malaki kaysa sa R1, ang pakinabang ay 10, at ang output ay sampung beses ang pagkakaiba sa pag -input.
Ngunit ang pagtaas ng pakinabang ay mayroon ding pagbagsak.Ang isang mataas na pakinabang ay maaari ring gumawa ng mga hindi kanais -nais na mga signal, tulad ng ingay o pagkagambala, mas malakas.Maaari rin itong gumawa ng maliliit na mga error sa boltahe na mukhang malaki.Maaari itong gawing maingay o hindi tumpak ang output ng amplifier.Kaya mahalaga na piliin nang mabuti ang mga halaga ng risistor, kaya ang pagkakaroon ay sapat na mataas upang makita ang signal nang malinaw, ngunit hindi masyadong mataas na nagdudulot ito ng mga problema.Gayundin, ang mga op-amp ay hindi perpekto.Maaari silang magkaroon ng maliit na built-in na mga error na nagbabago kung paano gumagana ang circuit.Halimbawa, ang op-amp ay maaaring makagawa ng isang maliit na output kahit na ang mga input ay eksaktong pareho.Ito ay tinatawag na Offset boltahe.Ang isa pang karaniwang isyu ay ang bias kasalukuyang, na kung saan ay isang maliit na kasalukuyang dumadaloy sa mga pin ng input at maaaring baguhin nang bahagya ang mga boltahe.Upang ayusin o bawasan ang mga problemang ito, ayusin ang circuit pagkatapos ng pagbuo nito (tinatawag na pag-trim), magdagdag ng mga dagdag na sangkap upang kanselahin ang mga error (offset nulling), o gumamit ng mga espesyal na op-amps na idinisenyo upang maging tumpak at matatag..
Ang isang pangunahing pagkakaiba -iba ng amplifier ay isang simple at kapaki -pakinabang na circuit.Ito ay nagdaragdag (pinalakas) ang pagkakaiba sa pagitan ng dalawang boltahe ng pag -input at hindi pinapansin ang anumang bagay na pareho sa pareho.Ngunit ang simpleng disenyo na ito ay may problema kapag kumokonekta ito sa mahina o high-impedance signal na mapagkukunan (tulad ng ilang mga sensor).Ang isyu ay nagmula sa inverting input ng amplifier.Dahil sa kung paano gumagana ang circuit, ang input na ito ay kumikilos tulad ng isang virtual na lupa, na nangangahulugang maaari itong hilahin ang kasalukuyang mula sa mapagkukunan ng signal.
Kung ang mapagkukunan ng signal ay hindi maaaring magbigay ng maraming kasalukuyang tulad ng ilang mga sensor o pinong mga circuit, maaari itong baguhin ang signal.Ang signal ay maaaring makakuha ng mas maliit (mas mahina) o magulong, na nangangahulugang ang amplifier ay nagbibigay ng isang maling resulta.Upang ayusin ito, gumamit ng mga tagasunod ng boltahe, na tinatawag ding mga amplifier ng buffer, sa bawat input.Ito ang mga espesyal na circuit ng amplifier na hindi tataas ang boltahe, ngunit mayroon silang napakataas na impedance ng pag -input at isang mababang impedance ng output.Nangangahulugan ito na hindi sila gumuhit ng maraming kasalukuyang mula sa mapagkukunan ng signal, kaya ang signal ay mananatiling pareho.Ipinapasa lamang ng buffer ang signal nang hindi binabago ito.Kapag idinagdag mo ang mga tagasunod ng boltahe na ito sa pagkakaiba-iba ng amplifier, nakakakuha ka ng isang mas mahusay na circuit na tinatawag na isang three-op-amp instrumentation amplifier.Ang bagong bersyon na ito ay may napakataas na impedance ng pag -input, kaya gumagana ito nang maayos sa mga mahina na signal.
Maaari mo ring itakda ang pakinabang (kung magkano ang signal ay pinalakas) gamit ang mga panlabas na resistors.Pinipigilan din nito ang ingay nang maayos at nagbibigay ng isang malinis, tumpak na signal.Ang mga pinabuting amplifier na ito ay ginagamit sa tumpak na mga trabaho, tulad ng pagbabasa ng maliliit na signal mula sa mga thermistors, mga gauge ng pilay, o mga medikal na sensor.Ang mga signal na ito ay madalas na napakaliit (tulad ng mga microvolts) at kailangang mapalakas nang malinaw, kahit na sa mga maingay na lugar.Upang matiyak na ang amplifier ay gumagana sa pinakamainam, ang pisikal na disenyo ng circuit ay mahalaga din.Marami ang gumagamit ng mga espesyal na trick ng layout, tulad ng pagprotekta sa mga bahagi ng circuit upang hadlangan ang mga hindi ginustong mga signal at pinapanatili ang mga wire na maikli upang maiwasan ang mga problema sa hindi kanais -nais na kapasidad.Makakatulong ito sa amplifier na gumana nang maayos kahit na may napakaliit o mabilis na mga signal.

Larawan 4. Tatlong-op-amp instrumentation amplifier na may mga input buffer
Ang figure ay nagpapakita ng isang three-op-amp instrumentation amplifier.Ang unang dalawang op-amps ay kumikilos bilang mga buffer, natatanggap ang mga signal ng input v1 at v2 at ipasa ang mga ito nang hindi gumuhit ng kasalukuyang mula sa mga mapagkukunan.Ang mga buffered signal na ito pagkatapos ay dumaan sa mga resistors at mag-convert sa ikatlong op-amp, na nagsisilbing isang kaugalian amplifier.Ang pangwakas na yugto na ito ay nagbabawas ng isang input mula sa iba pa upang makabuo ng output boltahe vout.Ang pagsasaayos na ito ay nagpapabuti ng integridad ng signal at mahusay na angkop para sa paghawak ng mahina o sensitibong signal nang ligtas.
Sa ilang mga circuit, gumagamit kami ng isang uri ng amplifier na tinatawag na isang pagkakaiba -iba ng amplifier nang walang puna.Kapag ginawa natin ito, nagiging isang paghahambing.Ang isang paghahambing ay isang aparato na mabilis na suriin kung alin sa dalawang boltahe ang mas malaki.Kapag ginagawa nito ang paghahambing, binabago nito ang output nito sa alinman sa isang mataas o mababang boltahe, halos tulad ng isang simpleng switch.Ang ganitong uri ng on-o-off na pag-uugali ay kapaki-pakinabang sa mga digital system at awtomatikong control circuit.Ang isang halimbawa ay isang zero-crossing detector.Pinapanood nito ang isang AC (alternating kasalukuyang) signal at binabago ang output nito tuwing ang signal ay dumadaan sa zero volts.Nakatutulong ito sa tiyempo at pagkontrol sa mga bagay na nakasalalay sa yugto ng signal.
Mahalaga rin ang mga paghahambing sa mga aparato na tinatawag na analog-to-digital converters (ADC).Ang mga converter na ito ay nagbabago ng mga signal (tulad ng tunog o temperatura) sa mga digital na numero na maiintindihan ng mga computer.Ang paghahambing ay tumutulong sa pamamagitan ng paghahambing ng pagbabago ng signal sa isang nakapirming boltahe ng sanggunian.Kahit na ang mga regular na op-amps (pagpapatakbo ng mga amplifier) ay maaaring gumana bilang mga paghahambing sa mga simpleng circuit, mayroong mga espesyal na paghahambing na chips na ginawa para lamang sa trabahong ito.Ang mga espesyal na chips ay mas mabilis at mas tumpak.Maaari rin silang magsama ng mga karagdagang tampok, tulad ng hysteresis (na tumutulong na maiwasan ang paglipat ng madalas dahil sa mga maliliit na pagbabago o ingay) at mga open-collector na output (na ginagawang mas madali upang kumonekta sa mga digital circuit).

Larawan 5. Comparator circuit gamit ang isang pagsasaayos ng tulay ng wheatstone
Ang figure ay naglalarawan ng isang circuit circuit na may isang klasikong pagsasaayos ng tulay ng wheatstone.Apat na pantay na resistors r ang bumubuo ng network ng tulay, na lumilikha ng isang balanseng kondisyon kapag ang lahat ng mga sangkap ay simetriko at ang input ay nasa 0 volts.Ang mga boltahe mula sa mga braso ng tulay, na may label na V1 at V2, ay pinapakain sa pag-inverting at hindi pag-inverting ng mga input ng isang paghahambing, ayon sa pagkakabanggit.Sa ilalim ng balanseng mga kondisyon, ang V1 at V2 ay pantay, na nagreresulta sa isang zero output.Ang anumang kawalan ng timbang sa tulay tulad ng isang pagbabago sa isang risistor dahil sa temperatura o pilay, ay gagawa ng pagkakaiba sa boltahe sa pagitan ng V1 at V2, na nagiging sanhi ng paghahambing na ilipat nang naaayon ang output nito.
Ang mga light-sensitive switch ay mga aplikasyon ng mga pagkakaiba-iba ng mga amplifier na nagbibigay-daan sa awtomatikong kontrol ng mga de-koryenteng aparato bilang tugon sa iba't ibang mga antas ng ilaw na ambient.Ang mga circuit na ito ay karaniwang gumagamit ng isang light dependant risistor (LDR), isang sangkap na nagbabago ang paglaban batay sa intensity ng ilaw na bumabagsak dito.Sa pamamagitan ng pagsasama ng isang LDR sa isang network ng boltahe divider, posible na i -convert ang light intensity sa isang kaukulang signal ng boltahe.Ang pangunahing operasyon ng tulad ng isang switch ay nakasalalay sa isang pagkakaiba -iba ng amplifier, na tumatanggap ng dalawang input: ang isa mula sa boltahe ng boltahe na naglalaman ng LDR at ang iba pa mula sa isang boltahe ng sanggunian.Ang sanggunian ng sanggunian ay maaaring gawing adjustable gamit ang isang variable na risistor (VR1) o potentiometer.Ang pagsasaayos na ito ay nagbibigay -daan upang tumpak na itakda ang light intensity threshold kung saan ang switch ay i -aktibo o i -deactivate ang konektadong pagkarga.
Habang nagbabago ang ilaw na ilaw, nag -iiba ang paglaban ng LDR, binabago ang boltahe sa isang input ng amplifier ng kaugalian.Kapag ang boltahe ng input na ito ay lumampas o bumagsak sa ibaba ng sanggunian ng sanggunian, ang output ng mga toggles ng amplifier.Ang output na ito ay ginagamit upang magmaneho ng isang transistor switch, na kung saan ay aktibo ang isang konektadong aparato tulad ng isang lampara, relay, o tagahanga.Ang pagsasama ng isang feedback risistor (RF) ay nagpapabuti sa katatagan at pagtugon ng circuit ng amplifier.Samantala, ang yugto ng transistor, na madalas na ipinares sa isang flyback diode (D1), ay nagbibigay ng kinakailangang kasalukuyang pagpapalakas at pinoprotektahan laban sa mga spike ng boltahe kapag ginagamit ang mga inductive load tulad ng mga relay.

Larawan 6. light-sensitive switch gamit ang isang kaugalian amplifier at LDR
Ang figure ay naglalarawan ng isang light-sensitive switch circuit batay sa isang pagkakaiba-iba ng amplifier.Ang isang light dependant risistor (LDR) at isang nakapirming risistor (R1) ay bumubuo ng isang boltahe divider na nagbibigay ng isang variable na boltahe na input (V1) sa inverting terminal ng pagpapatakbo amplifier.Ang non-inverting input ay tumatanggap ng isang sanggunian na boltahe (V2), na itinakda gamit ang isang variable na risistor (VR1) sa serye na may risistor R2.Inihahambing ng kaugalian amplifier ang mga input na ito, kasama ang output na konektado sa base ng isang transistor sa pamamagitan ng isang risistor (R3).Kapag nagbabago ang light intensity na ang V1 ay tumatawid sa threshold na itinakda ng V2, ang mga estado ng output ng amplifier ay nagsasaad, na pinihit o i -off ang transistor.Ito naman, ay kumokontrol sa isang konektado na relay coil, na ipinahiwatig sa diagram na may koneksyon sa output.Ang isang diode (D1) ay inilalagay kahanay sa relay coil upang maprotektahan laban sa mga spike ng boltahe.Ang Risistor R4 ay nagsisilbing isang pull-down para sa base ng transistor.Ang pangkalahatang circuit ay nagbibigay -daan sa awtomatikong paglipat batay sa mga nakapaligid na mga kondisyon ng ilaw.
At Napakahusay na pagtanggi sa ingay: Ang mga pagkakaiba -iba ng mga amplifier ay idinisenyo upang palakasin ang pagkakaiba sa pagitan ng dalawang signal ng pag -input habang hindi pinapansin ang anumang boltahe na karaniwan sa pareho.Ginagawa nitong lubos na epektibo sa pagtanggi sa panghihimasok sa electromagnetic at ingay na nakakaapekto sa parehong mga linya ng pag -input nang pantay, isang pangunahing benepisyo sa mga kapaligiran na may maraming mga de -koryenteng ingay, tulad ng mga pabrika o malapit sa mga linya ng kuryente.
At Mataas na katumpakan: Ang mga amplifier na ito ay nag -aalok ng mahusay na pagkakasunud -sunod, nangangahulugang ang output ay direktang proporsyonal sa pagkakaiba ng boltahe ng input na may napakaliit na pagbaluktot.Ginagawa nitong mainam ang mga ito para sa mga system na nangangailangan ng mataas na katumpakan, tulad ng mga kagamitan sa audio, mga sistema ng pagkuha ng data, o mga instrumento sa pang -agham, kung saan kahit na ang mga maliit na kawastuhan ay maaaring makompromiso ang pagganap.
At Versatile Design: Sa mga simpleng pagbabago sa kanilang pagsasaayos ng circuit, ang mga pagkakaiba -iba ng mga amplifier ay maaaring magamit sa iba't ibang mga tungkulin tulad ng mga pangunahing amplifier, mga comparator ng boltahe, mga tagasunod ng boltahe (buffer), o bilang mga bloke ng gusali sa mas advanced na mga sistema ng instrumento.Ang kakayahang umangkop na ito ay gumagawa sa kanila ng isang tanyag na pagpipilian sa maraming mga disenyo ng analog.
At Nagpapabuti ng kalidad ng signal nang maaga: Sa pamamagitan ng pagpapalakas ng nais na signal at pagtanggi sa ingay nang maaga sa chain chain, ang mga pagkakaiba -iba ng mga amplifier ay makakatulong na matiyak na ang isang malinis na signal ay dumaan sa natitirang bahagi ng system.Binabawasan nito ang pangangailangan para sa kumplikadong pag -filter o digital na pagwawasto sa agos, pag -save ng lakas ng pagproseso at pagpapabuti ng pangkalahatang pagiging maaasahan ng system.
At Maaasahan sa malupit na mga setting: Dahil sa kanilang pag-iwas sa ingay at katumpakan, ang mga pagkakaiba-iba ng mga amplifier ay malawakang ginagamit sa mga kapaligiran na may mataas na pusta tulad ng mga sistema ng aerospace, mga aparatong medikal, at kagamitan sa laboratoryo.Sa mga patlang na ito, ang tumpak at matatag na mga pagsukat ay mahalaga, at ang mga pagkakaiba -iba ng mga amplifier ay tumutulong na mapanatili ang integridad ng signal kahit na sa ilalim ng mapaghamong mga kondisyon.
Ang mga pagkakaiba -iba ng mga amplifier ay mahahalagang tool sa electronics dahil tinutulungan ka nilang palakasin ang tamang signal at mapupuksa ang hindi kanais -nais na ingay.Nagtatrabaho sila sa pamamagitan ng pagpapalakas ng pagkakaiba sa pagitan ng dalawang boltahe ng pag -input at hindi papansin ang anumang pareho sa pareho.Nalaman mo kung paano ginagamit ang mga op-amps upang gawin ang mga amplifier na ito at kung paano ang pagtutugma ng mga halaga ng risistor ay susi sa pagpapanatiling tumpak ang circuit.Ipinaliwanag din namin kung paano dagdagan ang paglaban sa pag -input ng amplifier sa pamamagitan ng paggamit ng mga buffer, na tumutulong kapag nagtatrabaho ka sa maliit o mahina na signal.Ang mga amplifier na ito ay maaari ring magamit bilang mga paghahambing at matalinong switch ng ilaw, na nagpapakita kung gaano kapaki -pakinabang at nababaluktot ang mga ito.Ang pag -alam kung paano sila gumagana ay tumutulong sa iyo na bumuo ng mas mahusay at mas maaasahang mga circuit.
Mangyaring magpadala ng isang pagtatanong, tutugon kami kaagad.
Ang isang pagkakaiba-iba ng amplifier ay may op-amp at apat na resistors.Ang isang input ay napupunta sa inverting terminal sa pamamagitan ng isang risistor, at ang iba pang input ay napupunta sa hindi pag-iikot na terminal sa pamamagitan ng isa pang risistor.Dalawang higit pang mga resistors ang nagbibigay ng puna at saligan.Pinapalakas ng circuit ang pagkakaiba ng boltahe sa pagitan ng dalawang input habang hindi pinapansin ang anumang boltahe na karaniwang pareho.
Ang katumpakan nito ay nakasalalay sa kung gaano kahusay ang mga resistors.Kung ang mga halaga ng risistor ay naka -off, maaaring hayaan ng amplifier ang ingay.Nagpupumiglas din ito na may mga mapagkukunan na may mataas na impedance, na maaaring maging sanhi ng pagkawala ng signal o pagbaluktot.Sa mataas na pakinabang, kahit na ang maliit na panloob na mga error tulad ng offset boltahe o bias kasalukuyang ay maaaring makaapekto sa output.Ang mga kumplikadong layout at labis na buffer ay maaaring kailanganin para sa katumpakan.
Karamihan sa mga pangunahing pagkakaiba -iba ng mga amplifier ay may isang output na nagpapakita ng pinalakas na pagkakaiba sa pagitan ng dalawang input.Ang ilang mga advanced na bersyon, tulad ng ganap na pagkakaiba -iba ng mga amplifier, ay may dalawang output.Ang mga output na ito ay pantay sa amplitude ngunit kabaligtaran sa phase, ginagawa silang kapaki -pakinabang sa mga system na nangangailangan ng mas mahusay na kaligtasan sa ingay.
Pinapalakas nito ang pagkakaiba ng boltahe sa pagitan ng dalawang mga input at tinanggihan ang anumang boltahe na karaniwang sa pareho.Ito ay may mataas na karaniwang mode na pagtanggi, mahusay na pagkakasunud-sunod, at nababagay na pakinabang sa pamamagitan ng mga halaga ng risistor.Sa mga buffer, maaari itong magkaroon ng mataas na impedance ng pag -input.Ito ay maaasahan sa maingay na mga kapaligiran at mahusay na gumagana sa mga maliliit na signal mula sa mga sensor o mga mapagkukunan ng audio.
Dagdagan mo ang pakinabang sa pamamagitan ng pag -aayos ng mga halaga ng risistor.Ang pakinabang ay katumbas ng ratio ng resistor ng feedback sa input risistor, karaniwang makukuha = R2 / R1.Ang paggamit ng mas malaking resistor ng feedback o mas maliit na mga resistors sa pag -input ay nagtataas ng pakinabang.Gayunpaman, ang mataas na pakinabang ay maaari ring palakasin ang ingay o panloob na mga error, kaya ang mga halaga ng risistor ay dapat na mapili nang mabuti para sa isang mahusay na balanse sa pagitan ng lakas ng signal at kawastuhan.
sa 2025/05/2
sa 2025/05/2
sa 8000/04/18 147757
sa 2000/04/18 111936
sa 1600/04/18 111349
sa 0400/04/18 83721
sa 1970/01/1 79508
sa 1970/01/1 66907
sa 1970/01/1 63036
sa 1970/01/1 63012
sa 1970/01/1 54081
sa 1970/01/1 52125