
Ang 6n136.Kasama sa photodetector na ito ang isang photodiode at isang high-speed transistor.Ang advanced na disenyo na ito ay nagpapahintulot sa paghahatid ng mga signal hanggang sa 2 MHz sa pagitan ng mga electrically nakahiwalay na mga circuit, tinitiyak na ang pinapayagan na mga potensyal na pagkakaiba ay hindi lalampas sa tinukoy na mga boltahe ng sanggunian.Ang compact na laki, katatagan, mahusay na mga kakayahan sa anti-panghihimasok, mataas na boltahe ng paghihiwalay, bilis, at pagiging tugma ng lohika ng TTL na ginagawang 6N136 isang maraming nalalaman na bahagi sa isang napakaraming mga aplikasyon.
Dahil sa kakayahan ng paghahatid ng high-speed, tinitiyak ng 6N136 ang integridad ng mga signal kahit na napapaligiran ng ingay ng elektrikal.Ang katangiang ito ay nagpapatunay na napakahalaga sa mga setting ng pang -industriya kung saan ang panghihimasok sa electromagnetic (EMI) ay isang pangkaraniwang hamon.Isaalang -alang ang isang senaryo ng pag -aautomat ng pabrika kung saan ang tumpak na paghahatid ng signal sa pagitan ng mga magsusupil at mga actuators ay nagtutulak ng parehong kahusayan sa pagpapatakbo at kaligtasan.Narito kung saan ang 6N136 ay tunay na nagniningning, na pinapanatili ang pagkakaisa ng mga kumplikadong sistema.Itinayo para sa tibay, ang 6N136 ay isang maaasahang pagpipilian para sa mga aplikasyon kung saan limitado o mahal ang pag -access sa pagpapanatili.Halimbawa, ang mga remote na aplikasyon ng sensing ay hinihiling ng mga sangkap na maaaring gumana nang maaasahan sa mga pinalawig na panahon nang walang interbensyon.
Ang mataas na boltahe ng 6N136 ay hindi lamang kalasag na mga elemento ng circuit mula sa mataas na boltahe na mga spike ngunit tinitiyak din na ang aparato ay maaaring hawakan ang paghahatid ng data ng high-speed.Sa mga sistema ng pagkuha ng data, kung saan ang katumpakan at bilis ng paghahatid ng data ay hindi sumasang -ayon na nakakaapekto sa kalidad ng nakolekta na data, ang tampok na ito ay nagpapatunay na lubos na kapaki -pakinabang.Ang antas ng antas ng lohika ng TTL ng 6N136 ay nagbibigay ito ng pambihirang kagalingan, na nagpapagana ng seamless na pagsasama sa iba't ibang mga digital na circuit.Sa panahon ng digital-to-analog at analog-to-digital na mga proseso ng conversion, ang pagpapanatili ng katapatan ng signal at pagiging tugma sa iba't ibang mga antas ng lohika ay ginagamit.Ang 6N136 ay walang kahirap -hirap na nakikipag -ugnay sa iba pang mga sangkap sa mga sitwasyong ito, tinitiyak ang maayos na pag -convert ng data at mga naka -streamline na operasyon.




|
Tampok |
Paglalarawan |
|
Boltahe ng pagsubok ng paghihiwalay |
5300 VRMS |
|
Pagiging tugma |
TTL na katugma |
|
Bit rate |
1.0 mbit/s |
|
Karaniwang Mode Interference Immunity |
Mataas |
|
Bandwidth |
2.0 MHz |
|
Uri ng output |
Open-collector output |
|
Panlabas na mga kable ng base |
Posible |
|
Nilalaman ng Lead (PB) |
Sangkap na walang lead |
|
Pagsunod |
ROHS 2002/95/EC, WEEE 2002/96/EC |
|
I -type |
Parameter |
|
Oras ng tingga ng pabrika |
6 na linggo |
|
Bundok |
Sa pamamagitan ng butas |
|
Uri ng pag -mount |
Sa pamamagitan ng butas |
|
Package / Kaso |
8-dip (0.300, 7.62mm) |
|
Bilang ng mga pin |
8 |
|
Kasalukuyang Ratio ng Paglilipat - Min |
19% @ 16MA |
|
Bilang ng mga elemento |
1 |
|
Temperatura ng pagpapatakbo |
-55 ° C hanggang 100 ° C. |
|
Packaging |
Tube |
|
Nai -publish |
2012 |
|
Bahagi ng Bahagi |
Aktibo
|
|
Antas ng Sensitivity ng kahalumigmigan (MSL) |
1 (walang limitasyong) |
|
Karagdagang tampok |
TTL na katugma |
|
Max Power Dissipation |
100MW |
|
BASE PART NUMBER |
6n136 |
|
Boltahe - paghihiwalay |
5300vrms |
|
Boltahe ng output |
400mv |
|
Uri ng output |
Transistor na may base |
|
Pag -configure |
Walang asawa |
|
Bilang ng mga channel |
1 |
|
Pag -dissipation ng Power |
100MW |
|
Boltahe - Ipasa (VF) (typ) |
1.33v |
|
Uri ng input |
DC |
|
Uri ng Optoelectronic Device |
Logic IC Output Optocoupler |
|
Ipasa ang kasalukuyang |
25MA |
|
Max output boltahe |
15v |
|
Rate ng data |
1 Mbps |
|
Output kasalukuyang bawat channel |
8ma |
|
Pagtaas ng oras |
800ns |
|
Oras ng pagkahulog (typ) |
800ns |
|
MAX Kolektor Kasalukuyan |
8ma |
|
Reverse breakdown boltahe |
5v |
|
Max input kasalukuyang |
25MA |
|
I -on / Patayin ang Oras (typ) |
200ns / 200ns |
|
Kasalukuyang ratio ng paglipat |
35% |
|
Radiation Hardening |
Hindi |
|
Katayuan ng ROHS |
Sumunod ang ROHS3 |
|
Bahagi ng bahagi |
Tagagawa |
Package / Kaso |
Bilang ng mga pin |
Bilang ng mga channel |
Boltahe - paghihiwalay |
Kasalukuyang ratio ng paglipat |
Kasalukuyang Ratio ng Paglilipat (MIN) |
Pagtaas ng oras |
Max output boltahe |
Boltahe ng output |
Tingnan ang ihambing |
|
6N136-X001 |
Vishay Semiconductor Opto Division |
8-dip (0.300, 7.62mm) |
8 |
1 |
5300vrms |
35% |
19% @ 16MA |
800 ns |
15 v |
400 mv |
6N136-X001 VS SFH6136-X016 |
|
SFH6136-X016 |
Vishay Semiconductor Opto Division |
8-dip (0.300, 7.62mm) |
6 |
1 |
500vrms |
30% |
10% @ 10mA |
- |
30 v |
- |
|
|
6N136-X016 |
Vishay Semiconductor Opto Division |
8-dip (0.400, 10.16mm) |
8 |
1 |
5300vrms |
35% |
19% @ 16MA |
800 ns |
15 v |
400 mv |
6N136-X001 VS 6N136-X016 |
|
4n28 |
Lite-On Inc. |
8-dip (0.400, 10.16mm) |
8 |
1 |
5300vrms |
35% |
19% @ 16MA |
- |
25 v |
- |
6N136-X001 vs 4N28 |
|
SFH6345-X016 |
Vishay Semiconductor Opto Division |
8-dip (0.400, 10.16mm) |
8 |
1 |
5300vrms |
30% |
19% @ 16MA |
- |
25 v |
- |
6N136-X001 VS SFH6345-X016 |

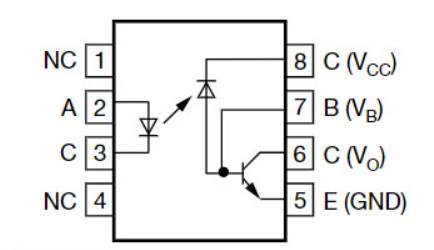
Ang pagsasama ng isang pull-up risistor sa circuit ay ginagarantiyahan na kapag ang transistor ay naka-off, ang vout pin ay patuloy na bumalik sa mataas na antas ng lohika na 5 volts.Nakakonekta sa pagitan ng vout pin at ang positibong boltahe ng supply, ang pull-up risistor na ito ay may ilang mga layunin.Ang pag -stabilize ng boltahe ng output, tinitiyak na maabot nito ang nais na lohika na mataas na estado.Pag -iwas sa mga lumulutang na estado na maaaring humantong sa hindi mahuhulaan na pag -uugali ng circuit.Ang pag -iingat laban sa ingay at maling pag -trigger sa loob ng circuit.
Sa pamamagitan ng pagtupad ng mga tungkulin na ito, ang pull-up risistor ay nag-aambag sa pagpapanatili ng pangkalahatang pagiging maaasahan at pagganap ng circuit.Ang isang maingat na napiling halaga ng risistor ng pull-up ay maaaring maiwasan ang mga lumulutang na output.Ang pag -stabilize na ito ay humahantong sa mahuhulaan at hindi nagbabago na mga antas ng lohika.Sa pamamagitan ng pagpapanatili ng vout pin sa isang mahuhulaan na estado ng boltahe kapag ang transistor ay nasa isang posisyon na off, ang pull-up risistor ay epektibong binabawasan ang posibilidad ng mga kaguluhan na dulot ng ingay.Ang katatagan na ito ay kadalasang aktibo kapag ang katumpakan at pagiging maaasahan ay nangingibabaw sa paggana ng mga digital circuit.
Ang maalalahanin na pagpili ng halaga ng pull-up risistor ay ginagamit sa pagkamit ng nais na pagganap.Karaniwan, ang mga halaga ay saklaw mula sa ilang kilohms hanggang sa sampu -sampung mga kilohms, depende sa mga hinihingi ng circuit.Halimbawa, ang isang 10k ohm risistor ay madalas na pinili habang tinatamaan nito ang isang balanse sa pagitan ng bilis at kasalukuyang pagkonsumo, na nakahanay nang maayos sa isang malawak na hanay ng mga pangangailangan ng circuit.Maaari mong magamit ang kanilang malawak na kadalubhasaan upang matukoy ang pinaka -angkop na mga halaga ng risistor para sa kanilang mga tukoy na aplikasyon.
Ang LED sa loob ay nagpapa -aktibo at nagpapalabas ng isang IR beam tuwing naaabot ang naaangkop na pag -input ng kasalukuyang mga terminal (+VF at -VF).Kapag tinamaan ng IR beam ang phototransistor, dahil dito ito ay nag -aktibo.Sa mga naka -embed na system, ang ganitong uri ng pagsasaayos ay madalas na ginagamit para sa paghihiwalay ng signal.Sa pamamagitan nito, ang mga high-frequency na ingay o boltahe na mga spike ay pinipigilan mula sa sanhi ng pinsala sa mga sensitibong sangkap.

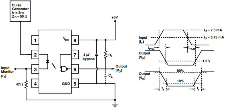
Sa ibinigay na diagram, ang 6N136 IC ay gumaganap ng pag -iikot ng polarity ng pulso.Partikular, kapag ang isang mataas na antas ng lohika ng pag -input ay inilalapat, isang mababang output ay nabuo.Sa kabaligtaran, ang isang mababang antas ng lohika ng pag -input ay gumagawa ng isang mataas na output.Ang mekanismo ng pag -iikot na ito ay gumaganap ng isang pangunahing papel sa pagproseso ng digital signal, lalo na kung may pangangailangan na mapanatili o iakma ang mga tiyak na antas ng lohika para sa mga kasunod na yugto ng isang circuit.
Sa mga disenyo ng circuit na gumagamit ng 6N136, ang parehong kahusayan at oras ng pagtugon ng optocoupler ay dapat isaalang -alang.Ang praktikal na karanasan ay nagpapakita na ang pagpili ng angkop na kasalukuyang paglilimita ng mga resistors ay maaaring mai-optimize ang oras ng pag-activate ng LED, sa gayon pinalakas ang pangkalahatang pagganap.Ang tumpak na tiyempo ay kadalasang kapansin-pansin sa mga application ng control, kung saan kahit na ang mga pagkaantala sa antas ng microsecond ay maaaring makaimpluwensya sa pag-andar ng system.
|
Bahagi ng bahagi |
Paglalarawan |
Tagagawa |
|
6n139#500 |
1 channel logic output optocoupler, 0.1 Mbps, 0.300 pulgada,
Surface Mount, DIP-8 |
Agilent Technologies Inc. |
|
HCPL-5700#200 |
1 Channel Logic Output Optocoupler, 0.1 Mbps, Hermetic
Selyadong, ceramic, dip-8 |
Avago Technologies |
|
HCPL-0700 |
1 Channel Logic Output Optocoupler, SO-8 |
Fairchild Semiconductor Corporation |
|
HCPL-2730-020 |
Logic IC Output Optocoupler, 2-Element, 5000V na paghihiwalay,
0.300 pulgada, dip-8 |
Agilent Technologies Inc. |
|
HCPL0500V |
8-pin SOIC 1 MBIT/S Single-Channel High Speed Transistor
Output optocoupler, 3000-tube |
Onsemi |
|
HCPL-4503-560 |
1 channel logic output optocoupler, 1 Mbps, 0.300 pulgada,
Surface Mount, DIP-8 |
Avago Technologies |
|
HCPL-0500V |
1 channel logic output optocoupler, 1 Mbps, lead-free,
SOIC-8 |
Rochester Electronics LLC |
|
HCNW4502E |
1 channel logic output optocoupler, 1 Mbps, 0.400 pulgada,
Lead-free, DIP-8 |
Avago Technologies |
|
SFH6325 |
Logic IC output optocoupler, 2-elemento, 5300V paghihiwalay,
1 Mbps, plastik, dip-8 |
Infineon Technologies Ag |
|
HCPL-5701#200 |
Logic ic output optocoupler, 1-element, 1500V paghihiwalay,
0.1 Mbps, Hermetic Sealed, Ceramic, DIP-8 |
Agilent Technologies Inc. |
Ang 6N136 Optocoupler ay nakakahanap ng malaking paggamit sa mga tagatanggap ng linya.Ito ay mahusay na namamahala sa paghahatid ng data ng high-speed, pag-minimize ng pagbaluktot ng signal at pagpapanatili ng integridad ng signal sa mga malalayong distansya.Sa pamamagitan ng pag -agaw ng mga kakayahan nito, ang mga kapaligiran kung saan ang pagiging maaasahan ng signal ay malubhang makikinabang.Ang aparato ng optoelectronic na ito ay gumaganap ng isang kamangha -manghang papel sa pagpapahusay ng mga sistema ng komunikasyon, tinitiyak ang matatag na paglipat ng data sa mga imprastrukturang telecommunication, at pagpapanatili ng kahusayan sa pagpapatakbo sa mga kumplikadong network.Ang mga aplikasyon ng patlang ay nagpakita na ang 6N136 ay maaaring makabuluhang bawasan ang pagkagambala sa ingay.Sa mga setting ng pang -industriya na may mahabang pagtakbo ng cable, napakahusay na nagpapanatili ng katapatan ng signal.
Ang 6N136 Optocoupler ay nagsisilbing isang pinakamainam na kapalit para sa tradisyonal na mga transpormer ng pulso, na nag -aalok ng mga pakinabang tulad ng pagbawas ng laki, pinahusay na pagiging maaasahan, at pinahusay na kahusayan.Sa pamamagitan ng pagpapalit ng mga transformer ng pulso na may 6N136, nakikita ng mga system ang pinahusay na pagganap at nabawasan ang pagkagambala ng electromagnetic.Ang pagbabagong ito patungo sa mas compact at mahusay na mga arkitektura ng elektronikong binibigyang diin ang takbo ng elektronika patungo sa miniaturization at pinahusay na mga pamantayan sa pagganap.Ang mga pagpapatupad sa iba't ibang mga elektronikong circuit ay nagpapakita ng 6N136 hindi lamang nakakatipid ng pisikal na puwang ngunit pinalalaki din ang pangkalahatang pagiging maaasahan ng system.
Ang isa sa mga tampok na standout ng 6N136 ay ang walang tahi na pakikipag -ugnay sa CMOS, LSTTL, at TTL logic na pamilya.Ang kakayahang umangkop na ito ay ginagawang isang pangunahing sangkap sa magkakaibang mga digital na circuit.Sa pamamagitan ng pag -bridging ng agwat ng pagiging tugma sa pagitan ng iba't ibang mga pamantayan ng lohika, pinapasimple nito ang disenyo ng circuit at nagpapabuti sa kakayahang umangkop sa pagpapatakbo.Maaari mong gamitin ang 6N136 upang matugunan ang mga isyu sa pagiging tugma sa pagitan ng iba't ibang mga digital na pamilya ng lohika, pag -stream ng mga disenyo at pagbabawas ng pagiging kumplikado.Ang kahusayan nito sa pakikipag -ugnay na may maraming mga antas ng lohika ay humantong sa malawakang pag -aampon sa integrated disenyo ng circuit.
Ang 6N136 Optocoupler ay nagpapatunay na napakahalaga para sa malawak na bandwidth analog pagkabit.Sa pamamagitan ng mataas na bilis ng tugon at mababang mga katangian ng pagbaluktot, tinitiyak nito ang tumpak na paghahatid ng signal sa malawak na mga saklaw ng dalas.Sa mga patlang na nangangailangan ng tumpak na pag-aanak ng signal ng analog, tulad ng pagproseso ng audio at pagkuha ng data ng high-speed, ang pagganap nito ay kadalasang kapansin-pansin.

Ang Vishay ay isang nangungunang tagapagbigay ng dalubhasa sa mga discrete semiconductors (diode, mosfets, optoelectronics) at mga passive na sangkap (resistors, inductors, capacitor).Ang kanilang mga sangkap ay nakakahanap ng paggamit sa magkakaibang sektor, kabilang ang pang -industriya, computing, automotiko, elektronikong consumer, telecommunication, militar, aerospace, at mga medikal na aplikasyon.
Ang mga discrete semiconductors ni Vishay at mga passive na sangkap ay pangunahing sa mga modernong aparato sa teknolohikal.Sa sektor ng industriya, ang kanilang mga produkto ay nag -aambag sa pagiging maaasahan at kahusayan ng mga makinarya at mga sistema ng automation.Para sa computing, ang Vishay ay nagbibigay ng mga sangkap na pundasyon sa parehong mga electronics ng consumer at mga server ng antas ng negosyo.Tinitiyak ng mga elementong ito ang pagganap, katatagan, at ang katumpakan na miniaturization ng mga aparato, na nakatutustos sa patuloy na lumalagong mga kahilingan ng teknolohiya.
Ang mga sangkap ni Vishay ay nakakaimpluwensya rin sa pagsulong ng mundo ng mga de-koryenteng sasakyan (EV) at mga advanced na sistema ng pagtulong sa driver (ADAS).Ang kanilang mga MOSFET at diode ay susi sa mga sistema ng pamamahala ng baterya at mga propulsion inverters, pagpapahusay ng kahusayan at pagiging maaasahan.Sa mga elektronikong consumer, ang optoelectronics ni Vishay ay nag -aambag sa miniaturization at kahusayan ng enerhiya ng mga aparato, na nagbibigay sa iyo ng isang mas mayamang karanasan at tinitiyak ang kahabaan ng aparato.Ang imprastraktura ng telecommunication ay labis na nakasalalay sa mga capacitor at inductors ng Vishay para sa pagpapanatili ng integridad ng signal at pamamahala ng kapangyarihan.Sinusuportahan ng mga sangkap na ito ang paghahatid ng data ng high-speed at matatag na pagganap ng network, na ginamit para matugunan ang tumataas na demand para sa walang tahi na bandwidth at koneksyon sa aming magkakaugnay na mundo.
Nagtatampok ang 6n135 ng isang 850nm Algaas na nanguna.May kasamang isang integrated detector na may isang photodiode, linear op-amp, at schottky clamped triode.Nagbibigay ng high-speed na operasyon sa 10MBD.Nangangailangan ng minimal na kasalukuyang pag -input, partikular na 5mA.Sa kaibahan, ang 6N136 ay may isang mataas na antas ng infrared LED.Isinasama ang isang photosensitive transistor.Ay kinikilala para sa matatag na mga kakayahan sa anti-panghihimasok.Nag-aalok ng mataas na pag-iinis na boltahe at higit na katugma sa TTL.Kapag nagpapasya sa pagitan ng dalawang ito, ang 6N135 ay kumikinang sa komunikasyon ng data na may mabilis na pagtugon at mahusay na paggamit ng kuryente, mainam para sa mga kapaligiran kung saan ang bilis at kahusayan ng katumpakan ng coax.Sa flip side, ang 6N136 ay nagiging kailangang -kailangan sa mga pang -industriya o medikal na aplikasyon, kung saan ang paghihiwalay at panghihimasok sa pagtanggi ay mapanatili ang integridad ng operasyon sa paglipas ng panahon.
Habang ang 6N137 at 6N136 ay naghahain ng mga katulad na layunin sa opto-isolation.Ipinagmamalaki ng 6N137 ang isang mas mataas na maximum na bilis ng 10MBD.Nagpapatakbo ito sa loob ng isang mas makitid na saklaw ng boltahe ng supply.Sa kabaligtaran, ang 6N136 ay may mas malawak na pagpapaubaya ng boltahe.Nagpapatakbo ito sa isang mas mababang bilis ng 1MBD.Sa gayon, ang 6N137 ay perpekto para sa mga sistema ng komunikasyon sa pagputol na nangangailangan ng mabilis na paglipat ng data, samantalang ang 6N136 ay umaangkop nang maayos sa mga senaryo na may iba't ibang mga suplay ng kuryente, na kapansin-pansin ang isang balanse sa pagitan ng bilis at kakayahang umangkop.
Ang 6N136 ay pinasadya para sa mga operasyon na may mataas na bilis, na maliwanag sa pangkaraniwang pagkaantala ng pagpapalaganap ng 0.5 microseconds na may paglaban sa pag-load ng 1.9Ω.Pinapayagan nito na suportahan ang mga high-speed digital na mga interface ng komunikasyon, na umaabot sa mga rate ng baud pataas ng 500K, na makabuluhang nagpapalabas ng mga pamantayang aparato tulad ng 4N25 o TILI17.Gayunpaman, ang pagkamit ng naturang pagganap sa mga praktikal na aplikasyon ay nangangailangan ng masusing pansin sa disenyo ng circuit at layout.Ang pagtiyak na ang mga magagandang detalye na ito ay nakakatulong na mapagaan ang anumang potensyal na pagkasira ng signal, pag-secure ng high-speed na kakayahan na ipinangako ng 6N136.
Mangyaring magpadala ng isang pagtatanong, tutugon kami kaagad.
sa 2024/10/21
sa 2024/10/21
sa 8000/04/18 147757
sa 2000/04/18 111936
sa 1600/04/18 111349
sa 0400/04/18 83721
sa 1970/01/1 79508
sa 1970/01/1 66907
sa 1970/01/1 63035
sa 1970/01/1 63012
sa 1970/01/1 54081
sa 1970/01/1 52125