
Ang BTA16 Naghahain ang Serye ng TRIAC ng isang malawak na hanay ng mga application ng paglipat ng AC, na nagpapalawak ng pag -abot nito sa mga sektor tulad ng static relay, regulasyon sa pag -init, at mga circuit control circuit.Nag-aalok ang serye ng kakayahang umangkop sa parehong mga hole-hole at ibabaw-mount packages, na nakatutustos sa iba't ibang mga pangangailangan sa hardware.Habang madalas na ginagamit sa mga senaryo ng ON/OFF control, maayos din ang pag -aayos ng mga tungkulin sa control control sa mga dimmers at motor na bilis ng mga controller.Ang mga bersyon na nagtatampok ng isang snubber circuit ay nagpapaganda ng mga kakayahan sa commutation, na nagbibigay ng isang natatanging kalamangan kapag namamahala ng mga induktibong naglo -load tulad ng mga motor at transformer.Bukod dito, ang BTA16 ay naglalaman ng isang insulated tab, na nagbibigay ng higit na elektrikal na paghihiwalay na nagpapabuti sa kaligtasan at nakataas ang pagganap.
Ang kakayahang magamit ng serye ng BTA16 TRIAC ay nagbibigay -daan upang mabisang magamit sa maraming mga aplikasyon.Sa mga static na relay, tinitiyak nito ang pare -pareho na operasyon sa magkakaibang mga kondisyon ng circuit, sa gayon ang pag -optimize ng kahusayan.Ang mga circuit ng regulasyon ng regulasyon ay nakikinabang mula sa malakas na pagganap nito, pagkamit ng tumpak na pamamahala ng temperatura.Sa loob ng mga circuit control circuit, ang BTA16 ay nagpapadali ng higit pa sa/off na mga gawain, na nagbibigay ng dynamic na modulation ng bilis upang matugunan ang mga advanced na kahilingan sa automation.Sa mga application na nangangailangan ng control phase, tulad ng mga dimmers at mga regulator ng bilis ng motor, ang mga serye ng BTA16 triac ay higit.Ang prosesong ito ay nanawagan para sa masusing pagsasaayos ng daloy ng kuryente, isang bagay na ginagawa ng BTA16 na may kilalang katumpakan.Ang katumpakan na ito ay pinahusay sa mga bersyon na may gamit na snubber, na kung saan ay may hawak na mga reaktibo na katangian ng mga induktibong naglo-load tulad ng mga motor at mga transformer.Ang kakayahang ito ay nagtataguyod ng matatag na pagganap, pinipigilan ang mga pagtaas ng kuryente, at pinalawak ang kahabaan ng mga konektadong sangkap.



|
Tampok |
Paglalarawan |
|
Katamtamang kasalukuyang triac |
Angkop para sa mga application na nangangailangan ng daluyan ng kasalukuyang
paghawak |
|
Mababang thermal resistance na may bonding ng clip |
Tinitiyak ang mahusay na pagwawaldas ng init |
|
Mababang thermal resisting pagkakabukod ceramic |
Nagbibigay ng pinahusay na pagkakabukod para sa insulated series na BTA |
|
Mataas na kakayahan sa commutation |
Magagamit sa 4-Quadrant (4Q) o napakataas na 3-quadrant (3Q,
Snubberless ™) variant |
|
UL1557 Certified |
Sertipikado sa ilalim ng mga pamantayan ng UL1557 (File Ref: 81734) |
|
Sumunod ang ROHS |
Ang mga pakete ay sumunod sa ROHS Directive (2002/95/EC) |
|
Tab na insulated |
Na -rate para sa 2500 VRMS pagkakabukod para sa serye ng BTA |
Narito ang talahanayan ng teknikal na pagtutukoy para sa stmicroelectronics BTA16-700BRG.
|
I -type |
Parameter |
|
Oras ng tingga ng pabrika |
11 linggo |
|
Makipag -ugnay sa kalupkop |
Lata |
|
Bundok |
Sa pamamagitan ng butas |
|
Uri ng pag -mount |
Sa pamamagitan ng butas |
|
Package / Kaso |
TO-220-3 |
|
Bilang ng mga pin |
3 |
|
Bilang ng mga elemento |
1 |
|
Temperatura ng pagpapatakbo |
-40 ° C hanggang 125 ° C (TJ) |
|
Packaging |
Tube |
|
Code ng JESD-609 |
E3 |
|
PBFree code |
Oo |
|
Bahagi ng Bahagi |
Aktibo |
|
Antas ng Sensitivity ng kahalumigmigan (MSL) |
1 (walang limitasyong) |
|
Bilang ng mga pagtatapos |
3 |
|
Karagdagang tampok |
UL kinikilala |
|
Boltahe - Na -rate na DC |
700v |
|
Kasalukuyang rating |
16a |
|
BASE PART NUMBER |
BTA16 |
|
Bilangin ng pin |
3 |
|
Pag -configure |
Walang asawa |
|
Koneksyon ng Kaso |
Nakahiwalay |
|
Max Repetitive Reverse Voltage (VRRM) |
700v |
|
Code ng Jedec-95 |
TO-220ab |
|
RMS Kasalukuyang (IRMS) |
16a |
|
Hawakan ang kasalukuyang |
50MA |
|
Uri ng Trigger Device |
4 Quadrant Logic Level Triac |
|
Boltahe - Gate Trigger (VGT) (MAX) |
1.3v |
|
Kasalukuyan - Non Rep. Surge 50, 60Hz (ITSM) |
160a, 168a |
|
Kasalukuyang - Gate Trigger (IGT) (MAX) |
50MA |
|
Leakage Current (Max) |
2MA |
|
Kritikal na rate ng pagtaas ng off-state boltahe-min |
400V/US |
|
Uri ng triac |
Pamantayan |
|
Kritikal na rate ng pagtaas ng boltahe ng commutation-min |
10v/kami |
|
Radiation Hardening |
Hindi |
|
Katayuan ng ROHS |
Sumunod ang ROHS3 |
|
Libre ang Lead |
Libre ang Lead |

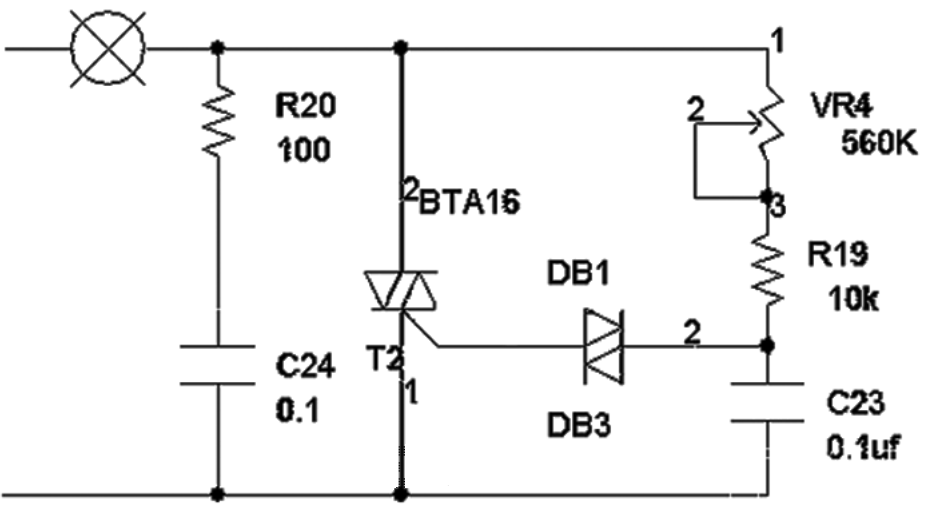
Ang isang karaniwang triac dimming circuit gamit ang BTA16 triac ay nagmamanipula ng oras ng singil ng kapasitor upang ayusin ang antas ng dimming ng isang konektadong bombilya.Sa pamamagitan ng paggamit ng isang variable na risistor (VR4) sa tabi ng isang kapasitor (C23), ang circuit ay makinis na tumutugma sa tagal ng singilin, sa gayon ang pagtatakda ng triggering sandali ng triac.Sa isang boltahe ng 220V, ang pag -aayos ng haba ng singil ay nagbabago sa ningning ng bombilya;Ang pinalawak na pagsingil ay nagpapaliwanag nang mas napakatalino.

Sa loob ng dimming system na ito, ang mga sangkap na VR4 at R19 ay namamahala sa oras ng singil ng kapasitor C23.Kapag ang boltahe sa C23 ay nag -hover sa humigit -kumulang na 33V, ang triac ay nakikibahagi, ilaw ng paghahagis.Kasunod nito, ang DB1 thyristor ay nagpapadali sa kasalukuyang daloy sa pamamagitan ng bombilya.Kapag kasalukuyang tumitigil, bumalik ang kadiliman, at ang pagkakasunud -sunod ay nagsisimula muli.Ang tagal ng siklo ay mahalaga, dahil ang mas maiikling agwat ng singil ay nagbubunga ng dimmer light, habang ang mga matagal na singil ay nagpapaganda ng ningning.
Ang mga sangkap na premium-grade, tulad ng mga resistor ng katumpakan at mga capacitor na may kaunting antas ng pagpapaubaya, ay nagpapatibay sa katatagan at pag-iingat ng circuit.Ang pagtugon sa isyu ng init ng triac ay nagpapatunay din na kapaki -pakinabang - ang mga ganitong temperatura ay maaaring maiwasan ang tibay ng circuit at pagiging maaasahan.Ang pagpapakilala ng angkop na paglubog ng init at tinitiyak ang wastong bentilasyon ay makakatulong sa pag -iwas sa sobrang pag -init ng mga hamon.Ang paggamit ng mga circuit na nakabatay sa dimming circuit ay makabuluhang pumipigil sa paggamit ng enerhiya at pinadali ang makinis na light-intensity transitions, na kapansin-pansin ang isang balanse sa pagitan ng kahusayan ng enerhiya at ginhawa.Ang nakakaakit na diskarte na ito ay sumasalamin nang maayos sa parehong mga senaryo ng tirahan at komersyal na pag -iilaw dahil sa matipid at epektibong mga kinalabasan.
|
Bahagi ng bahagi |
Paglalarawan |
Tagagawa |
|
BTB16-700C |
700v, 16a, 4 quadrant logic level triac, to-220ab,
Plastic package-3 |
Stmicroelectronics |
|
BTA16-700B |
700v, 16a, 4 quadrant logic level triac, to-220ab,
Plastik, nakahiwalay na TO-220AB, 3 pin |
Stmicroelectronics |
|
BTB16-700CRG |
700v, 16a, 4 quadrant logic level triac, to-220ab,
TO-220AB, 3 Pin |
Stmicroelectronics |
|
Q7015R6 |
Alternistor Triac, 700V v (DRM), 15A I (T) RMS, TO-220AB |
Littelfuse Inc. |
|
BTB16-700CW |
700v, 16a, snubberless triac, TO-220AB, plastic package-3 |
Stmicroelectronics |
|
BTB16-700SWRG |
700v, 16a, 4 quadrant logic level triac, to-220ab,
TO-220AB, 3 Pin |
Stmicroelectronics |
|
BTB16-700SW |
700v, 16a, 4 quadrant logic level triac, to-220ab,
Plastic package-3 |
Stmicroelectronics |
|
BTB16-700BW/F5 |
700v, 16a, snubberless triac, TO-220AB, TO-220, 3 pin |
Stmicroelectronics |
|
Q7015L6 |
Alternistor Triac, 700V v (DRM), 15A I (T) RMS, TO-220AB,
Nakahiwalay na TO-220AB, Thermotab-3 |
Littelfuse Inc. |
Ang serye ng BTA16 ay kilalang -kilala sa mga static relay at light dimmers, pinadali ang tumpak na on/off ang paglipat at control ng phase.Ang mga elementong ito ay pangunahing sa pagkamit ng isang matatag na operasyon ng mga sistema ng pag -iilaw sa pamamagitan ng pag -aayos ng boltahe na naihatid sa mga fixtures.Dahil dito, ang pagpapaandar na ito ay humahantong sa pag -iingat ng enerhiya at pinalawak ang habang -buhay ng mga kagamitan sa pag -iilaw.
Sa loob ng mga sistema ng control ng motor, kabilang ang mga nagsisimula ng motor ng induction at mga regulator ng bilis, ang serye ng BTA16 ay naghahatid ng mga kamangha -manghang mga resulta.Sa mga setting ng pang-industriya, kung saan ang regulasyon ng bilis ng maayos na bilis at makinis na pagsisimula ay aktibo upang maiwasan ang mekanikal na stress, ang mga sangkap na ito ay lubos na pinahahalagahan.Ang serye ng BTA16 ay iginagalang para sa kakayahang mapanatili ang perpektong pagganap ng motor habang binabawasan ang mekanikal na pagsusuot.
Sa mundo ng AC (alternating kasalukuyang) mga application ng paglipat, ang serye ng BTA16 ay higit sa pagbibigay ng maaasahang at tumpak na kontrol sa kuryente.Maging ito sa mga kasangkapan sa sambahayan o makinarya ng pang -industriya, tinitiyak ng serye ang isang ligtas at epektibong operasyon ng mga sistemang elektrikal.Ang matigas na disenyo nito ay nagpapaliit sa downtime at pagpapanatili, sa gayon pagpapahusay ng pagiging maaasahan ng system.
Nagtatampok ng natitirang pagganap ng commutation, ang serye ng BTA16 ay sanay sa pamamahala ng parehong resistive at induktibong naglo -load.Nag -aalok ito ng pare -pareho ang operasyon sa iba't ibang mga kondisyon, isang testamento sa kahalagahan nito sa mga electronic circuit.Ang kakayahan nito upang mahusay na pamahalaan ang magkakaibang mga uri ng pag -load ay nagtatampok ng kakayahang umangkop at malawak na kakayahang magamit.

Ang Stmicroelectronics ay ipinanganak mula sa pagsasanib ng SGS microelettronica ng Italya at ang Thomson Semiconductors ng Pransya noong 1987, na minarkahan ang lugar nito sa pabago -bagong tanawin ng semiconductor.Ang mga punong tanggapan ay makinang na nakaposisyon sa Geneva, Switzerland, ang kumpanyang ito ay nagpapalawak ng impluwensya nito sa pamamagitan ng isang madiskarteng hanay ng mga tanggapan na sumasaklaw sa Estados Unidos, Asya, at China.Ang internasyonal na web ay nagbibigay -daan sa stmicroelectronics upang likhain ang mga makabagong solusyon at maghatid ng dalubhasang teknikal na suporta sa isang malawak na hanay ng mga industriya sa buong mundo, sparking pagsulong at pag -aalaga ng koneksyon.
Sa loob ng hindi kanais -nais na alok, ang serye ng BTA16 ay nakatayo bilang isang testamento sa pagtatalaga ng Stmicroelectronics 'sa kahusayan ng semiconductor.Ang seryeng ito ay sumasalamin sa kanilang kasanayan sa paglikha ng mga triac, na idinisenyo upang umunlad sa magkakaibang mga aplikasyon at mapaglabanan ang mga mapaghamong kondisyon.Ang kanilang magkakaibang linya ng produkto ay may kasamang microcontroller, mga aparato ng analog, sensor, at mga sistema ng pamamahala ng kuryente, na naghahain ng malaking papel sa mga kontemporaryong larangan tulad ng automotiko, pang -industriya, at elektronikong consumer.
Mangyaring magpadala ng isang pagtatanong, tutugon kami kaagad.
Ang pagkakaiba sa pagitan ng BTA16-800C at BTA16-800B ay namamalagi sa trigger circuit IGT.Nagtatampok ang BTA16-800B ng isang IGT<50mA, while BTA16-800C is endowed with an IGT<25mA, making its parameters more favorable. These models share STMicroelectronics (ST) lineage, with nomenclature as follows B for Bi-directional, indicating dual direction capability, A' for insulation; 'B' denotes non-insulation, 16' signifies a 16A current capacity, and 800' signifies a voltage rating of 800V
Kahit na ang BTA16-600B ay maaaring tumugma sa mga sukatan ng pagganap ng BTB16-600B, umiiral ang mga pagkakaiba sa mekanikal.Ang heat sink ng BTA16-600B ay kulang sa isang koneksyon sa gitnang paa, samantalang ang BTB16-600B ay nagsasama ng koneksyon na ito.Para sa mga pagsasaayos nang walang isang heat sink, magagawa ang pagpapalit.Gayunpaman, sa isang heat sink, lalo na kung ang maraming mga thyristors ay nagtatrabaho, tiyakin ang wastong koneksyon ng lohika o lutasin ang mga isyu sa pagkakabukod na may wastong mga materyales.
Ang interchangeability ay umiiral ngunit sumunod sa mga orihinal na protocol ng pagkakabukod ng circuit: 'A' para sa mga insulated na bersyon habang ang 'B' ay hindi insulated.
Magagamit sa parehong sa pamamagitan ng hole at ibabaw-mount packaging.
Ang mga snubber ay karamihan ay sanay sa naturang mga aplikasyon.
Na -rate sa 2500V RMS.
sa 2024/11/7
sa 2024/11/7
sa 8000/04/18 147757
sa 2000/04/18 111935
sa 1600/04/18 111349
sa 0400/04/18 83719
sa 1970/01/1 79508
sa 1970/01/1 66904
sa 1970/01/1 63028
sa 1970/01/1 63012
sa 1970/01/1 54081
sa 1970/01/1 52123