

|
OP16 PIN HINDI |
Essop10 pin no |
Qfn16 pin no |
Pangalan ng pin |
Uri ng pin |
Paglalarawan ng pin |
|
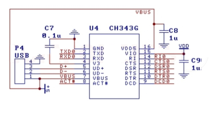
16 |
4 |
3 |
VDD5 |
Kapangyarihan |
Ang input ng boltahe ng supply ng power ng power regulator
Nangangailangan ng isang panlabas na decoupling capacitor |
|
15 |
7 |
1 |
Vio |
Kapangyarihan |
Ang I/O port power input ay nangangailangan ng isang panlabas na pagkabulok
kapasitor |
|
1 |
3,0 |
2,0 |
Gnd |
Kapangyarihan |
Lupa |
|
4 |
10 |
6 |
V3 |
Kapangyarihan |
Panloob na output ng regulator ng kuryente;Core at USB Power Input
Kumonekta sa VDD5 kapag ang VDD5 <3.6V, kumonekta sa decoupling capacitor kung kailan
Vdd5> 3.6v |
|
5 |
1 |
7 |
UD+ |
USB |
Kumonekta sa USB D+ signal nang direkta, walang panlabas na risistor |
|
6 |
2 |
8 |
Ud- |
USB |
Kumonekta sa USB d- signal nang direkta, walang panlabas na risistor |
|
7 |
Wala |
9 |
Vbus |
Sa |
Ang VBUS status detection input ng USB bus, isinama
pull-down risistor |
|
2 |
8 |
4 |
TXD |
Palabas |
Ipadala ang output ng data ng asynchronous, mataas ang estado ng idle
antas |
|
3 |
9 |
5 |
RXD |
Sa |
Makatanggap ng asynchronous data input, integrated pull-up
risistor |
|
13 |
15 |
CTS |
Sa |
Ang signal ng pag -input ng modem ay malinaw na ipadala, aktibong mababa |
|
|
6 |
CTS o DTR |
Default na input, lumipat sa awtomatikong output |
Default ay modem input signal, malinaw na magpadala, aktibo mababa.
Kapag ang software ng computer ay nagtatakda ng DTR sa wasto, awtomatikong lumipat sa modem
Output signal, handa ang data terminal, aktibo mababa |
||
|
12 |
Wala |
14 |
DSR |
Sa |
Ang signal ng pag -input ng modem, handa na ang set ng data, aktibong mababa |
|
14 |
Wala |
16 |
Ri |
Sa |
Ang signal ng pag -input ng modem, tagapagpahiwatig ng singsing, aktibong mababa |
|
9 |
Wala |
11 |
DCD |
Sa |
Modem Input Signal, Data Carrier Detect, Aktibong Mababa |
|
10 |
Wala |
12 |
Dtr/tnow |
Palabas |
Modem Output Signal, Handa ng Data Terminal, Aktibo Mababa.Kung
Ang isang panlabas na pull-down risistor ay napansin sa panahon ng power-on, lumipat sa a
Ang indikasyon ng katayuan tungkol sa serial port na nagpapadala ng pag -unlad, aktibong mataas |
|
11 |
5 |
13 |
Rts |
Palabas |
Signal ng output ng modem, humiling na magpadala, aktibong mababa |
|
8 |
Wala |
10 |
ACT# |
Palabas |
Ang pagsasaayos ng USB ay nakumpleto ang output ng estado, aktibong mababa.Kung
Ang isang panlabas na pull-down risistor ay napansin sa panahon ng power-on, lumipat sa
Komunikasyon ng Baud Rate Adaptive Mode.Maaari ring gamitin ng software ang mode na ito |
|
Tampok |
Paglalarawan |
|
I/O Independent Power Supply |
Sinusuportahan ang 5V, 3.3V, 2.5V, at 1.8V na supply ng kuryente. |
|
Pinagsamang pag -reset at orasan |
Pinagsamang Power-On Reset at 12MHz Clock;Walang panlabas
Kinakailangan si Crystal. |
|
Pinagsamang EEPROM |
Configure chip vid, PID, maximum na kasalukuyang halaga, vendor
at string ng impormasyon ng produkto, atbp. |
|
Natatanging ID |
Kasama sa Chip ang isang pinagsamang natatanging ID (USB serial
Bilang). |
|
Kakayahang USB |
Ang buong bilis ng interface ng aparato ng USB, na katugma sa USB 2.0. |
|
Built-in firmware |
Nagpapahiwatig ng karaniwang interface ng UART para sa pag -upgrade ng orihinal
serial peripheral o pagdaragdag ng mga karagdagang uarts sa pamamagitan ng USB. |
|
Pagiging tugma ng aplikasyon |
Ganap na katugma sa mga orihinal na serial application
nang walang pagbabago. |
|
Suporta sa driver |
Sinusuportahan ang OS na may built-in na driver ng CDC o multifunctional
Mataas na bilis ng VCP Vendor Driver nang walang pag-install. |
|
Serial UART interface |
Hardware full-duplex interface na may independiyenteng
magpadala-receive buffers;Sinusuportahan ang mga rate ng baud ng komunikasyon mula sa 50bps hanggang
6Mbps. |
|
Dinamikong pagbagay sa rate ng baud |
Awtomatikong kinikilala at umaangkop sa mga karaniwang rate ng baud
sa o sa ibaba 115200bps. |
|
Mga pagpipilian sa data at pagkakapare -pareho
|
Sumusuporta sa 5, 6, 7, o 8 data bits;Sinusuportahan ang kakaiba, kahit na,
Space, Mark, at walang pagkakapare -pareho. |
|
Mga signal ng interface ng modem |
Sinusuportahan ang RTS, DTR, DCD, RI, DSR, at CTS signal. |
|
Control ng daloy |
Sinusuportahan ang CTS at RTS hardware awtomatikong control ng daloy. |
|
Suporta ng Half-Duplex |
May kasamang pagpapadala ng katayuan tnow para sa paglipat ng Rs485. |
|
Suporta ng RS232 |
Sinusuportahan ang interface ng RS232 sa pamamagitan ng isang panlabas na boltahe
conversion chip. |
|
Mga pagpipilian sa supply ng kuryente |
Sinusuportahan ang USB port 5V at 3.3V power supply. |
|
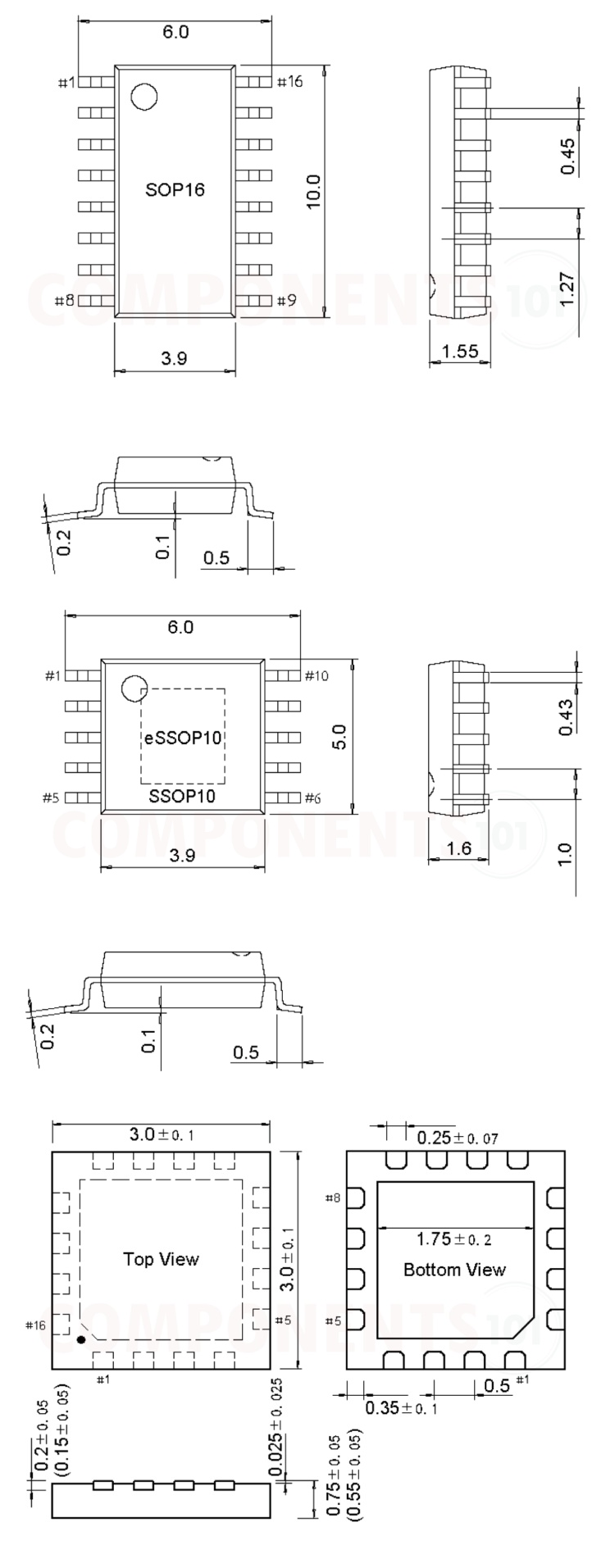
Package at pagsunod |
Ang sumusunod sa ROHS, magagamit sa SOP-16, ESSOP-10, at QFN16
Mga pakete na walang lead. |
CH343 nakatayo bilang isang aktibong sangkap sa mundo ng elektronika, eksklusibo na ginawa ng WCH.CN, na nagpapakita ng isang hindi nagbabago na dedikasyon sa pagpapanatili ng mataas na pamantayan sa mga proseso ng paggawa nito.Ang isahan na landas ng pagmamanupaktura ay nag-aalok ng isang natatanging senaryo kung saan ang mataas na kalidad na pagkakapare-pareho ay pinangangalagaan, dahil dodges nito ang mga komplikasyon na madalas na lumitaw kapag maraming mga tagagawa ang gumagawa ng parehong sangkap, tulad ng hindi pagkakapare-pareho sa kalidad o pagiging maaasahan.Sa electronics, ang mahuhulaan at maaasahan na likas na katangian ng mga sangkap tulad ng mga ito ay nagtuturo ng isang kapaligiran na hinog para sa pagbabago.
Sa buong produksiyon na ibinibigay ng isang nilalang, ang pagpapatupad ng isang matatag na sistema ng kontrol ng kalidad ay nagiging mas prangka.Ang WCH.CN ay may pagkakataon na mag -aplay ng patuloy na mga diskarte sa pagsubaybay at pagpapahusay upang matiyak ang bawat piraso ng CH343 na nakahanay sa mahigpit na pamantayan na itinatag para sa industriya.Ang nakatuon na diskarte na ito ay humahantong sa isang pagbawas sa mga depekto, na nagtatampok ng mga pakinabang ng pinagsama -samang pamamahala ng kalidad.Sa mga senaryo kung saan ang maraming mga kumpanya ay gumagawa ng isang katulad na item, ang pagbabagu -bago sa kalidad ay hindi pangkaraniwan, tulad ng ebidensya sa iba't ibang mga sektor.

|
Package |
Pin pitch (mm) |
Pin pitch (mil) |
Mga bahagi ng pagmamarka |
|
SOP16 |
1.27mm |
50mil |
CH343G |
|
Essop10 |
1.00mm |
39mil |
CH343K |
|
QFN16-3X3 |
0.5mm |
19.7mil |
CH343P |
Kapag naggalugad ng mga kapalit para sa pinagsama -samang circuit ng CH343, ang iba't ibang mga maihahambing na pagpipilian ay magagamit upang magsilbi sa iba't ibang mga pangangailangan sa komunikasyon.Ang bawat alternatibo ay nagdadala ng mga natatanging tampok at benepisyo, na nangangailangan ng maingat na pagsasaalang -alang sa mga tiyak na mga kinakailangan sa proyekto.
At CH340
• MA112AS16
At Ft230x
At CP2102
• PL2303341
• CH9102
At MCP2200
At CP2110
At FT232

Sa karaniwang CH343 circuitry, ang prangka na koneksyon ng mga linya ng USB sa D+ at D-pin ay nagbibigay-daan sa mga makinis na proseso ng komunikasyon.Ang kahusayan ng layout na ito ay nakasalalay sa kakayahang pamahalaan ang pagkakaiba -iba ng senyas, tinitiyak ang pinakamainam na paghahatid ng data.Upang masiguro ang pagiging maaasahan, ang espesyal na pagsasaalang -alang ay ibinibigay sa pagbabawas ng pagkagambala ng electromagnetic sa pamamagitan ng epektibong pamamaraan tulad ng kalasag at saligan, na nagdadala ng isang katatagan sa iyong emosyon.
Ang mga capacitor ay susi sa pagtiyak ng makinis na daloy ng kuryente habang ang mga antas ng ingay ng ingay.Ang mga sangkap na ito ay nagsisilbing reserba ng enerhiya, na nagbibigay ng katatagan sa mga nagbabago na mga kondisyon ng pag -load.Sa pamamagitan ng pag -iwas ng mga biglaang pagbabago sa boltahe, ang mga capacitor ay hindi lamang pinangangalagaan ang mga sangkap ng circuit ngunit malaki rin ang naiambag sa matatag na operasyon ng Ch343 chipset.Ang pagpili ng mga capacitor na tumutugma sa pamantayan sa pagpapatakbo ng circuit ay sumasalamin sa maselan na balanse at pananaw na iyong namuhunan sa yugto ng disenyo.
Ang komunikasyon sa pagitan ng CH343 chipset at anumang microcontroller ay isinasagawa sa pamamagitan ng mga linya ng TX at RX, na nangangailangan ng tumpak na koneksyon - TX hanggang RX at kabaligtaran.Ang anumang misalignment ay maaaring humantong sa mga nasirang data at mga potensyal na breakdown ng komunikasyon.Ang pag -asa nito sa pamamagitan ng pagkumpirma ng mga koneksyon sa yugto ng disenyo ay maaaring mabawasan ang mga pagsisikap sa pag -aayos sa hinaharap.Bilang karagdagan, ang iba't ibang mga pag -setup ng microcontroller ay maaaring humiling ng mga natatanging pagsasaayos, na itinampok ang pangangailangan para sa kakayahang umangkop at maingat na pagpaplano sa disenyo.
Magsimula sa pamamagitan ng lubusan na suriin ang lahat ng mga koneksyon na may kaugnayan sa iyong CH343 USB-to-serial converters.Ang mga koneksyon ay dapat na matatag at wastong nakahanay, dahil ang hindi tamang pag -setup ay maaaring mapigilan ang epektibong komunikasyon.Bilang karagdagan, i -verify na ang mga antas ng boltahe ng signal ay nakahanay sa mga konektadong aparato, dahil ang magkasalungat na mga antas ng boltahe ay maaaring makagambala sa mga signal at kapansanan ang daloy ng komunikasyon.
Humukay sa pisikal na estado ng USB cable, isinasaalang -alang ang epekto nito sa kalidad ng paghahatid ng data.Maingat na suriin para sa anumang pagsusuot o pinsala, dahil ang mga nakompromiso na mga cable ay maaaring humantong sa mga maling koneksyon na nagpapabagabag sa pagganap ng matatag na aparato.
Tiyakin na ang napiling setting ng rate ng baud ay sumasalamin sa tumpak na mga pagtutukoy na hinihiling ng parehong CH343 at ang konektadong patakaran ng pamahalaan.Ang mga pag -configure ng rate ng baud rate ay madalas na hindi napapansin, subalit madalas silang nag -trigger ng mga isyu sa paglilipat ng data at maraming mga hitches ng komunikasyon.
Kapag nahaharap sa mga problema sa koneksyon, ang pagsasagawa ng isang pagsubok ng loopback ay lumitaw bilang isang mahalagang diskarte.Sa pamamagitan ng pagkonekta sa TX at RX pin sa CH343, maaari mong masuri ang panloob na landas ng paghahatid ng data.Ang prangka na prosesong diagnostic na ito ay naghihiwalay ng mga potensyal na pagkabigo sa CH343 kapag lumitaw ang mga pagkakamali sa paghahatid.
Kung ang computer ay nabigo upang makilala ang aparato, kumpirmahin na ang pinakabagong mga driver ay matagumpay na na -install.Suriin ang manager ng aparato para sa anumang mga mensahe ng error, na maaaring humantong sa pag -alis ng mga salungatan sa driver o mga hadlang sa komunikasyon sa hardware.Ang pamamaraang ito ay madalas na hindi natuklasan ang mga nakatagong mga problema na pumipigil sa pagkilala sa aparato, na nagdadala ng mabilis na resolusyon sa isyu sa kamay.
Madiskarteng pagpoposisyon sa USB port malapit sa CH343 Integrated Circuit ay nagsisilbi upang matiyak ang mahusay na paghahatid ng signal.Ang maalalahanin na layout na ito ay nagpapaikli sa mga haba ng linya ng data, curbing potensyal na pagpapahina ng signal at panlabas na kaguluhan.Ang direktang pag -ruta ng linya ng data ay nangunguna, sidestepping hindi kinakailangang mga detour na maaaring ipakilala ang latency o guluhin ang kapaligiran ng signal.Ang pagsunod sa malawak na iginagalang na mga kasanayan sa industriya ay nagsasangkot ng paglikha ng malinaw, hindi nababagabag na mga landas, na isang testamento sa tagumpay sa disenyo ng elektronika.
Ang pamamahala ng bilang ng mga vias sa disenyo ng PCB ay gumaganap ng isang papel sa pagpapanatili ng integridad ng signal at ang tamang impedance.Ang bawat isa ay nagdadala ng panganib ng pagpapakilala ng mga menor de edad na pagkaantala at pagmuni-muni, na maaaring hadlangan ang komunikasyon ng mataas na bilis ng data.Ang pagpapanatili ng isang minimal na bilang ay nagpapabuti sa integridad ng signal, na sumasalamin sa karunungan na nag -streamline ng mga landas ng circuit ay nag -aambag sa pinataas na pagganap at pagiging maaasahan ng pagpapatakbo.
Ang paglalagay ng mga capacitor ng filter na malapit sa mga power pin ng CH343 ay tumutulong sa katamtamang mga pagkakaiba -iba ng boltahe at patatagin ang supply ng kuryente.Ang mga capacitor na ito ay nagsasagawa ng isang mahalagang pag -andar bilang mga buffer laban sa biglaang mga pagbabago sa pag -load, na nagtataguyod ng pare -pareho na pag -andar ng aparato.Ang prinsipyong ito ay nasisiyahan sa malawakang aplikasyon, na suportado ng mga natuklasan na kahit na ang bahagyang mga pagbabago sa boltahe ay maaaring malalim na epekto ng katatagan ng aparato.
Ang pag -aayos ng mga sangkap sa isang compact at organisadong fashion ay maaaring makabuluhang bawasan ang pagkagambala ng electromagnetic habang sinusuportahan ang pinakamainam na integridad ng signal.Ang pagbawas sa distansya sa pagitan ng mga sangkap ay nagpapagaan sa mga panganib ng cross-talk at mutual na panghihimasok.Ang pamamaraang ito ay madalas na itinataguyod bilang isang dynamic na kasanayan para sa pagpapanatili ng pagkakaisa ng mga high-speed electronic circuit.
Ang CH343 chip ay makabuluhang nag -aambag sa mga proyekto ng microcontroller, na nag -aalok ng mga epektibong channel ng komunikasyon na nagpapasimple ng mga pakikipag -ugnayan sa pagitan ng mga aparato.Ang kakayahang magamit nito sa pagkonekta sa magkakaibang mga microcontroller ay nagpapadali sa pag -streamline na pag -unlad, pagpapahusay ng mga yugto ng prototyping at paglawak sa iba't ibang mga aplikasyon.Sa pamamagitan ng pagpapabuti ng mga kahusayan sa paglilipat ng data at pagtiyak ng pagkakaisa sa mga karaniwang mapagkukunan ng software, pinalalaki ng chip ang bilis at katumpakan ng mga pagsusumikap ng microcontroller.Sa praktikal na aplikasyon, maaari mong magamit ang kakayahang ito upang i-compress ang mga takdang oras ng proyekto, na ginagawang kapansin-pansin ang mga setting ng mabilis na bilis ng prototyping kung saan ang mabilis na pag-unlad ay nauna.
Sa pag -diagnose at pag -aayos, lumitaw ang CH343 bilang isang komprehensibong solusyon.Ang malakas na interface nito ay nagpapahintulot sa malalim na pagsusuri at paglutas ng mga isyu sa elektronikong sistema nang hindi nagdaragdag ng mga hindi kinakailangang komplikasyon.Ang kakayahang umangkop ng chip sa kabuuan ng iba't ibang mga pag -debug ng mga protocol ay nagtatampok ng malawak na kakayahang magamit, na nagbibigay -daan sa iyo upang epektibong matukoy at matugunan ang mga problema.Ang mga karanasan sa patlang ay nagpapahiwatig na ang kakayahang umangkop na ito ay makabuluhang pagiging maaasahan ng system ng bolsters, dahil pinapayagan ka nitong makita ang mga error at ma -optimize ang software na may higit na katumpakan.
Sa loob ng mga frameworks ng kontrol sa industriya, ang CH343 chip ay nagpapadali sa mga matatag na linya ng komunikasyon, pangunahing para sa pamamahala at pag -automate ng masalimuot na mga proseso.Ang pagiging matatag nito sa masamang mga kondisyon, ipinares sa kakayahang hawakan ang malaking rate ng paglilipat ng data, posisyon ito bilang isang kanais -nais na pagpipilian para sa mga setting ng industriya.Ang pagsasama ng chip na ito sa mga pang -industriya na frameworks ay maaaring humantong sa mga minarkahang pagpapahusay sa kahusayan sa pagpapatakbo at pag -iwas sa error.Maaari mong madalas na gamitin ang chip na ito upang matiyak ang katatagan ng system at pinakamainam na pagganap, pag -maximize ang kakayahang panindigan ang pagkakapare -pareho ng pagpapatakbo sa hinihingi na mga senaryo.
Sa globo ng DIY electronics, ang CH343 chip ay naging hindi kapani -paniwalang maimpluwensyang dahil sa pag -access nito.Maaari mong pahalagahan ang kakayahang umangkop at pag -access, na nagbibigay kapangyarihan sa kanila na gawing madali ang mga konsepto na mapag -imbento sa makatotohanang mga prototypes.Sa pamamagitan ng pagtanggap ng isang malawak na hanay ng mga peripheral na aparato, maaari mong galugarin at makabago nang may kumpiyansa, salamat sa CH343 na sumusuporta sa mga teknolohikal na pangangailangan ng kanilang mga proyekto.Ang pag-access na ito ay naghihikayat ng isang puwang para sa paggalugad at edukasyon, kung saan ang mga kasanayan sa hands-on ay pino at mapanlikha na mga ideya ay nabubuhay.
Kung saan ang mga kasalukuyang sistema ay lumusot sa teknolohiya ng legacy, ang CH343 ay halos epektibo, na nagpapagana ng walang hirap na komunikasyon sa mga mas lumang aparato.Tinitiyak ng pagiging tugma na ito ang patuloy na paggamit ng mga aparatong ito, isang pangunahing aspeto para sa iyo sa napetsahan na imprastraktura.Sa pamamagitan ng pagpapanatili ng pagpapatuloy ng pagpapatakbo, ang mga kumpanya ay maaaring maiwasan ang mga mamahaling pag -upgrade, sa gayon ay nagpapatagal sa pag -andar ng mga umiiral na mga sistema.Ang kakayahang umangkop na ito ay nagpapahintulot sa mga negosyo na kunin ang patuloy na halaga mula sa kanilang mga pamumuhunan sa teknolohiya habang walang putol na isinasama ang mga modernong solusyon.
Ang katumpakan at epektibong mga protocol ng komunikasyon ay kinakailangan sa automation at robotics, at ang CH343 chip ay nag -aalok ng isang nakakahimok na solusyon.Sinusuportahan ng adept data management ang mga dynamic na frameworks ng automation at maliksi na mga robotic application.Ang pag -andar na ito ay sumusuporta sa pagbuo ng kumplikado, lubos na mahusay na awtomatikong mga kapaligiran.Ang kontribusyon ng chip sa mga naturang sistema ay nagtatampok ng papel nito sa pagpipiloto sa hinaharap ng automation, kung saan ang mabisang pagsasama sa iba't ibang mga sangkap ay dapat.

Mangyaring magpadala ng isang pagtatanong, tutugon kami kaagad.
sa 2024/12/19
sa 2024/12/19
sa 8000/04/18 147760
sa 2000/04/18 111980
sa 1600/04/18 111351
sa 0400/04/18 83743
sa 1970/01/1 79534
sa 1970/01/1 66944
sa 1970/01/1 63086
sa 1970/01/1 63026
sa 1970/01/1 54092
sa 1970/01/1 52167