

|
Pangalan ng pin |
Pin Hindi. |
I -type |
Paglalarawan |
|
Vdd |
16 |
Kapangyarihan |
Supply boltahe (+3 hanggang +15v) |
|
Gnd |
8 |
Kapangyarihan |
Ground (0v) |
|
D0-D7 |
1, 4, 5, 6, 7, 13, 14, 15 |
Input |
Parallel data input pin |
|
Q5, Q6, Q7 |
2, 3, 12 |
Output |
Ang mga buffered output mula sa huling tatlong piraso |
|
Pe |
9 |
Input |
Parallel Paganahin |
|
CP |
10 |
Input |
Clock pin upang i -sync ang input |
|
Ds |
11 |
Input |
Serial input pin |
Upang magsimula sa paggamit ng 4014 IC, magsimula sa pamamagitan ng maingat na pagkonekta sa VDD sa positibong terminal ng iyong mapagkukunan at GND sa negatibong terminal.Ang IC na ito ay nagpapatakbo sa loob ng isang saklaw ng kuryente ng 3V hanggang 15V, gayunpaman ang mga tiyak na modelo ay maaaring umaabot hanggang sa 20V.Maipapayo na suriin ang datasheet para sa tumpak na mga detalye ng elektrikal, pag -aayos ng pagiging tugma sa iyong natatanging pag -setup.Ang napiling saklaw ng boltahe ay direktang nakakaimpluwensya sa integridad ng pagpapatakbo ng aparato at matatag na pag -andar.
Magsimula ng kahanay na pag -load ng data sa pamamagitan ng paglipat ng kahanay na paganahin (PE) pin sa isang mataas na estado.Ikonekta ang iyong mga napiling mga input ng data sa buong kahanay na data pin na minarkahan ng D0 sa D7.Ang isang tumataas na signal ng gilid na inilalapat sa CLK pin ay kinukuha ang inilaan na data sa rehistro.Ang mga salamin sa phase ng paghahanda na ito ay nagtatakda ng isang koponan sa isang mahusay na nakaayos na kasanayan, kung saan ang mga tungkulin at pag-synchronize ay pinakamahalaga.
Magsimula ng paglilipat ng data sa pamamagitan ng pag -toggling ng PE pin sa isang mababang estado.Ang bawat tumataas na pulso ng CLK ay nagbabago ng data ng pagtaas.Sa mode na ito, ang DS PIN ay nagsisilbi para sa serial data input, pinadali ang kakayahang umangkop na pagproseso ng data.Ang pagpapaandar na ito ay nagiging kapansin -pansin na kapaki -pakinabang kapag kinakailangan ang paglipat ng data ng likido, tinitiyak ang mahusay na samahan at pag -uuri ng mga digital signal.

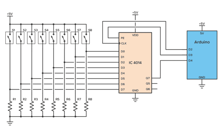
Ang CD4014 Ang Shift Register ay isang praktikal na tool para sa pagbabasa ng mga estado ng hanggang sa walong switch gamit lamang ang tatlong microcontroller pin, tulad ng sa isang Arduino.Ginagawa nitong mainam para sa mga proyekto kung saan ang pagkakaroon ng PIN ay limitado, dahil mahusay itong nagpapalawak ng kapasidad ng pag -input nang hindi nangangailangan ng labis na hardware.Gumagana ang circuit sa pamamagitan ng pagkuha ng mga estado ng lahat ng mga konektadong switch at pagpapadala ng data na ito sa microcontroller nang paisa -isa.Ang CD4014 ay gumagamit ng parallel-to-serial conversion, na nagpapahintulot sa iyo na subaybayan ang maraming mga switch habang pinapanatili ang simple at compact ang mga kable.
Upang mai -set up ito, ikonekta ang D3 pin ng Arduino sa CD4014's Parallel Paganahin (PE) pin, D2 hanggang sa orasan (CLK) pin, at D4 sa Data Output (Q) pin.Ang D3 ay nagpapa -aktibo sa latch upang makuha ang mga estado ng switch, ang D2 ay nagpapadala ng mga pulso ng orasan upang ilipat ang mga estado sa output, at binabasa ng D4 ang data nang sunud -sunod.Ang bawat pulso ng orasan ay nagbabago sa susunod na estado ng switch sa output pin, na pinapayagan ang Arduino na basahin ang lahat ng walong switch nang paisa -isa.Ang pamamaraang ito ay mahusay at makatipid ng parehong puwang at mapagkukunan.Sa pamamagitan ng paggamit ng CD4014, maaari mong pamahalaan ang maraming mga input na may kaunting paggamit ng I/O, gawing simple ang iyong disenyo, at bawasan ang pagiging kumplikado ng mga kable.Ito ay isang compact at maaasahang solusyon para sa mga proyekto na nangangailangan ng tumpak na pagsubaybay sa mga estado ng switch.
• NTE4014
At MC14014
At HCF4014
• HEF4014
At CD4014BE
• 74HC165
At 74HC166
• 74HC198
Cylindrical Battery Holders.PDF
Mangyaring magpadala ng isang pagtatanong, tutugon kami kaagad.
sa 2024/12/9
sa 2024/12/8
sa 8000/04/18 147757
sa 2000/04/18 111936
sa 1600/04/18 111349
sa 0400/04/18 83721
sa 1970/01/1 79508
sa 1970/01/1 66905
sa 1970/01/1 63035
sa 1970/01/1 63012
sa 1970/01/1 54081
sa 1970/01/1 52125