
Ang CD4007 Ang integrated circuit (IC) ay isang batayan sa kontemporaryong elektronika dahil sa komposisyon nito ng tatlong pares ng pantulong na N-channel at P-channel MOS transistors.Ang mga pares ng transistor na ito ay nag -aalok ng kapansin -pansin na kakayahang umangkop, dahil maaari silang magamit sa parehong serye at mga pagsasaayos ng shunt, na nagbibigay ng mga naaangkop na solusyon para sa iba't ibang mga pangangailangan sa disenyo ng circuit.Bukod dito, ang mga interface ng CD4007 ay walang kahirap -hirap sa maraming uri ng mga aparato.
• CMOS (pantulong na metal-oxide-semiconductor)
• NMOS (N-Channel Metal-Oxide-Semiconductor)
• TTL (Transistor-Transistor Logic)
Ang CD4007 ay kumikinang sa mga senaryo na nangangailangan ng mababang thermal dissipation at malaking kaligtasan sa ingay.Ito ay dalubhasa na namamahala sa mga antas ng boltahe, pinapanatili ang mga ito sa pagitan ng supply boltahe (VDD) at ground (VSS) sa loob ng isang makitid na 0.3V margin.Ang tumpak na kontrol ng boltahe na ito ay nakatulong sa mga aplikasyon na unahin ang pagliit ng pagkawala ng kuryente at pagpapanatili ng integridad ng signal.
Ang matatag na proteksyon ng IC laban sa electrostatic discharge (ESD) ay isa pang kilalang katangian.Sinusuri ang mga nakapipinsalang epekto ng ESD sa mga elektronikong sangkap, ang CD4007 ay nilagyan ng mga clamping diode sa pagitan ng boltahe na kanal (VD) at ground (VSS).Ang mga diode na ito ay agad na sumisipsip ng biglaang mga spike ng boltahe, pag -iingat sa mga input mula sa static na koryente, isang pangunahing tampok para sa mga sangkap na regular na nakalantad sa variable na mga static na kondisyon sa panahon ng paghawak at operasyon.

|
Pin no |
Pangalan ng pin |
Paglalarawan |
|
1 |
2dp |
Ang kanal ng P channel 2 |
|
2 |
2sp |
Pinagmulan ng P Channel 2 |
|
3 |
2a |
Input Channel 2 |
|
4 |
2Sn |
Pinagmulan ng N channel 2 |
|
5 |
2dn |
Ang kanal ng N channel 2 |
|
6 |
1a |
Input Channel 1 |
|
7 |
VSS |
Supply ng Pinagmulan |
|
8 |
1dn |
Ang kanal ng N channel 1 |
|
9 |
3Sn |
Pinagmulan ng N channel 3 |
|
10 |
3a |
Input Channel 3 |
|
11 |
3sp |
Pinagmulan ng P Channel 3 |
|
12 |
3y |
Output |
|
13 |
1dp |
Ang kanal ng P channel 1 |
|
14 |
Vdd |
Supply ng alisan ng tubig |


|
I -type |
Parameter |
Halaga |
|
Bundok |
Uri ng pag -mount |
Surface Mount |
|
Package / Kaso |
14-Soic (0.154, 3.90mm lapad) |
|
|
Bilang ng mga pin |
14 |
|
|
Package ng aparato ng supplier |
14-Soic |
|
|
Mga kondisyon sa pagpapatakbo |
Temperatura ng pagpapatakbo |
-40 ° C hanggang 85 ° C. |
|
Max na temperatura ng operating |
85 ° C. |
|
|
Min operating temperatura |
-40 ° C. |
|
|
Mga katangian ng elektrikal |
Supply boltahe |
3v hanggang 15v |
|
Max Supply Voltage |
15v |
|
|
Min supply boltahe |
3v |
|
|
Pagkaantala ng pagpapalaganap |
50 ns |
|
|
Mga pagtutukoy sa disenyo |
Serye |
4000B |
|
Pag -andar ng Logic |
Inverter |
|
|
Uri ng lohika |
Kumpletong pares kasama ang inverter |
|
|
Bilang ng mga circuit |
2 |
|
|
Bilang ng mga piraso |
3 |
|
|
Bilang ng mga linya ng pag -input |
3 |
|
|
Bilang ng mga linya ng output |
3 |
|
|
BASE PART NUMBER |
4007 |
|
|
Polarity |
Baligtad |
|
|
Karagdagang mga detalye |
Packaging |
Tube |
|
Bahagi ng Bahagi |
Lipas na |
|
|
Antas ng Sensitivity ng kahalumigmigan (MSL) |
1 (walang limitasyong) |
|
|
Katayuan ng ROHS |
Sumunod ang ROHS |
|
|
Libre ang Lead |
Libre ang Lead |
|
|
Nai -publish |
1999 |
|
Tampok |
Paglalarawan |
|
Malawak na saklaw ng boltahe ng supply |
3.0V hanggang 15V |
|
Mataas na kaligtasan sa ingay |
0.45 VCC (typ.) |
|
Quiescent kasalukuyang pagsubok |
100% nasubok sa 20V |
|
Mga Katangian ng Symmetrical Output |
Standardized, tinitiyak ang maaasahang output |
Ang CD4007 Integrated Circuit, na kilala para sa kakayahang umangkop at maaasahang pagganap, ay nakakahanap ng magkakaibang mga aplikasyon sa iba't ibang mga elektronikong disenyo.
Ang CD4007 ay may kasanayan sa pagtatayo ng mga circuit ng sharpening ng signal, isang kinakailangang sangkap ng mga digital system kung saan ang tumpak na mga gilid ng signal ay makapangyarihan para sa tumpak na tiyempo at pag -andar.Ang mga sharpener na ito ay pinuhin ang maingay na mga signal sa malinis, mahusay na tinukoy na mga pulso, na ginagamit sa mga sistema ng komunikasyon upang maiwasan ang mga error sa tiyempo at katiwalian ng data.Maaari mong obserbahan na ang pagsasama ng CD4007 ay nagpapabuti ng integridad ng signal, tinitiyak ang matatag na paghahatid ng data.
Sa mundo ng digital electronics, ang mga inverters ay nagsisilbing panghuli sangkap.Kapag na-configure nang tama, ang CD4007 ay gumana bilang isang mahusay na inverter, hinahangaan para sa mababang pagkonsumo ng kuryente at matatag na pagganap, na ginagawang perpekto para sa mga aplikasyon ng malakihang pagsasama.Maaari mong mapansin na ang CD4007 ay nagbibigay ng pare -pareho ang pagganap sa mga kumplikadong logic circuit at microprocessors, makabuluhang nag -aambag sa katatagan ng circuit at pagiging maaasahan sa digital na disenyo ng lohika.
Natutukoy ng mga detektor ng Threshold kung ang isang signal ng pag -input ay higit sa isang tiyak na halaga at aktibo sa mga sistema ng automation at kaligtasan.Sa pamamagitan ng paggamit ng CD4007, ang mga detektor na ito ay nagpapatakbo na may mataas na katumpakan at minimal na bilang ng sangkap.Ang kahusayan na ito ay kadalasang pinahahalagahan sa mga control system kung saan tinitiyak ng tumpak na pagtuklas ng threshold ang naaangkop na mga tugon ng system sa iba't ibang mga antas ng pag -input.Ang aktwal na mga aplikasyon ay nagpapakita ng CD4007 pagpapahusay ng kaligtasan at kahusayan sa pagpapatakbo na may maaasahang pagtuklas ng threshold.
Ang mga linear amplifier ay nagpapalakas ng mga maliliit na signal nang walang pagbaluktot ng alon, at ang CD4007, kapag na -configure bilang isang linear amplifier, ay nagbibigay ng matatag at pristine signal amplification.Ito ay nangingibabaw sa mga aplikasyon ng audio at instrumento kung saan seryoso ang signal fidelity.Maaari mong pahalagahan ang CD4007 para sa pagpapanatili ng integridad ng signal sa buong pagpapalakas, sa gayon ay sinusuportahan ang indispensability nito sa sensitibong analog circuitry.
Ang mga oscillator ng Crystal, na nakasalalay sa matatag na dalas ng dalas sa pamamagitan ng kinokontrol na mga oscillation ng kristal, ay madalas na gumagamit ng CD4007 para sa pagpapanatili ng pagkakapare -pareho sa mga parameter ng oscillation.Ang katatagan na ito ay aktibo sa mga aparato ng tiyempo at kagamitan sa komunikasyon.Maaari mong magamit ang CD4007 ay matagumpay na nakabuo ng mga kristal na oscillator na nagpapakita ng mataas na katatagan, tinitiyak ang pagiging maaasahan at kawastuhan na iginiit para sa tumpak na mga aplikasyon ng elektronik.Ang nasabing matatag na mga oscillator ay naglalaro ng isang pangunahing papel sa pagpapahusay ng pagganap sa mga domain na ito.
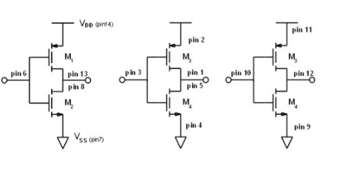
Ipinagmamalaki ng pakete ng CD4007 ang kakayahan upang makabuo ng hanggang sa tatlong mga inverters, na nag -aalok ng isang maraming nalalaman tool para sa magkakaibang mga aplikasyon ng circuit.Ang pangwakas na pag -setup ng inverter ay nagsasangkot ng pagkonekta ng mga pin 8 at 13 para sa output, na may pin 6 na kumikilos bilang input.Ang PIN 14 (VDD) ay dapat na konektado sa power supply.Ang pin 7 (VSS) ay dapat na maiugnay sa lupa.Ang mga karagdagang inverters ay maaaring isagawa upang matugunan ang mga tiyak na kinakailangan.

Ang mga pin 2 (VDD) at 4 (VSS) ay nagsisilbing mga koneksyon sa kuryente.Ang mga pin 1 at 5 ay bumubuo ng output.Ang PIN 3 ay ang input.Nag -uugnay ang pin 11 sa VDD.Ang Pin 9 ay naka -link sa VSS.Ang PIN 12 ay nagsisilbing output.Nagbibigay ang PIN 10 ng input.

Sa Semiconductor (NASDAQ: ON) ay kilala sa mga makabagong enerhiya na mahusay, na tumutulong sa mga pandaigdigang customer sa kanilang pagsisikap na mabawasan ang pagkonsumo ng enerhiya.Ang kumpanya ay nagbibigay ng isang malawak na hanay ng mga solusyon sa iba't ibang mga sektor, kabilang ang automotive, komunikasyon, at electronics ng consumer.
Ang malawak na saklaw ng produkto ng kumpanya ay nagsisilbing isang haligi ng katanyagan ng merkado nito.Sa semiconductor ay naghahatid ng madaling iakma at maaasahan na mga solusyon na naaayon sa mga natatanging hinihingi ng mga natatanging industriya.Sa sektor ng automotiko, ang kanilang mga produkto ay makabuluhang mapahusay ang kahusayan ng sasakyan at kaligtasan na humahantong sa mas mahusay na ekonomiya ng gasolina at tinitiyak ang isang mas maayos at mas ligtas na pagsakay.Sa mga elektronikong consumer, ang mga handog ng kumpanya ay idinisenyo upang ma -maximize ang pagganap ng aparato at pahabain ang buhay ng baterya.
Sa epektibong pamamahala ng supply chain ng Semiconductor ay ginagarantiyahan ang patuloy na napapanahong pagkakaroon ng mga produkto nito upang matugunan ang pandaigdigang demand.Ang malawak na network ng mga pasilidad at tanggapan ng kumpanya, na madiskarteng inilagay sa mapanganib na mga merkado sa buong North America, Europe, at Asia-Pacific, ay nagbibigay-daan upang tumugon nang mabilis sa mga pangangailangan sa merkado at mga kinakailangan sa customer.
|
Bahagi ng bahagi |
Tagagawa |
Package / Kaso |
Bilang ng mga pin |
Pag -andar ng Logic |
Bilang ng mga circuit |
Bilang ng mga linya ng output |
Pagkaantala ng pagpapalaganap |
Min supply boltahe |
Supply boltahe |
Tingnan ang ihambing |
|
CD4007cm |
Sa semiconductor |
14-Soic (0.154, 3.90mm lapad) |
14 |
Inverter |
2 |
3 |
50 ns |
3 v |
3v ~ 15v |
CD4007cm |
|
MC14007UBD |
Sa semiconductor |
14-Soic (0.154, 3.90mm lapad) |
14 |
- |
- |
- |
18 ns |
- |
5 v |
MC14007UBD |
|
SN74HCT04DR |
Mga instrumento sa Texas |
14-Soic (0.154, 3.90mm lapad) |
14 |
Inverter |
- |
- |
55 ns |
3 v |
3v ~ 18V |
SN74HCT04DR |
Cylindrical Battery Holders.pdf
Ang CD4007 ay isang maraming nalalaman IC na maaaring samantalahin ng mga inhinyero para sa maraming mga layunin.Maaari itong bumuo ng isang kadena ng tatlong mga inverters, isang inverter na may dalawang mga pintuan ng paghahatid, o mas kumplikadong mga gate ng lohika.Ang mga inverters at transmission gate ay naglalaro ng isang seryosong papel sa pagtatayo ng mga digital system tulad ng D flip-flops.Ang pagkilala sa kakayahang umangkop ng CD4007 ay nagbibigay -daan sa iyo upang magdisenyo ng pasadyang circuitry nang walang abala ng paggamit ng maraming mga IC.Ang kakayahan upang mai -configure ang parehong IC para sa iba't ibang mga gamit hindi lamang pag -iingat ng puwang sa mga nakalimbag na circuit board ngunit din ang streamlines ang proseso ng disenyo.Ang kakayahang ito ay ginagawang isang minamahal na tool sa parehong mga pang -akademikong at pang -industriya na kapaligiran.
Ang CD4007 IC ay madalas na pinahahalagahan para sa iba't ibang mga aplikasyon, mababang thermal dissipation, at kahanga -hangang kaligtasan sa ingay.Nagpapatakbo ito sa pagitan ng VSS sa -0.3V at VDD sa +0.3V.Ang wastong pamamahala ng boltahe ay pangunahing para sa pagpapanatili ng integridad ng IC at pagpapalawak ng kahabaan ng buhay nito.Ang pagtiyak na ang mga pagpapatakbo ng boltahe ay itinataguyod ay ginagamit upang maiwasan ang labis na labis na labis na labis na labis na labis na pagpapabagal sa pagganap ng IC sa sopistikadong circuitry.Ang pansin sa detalyeng ito ay kadalasang malaki sa panahon ng prototyping phase ng elektronikong disenyo.
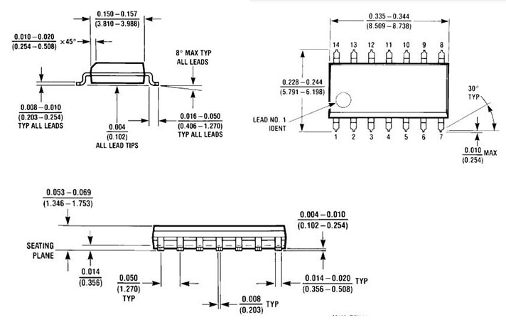
Nakabuo gamit ang teknolohiyang metal oxide semiconductor (MOS), ang CD4007 ay magagamit sa mga pakete ng DIP at SOP.Kasama sa IC ang tatlong N-channel at tatlong p-channel enhancement-type MOS transistors.Ang pagsasaayos na ito ay lubos na kapaki -pakinabang para sa pagbuo ng parehong maingat at integrated logic circuit.Ang paggamit ng teknolohiya ng MOS ay nag -aalok ng mga pakinabang ng mataas na impedance ng pag -input at mababang pagkonsumo ng kuryente.Ang mga benepisyo na ito ay ginagawang pagpipilian ng CD4007 para sa mga modernong aplikasyon ng mababang-kapangyarihan.Sa pamamagitan ng paggawa ng karamihan sa mga katangian ng MOS transistors, maaari mong makamit ang mga circuit na kapwa mahusay at maaasahan, kadalasang nauugnay sa edad ng portable at masusuot na mga elektronikong aparato.
Mangyaring magpadala ng isang pagtatanong, tutugon kami kaagad.
sa 2024/10/21
sa 2024/10/21
sa 8000/04/18 147757
sa 2000/04/18 111935
sa 1600/04/18 111349
sa 0400/04/18 83719
sa 1970/01/1 79508
sa 1970/01/1 66904
sa 1970/01/1 63028
sa 1970/01/1 63012
sa 1970/01/1 54081
sa 1970/01/1 52122