
Ang BF245 ay pangunahing ginagamit para sa pagpapalakas ng mga signal sa loob ng VHF, UHF band, at mga audio frequency.Na may mataas na pakinabang at mababang mga katangian ng ingay, ito ay mahusay na nagpapalakas ng mga maliliit na signal habang binabawasan ang pagkagambala sa ingay.
Ang serye, kabilang ang BF245, BF245A, BF245B, at BF245C, ay nagpapakita ng mga natatanging mga katangian ng elektrikal, karamihan sa boltahe ng source ng gate at zero-gate boltahe na kanal.Ang mga pagkakaiba -iba ay umaangkop sa mga tiyak na aplikasyon, na nag -aalok ng maraming kakayahan sa pag -optimize ng mga disenyo ng circuit para sa magkakaibang mga pangangailangan ng pagpapalakas ng signal.Ang pagiging epektibo sa mga banda ng VHF at UHF ay kapansin -pansin dahil sa kanilang kakayahang pamahalaan at palakasin ang mga mas mahina na signal, pagpapahusay ng kalinawan ng signal at lakas, pangunahing para sa mga sistema ng pagsasahimpapawid at komunikasyon.
Sa mga aplikasyon ng dalas ng audio, ang BF245 ay nangunguna sa pamamagitan ng pagpapanatili ng integridad ng signal at pag-minimize ng pagbaluktot, na ginagamit sa kagamitan sa audio ng high-fidelity.Ang kakayahang i -filter ang ingay ay nagsisiguro na mas malinis ang audio output.Kung ikukumpara sa mga katulad na transistor, ang balanse ng BF245 sa pagitan ng mataas na pakinabang at mababang ingay ay ginagawang isang tanyag na pagpipilian.Madalas mong mas gusto ang sangkap na ito para sa katatagan at pagiging maaasahan sa hinihingi na mga kapaligiran.

|
Pin |
Simbolo |
Paglalarawan |
|
1 |
g |
Gate |
|
2 |
s |
Pinagmulan |
|
3 |
d |
Alisan ng tubig |



|
Tampok |
Pagtukoy |
|
Uri ng Package |
TO-92 |
|
Uri ng transistor |
N channel jfet |
|
Alisan ng tubig boltahe |
30V (maximum) |
|
Boltahe ng alisan ng tubig |
30V (maximum) |
|
Reverse gate-source boltahe |
–30V (maximum) |
|
Tuloy -tuloy na alisan ng tubig |
25MA (maximum) |
|
Gate-source cutoff boltahe |
-0.5V hanggang –0v |
|
Pag -dissipation ng Power |
300MW (maximum) |
|
Imbakan at temperatura ng operating |
-55 ° C hanggang +150 ° C. |
|
Antas ng ingay at pakinabang |
Mababang ingay at mataas na pakinabang |
|
Dalas ng pagpapatakbo |
Hanggang sa 700 MHz |
|
Alisan ng tubig at pinagmulan ng pagpapalitan |
Oo |
Narito ang talahanayan ng teknikal na pagtutukoy para sa sa semiconductor BF245B Jfet.
|
I -type |
Parameter |
|
Katayuan ng Lifecycle |
Lipas na |
|
Huling pagpapadala |
Huling na -update: 1 linggo na ang nakakaraan |
|
Bundok |
Sa pamamagitan ng butas |
|
Package / Kaso |
TO-226-3, TO-92-3 (TO-226AA) |
|
Bilang ng mga pin |
3 |
|
Timbang |
200 mg |
|
BREAKDOWN VOLTAGE / V. |
-30 v |
|
Bilang ng mga elemento |
1 |
|
Packaging |
Bulkan |
|
Nai -publish |
2009 |
|
Code ng JESD-609 |
E0 |
|
PBFree code |
Hindi |
|
Bahagi ng Bahagi |
Lipas na |
|
Antas ng Sensitivity ng kahalumigmigan (MSL) |
1 (walang limitasyong) |
|
Bilang ng mga pagtatapos |
3 |
|
Code ng ECCN |
EAR99 |
|
Pagtatapos ng terminal |
Lata/lead (sn/pb) |
|
Max na temperatura ng operating |
150 ° C. |
|
Min operating temperatura |
-55 ° C. |
|
HTS Code |
8541.21.00.75 |
|
Boltahe - Na -rate na DC |
30 v |
|
Kasalukuyang rating (amps) |
100 Ma |
|
Max Power Dissipation |
350 MW |
|
Posisyon ng terminal |
Ilalim |
|
Temperatura ng rurok ng rurok (° C) |
240 |
|
Abutin ang Code ng Pagsunod |
Hindi sumusunod |
|
Kasalukuyang rating |
10 Ma |
|
Oras@peak reflow temp-max (s) |
30 |
|
BASE PART NUMBER |
BF245 |
|
Bilangin ng pin |
3 |
|
Katayuan ng kwalipikasyon |
Hindi kwalipikado |
|
Pagsasaayos ng elemento |
Walang asawa |
|
Mode ng Operating |
Pag -ubos ng mode |
|
Pag -dissipation ng Power |
350 MW |
|
Application ng Transistor |
Amplifier |
|
Alisan ng tubig sa pinagmulan ng boltahe (VDSS) |
15 v |
|
Uri ng transistor |
N-channel jfet |
|
Tuloy -tuloy na alisan ng tubig (id) |
15 Ma |
|
Gate sa Source Voltage (VGS) |
-30 v |
|
Alisan ng tubig ang kasalukuyang-max (abs) (id) |
0.1 a |
|
Alisan ng tubig sa boltahe ng breakdown ng mapagkukunan |
30 v |
|
Teknolohiya ng FET |
Junction |
|
Pinakamataas na dalas ng banda |
Ultra mataas na dalas b |
|
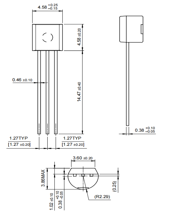
Taas |
4.58 mm |
|
Haba |
4.58 mm |
|
Lapad |
3.86 mm |
|
Katayuan ng ROHS |
Ang sumusunod na hindi rohs |
|
Libre ang Lead |
Libre ang Lead
|
At BF245C
At 2N5457
At 2Sk117
At MPF102
At 2N5458
At BF244A
At BF256A
At J113
At 2N3819
At 2N4416
At 2N5638
At 2SK162
Ang BF245 ay nakakahanap ng malawak na paggamit sa pagpapalakas ng VHF (napakataas na dalas) at mga signal ng UHF (Ultra High Frequency).Ang mga dalas na ito ay may papel sa komunikasyon sa radyo, pagsasahimpapawid sa telebisyon, at mga wireless na aparato, na nangangailangan ng detalyadong pagpapalakas upang mapanatili ang kalinawan ng signal.Maaari mong galugarin ang sopistikadong mga pagsasaayos upang mapahusay ang pagganap, pagninilay -nilay ng mga hamon tulad ng pagbaluktot ng signal at pamamahala ng ingay.Ang hangarin na ito ay madalas na nakahanay sa emosyonal na kasiyahan ng pagkamit ng kahusayan sa teknikal.
Ang transistor na ito ay gumaganap ng isang bahagi sa paggawa ng mga oscillator ng RF, na bumubuo ng matatag at tumpak na mga signal ng dalas.Ang mababang tampok na ingay nito ay nagpayaman sa kalidad ng mga signal ng output, isang kadahilanan na minamahal sa mga lupon ng telecommunication at broadcast.Maaari mong mamuhunan ang emosyonal at intelektwal na pagsisikap upang mabawasan ang maharmonya na pagbaluktot habang pinapanatili ang katatagan ng dalas, pagguhit ng mga pananaw mula sa mga karanasan sa hands-on upang ayusin ang mga parameter ng circuit.
Sa domain ng audio amplification, ang BF245 ay nagbibigay ng maaasahang suporta para sa mga mababang signal ng audio.Ang papel nito sa mga audio circuit ay nagsisiguro ng kaunting pagbaluktot, na ginagawang angkop para sa mga high-fidelity audio system.Ang sining ng pagkonsumo ng kapangyarihan ng pagbabalanse na may pagganap ay nagiging isang eksaktong gawain, masisiyahan ka sa pagpino upang mapahusay ang karanasan sa pakikinig, na alam ng praktikal na kadalubhasaan sa wastong pag -bias ng transistor.
Para sa pagproseso ng mababang antas ng signal, na madalas na nakikita sa mga instrumento sa pagsusuri at pagsukat, ang BF245 ay nagpapakita ng halaga nito.Ang paghawak ng mga mahina na signal ay matiyak na nagsisiguro ng integridad ng data.Ang pagtatrabaho sa transistor na ito sa mga patlang tulad ng pagsubaybay sa kapaligiran at biomedical engineering ay nagiging isang paggalugad ng mga pagpapasadya ng mga circuit upang matugunan ang tumpak na mga pangangailangan sa pagsukat, na tinatangkilik ang pakikipag -ugnay sa intelektwal na ito.
Pinahuhusay ng BF245 ang mga circuit ng sensor sa pamamagitan ng pagpapalakas ng mga mahina na signal mula sa magkakaibang mga sensor.Kung sa temperatura, presyon, o kahalumigmigan sensing, ang transistor na ito ay nagbibigay ng matatag na pagpapalakas, pinadali ang tumpak na interpretasyon ng data ng sensor.Maaari kang maghangad na pinuhin ang mga circuit circuit, na nakatuon sa pagliit ng mga oras ng pagtugon at pagpapahusay ng pagiging sensitibo, habang pinahahalagahan ang pare -pareho na pagganap ng BF245 sa iba't ibang mga kondisyon.

Sa semiconductor ay naghahain ng sektor ng semiconductor na may magkakaibang hanay ng mga produkto.Ang Kumpanya ay dalubhasa sa pamamahala ng kapangyarihan at signal, lohikal na mga sangkap, at mga discrete at inangkop na mga aparato tulad ng automotiko, komunikasyon, computing, consumer, pang -industriya, LED lighting, medikal, militar/aerospace, at mga aplikasyon ng kuryente.Sa Semiconductor ay nagpapatakbo ng isang malawak na network sa North America, Europe, at Asia Pacific.Ang kumpanya ay headquarter sa masiglang lungsod ng Phoenix, Arizona, isang hub na nagpapalabas ng makabagong espiritu.
Cylindrical Battery Holders.PDF
Mangyaring magpadala ng isang pagtatanong, tutugon kami kaagad.
sa 2024/10/29
sa 2024/10/29
sa 8000/04/18 147757
sa 2000/04/18 111936
sa 1600/04/18 111349
sa 0400/04/18 83721
sa 1970/01/1 79508
sa 1970/01/1 66905
sa 1970/01/1 63033
sa 1970/01/1 63012
sa 1970/01/1 54081
sa 1970/01/1 52125