
Ang 1n5822 ay isang Schottky diode na kilala para sa pambihirang mababang pasulong na pagbagsak ng boltahe, na ginagawa itong isang kanais -nais na pagpipilian para sa mga aplikasyon na nangangailangan ng mabilis na paglipat sa nabawasan na kasalukuyang mga antas.Nag-aalok ito ng isang kalamangan sa switch mode power supply at high-frequency DC-to-DC converters, kung saan ang kahusayan ay maaaring makaapekto sa pangkalahatang pagganap ng system.Naka-encode sa isang package na DO-201AD, ang diode na ito ay madalas na ginagamit sa mga operasyon na may mababang boltahe at mataas na dalas, kabilang ang mga gamit tulad ng mga low-boltahe na mga inverters, freewheeling application, proteksyon ng polaridad, at makinis na mga charger ng baterya.Ang kakayahan nito sa mga estado ng paglipat nang madali ay nagsisiguro na mabawasan ang pagkawala ng enerhiya, sa gayon pinapahusay ang kahusayan ng mga system na umaasa dito.
Sa mga praktikal na aplikasyon, ang disenyo ng 1N5822 ay nangunguna sa kakayahang pamahalaan ang thermal dissipation, na kung saan ay madalas na isang hamon sa mga compact system na humihiling ng mataas na kahusayan.Ang konstruksyon na ito ay nagbibigay -daan upang gumana nang maaasahan sa iba't ibang mga kondisyon, na ginagawa itong isang ginustong pagpipilian para sa mga prototypes na nangangailangan ng matatag na pagganap sa pagbabago ng mga kapaligiran.Ang mababang boltahe ng diode ng diode ay nakatulong sa pangangalaga ng kuryente, na kadalasang kapaki -pakinabang para sa pagpapanatili ng enerhiya sa mga portable na elektronikong aparato.
Mula sa isang analytical na pananaw, habang ang 1N5822 ay nagniningning sa mga senaryo ng mababang boltahe, pangunahing upang matiyak na ang buong circuitry ay sinasamantala ang mga benepisyo ng pagbagsak ng mababang-pasulong na boltahe.Maingat na pag -align ng mga katangian ng diode sa iba pang mga sangkap ng system ay maaaring malaki ang pagtaas ng pagganap at tibay ng aparato.Ang paggalugad ng mas malalim sa mga kahusayan sa disenyo ay maaaring mag-alis ng karagdagang mga diskarte upang lubos na mapagsamantalahan ang potensyal na ito sa mga aplikasyon ng pagputol.

|
Pangalan ng pin |
Paglalarawan |
|
Anode |
Kasalukuyang palaging pumapasok sa pamamagitan ng anode |
|
Cathode |
Kasalukuyang palaging lumabas sa pamamagitan ng katod |



|
Tampok |
Paglalarawan |
|
Napakaliit na pagkalugi sa pagpapadaloy |
Binabawasan ang pagkawala ng enerhiya sa panahon ng pagpapadaloy |
|
Napapabayaang mga pagkalugi sa paglilipat |
Pinapaliit ang mga pagkalugi sa panahon ng paglipat |
|
Labis na mabilis na paglipat |
Nagbibigay -daan sa mabilis na mga paglilipat |
|
Mababang pasulong na pagbagsak ng boltahe |
Nagbibigay ng mas mababang pagkawala ng kuryente |
|
Tinukoy ang kakayahan ng Avalanche |
May mga kondisyon ng mataas na boltahe |
|
Guard ring para sa proteksyon ng overvoltage |
Pinoprotektahan laban sa pagkasira ng overvoltage |
|
Mataas na kakayahan sa pagsulong |
Humahawak ng mataas na kasalukuyang surge |
|
Mataas na operasyon ng dalas |
Angkop para sa mga application na may mataas na dalas |
|
Solder Dip 275 ° C Max.10 s, bawat JESD 22-B106 |
Tinitiyak ang tibay sa mga proseso ng paghihinang |
|
I -type |
Parameter |
|
Oras ng tingga ng pabrika |
6 na linggo |
|
Bundok |
Sa pamamagitan ng butas |
|
Uri ng pag -mount |
Sa pamamagitan ng butas |
|
Package / Kaso |
Do-201ad, axial |
|
Bilang ng mga pin |
2 |
|
Timbang |
4.535924G |
|
Materyal na elemento ng diode |
Silikon |
|
Bilang ng mga elemento |
1 |
|
Packaging |
Tape & Box (TB) |
|
Code ng JESD-609 |
E3 |
|
Bahagi ng Bahagi |
Aktibo |
|
Antas ng Sensitivity ng kahalumigmigan (MSL) |
1 (walang limitasyong) |
|
Bilang ng mga pagtatapos |
2 |
|
Code ng ECCN |
EAR99 |
|
Pagtatapos ng terminal |
Matte Tin (Sn) - Annealed |
|
Max na temperatura ng operating |
150 ° C. |
|
Min operating temperatura |
-65 ° C. |
|
Mga Aplikasyon |
Kapangyarihan |
|
Karagdagang tampok
|
Libreng wheeling diode |
|
HTS Code |
8541.10.00.80 |
|
Kapasidad |
190pf |
|
Boltahe - Na -rate na DC |
40V |
|
Form ng terminal |
Wire |
|
Kasalukuyang rating |
3a |
|
BASE PART NUMBER |
1n58 |
|
Bilangin ng pin |
2 |
|
Polarity |
Pamantayan |
|
Pagsasaayos ng elemento |
Walang asawa |
|
Bilis |
Mabilis na paggaling =< 500ns, > 200ma (io) |
|
Uri ng diode |
Schottky |
|
Kasalukuyang - Reverse Leakage @ VR |
2MA @ 40V |
|
Output kasalukuyang |
3a |
|
Boltahe - Ipasa (vf) (max) @ kung |
525MV @ 3A |
|
Koneksyon ng Kaso |
Nakahiwalay |
|
Ipasa ang kasalukuyang |
3a |
|
Max reverse leakage kasalukuyang |
2MA |
|
Temperatura ng Operating - Junction |
150 ° C max |
|
Max Surge Kasalukuyang |
80a |
|
Ipasa ang boltahe |
525mv |
|
Max Reverse Voltage (DC) |
40V |
|
Average na naayos na kasalukuyang |
3a |
|
Bilang ng mga phase |
1 |
|
Peak reverse kasalukuyang |
2MA |
|
Max Repetitive Reverse Voltage (VRRM) |
40V |
|
Peak non-paulit-ulit na pag-surge kasalukuyang |
80a |
|
Max Forward Surge Kasalukuyang (IFSM) |
80a |
|
Max junction temperatura (TJ) |
150 ° C. |
|
Taas |
5.3mm |
|
Haba |
9.5mm |
|
Lapad |
5.3mm |
|
Abutin ang SVHC |
Walang SVHC |
|
Radiation Hardening |
Hindi |
|
Katayuan ng ROHS |
Sumunod ang ROHS3 |
|
Libre ang Lead |
Libre ang Lead |
|
Bahagi ng bahagi |
Paglalarawan |
Tagagawa |
|
SR304HA0 DIODES |
Rectifier diode |
Limitado ang Taiwan Semiconductor Manufacturing Company |
|
Sr304hb0 diode |
Rectifier diode |
Limitado ang Taiwan Semiconductor Manufacturing Company |
|
SR340 Diode |
Rectifier diode |
Changzhou Starsea Electronics Co Ltd |
|
SR304A0 DIODES |
3A, 40V, Silicon, Rectifier Diode, DO-201AD, ROHS
Sumunod, plastic package-2 |
Limitado ang Taiwan Semiconductor Manufacturing Company |
|
Sr304hx0 diode |
Rectifier diode |
Limitado ang Taiwan Semiconductor Manufacturing Company |
|
1N5822_R2_00001 |
Rectifier Diode, Schottky, 1 phase, 1 elemento, 3a, 40v
(VRRM), Silicon, DO-201ad |
Panjit semiconductor |
|
1n5822_ay_00001 |
Rectifier Diode, Schottky, 1 phase, 1 elemento, 3a, 40v
(VRRM), Silicon, DO-201ad |
Panjit semiconductor |
|
SR304X0G Diode |
Rectifier Diode, Schottky, 1 phase, 1 elemento, 3a, 40v
(VRRM), Silicon, DO-201ad, Green, Plastic Package-2 |
Limitado ang Taiwan Semiconductor Manufacturing Company |
|
1n5822_ay_10001 |
Rectifier Diode, Schottky, 1 phase, 1 elemento, 3a, 40v
(VRRM), Silicon, DO-201ad |
Panjit semiconductor |
|
1N5822-T3 |
Rectifier Diode, Schottky, 1 phase, 1 elemento, 3a, 40v
(VRRM), Silicon, DO-201AD, plastic package-2 |
Sangdest Microelectronics (Nanjing) Co Ltd |
Sa mga kontemporaryong electronic frameworks, ang 1N5822 Schottky diode ay gumaganap ng mga dynamic na tungkulin dahil sa mga katangian nito tulad ng mababang pasulong na pagbagsak ng boltahe at mabilis na mga kakayahan sa paglipat, na humuhubog sa pagiging angkop nito para sa mga gawaing mababang boltahe at pag-save ng enerhiya.Ang mga tampok na ito ay malaki ang naiambag sa mga aplikasyon na kinasasangkutan ng pagwawasto ng kuryente, pag -clamping ng boltahe, at mga circuit ng proteksyon sa pamamagitan ng pagliit ng pagkawala ng kuryente at henerasyon ng init.Ang paghawak ng mataas na kasalukuyang mga density na may kaunting pagkawala ng enerhiya ay maaaring lubos na maimpluwensyahan ang pagganap ng circuit, na nag -uudyok ng maingat na pagsasaalang -alang sa mga diskarte sa disenyo.
Ang sumusunod na circuit ay naglalarawan ng pasulong na biasing ng 1N5822 diode upang maisaaktibo ang isang LED na pinapagana ng isang baterya na 3.7V, na ipinakita ang pagiging epektibo nito sa mga senaryo na may mababang boltahe.Ang mga diode ng Schottky ay pinapaboran para sa pagpapanatili ng mga antas ng boltahe ng input at pagbabawas ng pagwawaldas ng enerhiya sa buong diode, sa gayon ang pag -aalaga ng mas mahabang buhay ng baterya at pinakamainam na pagganap ng LED.Ang mga kadahilanan ng pagyakap tulad ng pamamahala ng thermal at mga kondisyon ng pag -load ay ginagamit kapag gumagamit ng mga diode ng Schottky.Ang sapat na dissipation ng init ay mapapamahalaan sa pamamagitan ng angkop na mga heat sink o thermal pad.Ang pagpili ng isang diode na may kasalukuyang rating na tumutugma sa mga kahilingan ng circuit ay nakakatulong na maiwasan ang napaaga na mga breakdown at pagpapalakas ng pagiging maaasahan.Ang pagsasama ng mga estratehiya na ito ay nakataas ang resilience ng circuit at tibay ng sangkap.

Ang pag -maximize ng mga pakinabang ng 1N5822 ay nangangailangan ng maalalahanin na pagsasama ng circuit na may katumpakan.Ang paglalagay ng diode na malapit sa supply ng kuryente ay nagbabawas ng mga pagkalugi sa linya, pagpapahusay ng kahusayan sa circuit.Ang pag -configure ng mga mekanismo ng feedback upang iakma ang mga kondisyon ng biasing na likido ay maaaring mai -optimize ang pagganap sa ilalim ng magkakaibang mga sitwasyon sa pagpapatakbo.Ang mga diode ng Schottky ay nakatutulong sa mga system na hinihingi ang mabilis na paglipat at mababang boltahe, tulad ng switch-mode power supplies (SMPs) at mga application na may mataas na dalas, dahil sa kanilang kasanayan sa paghadlang sa mga pagkalugi sa paglipat.
Ang mga inverters na nagpapatakbo sa mababang boltahe at mataas na dalas ay labis na nakasalalay sa mahusay na mga sangkap upang mabawasan ang pagkalugi ng kuryente.Ang 1N5822 diode ay nakatayo dahil sa mababang pasulong na pagbagsak ng boltahe at mabilis na mga tampok ng pagbawi.Ang mga katangiang ito ay maaaring makabuluhang mapahusay ang kahusayan ng enerhiya at pagiging maaasahan, higit sa lahat mahalaga sa portable electronic na aparato kung saan ang pag -iingat ng enerhiya ay isang priyoridad.
Ang mga freewheeling circuit ay naglalayong mag -alok ng isang alternatibong kasalukuyang landas kapag bukas ang pangunahing switch.Ang 1N5822 diode excels dito, na tumutulong sa pag -iwas sa mga pagkalugi ng enerhiya at sugpuin ang mga spike ng boltahe, sa gayon tinitiyak ang katatagan ng circuit.Maaari mong makita na ang paggamit ng 1N5822 ay nagbibigay ng mas mahusay na proteksyon laban sa mga lumilipas na boltahe, at pinalawak ang habang -buhay ng iyong kagamitan habang gumagawa ng mga turbines ng hangin at iba pang mga nababagong sistema ng enerhiya.
Ang mga convert ng DC/DC ay nakakakuha ng malaki mula sa mabilis na kakayahan ng paglipat ng 1N5822 at mababang pagwawaldas ng kuryente.Ang pagsasama ng diode na ito ay humahantong sa mas mataas na kahusayan at pinahusay na regulasyon ng boltahe.Maaari mong tandaan na ang matatag na pagganap nito ay nakakatulong upang mabawasan ang heat buildup - isang kinakailangang tampok sa makapal na naka -pack na circuit board na karaniwang matatagpuan sa mga kontemporaryong elektronikong aparato.
Sa mundo ng deteksyon ng signal, ang mga diode tulad ng 1N5822 ay pinahahalagahan para sa kanilang mga tumutugon na katangian, pagpapahusay ng katumpakan ng pagtuklas ng mga mahina na signal sa mga RF circuit.Nagpapabuti ito ng digital na komunikasyon sa pamamagitan ng pagpapagana ng mas maaasahang pagtanggap ng signal kahit na may mga nagbabago na lakas.
Ang proteksyon ng polarity ay nag -iingat sa mga elektronikong kagamitan mula sa hindi sinasadyang reverse na mga koneksyon sa polaridad.Nag -aalok ang 1N5822 diode ng isang prangka at epektibong solusyon, na humahantong sa isang kapansin -pansin na pagbaba sa mga rate ng pagkabigo ng sangkap.Ang ganitong mga resulta ay binibigyang diin ang halaga nito sa paglikha ng matatag na disenyo ng circuit.
Ang mga aplikasyon ng RF ay humihiling ng nabawasan na pagkagambala sa ingay at pinahusay na kalinawan ng signal.Sinusuportahan ng 1N5822 diode ang mga kinakailangang ito sa pamamagitan ng pagliit ng pagbaluktot ng signal.Maaari mong pahalagahan na ang pagsasama ng diode na ito ay humahantong sa pinahusay na pagganap sa mga high-fidelity audio at mga sistema ng komunikasyon, kung saan ginagamit ang tumpak na pamamahala ng signal.
Ang mga logic circuit na nangangailangan ng mga mabilis na bahagi ng paglilipat ay nakikinabang mula sa mabilis na oras ng paglipat ng 1N5822.Gamit ang diode na ito, nakamit ng mga circuit ang mas mabilis na mga oras ng pagtugon, mapanganib sa high-speed computing at pagproseso ng data.Iminumungkahi ng mga pinuno ng industriya na ang pagsasama ng 1N5822 ay maaaring mapahusay ang pangkalahatang bilis at kahusayan ng mga sistema ng computing.
Ang mga nakabukas na mode na suplay ng kuryente (SMP) ay nangangailangan ng mataas na kahusayan at pagiging maaasahan.Ang 1N5822 diode ay makabuluhang binabawasan ang pagkawala ng enerhiya sa panahon ng operasyon at pinapahusay ang pagganap ng thermal, aktibo para sa kahabaan ng buhay ng mga sangkap ng supply ng kuryente.Maaari mong isaalang -alang ang diode bilang instrumental sa pagpapalakas ng kahusayan ng enerhiya ng SMPS, pinapatibay ang papel nito sa mga modernong solusyon sa pamamahala ng kuryente.
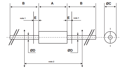
1N5822 Package Outline

1N5822 Mekanikal na Data
|
Ref. |
Sukat |
Mga Tala |
|||
|
Milimetro |
Pulgada |
||||
|
Min. |
Max. |
Min. |
Max. |
1. Ang tingga Ang diameter ▲ d ay hindi Kinokontrol sa Zone E. 2. Ang minimum na haba ng ehe sa loob kung saan ang Ang aparato ay maaaring mailagay kasama ang mga lead nito na baluktot sa tamang mga anggulo ay 0.59 "(15 mm) |
|
|
A |
9.50 |
0.374 |
|||
|
B |
25.40 |
1000 |
|||
|
▲ c |
5.30 |
0.209 |
|||
|
▲ d |
1.30 |
0.051 |
|||
|
E |
1.25 |
0.049 |
|||
Ang Stmicroelectronics ay nakaposisyon mismo bilang isang nangungunang manlalaro sa pandaigdigang yugto ng semiconductor.Ang kumpanya ay kilala para sa pambihirang kakayahang gumawa ng mga advanced na silikon at mga solusyon sa system.Sa pamamagitan ng propelling na pagsulong sa teknolohiya ng system-on-chip (SOC), nakagawa sila ng mga kilalang kontribusyon sa ebolusyon ng mga modernong elektronika.
Sa pamamagitan ng dedikasyon nito sa pananaliksik at pag-unlad, ang StMicroelectronics ay pinino ang mga disenyo para sa system-on-chip sa pamamagitan ng pagsasama ng iba't ibang mga sangkap na gumagana sa isang solong chip.Nag -aalok ang makabagong ito hindi lamang pinahusay na kahusayan at pagbawas ng gastos ngunit nakakaapekto rin sa isang malawak na hanay ng mga produkto, na sumasaklaw sa mga electronics ng consumer at mga sistema ng automotiko.Ang katapangan na ipinapakita nila sa arena na ito ay nagpapahiwatig ng kanilang dedikasyon sa pagtulak sa mga hangganan ng teknolohikal at talino sa paglikha.
Mangyaring magpadala ng isang pagtatanong, tutugon kami kaagad.
Ang 1N5822 Schottky diode ay nabanggit para sa tinatayang mababang pasulong na pagbagsak ng boltahe na 0.525 V, na nag-aambag sa katapangan nito sa mga pasulong na bias na mga circuit sa pamamagitan ng pagpapagana ng mahusay na daloy ng kuryente.Ang diode na ito ay nagniningning sa mga setting ng mabilis na paglipat na nangangailangan ng mas mababang mga alon, tulad ng mga high-frequency circuit circuit.Sa loob ng mundo ng mga pamantayan sa industriya, ang diode ay madalas na pinili para sa mga tungkulin na hinihiling na mabawasan ang pagkawala ng kuryente at mabilis na pagtugon sa mga pagbabagu -bago ng kuryente.Ang aktwal na mga aplikasyon ay nagtatampok ng adeptness nito sa pag -iingat ng enerhiya sa panahon ng mga pagbabago sa circuit, pagpapahusay ng apela nito sa mga kontemporaryong disenyo ng mga de -koryenteng sistema.
Karaniwan, ang mga schottky diode ay dinisenyo gamit ang isang thermal pad sa katod kaysa sa anode.Ang pagpili na ito ay alam sa pamamagitan ng kung paano ang reaksyon ng mga diode na ito sa thermal stress, na maaaring humantong sa hindi pantay na mga kondisyon ng thermal.Ang pamantayang kasanayan ay nangangailangan ng pag -secure ng isang heat sink sa katod upang matiyak ang epektibong pagwawaldas ng init.Ang mga karanasan mula sa patlang ay nagpapakita na ang pag -setup na ito ay nagpapatatag ng operasyon ng diode at pinalawak ang buhay ng serbisyo sa pamamagitan ng mahusay na pamamahala ng init.
Ang pagpapalit ng isang 1N5819 Schottky diode na may isang 1N5822 ay nakasalalay sa kanilang ibinahaging pasulong na boltahe (VF) at junction-to-ambient thermal resistance (RTH-JA).Gayunpaman, ang mas mataas na kasalukuyang pagtagas ng 1N5822 ay maaaring makaimpluwensya sa ilang mga gamit, lalo na sa mga kapaligiran na sensitibo sa pagtagas, tulad ng mga circuit-o circuit.Pagdating sa mga konteksto tulad ng switch-mode power supplies (SMP) o reverse polarity protection, ang pagpapalit ng mga ito ay pinaka-angkop.Gayunpaman, dapat isaalang -alang ng isa ang mga pisikal na sukat;Ang mas malaking bakas ng 1N5822 ay nahuhulog sa paligid ng 1.5mm ang lapad, na kinakailangan ng angkop na mga mounting accommodation.Ang praktikal na pag -unawa na ito ay nagtatampok ng pangangailangan ng pag -align ng mga mekanikal at elektrikal na mga parameter para sa kapalit na sangkap na walang tahi.
sa 2024/11/5
sa 2024/11/5
sa 8000/04/18 147757
sa 2000/04/18 111936
sa 1600/04/18 111349
sa 0400/04/18 83721
sa 1970/01/1 79508
sa 1970/01/1 66905
sa 1970/01/1 63033
sa 1970/01/1 63012
sa 1970/01/1 54081
sa 1970/01/1 52125