
Ang AD9361 nakatayo bilang isang maraming nalalaman RF Agile transceiver, na naayon para sa kontemporaryong 3G at 4G base station ventures.Sakop ang isang malawak na dalas ng spectrum mula sa 70MHz hanggang 6.0GHz, ipinapakita nito ang kakayahang magamit at pagkakahanay na may iba't ibang mga kahilingan sa wireless na komunikasyon.Sa pagsasama ng isang dulo ng harap ng RF sa tabi ng nababaluktot na baseband at frequency synthesizer, ang disenyo ay naka -streamline, na nagtatanghal ng isang digital na interface sa mga processors.Ang mahusay na pakete na ito, na naka-encode sa isang 10mm × 10mm, 144-ball CSP_BGA, ay tumutugma sa mga aplikasyon kung saan ang puwang ay nasa isang premium.Ang pagsakop sa isang malawak na dalas ng spectrum, sinusuportahan ng AD9361 ang maraming mga application ng transceiver, kabilang ang mga istasyon ng base at mga sistema ng pagputol ng wireless.Ang programmable na kalikasan ay nagbibigay kapangyarihan upang ipasadya ang aparato upang tumpak na mga pagtutukoy, pagpapahusay ng proseso ng pag -unlad at pagpapalakas ng pagganap.
Ang mga bandwidth ng Channel ay mula sa ilalim ng 200 kHz hanggang 56MHz, na ginagawang angkop ang AD9361 para sa isang malawak na spectrum ng mga aplikasyon.Ang kakayahang umangkop sa bandwidth ay nagbibigay -daan para sa walang hirap na pagkakahanay sa iba't ibang mga pamantayan sa komunikasyon, na nagtataguyod ng mahusay na pamamahala ng mapagkukunan.Ang pagsubok sa patlang ay binibigyang diin kung paano ang kakayahang umangkop na ito ay nagbibigay -daan sa mabilis at tumpak na mga reaksyon sa mga dynamic na kapaligiran.Ang kakayahan ng AD9361 para sa digital na pakikipag -ugnay sa mga processors ay nagpapagaan ng mga maginoo na hamon sa disenyo ng RF.Sa pamamagitan ng pagsasama ng maraming mga pag -andar sa isang solong yunit, binabawasan nito ang pangangailangan para sa mga labis na sangkap, pag -stream ng pangkalahatang disenyo ng system.Ang diskarte na ito ay madalas na tumatanggap ng mga accolade sa loob ng mga forum ng industriya para sa kapasidad nito upang mabawasan ang mga gastos at dagdagan ang pagiging maaasahan sa pamamagitan ng pagbawas ng mga puntos ng pagkabigo.



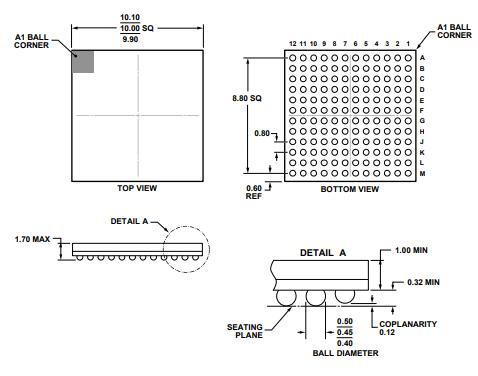
Mga pagtutukoy sa teknikal, katangian, at mga parameter ng Analog Device Inc. AD9361, kasama ang mga bahagi na maihahambing sa Analog Device Inc. AD9361BBCZ.
|
I -type |
Parameter |
|
Katayuan ng Lifecycle |
Produksyon (huling na -update: 2 linggo na ang nakakaraan) |
|
Makipag -ugnay sa kalupkop |
Tanso, pilak, lata |
|
Uri ng pag -mount |
Surface Mount |
|
Bilang ng mga pin |
144 |
|
Packaging |
Tray |
|
PBFree code |
hindi |
|
Antas ng Sensitivity ng kahalumigmigan (MSL) |
3 (168 oras) |
|
Code ng ECCN |
5A991.B |
|
Pagtatapos ng terminal |
Lata/pilak/tanso (sn/ag/cu0.5) |
|
Form ng terminal |
Ball |
|
Bilang ng mga pag -andar |
1 |
|
Terminal pitch |
0.8mm |
|
Kadalasan |
70MHz - 6GHz |
|
BASE PART NUMBER |
AD9361 |
|
Operating Supply Voltage |
1.3v |
|
Kapangyarihan - Output |
0.8MW |
|
Mga serial interface |
SPI |
|
Kasalukuyan - Pagpapadala |
240mA ~ 800mA |
|
Ingay figure |
2.5 dB |
|
Haba |
10mm |
|
Abutin ang SVHC |
Walang SVHC |
|
Libre ang Lead |
Naglalaman ng tingga |
|
Oras ng tingga ng pabrika |
8 linggo |
|
Bundok |
Surface Mount |
|
Package / Kaso |
144-lfbga, cspbga |
|
Temperatura ng pagpapatakbo |
-40 ° C ~ 85 ° C. |
|
Code ng JESD-609 |
E1 |
|
Bahagi ng Bahagi |
Aktibo |
|
Bilang ng mga pagtatapos |
144 |
|
I -type |
TX-RX lamang |
|
Posisyon ng terminal |
Ilalim |
|
Temperatura ng Peak Reflow (CEL) |
260 |
|
Supply boltahe |
1.3v |
|
Lalim |
10mm |
|
Oras@peak reflow temperatura-max (s) |
Hindi tinukoy |
|
Bilangin ng pin |
144 |
|
Protocol |
Lte |
|
RF Pamilya/Pamantayan |
Cellular |
|
Kasalukuyan - pagtanggap |
175MA ~ 445MA |
|
Bilang ng mga tatanggap |
2 |
|
Taas |
1mm |
|
Lapad |
10mm |
|
Katayuan ng ROHS |
Sumunod ang ROHS |

Ang transceiver ay tumatanggap ng parehong oras ng division duplex (TDD) at dalas na division duplex (FDD) na operasyon, na nag-aalok ng isang maraming nalalaman dual-mode.Ang kakayahang umangkop na ito ay nagbibigay -daan sa walang tahi na pagsasama sa magkakaibang mga sistema ng komunikasyon.Mula sa telecommunication hanggang sa mga aplikasyon ng militar, ang kakayahang umangkop na ito ay nagpapabuti ng mga diskarte sa iba't ibang mga mapaghamong kapaligiran.
Ang channel tunability ay sumasaklaw mula sa mas mababa sa 200 kHz hanggang 56 MHz, na nag -aalok ng kahanga -hangang kakayahang umangkop.Pinapayagan nito para sa pinasadyang pagganap sa iba't ibang mga bandang dalas: mga aplikasyon ng makitid, at mga aplikasyon ng wideband.Ang mga teknolohiyang tulad ng LTE at 5G ay epektibong magamit ang kakayahang ito upang ma -optimize ang kahusayan ng spectrum at mabawasan ang pagkagambala, na lubos na nagpapaganda ng pagiging epektibo sa pagpapatakbo.
Ang mataas na sensitivity ng tatanggap ay gumaganap ng isang papel sa maaasahang pagtuklas ng signal, lalo na sa ilalim ng mapaghamong mga kondisyon.Ang tampok na ito ay ginagamit sa mga liblib na lugar at mga rehiyon sa kanayunan.Ang nasabing sensitivity ay kapaki -pakinabang para sa pagpapanatili ng malakas na koneksyon, lalo na mabuti para sa mga komunikasyon sa mga sektor tulad ng mga serbisyong pang -emergency o remote na pagsubaybay sa pangangalagang pangkalusugan.
Ang AD9361 ay isang pangunahing sa mga point-to-point system ng komunikasyon, na ipinagdiriwang para sa kamangha-manghang kakayahang umangkop.Ang adeptness nito sa pamamahala ng isang spectrum ng mga frequency at bandwidth ay nagbibigay ito ng isang pinakamainam na pagpipilian sa loob ng mga sistemang ito.Ang iba ay madalas na gumamit ng potensyal na pagsasama nito upang makagawa ng mga naka -streamline na network, pagpapahusay ng parehong pagiging maaasahan at pagganap ng mga link.Sa pamamagitan ng mapagbigay na pag-optimize ng mga mapagkukunan, maaari mong masaksihan ang mga pagpapabuti sa koneksyon sa point-to-point.
Sa loob ng mga istasyon ng base, ang AD9361 ay nakikilala sa pamamagitan ng pagiging matatag at natitirang mga sukatan ng pagganap.Ito ay walang putol na pagsasama sa iba't ibang mga pamantayan sa network, pinadali ang kamangha -manghang scalability at kakayahang umangkop, dalawang aspeto na nakasalalay sa modernong imprastraktura ng telecommunication.Marami ang may mga natamo sa kahusayan sa pagpapatakbo at pagbawas sa mga paggasta sa paglawak sa pamamagitan ng pagsasama ng AD9361 sa kanilang mga balangkas.
Ang kakayahang umangkop ng aparato ay nagniningning din sa mga pangkalahatang layunin ng radyo ng mga sistema, kung saan mataas ang demand para sa pagpapasadya at kakayahang umangkop.Ang iba ay pinahahalagahan ang kapasidad ng AD9361 upang pamahalaan ang maraming mga landas ng signal nang sabay -sabay, na naglalagay ng paraan para sa mga makabagong solusyon sa radyo.Ang nasabing pagsasama ay gumaganap ng isang papel sa pagkamit ng higit na kalinawan ng signal at kahusayan, sa kapaligiran na nakakonekta sa hyper ngayon.

Ang modelo ng transmiter ng AD9361 ay walang putol na nagsasama ng digital up-conversion, analog, at RF front-end filter upang suportahan ang mahusay na komunikasyon sa iba't ibang mga aplikasyon, na lumilikha ng isang tulay sa pagitan ng mga kahilingan sa teknolohiya at pakikipag-ugnay.Ang digital up-conversion ay nagbabago ng mga signal ng baseband sa mas mataas na mga frequency na kinakailangan para sa epektibong paghahatid.Ang prosesong ito ay nagpapanatili ng integridad ng signal sa pamamagitan ng pagliit ng pagbaluktot.Ang patuloy na ebolusyon ng pagproseso ng digital signal ay hinihimok ng mga pang -industriya na pangangailangan, na naglalayong katumpakan at pagiging maaasahan sa mga kumplikadong sistema ng komunikasyon.Ang mga filter ng analog at RF front-end ay naglilinis ng mga signal sa pamamagitan ng pagtanggal ng mga hindi kinakailangang dalas at pagbabawas ng ingay.Naglalaro sila ng isang pangunahing papel sa pagtiyak ng malinaw na komunikasyon sa iba't ibang mga distansya, ang kanilang kahusayan ay paulit -ulit na napatunayan sa mga kapaligiran.Ang mga elementong ito ay nagpapaganda ng signal fidelity at pagganap ng system.
Ang mga nonlinearities at nakakakuha ng kawalan ng timbang ay nagdudulot ng mga hamon sa paghahatid ng signal.Ang modelo ng transmiter ng AD9361 ay gumagamit ng mga sopistikadong algorithm upang matugunan ang mga ito, na nagpapagana ng pagganap ng rurok.Ang mga makabagong diskarte na nakabase sa pagpapatunay ng empirikal at mahigpit na pagsubok sa larangan ay ginagamit para sa patuloy na pagsasaayos ng parameter.
Ang nababagay na pagpapalambing ay nagbibigay -daan sa tumpak na kontrol sa mga antas ng lakas ng signal, na nagpapagana ng mga naaangkop na mga katangian ng paghahatid batay sa mga tiyak na pangangailangan.Ang kakayahang umangkop na ito ay pumipigil sa pagkawala ng data o pagkagambala, lakas ng signal ng pagbabalanse.Ang pamamaraang ito, na hinuhubog ng malawak na puna, ay tumutugma sa mga kontemporaryong hinihingi para sa nababanat at nababaluktot na mga sistema ng komunikasyon.Ang mabisang pamamahala ng pagpapalambing sa buong magkakaibang mga platform ng komunikasyon ay nagtataguyod ng integridad at kahusayan ng system.Ang mga napapasadyang mga setting ay nakahanay sa iba't ibang mga kondisyon ng pagpapatakbo, habang ang mga pagsubok sa larangan sa mga dynamic na setting ay salungguhit ang papel ng nababagay na pagpapalambing sa mga modernong sistema.

Ang arkitektura ng tagatanggap ng AD9361 ay sumasalamin sa na katapat nitong transmiter, na nakatuon sa kontrol ng ingay ng ingay at pagpapanatili ng isang malawak na dinamikong saklaw.Ang pagkakaisa na ito ay nagsasangkot ng pag -aaplay ng masalimuot na mga diskarte sa pag -filter at pagpapalambing, na naglalayong mapangalagaan ang kadalisayan ng signal.Ang pagbabawas ng ingay ay nagpapabuti sa kalinawan ng mga natanggap na signal.Ang paggamit ng mga advanced na filter na pantulong sa pagkilala sa nais na signal mula sa nakapaligid na ingay.Bukod dito, ang mga diskarte sa pag-filter ng adaptive ay nagbibigay ng kakayahang umangkop para sa mga on-the-fly na pagsasaayos sa pagbabago ng mga kapaligiran sa ingay, sa gayon ay nagpapabuti ng katatagan.Ang pagpapanatili ng isang malawak na dynamic na saklaw ay integral sa pagganap ng tatanggap.Ang mga awtomatikong control control (AGC) system ay nagbibigay -daan sa tatanggap na ayusin sa iba't ibang mga lakas ng signal, na naglalayong bawasan ang pagbaluktot habang pinapahusay ang katumpakan ng data.Ang iba ay karaniwang nagpapatupad ng AGC sa masalimuot na mga kapaligiran upang mapanatili ang kahusayan ng signal.

Ang mga aparato ng analog ay nakakuha ng pagkilala sa kadalubhasaan nito sa pagsasama ng analog at digital signal processing.Nag -aalok ito ng mga groundbreaking solution na isinasalin ang mga kumplikadong phenomena sa praktikal na data ng elektrikal, na nagmamaneho ng mga aplikasyon ng elektronikong elektronik.Ang dedikasyon ng kumpanya sa kalidad at teknolohiya ng pagpapayunir ay inilalagay ito sa unahan ng ebolusyon ng industriya, na humihiling ng parehong paggalang at isang pakiramdam ng paghanga.Sa pamamagitan ng AD9361, ang mga aparato ng analog ay nagtatampok ng maimpluwensyang papel nito sa pagpapalakas ng mga teknolohiya na lumampas sa mga hangganan ng maginoo.Habang nagbabago ang mga industriya, ang uhaw para sa madaling iakma at epektibong mga solusyon sa pagproseso ng signal ay hindi maiiwasang babangon, kasama ang AD9361 na nakatayo bilang isang mahalagang elemento para sa pagbabago sa hinaharap, na nagpapasigla ng isang pakiramdam ng pag-asa at pag-iisip ng pagsaliksik.
Ang AD9361 ay nilikha upang maghatid ng isang malawak na hanay ng mga pangangailangan ng dalas ng radyo, na nag -aalok ng malakas na kakayahan sa parehong modulation at kakayahang umangkop sa network.Sa mataas na pagsasama at mahusay na pagganap, ito ay umaangkop nang walang putol sa mga kontemporaryong mga frameworks ng komunikasyon.Sa mga praktikal na termino, ang chip ay tumutulong sa pagsamahin ang mga proseso ng disenyo sa pamamagitan ng pagsasama ng iba't ibang mga pag -andar sa isang solong pakete.Ang pagbawas sa pagiging kumplikado ay nag-aambag sa pinahusay na pagiging maaasahan sa mga aparato tulad ng mga radio na tinukoy ng software at mga sistema ng MIMO.Ang kakayahang umangkop nito ay nagiging partikular na maimpluwensyahan sa mga senaryo na nangangailangan ng mabilis na pagsasaayos sa umuusbong na mga pamantayan sa network.
Ang isang maliksi na transceiver ay pinagsama ang isang dalas ng dalas ng radyo na may isang naka-program na baseband, na lubos na pinadali ang mga proseso ng disenyo para sa kasalukuyang mga digital na processors o mga arrays na naka-programmable na gate (FPGAs).Ang mga transceiver na ito ay nagbibigay ng latitude sa crafting at pag -aalis ng mga sistema ng komunikasyon, salamat sa kanilang kakayahang sumailalim sa dinamikong muling pagsasaayos upang matugunan ang mga hinihingi ng iba't ibang mga protocol ng komunikasyon.Halimbawa, nahanap ng mga tagagawa ng kagamitan sa network na maaari silang mabilis na magdala ng mga produkto sa merkado, pag -ekonomiya sa pamamagitan ng pagbabago ng mga pag -andar ng transceiver sa pamamagitan ng mga pag -update ng software sa halip na mga pagbabago sa hardware.
Ang mga pag -andar ng AD9361 sa buong malawak na saklaw ng dalas, na sumasaklaw mula sa 70 MHz hanggang 6 GHz, na lumilikha ng isang naka -streamline na pamamaraan para sa paggawa ng mga transceiver ng RF.Isinasama nito ang isang halo-halong baseband na may dalas na synthesizer, na nagpapagana upang masakop ang isang magkakaibang spectrum ng mga dalas na banda.Ang pagsasama-sama na ito ay tumutulong upang bawasan ang bilang ng mga panlabas na bahagi na kinakailangan, na nagpapasulong ng mas compact at enerhiya na may konserbasyon na disenyo.Dahil sa magkakaibang mga kakayahan nito, ang AD9361 ay inilalapat sa iba't ibang larangan, tulad ng mga istasyon ng mobile base at teknolohiya ng aerospace, kung saan ang dinamikong at matatag na wireless na komunikasyon ay may hawak na halaga.Marami ang napansin ang kasanayan nito sa mabilis na pag -adapt sa mga paglilipat nang dalas at sabay na sumusuporta sa maraming mga channel, na nagtatanghal ng mga kilalang benepisyo sa pagpapatakbo sa mabilis na pag -unlad ng mga domain na teknolohikal.
Mangyaring magpadala ng isang pagtatanong, tutugon kami kaagad.
sa 2024/10/29
sa 2024/10/29
sa 8000/04/18 147757
sa 2000/04/18 111936
sa 1600/04/18 111349
sa 0400/04/18 83721
sa 1970/01/1 79508
sa 1970/01/1 66905
sa 1970/01/1 63033
sa 1970/01/1 63012
sa 1970/01/1 54081
sa 1970/01/1 52125