
EPF10K30AFC484-1 ay isang field na programmable gate array na ginagamit upang ipatupad ang configurable digital logic sa mga naka-embed na electronic system.Naglalaman ang device ng programmable logic elements, internal memory blocks, at routing resources na nagbibigay-daan sa mga custom na digital function na malikha sa loob ng isang bahagi.Sinusuportahan ng panloob na istraktura nito ang control logic, paghawak ng data, at pamamahala ng interface sa malawak na hanay ng mga elektronikong kagamitan.Gumagana ang device mula sa 4.75 V hanggang 5.25 V na hanay ng supply at nagbibigay ng hanggang 246 na programmable input at output na koneksyon.Gumagamit ang package ng 484 ball fine pitch na BGA na format na angkop para sa surface mounted circuit boards sa mga compact na disenyo ng system.
Naghahanap ng EPF10K30AFC484-1?Makipag-ugnayan sa amin upang suriin ang kasalukuyang stock, oras ng pag-lead, at pagpepresyo.

Ipinapakita ng layout ng package kung paano nagbabahagi ang mga device sa pamilya ng FLEX 10K ng pare-parehong istraktura ng ball grid sa iba't ibang laki ng package.Ang isang naka-print na circuit board footprint na idinisenyo para sa isang 484 pin FineLine BGA package ay sumusuporta sa mga device na may iba't ibang bilang ng I/O sa pamamagitan ng pagpapanatili ng parehong mga panlabas na posisyon ng bola.Inihahambing ng diagram ang isang 256 pin FineLine BGA device at isang 484 pin FineLine BGA device, kung saan ang mas maliit na package ay gumagamit ng mas mababang bilang ng mga aktibong koneksyon habang pinapanatili ang pagkakahanay sa parehong layout ng board.Ang pagsasaayos na ito ay nagbibigay-daan sa mga circuit board na idinisenyo para sa mas malaking pakete na tumanggap ng mas maliliit na bersyon ng device kapag mas kaunting input o output signal o logic resources ang kinakailangan.
Ang aparato ay nagsasama ng isang programmable logic structure na nagbibigay-daan sa mga digital circuit na i-configure pagkatapos ng pag-install.Maaaring ipatupad ng mga designer ang control logic, signal routing, at processing functions sa loob ng chip sa pamamagitan ng pagtukoy ng mga koneksyon sa pagitan ng internal logic elements.
Isang kabuuang 1728 na elemento ng lohika ang nakaayos sa maramihang mga bloke ng hanay ng lohika na bumubuo sa panloob na istraktura ng pagproseso.Ang bawat elemento ng logic ay maaaring magsagawa ng arithmetic, combinational logic, o storage operations, na nagpapahintulot sa device na suportahan ang isang malawak na hanay ng mga digital circuit na disenyo.
Kasama sa device ang 12288 bits ng internal memory na nakaayos sa nakalaang mga array block.Ang mga block na ito ay nagbibigay sa chip data storage na maaaring i-configure para sa pansamantalang buffering, lookup table, o maliit na memory function na ginagamit ng mga digital system.
Hanggang sa 246 na programmable input at output na koneksyon ang nagpapahintulot sa device na makipag-ugnayan sa mga panlabas na bahagi.Sinusuportahan ng mga koneksyong ito ang mga bidirectional signal path at maaaring i-configure para sa iba't ibang kinakailangan sa digital na interface.
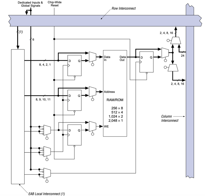
Gumagalaw ang mga signal sa device gamit ang isang routing structure na nabuo sa pamamagitan ng row at column interconnect path.Ang panloob na network na ito ay namamahagi ng data sa pagitan ng mga bloke ng logic, mga lugar ng memorya, at mga pin ng output ng input sa buong programmable array.
Gumagana ang device mula sa 4.75 V hanggang 5.25 V na hanay ng supply na nakaayon sa maraming digital electronic system.Sinusuportahan ng hanay ng boltahe na ito ang maaasahang pag-uugali ng signal sa patuloy na operasyon ng system.
Idinisenyo para sa mga komersyal na kapaligiran sa temperatura, gumagana ang device sa hanay ng temperatura na 0°C hanggang 70°C.Sinusuportahan ng operating window na ito ang panloob na elektronikong kagamitan at mga kontroladong kapaligiran ng system.
Nakalagay ang component sa isang 484 ball fine pitch BGA package na may sukat na humigit-kumulang 23 by 23 millimeters.Sinusuportahan ng format na ito ang mga siksik na layout ng circuit habang pinapanatili ang matatag na mga koneksyon sa kuryente sa mga multilayer na naka-print na circuit board.
| Katangian ng Produkto | Halaga ng Katangian |
| Manufacturer | Altera (Intel) |
| Boltahe - Supply | 4.75V ~ 5.25V |
| Kabuuang Mga Bit ng RAM | 12288 |
| Package ng Supplier ng Device | 484-FBGA (23x23) |
| Serye | FLEX-10KA® |
| Package / Case | 484-BBGA |
| Package | maramihan |
| Operating Temperatura | 0°C ~ 70°C (TA) |
| Bilang ng Logic Elements/Cell | 1728 |
| Bilang ng mga LAB/CLB | 216 |
| Bilang ng I/O | 246 |
| Bilang ng Gates | 69000 |
| Uri ng Pag-mount | Ibabaw na Mount |
| Katayuan ng RoHS | Hindi sumusunod sa RoHS |
| Moisture Sensitivity Level (MSL) | 3 (168 Oras) |
| Katayuan ng REACH | REACH Hindi naaapektuhan |
| ECCN | 3A991D |
| HTSUS | 8542.39.0001 |

Inaayos ng panloob na layout ang programmable logic sa isang grid ng Logic Array Blocks na naglalaman ng maraming elemento ng logic na ginagamit upang bumuo ng mga digital circuit.Ang mga naka-embed na Array Block ay lumalabas sa loob ng array at nagbibigay ng mga nakalaang mapagkukunan ng memory na nag-iimbak ng data sa panahon ng pagpapatakbo ng device.Ang mga pahalang at patayong routing channel na may label na row at column interconnects ay bumubuo sa internal signal network na nag-uugnay sa mga logic block at memory region.Ang mga elemento ng input at output ay nakaposisyon sa paligid ng mga panlabas na gilid ng device, na lumilikha ng electrical interface sa pagitan ng panloob na logic at panlabas na mga pin.Ang mga lokal na interconnect path sa loob ng bawat block ng logic array ay nagbibigay-daan sa mga kalapit na elemento ng logic na mabilis na makipagpalitan ng mga signal, habang ang mas malaking istraktura ng pagruruta ay namamahagi ng mga signal sa buong programmable array.

Ang istraktura ng memorya sa loob ng programmable array ay naglalaman ng Embedded Array Block na nagbibigay ng dedikadong storage sa loob ng FPGA fabric.Sinusuportahan ng block ang mga sukat ng memory na maaaring i-configure kabilang ang 256 × 8, 512 × 4, 1,024 × 2, at 2,048 × 1, na nagbibigay-daan sa nababaluktot na lapad ng data at mga pagsasaayos ng lalim depende sa disenyo.Ang pag-input ng data, output ng data, pagpili ng address, at pagsusulat ay nagbibigay-daan sa mga landas na kumonekta sa memory cell sa nakapalibot na lohika sa pamamagitan ng mga panloob na rehistro at kontrol ng mga multiplexer.Ang mga lokal na interconnect na linya ay nagruruta ng mga signal mula sa kalapit na logic array block nang direkta sa memory interface, habang ang row at column interconnect na channel ay nagli-link sa block sa mas malawak na routing network sa device.Ang mga dedikadong input path at pandaigdigang control signal ay namamahala sa timing at synchronization para ma-access ang nakaimbak na data ng mga programmable logic elements sa loob ng FPGA.
Maaaring pamahalaan ng device ang mga digital control task sa loob ng automated na kagamitan.Ang programmable logic ay nagbibigay-daan sa mga taga-disenyo ng system na ipatupad ang timing control, pagpoproseso ng sensor, at koordinasyon ng actuator sa loob ng mga makinang pang-industriya at mga sistema ng produksyon.
Ang mga naka-embed na mapagkukunan ng lohika at panloob na memorya ay nagbibigay-daan sa aparato na suportahan ang pagmamanipula ng signal at mga gawain sa pag-filter.Magagamit ito sa mga system na nagpoproseso ng mga naka-sample na stream ng data, kung saan dapat mangyari ang mga digital na operasyon sa mga predictable na agwat ng oras.
Ang mga kagamitan sa komunikasyon ay madalas na nangangailangan ng configurable logic para pamahalaan ang protocol handling at signal routing.Maaaring i-coordinate ng device ang mga path ng data sa pagitan ng mga channel ng komunikasyon at mga digital processing unit sa loob ng networking equipment.
Kinokolekta ng mga electronic measurement system ang mga signal mula sa maraming sensor at kino-convert ang mga ito sa mga digital data stream.Maaaring pamahalaan ng device ang timing ng signal, buffering, at kontrol ng interface sa mga system na ginagamit para sa pagsubaybay at pagsukat.
Gumagamit ang network interface equipment ng programmable logic para pamahalaan ang packet handling at internal signal coordination.Maaaring ayusin ng device ang mga path ng data sa pagitan ng mga processing unit at external na interface ng komunikasyon.
Ang mga development system ay kadalasang gumagamit ng programmable logic device upang subukan at suriin ang mga digital circuit na disenyo.Nagbibigay-daan ang device sa mga inhinyero at developer na i-verify ang gawi ng system bago magsagawa ng mga disenyo sa mga nakapirming pagpapatupad ng hardware.
• Ang mataas na bilang ng I/O pin ay nagbibigay-daan sa koneksyon sa maraming panlabas na bahagi sa mga kumplikadong system
• Ang malaking bilang ng mga elemento ng logic ay nagbibigay-daan sa pagpapatupad ng mga sopistikadong digital logic circuit
• Sinusuportahan ng naka-embed na RAM ang panloob na data buffering at mga pagpapatakbo ng memorya
• Pinapayagan ng Programmable architecture ang mga pagbabago sa disenyo nang hindi binabago ang layout ng hardware
• Sinusuportahan ng Surface mount FBGA package ang compact circuit board integration
• Angkop para sa custom na hardware acceleration at parallel logic processing
• Nangangailangan ng mga espesyal na tool sa pag-develop ng FPGA at kaalaman sa disenyo ng hardware
• Mas mataas na konsumo ng kuryente kumpara sa mas maliliit na programmable logic device
• Mas lumang pamilya ng FPGA na may mas mababang kahusayan kumpara sa mga modernong arkitektura ng FPGA
• Ang proseso ng pag-develop at pag-debug ay maaaring maging kumplikado para sa mga nagsisimula
| Numero ng Bahagi | Manufacturer | Mga Pangunahing Tampok | Gamitin ang Case/Notes |
| EPF10K30AFC484-2 | Intel | Miyembro ng pamilyang FLEX-10KA FPGA na may humigit-kumulang 1,728 logic elements at 12,288 bits ng naka-embed na RAM.Nagbibigay ng hanggang 246 I/O pin at sumusuporta sa 5 V na hanay ng supply.Binibigyang-daan ng device ang mga designer na ipatupad ang mga programmable digital logic function sa loob ng isang integrated circuit. | Karaniwang ginagamit sa mga sistema ng kontrol sa industriya, hardware ng telekomunikasyon, at mga naka-embed na computing platform kung saan kailangan ang configurable logic para sa custom na digital processing. |
| EPF10K30AFC484-3 | Intel | FPGA device batay sa arkitektura ng FLEX-10KA na may mga programmable logic block, panloob na mapagkukunan ng RAM, at mataas na pin-count na interface.Nagbibigay-daan ito sa mga designer na i-configure ang mga digital circuit nang hindi gumagawa ng custom na ASIC. | Kadalasang ginagamit sa mga kagamitan sa komunikasyon, mga signal processing board, at prototype na mga digital system kung saan kinakailangan ang flexibility ng hardware sa panahon ng pag-develop. |
| EPF10K30AFC484-3 | Altera | High density programmable logic device mula sa FLEX-10KA series na pinagsasama ang mga configurable logic cells, naka-embed na memory block, at flexible routing resources.Sinusuportahan ng arkitektura ang mga kumplikadong digital na disenyo na may malaking kapasidad ng gate. | Angkop para sa mga sistema ng telekomunikasyon, naka-embed na hardware sa pagpoproseso, at mga custom na digital control board kung saan pinapalitan ng programmable logic ang mga fixed hardware circuit. |
Ang Altera ay isang kumpanyang semiconductor na kilala sa pagdidisenyo ng mga programmable logic device na ginagamit sa mga digital electronic system.Ang kumpanya ay bumuo ng isang malawak na hanay ng field programmable gate arrays at programmable logic component na ginagamit sa mga komunikasyon, computing, pang-industriya na kagamitan, at mga naka-embed na platform.Ang mga produkto nito ay nagpapahintulot sa mga designer na lumikha ng mga custom na digital circuit na maaaring i-reconfigure pagkatapos ng pagmamanupaktura.Ipinakilala ng Altera ang ilang programmable logic na pamilya kabilang ang MAX, FLEX, at Stratix na mga device na naging malawakang ginagamit sa electronic na disenyo.Ang kumpanya sa kalaunan ay naging bahagi ng Intel, kung saan ang programmable logic technology nito ay patuloy na binuo para sa pagproseso ng data, networking system, at naka-embed na digital platform.
Ang pag-unawa sa EPF10K30AFC484-1 ay nakakatulong sa iyong makita kung paano mapasimple ng programmable logic ang mga kumplikadong digital system.Pinagsasama ng device na ito ang mga elemento ng configurable logic, internal memory, at flexible na pagruruta para makabuo ka ng mga custom na logic function sa loob ng isang bahagi.Nakita mo rin kung paano sinusuportahan ng istraktura ng package, arkitektura ng device, at naka-embed na memory block nito ang maaasahang paggalaw ng data sa isang circuit.Ang mga aplikasyon nito ay sumasaklaw sa kontrol sa industriya, pagpoproseso ng signal, kagamitan sa komunikasyon, at prototyping ng system.Sa pamamagitan ng pagrepaso sa mga feature at istraktura ng disenyo nito, nakakakuha ka ng mas malinaw na ideya kung paano masusuportahan ng FPGA na ito ang madaling ibagay at mahusay na pagbuo ng electronic system.
Mangyaring magpadala ng isang pagtatanong, tutugon kami kaagad.
Ang EPF10K30AFC484-1 ay isang field programmable gate array na nagbibigay-daan mga digital logic circuit na iko-configure pagkatapos mai-install ang device isang sistema.
Sinusuportahan ng device ang hanggang 246 na programmable input at output mga koneksyon na nagpapahintulot sa komunikasyon sa mga panlabas na bahagi sa a sirkito.
Gumagana ang aparato sa loob ng saklaw ng boltahe ng supply na 4.75 V hanggang 5.25 V, na nakaayon sa maraming digital electronic system.
Kasama sa device ang mga naka-embed na memory block na nagbibigay ng 12,288 bits ng storage para sa buffering data at pagsuporta sa mga internal na logic operations.
Madalas itong ginagamit sa mga sistema ng kontrol sa industriya, komunikasyon kagamitan, data acquisition hardware, at digital system prototyping mga platform.
sa 2026/03/13
sa 2026/03/13
sa 8000/04/18 147757
sa 2000/04/18 111934
sa 1600/04/18 111349
sa 0400/04/18 83719
sa 1970/01/1 79508
sa 1970/01/1 66895
sa 1970/01/1 63010
sa 1970/01/1 63000
sa 1970/01/1 54081
sa 1970/01/1 52118