

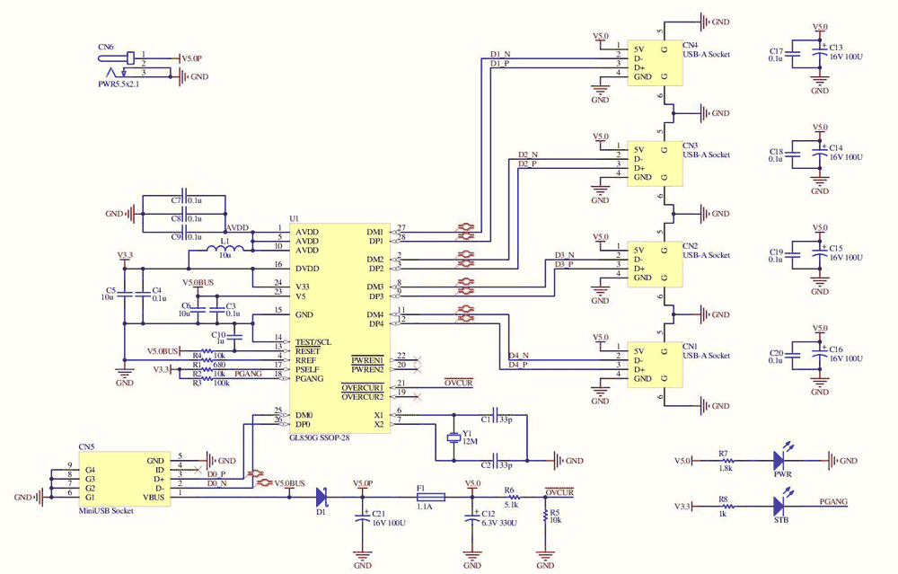
|
Pin |
Pangalan |
Function |
|
1 |
Avdd |
3.3V input ng kapangyarihan ng analog para sa mga analog circuit |
|
2 |
DM2 |
Downstream 2 port data - |
|
3 |
DP2 |
Downstream 2 port data + |
|
4 |
Rref |
Ikonekta ang 680OHMS risistor sa pagitan ng RREF at AGND |
|
5 |
Avdd |
3.3V input ng kapangyarihan ng analog para sa mga analog circuit |
|
6 |
X1 |
12MHz oscillator input |
|
7 |
X2 |
12MHz oscillator input |
|
8 |
DM3 |
Downstream 3 port data - |
|
9 |
DP3 |
Downstream 3 port data + |
|
10 |
Avdd |
3.3V input ng kapangyarihan ng analog para sa mga analog circuit |
|
11 |
DM4 |
Downstream 4 port data - |
|
12 |
DP4 |
Downstream 4 port data + |
|
13 |
I -reset |
Aktibong mababang panlabas na pag -reset |
|
14 |
Pagsubok/SCL |
Ang chip ay nasa mode ng pagsubok kung hinila ang mataas / i2c orasan
output |
|
15 |
Gnd |
Lupa |
|
16 |
DVDD |
3.3V digital power input para sa mga digital circuit, lohika
Antas |
|
17 |
Pelf -Self |
0: Ang GL850G ay pinapagana ng bus, 1: Ang GL850G ay pinapagana ng sarili |
|
18 |
Pgang |
Piliin ang Indibidwal / Gang Mode |
|
19 |
Ovcur2 |
Aktibong mababa sa kasalukuyang tagapagpahiwatig |
|
20 |
Pwren2 |
Aktibong Mababang Power Paganahin ang Output |
|
21 |
Ovcur1 |
Aktibong mababa sa kasalukuyang tagapagpahiwatig |
|
22 |
Pwren1 |
Aktibong Mababang Power Paganahin ang Output |
|
23 |
V5 |
5V hanggang 3.3V regulator input |
|
24 |
V33 |
3.3v output ng regulator |
|
25 |
DM0 |
Upstream port data - |
|
26 |
DP0 |
Upstream port data + |
|
27 |
DM1 |
Downstream 1 port data - |
|
28 |
DP1 |
Downstream 1 port data + |
|
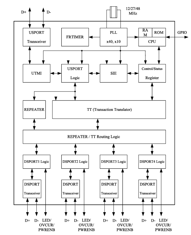
Tampok |
Paglalarawan |
|
Pagtukoy sa USB |
Sumusunod sa USB Pagtukoy sa Pagbabago 2.0;paatras
katugma sa pagtutukoy ng USB 1.1. |
|
Pataas na port |
Sinusuportahan ang parehong high-speed (HS) at full-speed (FS)
trapiko. |
|
Mga port ng agos |
Sinusuportahan ang trapiko ng HS, FS, at mababang-bilis (LS). |
|
Mga tubo |
1 control pipe (endpoint 0, 64-byte data payload);1
Makagambala pipe (endpoint 1, 1-byte payload). |
|
Microprocessor |
On-chip 8-bit microprocessor na may arkitektura na tulad ng RISC
at itinakdang tagubilin ng USB. |
|
Pagganap |
6 mips @ 12 MHz. |
|
Memorya |
64-Byte Ram at 4K Mask Rom. |
|
Na -customize na PID/VID |
Suportado sa pamamagitan ng panlabas na EEPROM/SMBUS. |
|
Ang pagsasaayos ng port ng downstream |
Suportado sa pamamagitan ng panlabas na EEPROM/SMBUS. |
|
Single Transaksyon Translator (STT) |
Nagbabahagi ng parehong lohika ng control ng TT para sa lahat ng port ng agos
Mga aparato (solusyon na epektibo sa gastos). |
|
Pagsasama ng Transceiver |
Pinagsasama ang USB 2.0 transceiver. |
|
Mga driver ng output |
Pinahusay na may kontrol na rate ng pagpatay para sa pagbawas ng EMI. |
|
Pamamahala ng kapangyarihan |
Built-in 5V hanggang 3.3V regulator. |
|
Ang pagtuklas ng power-fail |
Panloob na pagtuklas ng power-fail para sa pagbawi ng ESD. |
|
Pull-up/pull-down resistors |
Built-in upstream 1.5kΩ pull-up;Downstream 15kΩ
Pull-down. |
|
Pll |
Ang built-in na PLL ay sumusuporta sa panlabas na 12 MHz crystal/oscillator
input ng orasan. |
|
Serial risistor |
Naka -embed na serial risistor para sa mga signal ng USB. |
|
Mababang suporta sa kuryente |
Sinusuportahan ang Selective Suspend, LPM L1 (sa pamamagitan ng EEPROM). |
|
Smart power mode |
Sinusuportahan ang mga mode ng indibidwal at gang ng pamamahala ng kuryente
at sobrang deteksyon. |
|
Lakas ng bus |
Naaayon sa mga kinakailangan sa lakas ng bus;awtomatikong paglipat
sa pagitan ng mga mode na pinapagana ng sarili at mga bus na may lakas. |
|
Ang kakayahang umangkop sa pag -configure ng port ng downstream |
Na -configure sa pamamagitan ng SMBUS/EEPROM. |
|
Suporta ng aparato ng tambalan |
I -configure ng I/O Strapping, SMBUS, o EEPROM. |
|
Magagamit na mga pakete |
- 28-pin qfn (5x5 mm) |
|
- 28-pin SSOP (209 mil) |
|
|
- 24-pin qfn (4x4 mm). |
At GL852G
At Fe1.1s
• PL2586


Bilang karagdagan sa Crystal Oscillator at USB port, ang GL850G Ang USB Hub Controller ay nangangailangan ng isang output capacitor upang matiyak ang wastong pag -filter at katatagan ng suplay ng kuryente nito.Bukod dito, ang mga resistor ng pull-up ay kapaki-pakinabang para sa mga pin ng pagsasaayos upang mapanatili ang naaangkop na mga antas ng boltahe at paganahin ang maaasahang operasyon.
Ang GL850G ay nagpapakita ng kakayahang umangkop sa isang malawak na hanay ng mga elektronikong aparato, kabilang ang mga standalone USB hubs, computer, tablet, motherboards, docking station, gaming console, at LCD monitor.Ang pambihirang suporta para sa sopistikadong mga pag -andar ng USB ay nagpayaman sa iyong karanasan sa iba't ibang mga aspeto.
Ang pagsasama ng GL850G sa USB Hubs ay nag -aalok sa iyo ng pinalawak na koneksyon, tinitiyak ang makinis na paglipat ng data at paghahatid ng kuryente, at pag -cater sa pagnanais para sa nabawasan na kalat ng cable at pinahusay na kahusayan sa workspace.Ang pagsasama ng naturang teknolohiya sa pang -araw -araw na kapaligiran ay nagpapahiwatig ng isang paglipat patungo sa mas ergonomic at naka -streamline na mga setting.
Para sa mga computer at tablet, ang GL850G chip ay nag-optimize ng mga rate ng paglilipat ng data, pagpapahusay ng pagganap ng aparato sa hinihingi ang mga aplikasyon at mabibigat na data.Ang nasabing pagsasama ay pinangangalagaan ang potensyal para sa mas mahusay na multitasking at pagiging epektibo sa pagpapatakbo.Madalas mong mahahanap na ang bahagyang pagpapabuti sa paghahatid ng data ay maaaring makaapekto sa kanilang karanasan at kasiyahan.
Kapag inilalapat sa mga motherboards, ang GL850G chipset fine-tunes na komunikasyon sa mga sangkap, pagpapalakas ng pagtugon sa sistema at kahusayan.Sinusuportahan ka ng pag-optimize na ito sa pagpapanatili ng mga operasyon na may mataas na pagganap, na nakikinabang sa parehong personal na paggamit at propesyonal na mga kapaligiran kung saan ang maaasahang pagganap ay lubos na pinahahalagahan.
Sa mga istasyon ng docking, ang GL850G ay gumaganap ng isang aktibong papel sa pagpapalawak ng koneksyon at pagpapagana ng sabay -sabay na mga koneksyon sa peripheral.Ang makabagong ito ay tumutugon sa pangangailangan para sa nababaluktot na mga lugar ng trabaho sa pamamagitan ng epektibong pag -uugnay sa mga portable na aparato na may komprehensibong mga pagsasaayos ng desktop.
Ang paggamit ng chipset sa gaming console ay nagsisiguro ng palitan ng data ng likido at suporta sa peripheral, na nagpayaman sa iyong pakikipag -ugnayan.Ang pokus na ito sa pagganap ay nakahanay sa mga inaasahan ng consumer para sa walang tahi na mga pakikipagsapalaran sa paglalaro, kung saan kahit na ang mga maliliit na pagpapahusay ay maaaring magkaroon ng isang kamangha -manghang epekto.
Ang pagsasama ng GL850G sa monitor ng LCD ay nagpapadali sa mahusay na operasyon ng mga port ng USB, na nagtataguyod ng mga mas malinis na pag -setup at pag -alis ng pangangailangan para sa labis na adaptor.Ang mga pagsulong na ito ay nakahanay sa isang mas malalim na kamalayan ng kung paano ang visual na kalinawan at koneksyon ay mapalakas ang pagiging produktibo at kasiyahan.

Mangyaring magpadala ng isang pagtatanong, tutugon kami kaagad.
sa 2024/12/17
sa 2024/12/17
sa 8000/04/18 147757
sa 2000/04/18 111936
sa 1600/04/18 111349
sa 0400/04/18 83721
sa 1970/01/1 79508
sa 1970/01/1 66905
sa 1970/01/1 63035
sa 1970/01/1 63012
sa 1970/01/1 54081
sa 1970/01/1 52125