
Ang pag -andar ng bawat inverter sa 74LS04 ay upang baligtarin ang logic state ng signal ng pag -input, paglilipat nito mula sa mataas hanggang mababa o mababa hanggang mataas.Ang operasyon na ito ay gumaganap ng isang dynamic na papel sa disenyo ng elektronikong circuit, na nakakaimpluwensya sa parehong mga analog at digital na aplikasyon sa pamamagitan ng pagpapagana ng maraming nalalaman na pagmamanipula ng signal at mahusay na pagproseso ng data.
Sa mga elektronikong sistema, karamihan sa loob ng mga digital na circuit, 74LS04 inverters ay nagpapalabas ng mga lohikal na operasyon.Ang mga inverters na ito ay ginagamit upang bumuo ng hindi mga pintuan, pinadali ang pagpapatupad ng masalimuot na mga pag -andar ng lohika.Bukod dito, maaari silang mai -configure upang makabuo ng mga advanced na logic gate tulad ng NAND at NOR, sa gayon ay nagpapalawak ng mga kakayahan sa computational.Sa mga sistema ng analog, ang 74LS04 ay makabuluhang nag -aambag upang mag -signal ng integridad at paghuhubog ng ingay.Sa pamamagitan ng pag -iikot ng mga signal, ang mga sangkap na ito ay tumutulong sa pag -synchronize at paglalagay sa loob ng mga circuit circuit.Ang pakikipag -ugnay na ito ay binabawasan ang mga pagkakaiba -iba ng tiyempo at nagpapahusay ng kalinawan ng signal, na nakakataas ng pangkalahatang pagganap.




|
Tampok |
Pagtukoy |
|
Saklaw ng supply ng boltahe |
+4.75V hanggang +5.25V |
|
Pinakamataas na ibinibigay na boltahe |
+7v |
|
Pinakamataas na output kasalukuyang bawat gate |
8ma |
|
Mga output ng TTL |
Walang lead |
|
Maximum na oras ng pagtaas |
15ns |
|
Maximum na oras ng taglagas |
15ns |
|
Saklaw ng temperatura ng operating |
0 ° C hanggang 70 ° C. |

|
Parameter |
SN54S04 |
SN74S04 |
Unit |
||||
|
Min nom |
Max |
Min nom |
Max |
||||
|
Boltahe ng supply ng VCC |
4.5 |
5 |
5.5 |
4.75 |
5 |
5.25 |
V |
|
VIH mataas na antas ng pag-input
boltahe |
2 |
2 |
V |
||||
|
Vil low-level input
boltahe |
0.8 |
0.8 |
V |
||||
|
IOH Mataas na antas
output kasalukuyang |
-1 |
-1 |
Ma |
||||
|
IOL low-level output
Kasalukuyan |
20 |
20 |
Ma |
||||
|
TA Operating
temperatura |
-55 |
125 |
0 |
70 |
° C. |
||
|
Bahagi ng bahagi |
Paglalarawan |
Tagagawa |
|
Gd54ls04logic |
Inverter, LS Series, 6-FUNC, 1-input, TTL, PDIP14 |
Goldstar Electron Co Ltd |
|
SN74LS04NLOGIC |
Inverter, LS Series, 6-FUNC, 1-input, TTL, PDIP14, 646-06 |
Mga produktong Motorola Semiconductor |
|
SN74LS04N-00LOGIC |
LS Series, hex 1-input invert gate, pdip14, package-14 |
Rochester Electronics LLC |
|
SN74LS04JLOGIC |
Hex Inverters 14-CDIP 0 hanggang 70 |
Mga instrumento sa Texas |
|
M38510/30003Scalogic |
Inverter, LS Series, 6-FUNC, 1-input, TTL, CDIP14,
Ceramic, Dip-14 |
Signetics |
|
74LS04alogic |
Serye ng ic ls, hex 1-input invert gate, pdip14, gate |
NXP Semiconductors |
|
Gd74ls04logic |
Inverter, TTL, PDIP14 |
LG Semicon Co Ltd |
|
GD74LS04JLOGIC |
Inverter, LS Series, 6-FUNC, 1-input, TTL, CDIP14 |
Goldstar Electron Co Ltd |
|
HD74LS04PLOGIC |
Inverter, LS Series, 6-FUNC, 1-input, TTL, PDIP14, DP-14 |
Hitachi Ltd |
|
M38510/30003BCalogic |
Inverter, LS Series, 6-FUNC, 1-input, TTL, CDIP14,
Ceramic, Dip-14 |
Mga produktong Motorola Semiconductor |
Narito ang impormasyong ipinakita sa isang format ng mesa para sa Raytheon Semiconductor 74ls04n.
|
I -type |
Parameter |
|
Code ng JESD-609 |
E0 |
|
Pagtatapos ng terminal |
Lata/lead (sn/pb) |
|
Temperatura ng rurok ng rurok (° C) |
Hindi tinukoy |
|
Oras @ Peak Reflow Temperatura (MAX) |
Hindi tinukoy |
|
Katayuan ng ROHS |
Ang sumusunod na hindi rohs |
Ang 74LS04, isang hex inverter, ay nakakahanap ng iba't ibang mga aplikasyon sa mga logic circuit sa pamamagitan ng pagbibigay ng pag -iikot ng signal.Ginagamit ito upang lumikha ng masalimuot na mga pag -andar ng lohika, pagpapahusay ng daloy ng mga operasyon sa loob ng mga digital na circuit.Maaari kang umasa sa sangkap na ito upang pamahalaan ang mga antas ng signal, tinitiyak ang tumpak na tiyempo at pagkakasunud -sunod, na kapaki -pakinabang sa mga praktikal na aplikasyon.
Sa disenyo ng server, ang 74LS04 ay nagtatrabaho para sa signal conditioning at pagbabago, paghawak ng mga digital na signal upang matiyak ang maayos na pagproseso ng data at nabawasan ang latency.Ang sangkap na ito ay mahalaga para sa mga circuit ng pamamahala ng kuryente sa loob ng mga server, lalo na sa mga sentro ng data ng high-traffic kung saan ang pag-asa at kahusayan ay nauna.
Sa mga digital na instrumento, ang 74LS04 ay mahalaga para sa pag -stabilize ng mga input ng signal at output, na nag -aambag sa tumpak at mapagkakatiwalaang mga pagsukat.Ito ay gumaganap ng isang malaking papel sa mga aparato na nangangailangan ng mataas na katumpakan, tulad ng mga oscilloscope at multimeter, na sumusuporta sa kanilang pare -pareho na pagganap sa aktwal na mga sitwasyon.
Sa mga sistema ng networking, ang 74LS04 ay nag -aambag sa pagpapahusay ng signal at pagbawas ng ingay.Ito ay isinama sa mga protocol ng paghahatid ng data upang mapanindigan ang integridad at kahusayan ng data, lalo na nakikinabang ang mga kapaligiran kung saan ang pag -maximize ng throughput at pag -minimize ng mga error ay may mataas na pag -aalala.

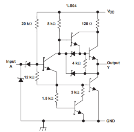
Ang 74LS04 ay naglalaman ng anim na magkahiwalay na mga pintuan, bawat isa ay gumaganap ng pag -andar ng logic invert.Ang mga signal ng output ay direktang kabaligtaran sa kani -kanilang mga signal ng pag -input.Ang inverter ay binabaligtad ang phase signal ng input sa pamamagitan ng 180 degree.Natagpuan ng circuit na ito ang application nito sa iba't ibang mga sistema ng analog, kabilang ang mga audio amplifier at orasan ng orasan.Ang mga inverters ay malawak na ginagamit sa disenyo ng electronic circuit, na humuhubog sa pag -andar na may katumpakan at kakayahang umangkop.
Mangyaring magpadala ng isang pagtatanong, tutugon kami kaagad.
sa 2024/10/24
sa 2024/10/24
sa 8000/04/18 147757
sa 2000/04/18 111936
sa 1600/04/18 111349
sa 0400/04/18 83721
sa 1970/01/1 79508
sa 1970/01/1 66905
sa 1970/01/1 63033
sa 1970/01/1 63012
sa 1970/01/1 54081
sa 1970/01/1 52125