




Ang Atmega16u2 ay isang 8-bit microcontroller na kilala para sa mababang pagkonsumo ng kuryente at kakayahang umangkop dahil sa AVR na pinahusay na arkitektura ng RISC.Pinapayagan ng disenyo na ito ang mga kumplikadong tagubilin na maproseso sa loob ng isang solong pag -ikot ng orasan, na nagpapagana ng kahanga -hangang pagganap na maaaring umabot ng humigit -kumulang na 1 MIP bawat MHz.Ang balanse ng kahusayan ng kapangyarihan at bilis ng pagproseso ay nagpapadali sa magkakaibang mga aplikasyon, lalo na kung saan ang pag -minimize ng paggamit ng enerhiya ay isang priyoridad.
Ang paggalugad ng arkitektura nang higit pa, ang kakayahan ng AVR para sa pagpapatupad ng single-cycle na pagtuturo ay nagbibigay-daan sa iyo upang magsulat ng lubos na mahusay na code.Pinapatunayan nito ang kapaki-pakinabang sa mga konteksto na humihiling ng mabilis na paggawa ng desisyon, tulad ng mga naka-embed na sistema ng automotiko o aktwal na mga kontrol.Ang pagiging simple ng set ng pagtuturo ay hindi lamang nagpapalakas ng pagganap ngunit pinapagaan din ang proseso ng programming.Dahil dito, madalas kang makaranas ng isang mas mapapamahalaan na curve ng pag -aaral na may ATMEGA16U2, pinabilis ang bilis ng pagbabago at paglikha.
Narito ang talahanayan na nagtatanghal ng mga teknikal na pagtutukoy, katangian, at mga parameter para sa teknolohiyang microchip Atmega16u2-au.
|
I -type |
Parameter |
|
Oras ng tingga ng pabrika |
10 linggo |
|
Makipag -ugnay sa kalupkop |
Lata |
|
Bundok |
Surface Mount |
|
Uri ng pag -mount |
Surface Mount |
|
Package / Kaso |
32-tqfp |
|
Bilang ng mga pin |
32 |
|
Bilang ng I/OS |
22 |
|
Mga timer ng tagapagbantay |
Oo |
|
Temperatura ng pagpapatakbo |
-40 ° C ~ 85 ° C (TA) |
|
Packaging |
Tray |
|
Serye |
AVR® Atmega |
|
Nai -publish |
2007 |
|
Code ng JESD-609 |
E3 |
|
PBFree code |
Oo |
|
Bahagi ng Bahagi |
Aktibo |
|
Antas ng Sensitivity ng kahalumigmigan (MSL) |
3 (168 oras) |
|
Bilang ng mga pagtatapos |
32 |
|
Posisyon ng terminal |
Quad |
|
Form ng terminal |
Gull Wing |
|
Temperatura ng rurok ng rurok (° C) |
260 |
|
Supply boltahe |
5v |
|
Terminal pitch |
0.8mm |
|
Kadalasan |
16MHz |
|
Oras @ peak reflow temp (s) |
40 |
|
BASE PART NUMBER |
Atmega16u2 |
|
Katayuan ng kwalipikasyon |
Hindi kwalipikado |
|
Interface |
SPI, Serial, UART, Usart, USB |
|
Laki ng memorya |
16kb |
|
Uri ng Oscillator |
Panloob |
|
Laki ng RAM |
512 x 8 |
|
Boltahe - Supply (VCC/VDD) |
2.7V ~ 5.5V |
|
UPS/UCS/Peripheral ICS Type |
Microcontroller, risc |
|
Pangunahing processor |
Avr |
|
Peripheral |
Brown-out detect/reset, por, pwm, wdt |
|
Uri ng memorya ng programa |
Flash |
|
Laki ng pangunahing |
8-bit |
|
Laki ng memorya ng programa |
16kb (8k x 16) |
|
Pagkakakonekta |
SPI, UART/Usart, USB |
|
Bit size |
8 |
|
May ADC |
Hindi |
|
DMA Channels |
Hindi |
|
Lapad ng Bus ng Data |
8B |
|
DAC Channels |
Hindi |
|
Bilang ng mga timer/counter |
2 |
|
Laki ng eeprom |
512 x 8 |
|
Bilang ng mga channel ng PWM |
5 |
|
Bilang ng mga channel ng SPI |
1 |
|
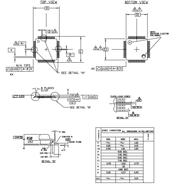
Taas |
1.05mm |
|
Haba |
7mm |
|
Lapad |
7mm |
|
Abutin ang SVHC |
Walang SVHC |
|
Katayuan ng ROHS |
Sumunod ang ROHS3 |
|
Libre ang Lead |
Libre ang Lead |
|
Bahagi ng bahagi |
Atmega16u2-au |
AT90USB162-16AUR |
Atmega8u2-au |
Atmega8u2-Aur |
|
Tagagawa |
Teknolohiya ng Microchip |
Teknolohiya ng Microchip |
Teknolohiya ng Microchip |
Teknolohiya ng Microchip |
|
Package / Kaso |
32-tqfp |
32-tqfp |
32-tqfp |
32-tqfp |
|
Bilang ng mga pin |
32 |
32 |
32 |
32 |
|
Lapad ng Bus ng Data |
8 b |
8 b |
8 b |
8 b |
|
Bilang ng I/O. |
22 |
22 |
22 |
22 |
|
Interface |
SPI, Serial, UART, Usart, USB |
SPI, UART, Usart, USB |
EBI/EMI, SPI, UART, Usart, USB |
EBI/EMI, SPI, UART, Usart, USB |
|
Laki ng memorya |
16 KB |
8 KB |
16 KB |
8 KB |
|
Supply boltahe |
5 v |
5 v |
4.5 v |
- |
|
Peripheral |
Brown-out detect/reset, power-on reset, Programmable I/O. |
Brown-out detect/reset, power-on reset, programmable I/O. |
Brown-out detect/reset, power-on reset, Programmable I/O. |
Brown-out detect/reset, power-on reset, Programmable I/O. |
|
Tampok
Kategorya |
Mga detalye |
|
Core
|
Mataas na Pagganap, Mababang Power AVR® 8-bit Microcontroller |
|
Arkitektura |
Advanced na arkitektura ng RISC |
|
- 125 malakas na tagubilin - karamihan sa solong pag -ikot ng orasan
Pagpapatupad |
|
|
- 32 x 8 Pangkalahatang Layunin ng Paggawa ng Rehistro |
|
|
- Ganap na static na operasyon |
|
|
- Hanggang sa 16 mips throughput sa 16 MHz |
|
|
Memorya |
-8k/16k/32k byte ng in-system na self-programmable flash |
|
- 512/512/1024 EEPROM |
|
|
- 512/512/1024 Panloob na SRAM |
|
|
- Sumulat/Burahin ang Mga Siklo: 10,000 Flash/100,000 EEPROM |
|
|
- Pagpapanatili ng data: 20 taon sa 85 ° C / 100 taon sa 25 ° C |
|
|
- Opsyonal na seksyon ng boot code na may independiyenteng mga lock bits |
|
|
-In-system programming ng On-Chip Boot Program |
|
|
-Tunay na operasyon na basahin-habang isinulat |
|
|
- Programming lock para sa seguridad ng software |
|
|
USB module |
- USB 2.0 Full-Speed Device Module |
|
- Sumusunod nang lubusan sa Universal Serial Bus Specification
Rev 2.0 |
|
|
- 48 MHz PLL para sa full-speed bus operation (12 mbit/s) |
|
|
- 176 byte USB DPRAM para sa paglalaan ng memorya ng endpoint |
|
|
- endpoint 0 para sa mga paglilipat ng control (8 hanggang 64 byte) |
|
|
- 4 na mga naka -program na pagtatapos |
|
|
- sa o labas ng mga direksyon |
|
|
- bulk, makagambala, at mga paglilipat ng isochronous |
|
|
- Programmable maximum na laki ng packet (8 hanggang 64 byte) |
|
|
- Programmable solong o dobleng buffer |
|
|
- suspindihin/ipagpatuloy ang mga pagkagambala |
|
|
- I -reset ang Microcontroller sa USB Bus Reset |
|
|
- USB Bus Disconnection sa Microcontroller Request |
|
|
Mga tampok na peripheral |
- Isang 8-bit timer/counter na may hiwalay na prescaler at
Paghambingin ang mode (dalawang 8-bit na mga channel ng PWM) |
|
- Isang 16-bit timer/counter na may prescaler, ihambing at
Capture Mode (tatlong 8-bit na PWM channel) |
|
|
- Usart na may SPI Master-only mode at daloy ng hardware
Kontrol (RTS/CTS) |
|
|
- Master/Slave SPI Serial Interface |
|
|
- Programmable Watchdog Timer na may hiwalay na on-chip
Oscillator |
|
|
- On-Chip Analog Comparator |
|
|
- Makagambala at gumising sa pagbabago ng pin |
|
|
Pag -debug |
On-Chip Debug Interface (Debugwire) |
|
Mga espesyal na tampok |
-Power-on Reset at Programmable Brown-Out Detection |
|
- Panloob na Calibrated Oscillator |
|
|
- Panlabas at panloob na makagambala na mga mapagkukunan |
|
|
-Limang mga mode ng pagtulog: idle, power-save, power-down,
Standby, at pinalawak na standby |
|
|
Ako/O at mga pakete |
- 22 Mga Programmable I/O Lines |
|
- qfn32 (5x5mm) / TQFP32 packages |
|
|
Operating boltahe |
2.7 - 5.5V |
|
Temperatura ng pagpapatakbo |
Pang-industriya (-40 ° C hanggang +85 ° C) |
|
Maximum na dalas |
- 8 MHz sa 2.7V (pang -industriya na saklaw) |
|
- 16 MHz sa 4.5V (pang -industriya na saklaw) |

Ang ATMEGA16U2 microcontroller ay nakatayo para sa kamangha -manghang kahusayan ng kuryente, na naghahatid ng mataas na pag -andar habang kumokonsumo ng kaunting enerhiya.Ang kalidad na ito ay ginagawang angkop na angkop para sa mga portable at baterya na pinatatakbo ng baterya, na nakatutustos sa mga nagpapahalaga sa kahabaan ng buhay at kaginhawaan.Itinayo sa teknolohiyang memorya ng paggupit, naglalayong ang microcontroller para sa pinakamainam na pagganap na may diin sa pagbabawas ng hindi kinakailangang pagkawala ng kuryente.Ang nasabing tampok ay kadalasang nakakaakit para sa mga aplikasyon na nangangailangan ng pagtitiis na operasyon, na nagpapahintulot sa mga aparato na gumana sa mahabang panahon nang walang abala ng madalas na pag -recharging o pagbabago ng mga mapagkukunan ng kuryente.
Ang suporta para sa pag-unlad na hinihimok ng komunidad ay nagdaragdag ng isa pang nakakahimok na layer sa mga pakinabang ng ATMEGA16U2.Nilagyan ng isang matatag na bootloader, pinapayagan ng system ang mga walang tahi na pag -update sa mga aplikasyon, tinitiyak na ang patuloy na operasyon ay hindi nababagabag.Ang isang masiglang pandaigdigang pamayanan ay naglalabas ng isang malawak na ekosistema ng mga aklatan ng software at mga tool sa pag -unlad, na nagpapabilis sa proseso ng prototyping at ang pag -rollout ng mga makabagong solusyon.Ang pakikipagtulungan sa kapaligiran na ito ay nagpapalaki sa pagpapalitan ng kaalaman at mga mapagkukunan, na nagbibigay ng pang -araw -araw na pang -unawa na nagpayaman at magpataas ng pag -unlad ng aplikasyon.
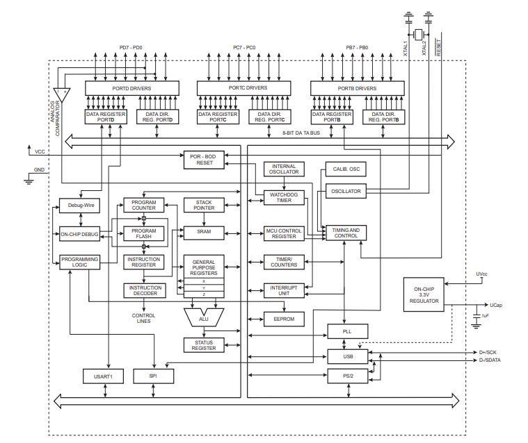
Sa core ng ATMEGA16U2 ay namamalagi ang isang integrated RISC CPU sa tabi ng memorya ng ISP flash, na nagbibigay ito ng isang hindi katumbas na kagalingan na nakasalalay sa isang malawak na hanay ng mga naka -embed na system.Ang pagsasama na ito ay nagbibigay kapangyarihan sa microcontroller upang magsagawa ng mga kumplikadong gawain sa computing habang tinitiyak ang prangka na pagprograma at pagpapatupad.Ang arkitektura ay partikular na idinisenyo upang pamahalaan ang mga operasyon na hinihingi ng computationally at multitasking, na gumaganap ng isang dynamic na papel sa iba't ibang mga aplikasyon - na nagpapahiwatig mula sa mga elektronikong consumer na nagpapaganda ng pang -araw -araw na karanasan sa pang -industriya na automation na nagtutulak ng kahusayan at pagiging produktibo sa workforce.

Ang Microchip Technology Inc. ay lumitaw bilang isang kilalang puwersa sa mga naka -embed na solusyon sa control, na sumasalamin sa isang dedikasyon sa pagbabago na lampas sa malawak na pagpili ng mga tool at handog sa pag -unlad.Ipinagmamalaki ng samahan ang isang matibay na imprastraktura na idinisenyo para sa mga naka -streamline na proseso ng disenyo, na epektibong mapadali ang pagpapatupad ng mga produkto sa iba't ibang mga sektor.Ang pagpapatakbo mula sa punong tanggapan nito sa Chandler, Arizona, Microchip ay buong kapurihan na naghahain ng higit sa 120,000 mga kliyente sa buong mundo, na binibigyang diin ang malaking impluwensya at reputasyon sa maraming mga industriya.
Ang tanawin ng naka -embed na kontrol ay nagbago nang labis, na may mga makabagong negosyo tulad ng microchip na nangunguna sa singil sa mga teknolohikal na hakbang na ito.Ang kanilang magkakaibang portfolio ay sumasaklaw sa mga microcontroller pati na rin ang isang malawak na pagpili ng mga peripheral, lahat ay naglalayong mapalaki ang pangkalahatang mga kakayahan ng system.Ang mayamang koleksyon na ito ay nagbibigay kapangyarihan sa iyo upang ipasadya ang mga solusyon na naaayon sa kanilang mga tiyak na pangangailangan, na naglalagay ng paraan para sa pagbuo ng mga aplikasyon na sumasaklaw sa isang malawak na spectrum - mula sa mga elektronikong consumer hanggang sa pang -industriya na automation.
Mangyaring magpadala ng isang pagtatanong, tutugon kami kaagad.
Ang ATMEGA16U2 ay isang mababang lakas, 8-bit CMOS microcontroller na itinayo sa arkitektura ng AVR na pinahusay na RISC.Ang disenyo na ito ay tiyak na ginawa upang ma -maximize ang kahusayan ng kuryente at bilis ng pagproseso, nakamit ang malapit sa 1 MIPS bawat MHz.Ang arkitektura nito ay nagbibigay ng sarili sa maraming nalalaman na mga aplikasyon sa iba't ibang mga patlang, mula sa mga naka -embed na sistema sa mga aparato ng IoT.Kapansin-pansin, ang mahusay na pagkonsumo ng kapangyarihan ng ATMEGA16U2 ay gumaganap ng malaking papel sa pagpapahaba ng buhay ng mga aparato na pinatatakbo ng baterya.Ang interplay sa pagitan ng pagganap at lakas ng kahusayan ng salamin ay mas malawak na mga uso sa teknolohiya ng microcontroller, kung saan ang layunin ay upang mabawasan ang paggamit ng enerhiya nang hindi nakompromiso sa bilis.Ang balanse na ito ay maaaring makaimpluwensya sa mga modernong kasanayan sa disenyo, lalo na sa mga tuntunin ng pagpapanatili.
Nagtatampok ang aparato ng 32 pin na nakatuon sa isang malawak na hanay ng mga pag -andar ng input/output.Ang mga pin na ito ay aktibong interface para sa pag -link ng microcontroller sa iba pang mga sangkap, kabilang ang mga sensor at actuators.Ang pagkakaroon ng isang mahusay na naisip na pagsasaayos ng PIN ay maaaring makabuluhang mapahusay ang disenyo ng mga kumplikadong sistema, na humahantong sa mas mahusay na kahusayan sa pagpapatakbo.Halimbawa, ang estratehikong paglalaan ng pin ay nagbibigay -daan para sa walang tahi na multitasking at pinalalaki ang pangkalahatang pagtugon ng system.Ipinapakita ng karanasan na ang pagtuon sa mga asignatura sa PIN nang maaga sa proseso ng pag -unlad ay maaaring maiwasan ang mga potensyal na mga hadlang sa disenyo, na binibigyang diin ang pag -iisip na pagpaplano sa panahon ng pagpapatupad ng proyekto.
Ang ATMEGA16U2 ay suportado ng isang magkakaibang koleksyon ng mga tool sa pag-unlad, na kinabibilangan ng mga C compiler, debugger, in-circuit emulators, at mga pagsusuri sa mga kit na tumutulong sa pag-unlad ng programa at sistema.Ang paggamit ng mga mapagkukunang ito ay maaaring mapabilis ang timeline ng pag -unlad at mapalakas ang pagiging produktibo, pag -aalaga ng isang diskarte sa disenyo ng iterative.Kapansin -pansin ang praktikal na paggamit ng mga tool na ito sa pag -debug at pag -optimize ng code, isang diskarte na napatunayan na ginamit para sa pamamahala ng mga intricacy ng naka -embed na programming.Ang synergy ng mga mapagkukunan ng software at hardware ay binibigyang diin ang isang komprehensibong diskarte sa pag -unlad, kung saan ang paggamit ng malawak na mga toolet ay humahantong sa mga makabagong at epektibong solusyon.Ang pagyakap sa gayong mga kasanayan ay maaaring mapalalim ang pag -unawa sa pagganap ng system at magbibigay daan para sa mga pagsulong sa hinaharap sa disenyo ng teknolohiya.
sa 2024/11/15
sa 2024/11/15
sa 8000/04/18 147757
sa 2000/04/18 111936
sa 1600/04/18 111349
sa 0400/04/18 83721
sa 1970/01/1 79508
sa 1970/01/1 66905
sa 1970/01/1 63035
sa 1970/01/1 63012
sa 1970/01/1 54081
sa 1970/01/1 52125