

|
Numero ng pin |
Pangalan ng pin |
Paglalarawan |
|
1 |
Gain (-rg) |
Ang pag -iikot ng terminal ng pagkakakonekta sa risistor upang magtakda ng pakinabang
Halaga |
|
2 |
Inverting input (in-) |
Ang inverting input pin ng op-amp |
|
3 |
Non-Inverting Input (In+) |
Ang non-inverting input pin ng amplifier |
|
4 |
Kapangyarihan (-vs) |
Negatibong terminal ng supply |
|
5 |
Sanggunian |
Input ng sanggunian ng output.Karaniwang konektado sa karaniwan |
|
6 |
Output |
Amplifier output pin |
|
7 |
Power (+vs) |
Positibong terminal ng supply |
|
8 |
Makakuha (+RG) |
Non-inverting gain terminal na konektado sa risistor upang itakda
makakuha ng halaga |
|
Tampok/Pagtukoy |
Mga detalye |
|
I -type |
Rail-to-riles na amplifier |
|
Supply boltahe |
Nagpapatakbo na may solong at dalawahan na boltahe ng supply |
|
Operating kasalukuyang (max) |
550 µA |
|
Makakuha ng saklaw |
1 hanggang 1000 |
|
Bandwidth |
800 kHz |
|
Makakuha ng setting |
Itakda ang pakinabang na may isang risistor lamang |
|
Mga pagpipilian sa pakete |
8-pin PDIP, SOIC, at VSSOP |
At INA333
At LM4871
At AD620
• IC6283
At JRC4558
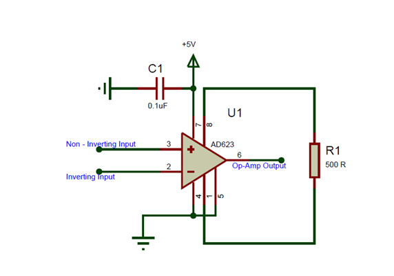
Pag -set up ng AD623 ay isang medyo prangka na proseso, pangunahin na kinasasangkutan ng pagpili ng isang risistor upang tukuyin ang pakinabang nito.Ang pagiging simple na ito ay isa sa mga nakakaakit na aspeto ng AD623, na ginagawa itong madaling lapitan para sa iyo.Ang isang tipikal na pagsasaayos ay sumasama sa pagkonekta sa IC sa isang solong +5V na supply ng kuryente habang ang grounding pin 4. Sa mga senaryo na nangangailangan ng dalawahang mga pagsasaayos ng supply, ang PIN 4 ay dapat kumonekta sa isang negatibong boltahe, sa gayon pinalawak ang hanay ng mga aplikasyon sa pagproseso ng signal.

Ang mga signal ng pag-input ay inilalapat sa hindi pag-iikot (pin 2) at pag-iikot (pin 3) pin, habang ang sangguniang pin (pin 5) ay madalas na saligan.Tinitiyak ng grounding na ito na ang output boltahe ay nakahanay nang tama kapag walang pagkakaiba sa pagitan ng mga signal ng pag -input, sa gayon ang pag -minimize ng mga potensyal na pagkakamali sa interpretasyon ng signal.Ang pagsasanay na ito ay sumasaklaw sa isang tunay na prinsipyo sa disenyo ng circuit: ang pagpapanatili ng isang matatag na punto ng sanggunian ay pabago -bago para sa tumpak na mga sukat at maaasahang pagganap.
Ang pag-aayos ng pakinabang ng AD623 ay nakamit sa pamamagitan ng paglalagay ng isang risistor sa pagitan ng PIN 8 (RG) at pin 1. Halimbawa, ang paggamit ng isang 500-ohm risistor ay nagreresulta sa isang pakinabang na 100. Ang kakayahang umangkop sa pagkakaroon ng pagsasaayos ay nagbibigay kapangyarihan sa iyo upang ipasadya ang pagganap ng ICUpang matugunan ang mga tiyak na pangangailangan ng aplikasyon.

Bilang karagdagan, maaari mong kalkulahin ang pakinabang gamit ang isang ibinigay na pormula o sangguniang tsart, na akomodasyon ng iba't ibang mga halaga ng risistor.Ang ganitong kakayahang umangkop ay nagpapatunay na kapaki -pakinabang sa aktwal na mga sitwasyon kung saan ang mga antas ng signal ay maaaring magbago nang malaki.
|
1% na halaga ng talahanayan ng STD ng RG (ω) |
Kinakalkula na pakinabang |
0.1% Halaga ng talahanayan ng STD ng RG
(Ω) |
Kinakalkula na pakinabang |
|
49.9k |
1.990 |
49.3k |
2.002 |
|
12.4k |
4.984 |
12.4k |
4.984 |
|
5.49k |
9.998 |
5.49k |
9.998 |
|
2.61k |
19.93 |
2.61k |
19.93 |
|
1.00k |
50.40 |
1.01k |
49.91 |
|
499 |
100 |
499 |
100.0 |
|
249 |
199.4 |
249 |
199.4 |
|
100 |
495 |
98.8 |
501.0 |
|
49.9 |
991 |
49.3 |
1,003 |
Ang AD623 ay pambihirang angkop para sa isang magkakaibang hanay ng mga aplikasyon na sensitibo sa kuryente.Ang utility nito ay sumasaklaw sa pag-calibrate at kagamitan sa pagsubok, mababang lakas na medikal na instrumento, mga amplifier ng kaugalian, mga sistema ng pagkuha ng data, at mga sistema ng proseso ng kontrol.Ang disenyo ng AD623 ay binibigyang diin ang parehong kahusayan at katumpakan, na ginagawa itong isang pinapaboran na pagpipilian sa mga senaryo kung saan ang mga katangiang ito ay makabuluhang nakakaapekto sa pagganap.
Sa loob ng mga kapaligiran ng pagkakalibrate at pagsubok, ang mga mababang katangian ng ingay ng AD623 at mataas na kawastuhan ay nakatayo bilang malubhang pakinabang.Ang mga tampok na ito ay nagbibigay -daan sa tumpak na mga sukat na gumaganap ng isang pabago -bagong papel sa pagpapatunay ng pagiging maaasahan ng iba't ibang mga instrumento.Halimbawa, sa panahon ng pag -calibrate ng sensor, ang pagpapanatili ng integridad ng signal habang binabawasan ang pagkonsumo ng kuryente ay mas epektibo at napapanatiling mga kasanayan sa pagsubok.Ang aspetong ito ay humahawak ng partikular na kabuluhan sa mga laboratoryo, kung saan ang kagamitan ay madalas na ginagamit, at ang kahusayan ng enerhiya ay maaaring humantong sa malaking pagbawas sa mga gastos sa pagpapatakbo.
Ang sektor ng medikal ay lalong naghahanap ng mga aparato na naghahatid ng tumpak na pagbabasa habang kumokonsumo ng kaunting lakas.Ang AD623 ay epektibong tinutugunan ang hinihiling na ito sa pamamagitan ng pagbibigay ng pagkonsumo ng mababang kapangyarihan nang hindi sinasakripisyo ang pagganap.Sa mga aplikasyon tulad ng portable diagnostic na kagamitan at masusuot na monitor ng kalusugan, ang kapasidad na gumana nang mahusay sa limitadong mga mapagkukunan ng kuryente ay nagpapabuti sa kadaliang kumilos at ginhawa ng pasyente.Bukod dito, ang pagsasama ng naturang teknolohiya sa regular na pagsubaybay sa kalusugan ay maaaring makabuluhang mapabuti ang mga resulta ng pasyente, dahil ang pare -pareho na pagsubaybay ay nagiging mas magagawa at maa -access.
Sa mga senaryo na nangangailangan ng pagsukat ng mga maliliit na signal sa gitna ng ingay, ang mga pagkakaiba -iba ng mga amplifier ay may malaking papel.Ang AD623 ay higit sa domain na ito, na nag-aalok ng pambihirang karaniwang mode na pagtanggi at mataas na impedance ng input.Tinitiyak ng mga katangiang ito na ang amplifier ay maaaring tumpak na magproseso ng mga signal mula sa iba't ibang mga mapagkukunan, kabilang ang mga gauge ng pilay at mga sensor ng temperatura, na karaniwang ginagamit sa mga konteksto ng pang -industriya at pananaliksik.Sa pamamagitan ng pagsasama ng AD623, maaari kang lumikha ng mga system na hindi lamang mapahusay ang pagiging maaasahan ngunit naghahatid din ng tumpak na data sa mapaghamong mga kapaligiran.
Ang AD623 ay pangunahing sa mga sistema ng pagkuha ng data, na pinadali ang tumpak na koleksyon at pagproseso ng mga signal ng analog.Ang mahusay na operasyon nito sa mababang lakas ay ginagawang angkop para sa mga aparato na pinatatakbo ng baterya, na kung saan ay lalong laganap sa mga aplikasyon ng remote na pagsubaybay.Ang pagsasanib ng mga naturang sistema na may advanced na data analytics ay maaaring magbunga ng mas kaalamang paggawa ng desisyon, lalo na sa mga patlang tulad ng pagsubaybay sa kapaligiran at matalinong agrikultura.Ang mga pananaw na nagmula sa mga sistemang ito ay maaaring mag -spark ng mga pagbabago at pagpapabuti sa iba't ibang mga sektor.
Sa mga sistema ng proseso ng control, ang mga katangian ng AD623 ay nagbibigay -daan sa pagtugon at tumpak na pamamahala ng proseso.Ang kakayahang ito ay lalo na ginagamit sa automation at pang -industriya na aplikasyon kung saan nangingibabaw ang pagproseso ng data.Ang mababang pagkonsumo ng lakas ng amplifier ay nag -aambag sa pangkalahatang kahusayan ng mga sistema ng kontrol, na nagpapahintulot sa mga napapanatiling operasyon.Habang ang mga industriya ay patuloy na nagpatibay ng automation, ang kahalagahan ng mahusay at tumpak na mga sangkap tulad ng AD623 ay magiging susi sa pagmamaneho ng mga pagsulong at pagpapahusay ng mga kakayahan sa pagpapatakbo.

Mangyaring magpadala ng isang pagtatanong, tutugon kami kaagad.
sa 2024/12/26
sa 2024/12/26
sa 8000/04/18 147757
sa 2000/04/18 111936
sa 1600/04/18 111349
sa 0400/04/18 83721
sa 1970/01/1 79508
sa 1970/01/1 66905
sa 1970/01/1 63033
sa 1970/01/1 63012
sa 1970/01/1 54081
sa 1970/01/1 52125