
Ang SN74HC14N May hawak na isang iginagalang na lugar sa digital electronics dahil sa kakayahang umangkop sa pagbibigay ng mga kakayahan ng hex inverter na kasama ng mga input ng Schmitt-trigger.Ang integrated circuit na ito ay naglalagay ng anim na natatanging mga inverters sa isang solong chip, na nagpapadali sa isang malawak na spectrum ng mga aplikasyon sa magkakaibang mga teknolohikal na arena.Ang pagsasama ng mga pag-input ng Schmitt-trigger ay makabuluhang AIDS sa pagtiyak ng pare-pareho at maaasahan na mga paglipat ng antas ng lohika.Ang mga input na ito ay naglalaro ng panghuli papel sa pagbabawas ng ingay at pagpapahusay ng katapatan ng signal, na ginagawang lubos na kapaki -pakinabang ang SN74HC14N sa mga kapaligiran na madaling makagambala o pagbabagu -bago sa mga boltahe ng input.
Ang pakinabang ng pagkakaroon ng mga inverters na may mga katangian ng Schmitt-trigger ay nakapaloob sa kanilang katumpakan sa panahon ng mapaghamong mga kondisyon.Halimbawa, sa mga sitwasyon kung saan ang mga signal ng pag -input ay kumalas dahil sa mga impluwensya sa kapaligiran, ang kalidad ng hysteresis ay nagsisilbing isang nagpapatatag na buffer.Ang pagpapaandar na ito ay madalas na ginagamit sa mga aparato na humihiling ng patuloy na kalinawan ng signal, tulad ng mga oscillator o debounce circuit.Bukod dito, madalas kang nakasalalay sa tibay ng SN74HC14N para sa mga gawain kung saan maaaring makikibaka ang iba pang mga inverters.Ang mga aktwal na karanasan ay nagmumungkahi na ang pagsasama ng Schmitt ay nag -trigger sa mga arkitektura ng disenyo na makabuluhang binabawasan ang posibilidad ng maling pag -unawa ng signal, na binibigyang diin ang pagiging epektibo nito sa masalimuot na mga circuit.
Ang matagumpay na pagpapatupad ng SN74HC14N ay nangangailangan ng maingat na pagsusuri sa mga de -koryenteng mga parameter upang mapagtanto ang buong kakayahan nito.Ito ay madalas na nakamit sa pamamagitan ng epektibong paggamit ng mga lakas na nakakainis nito, isang taktika na karaniwang pinagtibay.Ang pag -andar ng hysteresis ay kapaki -pakinabang sa mga proseso ng paglipat ng paglipat, tinitiyak ang mga circuit na gumana nang walang biglaang mga paglilipat na sanhi ng mga lumilipas na kaguluhan.Maaari kang madalas na mag -gravitate patungo sa tampok na ito upang palakasin ang pagiging maaasahan ng pagpapatakbo ng kanilang mga system.




|
Tampok |
Paglalarawan |
|
Flushed input |
Tinitiyak ang matatag at maaasahang mga paglilipat ng pag -input. |
|
Saklaw ng Operating Boltahe |
Malawak na saklaw mula sa 2V hanggang 6V para sa maraming nalalaman mga aplikasyon. |
|
Saklaw ng temperatura ng operating |
Sinusuportahan ang operasyon sa matinding mga kondisyon: -40 ° C hanggang +85 ° C. |
|
Suporta ng Fanout |
Maaaring magmaneho ng hanggang sa 10 LSTTL na naglo -load. |
|
Pag -iimpok ng Power |
Nag -aalok ng makabuluhang pag -iimpok ng kuryente kumpara sa lohika ng LSTTL
ICS. |
|
I -type |
Parameter |
|
Katayuan ng Lifecycle |
Aktibo (huling na -update: 3 araw na ang nakakaraan) |
|
Oras ng tingga ng pabrika |
12 linggo |
|
Makipag -ugnay sa kalupkop |
Ginto |
|
Bundok |
Sa pamamagitan ng butas |
|
Uri ng pag -mount |
Sa pamamagitan ng butas |
|
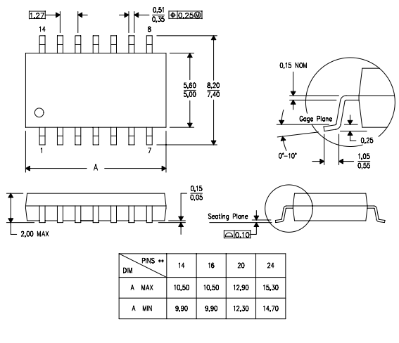
Package / Kaso |
14-dip (0.300, 7.62mm) |
|
Bilang ng mga pin |
14 |
|
Timbang |
927.99329mg |
|
Logic level-high |
1.5V ~ 4.2V |
|
Logic level-low |
0.3V ~ 1.2V |
|
Temperatura ng pagpapatakbo |
-40 ° C ~ 85 ° C. |
|
Packaging |
Tube |
|
Serye |
74HC |
|
Code ng JESD-609 |
E3 |
|
Bahagi ng Bahagi |
Aktibo |
|
Antas ng Sensitivity ng kahalumigmigan (MSL) |
1 (walang limitasyong) |
|
Bilang ng mga pagtatapos |
14 |
|
Code ng ECCN |
EAR99 |
|
Pagtatapos ng terminal |
Matte Tin (SN) |
|
HTS Code |
8542.39.00.01 |
|
Boltahe - Supply |
2V ~ 6V |
|
Posisyon ng terminal |
Dual |
|
Bilang ng mga pag -andar |
6 |
|
Supply boltahe |
5v |
|
Terminal pitch |
2.54mm |
|
BASE PART NUMBER |
74HC14 |
|
Bilangin ng pin |
14 |
|
Max output kasalukuyang |
5.2MA |
|
Operating Supply Voltage |
5v |
|
Supply Voltage-Max (VSUP) |
6v |
|
Bilang ng mga channel |
6
|
|
I -load ang kapasidad |
50pf |
|
Output kasalukuyang |
5.2MA |
|
Pagkaantala ng pagpapalaganap |
21 ns |
|
Quiescent kasalukuyang |
2μA |
|
I -on ang oras ng pagkaantala |
155 ns |
|
Pamilya |
HC/UH |
|
Pag -andar ng Logic |
Buffer, Inverter, Schmitt Trigger |
|
Uri ng lohika |
Inverter |
|
Max I (OL) |
0.004 a |
|
Max Propagation Delay @ V, Max Cl |
21ns @ 6v, 50pf |
|
Prop. DELENCH @ nom-sup |
31 ns |
|
Power Supply Current-Max (ICC) |
0.02mA |
|
Min Supply Voltage (DC) |
2v |
|
Schmitt trigger input |
Oo |
|
Mga tampok |
Schmitt Trigger |
|
Taas |
5.08mm |
|
Haba |
19.3mm |
|
Lapad |
6.35mm |
|
Kapal |
3.9mm |
|
Abutin ang SVHC |
Walang SVHC |
|
Radiation Hardening |
Hindi |
|
Katayuan ng ROHS |
Sumunod ang ROHS3 |
|
Libre ang Lead |
Libre ang Lead |
|
Bahagi ng bahagi |
Tagagawa |
Package / Kaso |
Bilang ng mga pin |
Pag -andar ng Logic |
Pagkaantala ng pagpapalaganap |
Min supply boltahe |
Supply boltahe |
Quiescent kasalukuyang |
Teknolohiya |
|
SN74HC14N |
Mga instrumento sa Texas |
14-dip (0.300, 7.62mm) |
14 |
Buffer, Inverter, Schmitt |
21 ns |
2 v |
5 v |
2 µA |
CMOS |
|
SN74HC04N |
Mga instrumento sa Texas |
14-dip (0.300, 7.62mm) |
14 |
- |
16 ns |
2 v |
5 v |
2 µA |
CMOS |
|
CD74HCU04E |
Mga instrumento sa Texas |
14-dip (0.300, 7.62mm) |
14 |
- |
12 ns |
- |
4.5 v |
2 µA |
CMOS |
|
Sn74ahc04n |
Mga instrumento sa Texas |
14-dip (0.300, 7.62mm) |
14 |
- |
13 ns |
- |
3.3 v |
2 µA |
CMOS |
|
MC74HCU04ANG |
Sa semiconductor |
14-dip (0.300, 7.62mm) |
14 |
- |
12 ns |
- |
3 v |
1 µA |
CMOS |
Sa mundo ng mga digital system, ang SN74HC14N ay nagsisilbing isang pundasyon para sa pagkamit ng tumpak na pamamahala ng pag -input ng orasan, na nagpapabuti sa pagganap sa mga microcontroller at mga sistema ng computing sa pamamagitan ng pag -stabilize ng tiyempo.Ito ay dalubhasa na nag -synchronize ng mga digital circuit, na tumutulong upang maiwasan ang mga pagkakaiba -iba ng tiyempo, na binabawasan ang panganib ng mga pagkakamali ng data.
Pagdating sa paglipat ng kontrol, ang SN74HC14N ay nagliliyab sa mga oras ng pagtugon ng mabilis at kakayahang mabawasan ang bounce ng signal, isang kilalang isyu na may mga mekanikal na switch.Ang pagpapatupad ng IC na ito sa mga electronic circuit ng consumer ay humahantong sa mga interface na mas maaasahan, tinitiyak ang mahusay na pagkilala sa pag -input na sumasalamin sa iyong mga inaasahan.
Ang IC na ito ay ipinagdiriwang para sa mga digital signal inversion na kakayahan, na nag -aalok ng maraming kakayahan sa mga kumplikadong circuit sa pamamagitan ng pag -iikot ng hindi kanais -nais na mga estado ng lohika, isang pamamaraan na laganap sa mga sistema ng komunikasyon upang ihanay ang mga pangangailangan ng signal.Halimbawa, sa networking hardware, ang matagumpay na pag -iikot ng signal ay nagpapabuti sa pagiging tugma sa iba't ibang mga sangkap, sa gayon pinasimple ang pagsasama at pagpapalakas ng pagkakaisa sa loob ng magkakaibang mga pag -setup.
Nagpapakita ng kasanayan sa signal conditioning, tinitiyak ng SN74HC14N ang integridad ng mga elektronikong komunikasyon sa pamamagitan ng pagpino ng mga signal ng pag -input upang mabawasan ang jitter at maiwasan ang mga surge na kung hindi man ay malulutas ang mga pagpapadala ng data.Ang katapangan nito sa pag -filter ng ingay ay nagpapatunay na kapaki -pakinabang sa mga kapaligiran na nasaktan ng panghihimasok sa electromagnetic, karamihan sa pang -industriya na automation, kung saan ang pagpapanatili ng pagiging maaasahan ay isang malalim na pangako.
Sa mga digital na logic frameworks, ang SN74HC14N ay nagpapadali sa paglilipat ng antas, pagtugon sa mga pagkakaiba-iba ng boltahe sa pagitan ng mga sangkap, na aktibo sa mga halo-halong sistema ng boltahe upang matiyak ang makinis na interoperability.Ang nasabing antas ng paglilipat ay nakatutulong sa mga robotics, kung saan itinataguyod nito ang walang tahi na komunikasyon sa pagitan ng mga sensor at mga yunit ng pagproseso, na naglalagay ng paraan para sa mahusay na pagproseso ng data at maaaring kumilos na mga pananaw.

Mangyaring magpadala ng isang pagtatanong, tutugon kami kaagad.
Ang SN74HC14N ay tumatakbo nang maayos sa loob ng isang span ng boltahe ng supply ng power na 2 hanggang 6 volts.Sinusuportahan nito ang isang output kasalukuyang hanggang sa 6 mA para sa bawat pin habang umaabot sa isang pinagsamang cap ng pakete na 50 mA.Ang malawak na saklaw ng boltahe ay tumutugma sa maraming mga digital system, na nagpapahintulot para sa malawak na kakayahang umangkop.Isinasaalang-alang ang kasalukuyang mga limitasyon ay aktibo sa pagpupulong ng circuit upang maiwasan ang mga isyu sa pagganap o pinsala sa hardware, karamihan sa mga sitwasyon na hinihingi ang maraming mga output ng signal na may mataas na antas.
Natagpuan ng SN74HC14N ang lugar nito sa mga digital na setting para sa signal conditioning, pagbawas ng ingay, pagmamanipula ng alon, at mga gawain sa paglipat ng antas.Ang integrated circuit na ito ay gumaganap din ng isang papel sa mga microcontroller, mga pag -setup ng komunikasyon sa digital, at mga robotics, pati na rin ang iba pang mga pangkalahatang sangkap na logic.Maaari mong madalas na magamit ang mga pag-input ng Schmitt-trigger upang pigilan ang kawalang-tatag ng signal sa mga mabibigat na kapaligiran.Ang kontribusyon nito sa pagpapanatili ng pagiging maaasahan ng signal ay kapansin -pansin sa mga awtomatikong solusyon.Ang pagguhit mula sa mga personal na pananaw sa digital engineering, ang pag -unawa kung paano ang mga pagtutukoy ng IC ay nakahanay sa proyekto ay nangangailangan ng paglikha ng mga adept electronic system.
sa 2024/11/16
sa 2024/11/15
sa 8000/04/18 147757
sa 2000/04/18 111935
sa 1600/04/18 111349
sa 0400/04/18 83719
sa 1970/01/1 79508
sa 1970/01/1 66904
sa 1970/01/1 63028
sa 1970/01/1 63012
sa 1970/01/1 54081
sa 1970/01/1 52123