
Ang 74LS08 Ang integrated circuit ay sumasaklaw sa apat na magkahiwalay at mga pintuan, bawat isa ay may dalawang input, na gumagamit ng mga transistor ng Schottky upang mapadali ang mabilis na mga operasyon ng lohika.Maraming madalas na pumili ng 74LS08 para sa mga digital system, kung saan ang mabilis na tugon at kahusayan sa pagmamaneho ng kahusayan.Sinusuportahan ng disenyo nito ang mga pag -andar ng lohika sa pag -compute at komunikasyon, na nagpapahintulot na ma -optimize ang pagganap sa isang spectrum ng mga kumplikadong circuit.Ang pagsasama ng 74LS08 ay nangangailangan ng nuanced na pagpaplano.Dapat mong tiyakin na mahusay ito sa iba pang mga sangkap, isinasaalang -alang ang mga elemento tulad ng integridad ng signal at kahusayan ng kapangyarihan.Ang mga hamon ay madalas na nagpapaliwanag ng mga aspeto na ito, na may mahusay na pag-aayos ng kanilang mga diskarte upang matugunan ang mga ito nang epektibo.Ang 74LS08 ay nagpayaman sa pagproseso ng lohika na may bilis at maaasahang pag -andar.Ang maalalahanin na pagsasama nito ay maaaring magtaas ng mga kakayahan sa circuit, na naglalagay ng teknolohikal na disenyo.Ang mga pananaw mula sa mga kaugnay na modelo ay higit na nagpapaganda ng mga resulta, na nagpapakita ng pagkakaugnay ng mga teknolohiyang ito.
• 74LS73
• 74LS00
• 74LS02
• 74LS04
• 74LS138
• SN54LS08
• IC 7408
• HEF4081

|
Numero ng pin |
Paglalarawan |
|
At Gate 1 |
|
|
1 |
A1-input1 ng gate 1 |
|
2 |
B1-input2 ng gate 1 |
|
3 |
Y1-output ng GATE1 |
|
At Gate 2 |
|
|
4 |
A2-input1 ng gate 2 |
|
5 |
B2-input2 ng gate 2 |
|
6 |
Y2-output ng GATE2 |
|
At Gate 3 |
|
|
9 |
A3-input1 ng gate 3 |
|
10 |
B3-input2 ng gate 3 |
|
8 |
Y3-output ng GATE3 |
|
At gate 4 |
|
|
12 |
A4-input1 ng gate 4 |
|
13 |
B4-input2 ng gate 4 |
|
11 |
Y4-output ng GATE4 |
|
Ibinahaging mga terminal |
|
|
7 |
GND-konektado sa lupa |
|
14 |
Ang VCC-konektado sa isang positibong boltahe upang magbigay ng kapangyarihan sa
Lahat ng apat na pintuan |


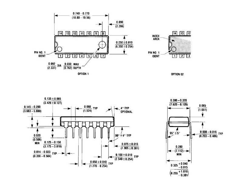
Mga teknikal na pagtutukoy, katangian, at mga parameter ng Signetics Corp 74LS08, kabilang ang mga bahagi na may maihahambing na mga pagtutukoy sa 74LS08N.
|
I -type |
Parameter |
|
Surface Mount |
Hindi |
|
HTS Code |
8542.39.00.01 |
|
Form ng terminal |
Sa pamamagitan ng hole |
|
Supply boltahe |
5v |
|
Katayuan ng kwalipikasyon |
Hindi kwalipikado |
|
Supply Voltage-Max (VSUP) |
5.25v |
|
Supply Voltage-Min (VSUP) |
4.75V |
|
Bilang ng mga input |
2 |
|
Pag -antala ng pagpapalaganap (TPD) |
20 ns |
|
Bilang ng mga terminal |
14 |
|
Posisyon ng terminal |
Dual |
|
Bilang ng mga pag -andar |
4 |
|
JESD-30 code |
R-PDIP-T14 |
|
Temperatura ng operating (max) |
70 ° C. |
|
Grado ng temperatura |
Komersyal |
|
Pamilya |
Ls |
|
Uri ng Logic IC |
At gate |
Ang 74LS08 ay nagpapatakbo nang walang putol sa isang 5V supply, pagguhit ng kaunting lakas.Ang katangiang ito ay nagpapabuti sa apela nito para sa mga disenyo na pinatatakbo ng baterya, kung saan ang pag-iingat ng enerhiya ay susi sa pagpapahaba ng buhay ng aparato.Bilang karagdagan, ang limitadong mga pantulong na gumuhit ng kuryente sa pagpapanatili ng mas mababang temperatura, kapaki -pakinabang sa mga compact na pag -aayos ng circuit.
Ang bawat gate ay maaaring maghatid ng hanggang sa 8mA, sapat na kapangyarihan ang iba't ibang mga TTL logic circuit.Tinitiyak ng kasalukuyang kapasidad na ito ang pagiging tugma sa magkakaibang mga sangkap na digital.Sa disenyo ng system, mabuti na pamahalaan ang bawat gate sa loob ng kasalukuyang threshold na ito upang maiwasan ang hindi kinakailangang pagsusuot at pangalagaan ang tibay ng IC.
Ang pagtatanghal ng pagtaas at pagbagsak ng oras sa paligid ng 18ns, ang 74LS08 ay nababagay sa mga aplikasyon na nangangailangan ng katamtamang bilis.Ang mga tiyempo ay nagtatampok ng mga digital na proyekto kung saan kinakailangan ang mga oras ng reaksyon ng mabilis nang walang pagbubuwis ng mga kakayahan sa high-speed.Ang pagpapahalaga sa balanse na ito, dahil nagbibigay ito ng matatag na pag -andar nang walang labis na labis na mga bahagi.
Ang IC ay sapat na matatag upang mapaglabanan ang mga temperatura ng imbakan mula -65 ° C hanggang 150 ° C.Ang malawak na saklaw na ito ay nagpapahiwatig ng pagiging matatag ng 74LS08 sa panahon ng pag -iimbak at pagbibiyahe sa iba't ibang mga kapaligiran, binabawasan ang panganib ng pinsala.Nakikinabang ito sa mga tagagawa at distributor na nakikibahagi sa pandaigdigang logistik, pag -iwas sa mga hamon sa imbakan sa iba't ibang mga klima.
Natagpuan ng 74LS08 ang sarili sa gitna ng disenyo ng digital circuit, na madalas na nagsisilbing isang sangkap sa masalimuot na mga sistema ng lohika.Ang pare-pareho na pagiging maaasahan at bilis ay ginagawang maayos para sa mga aplikasyon tulad ng mga circuit ng tiyempo, flip-flops, at iba't ibang mga pagsasaayos ng lohika.Ang maaasahan na pagganap sa mga praktikal na senaryo ay nagpapabuti sa kahusayan ng disenyo ng circuit at pagpapatupad.
Sa mga kapaligiran ng server, ang 74LS08 ay gumaganap ng isang papel sa pagdidirekta ng daloy ng data at pamamahala ng mga signal ng kontrol.Ang kasanayan nito sa pagpapatupad at lohika na operasyon ay nagpapadali sa walang putol na pagproseso at komunikasyon sa mga sangkap, na itinampok ang papel nito sa pagpapanatili ng integridad ng pagpapatakbo at pagiging matatag ng system sa panahon ng mabibigat na naglo -load.
Sa loob ng mga arkitektura ng memorya, ang 74LS08 ay tungkulin sa pagkontrol sa pag -access upang matiyak ang pagkakapare -pareho ng data.Ang matatag na mga kakayahan ng lohika ay namamahala sa mga operasyon na basahin/isulat, na bumubuo ng isang matatag na base para sa pagtugon sa memorya at pagpapatunay ng data.Ang mga application na ito ay nagpapakita ng papel nito sa pagpapabuti ng integridad ng data at pagiging epektibo ng system.
Sa lupain ng ALUS, ang 74LS08 ay tumutulong sa pagpapatupad ng mga operasyon sa matematika at pagmamanipula ng data.Sa mabilis na mga kakayahan sa paglipat, nagbibigay -daan sa mabilis na operasyon ng lohika, na nag -aambag sa epektibong pagproseso ng aritmetika.Ang mga tampok na ito ay nagpapakita ng kontribusyon nito sa pag -optimize ng mga gawain sa computational at pagpapalakas ng bilis ng pagproseso.
Ang 74LS08 ay madalas na ginagamit para sa prangka at lohika na mga gawain sa iba't ibang mga electronic circuit.Ang disenyo ng Schottky nito ay nagpapaliit sa paglipat ng mga pagkaantala, na ginagawang angkop para sa mga high-speed application na nangangailangan ng mabilis na pagproseso ng lohika.Ang kakayahang umangkop na ito ay nagpapakita ng kakayahang umangkop sa magkakaibang mga aplikasyon ng elektronik.
Ang malawak na aplikasyon ng 74LS08 IC ay nagtatampok ng kakayahang magamit sa modernong teknolohiya.Sa pamamagitan ng walang putol na pagsasama sa iba't ibang mga system, pinadali nito ang mahusay at maaasahang operasyon sa maraming sektor.Ang matatag na pagganap nito sa magkakaibang mga setting ay sumasalamin sa isang malalim na pag -unawa sa mga prinsipyo ng elektronikong disenyo.

Ang 74LS08 IC ay gumaganap ng isang papel sa mga digital na logic system, na kahusayan sa pagpapatupad at operasyon.Sa pamamagitan ng isang kakayahang mag -kapangyarihan ng maraming mga pintuan nang sabay -sabay, lubos itong pinahahalagahan sa mga setting kung saan ang mabilis na pagtugon at pagiging mapagkakatiwalaan ay sumasalamin nang malalim.Ang paggamit ng teknolohiyang Schottky Transistor, ang 74LS08 ay nagniningning sa paghahatid ng pagproseso ng Swift, na kung saan ay isang pangunahing bahagi ng modernong digital circuitry.Ang mga transistor ng Schottky ay nagdadala ng isang pagpapahusay sa pamamagitan ng pagputol ng pagkaantala sa pagpapalaganap.Ang mga system na humihiling ng mabilis na operasyon ay umunlad sa disenyo na ito, dahil marumi itong binabawasan ang latency na tipikal ng mga tradisyunal na gate ng lohika.Ang mabilis na pagtugon na ito ay nag -apela sa mga aplikasyon na sumasaklaw sa mga gawain sa computational sa pagproseso ng data.
Ang 74LS08 ay nakakahanap ng malawak na paggamit sa mga sektor ng computing at automation.Ito ay kilalang itinampok sa mga data router at mga yunit ng pagproseso ng signal, isang testamento sa matatag na karakter nito.Maraming mga opt para sa IC na ito kapag ang paggawa ng mga circuit na umunlad sa matatag na pagganap, tinitiyak ang kahusayan kahit na tinutuya ang hinihingi na mga karga sa trabaho.Ang walang tahi na pagsasama ng 74LS08 sa masalimuot na mga circuit ay nagtatampok ng kakayahang magamit nito.Ang mga modular na sistema ay nakakakuha ng malaki habang sinusuportahan ng IC ang pagpapalawak nang walang pag -draining ng labis na kapangyarihan.Ang kakayahang umangkop na ito ay nagtataguyod ng mga makabagong solusyon sa circuit, na nagpapahintulot sa mga pagbabago sa disenyo ng mga pagtutukoy nang walang kahirap -hirap, nang hindi kinakailangang palitan ang mga umiiral na sangkap.
Ang isang mahusay na naisip na diskarte sa paggamit ng 74LS08 ay nagsasangkot ng factoring sa mga diskarte sa pamamahala ng thermal.Ibinigay ang pag-iwas sa init na nakatali sa mga operasyon na may mataas na bilis, na nagpapakilala ng mga angkop na mekanismo ng paglamig para sa pagtataguyod ng pangmatagalang pagiging maaasahan.Ang nasabing pananaw sa disenyo ay nagpapabuti sa pagganap at nagpapalawak ng buhay ng system, na nakahanay sa karunungan ng circuit.Ang 74LS08 at GATE ay nakikilala ang sarili sa disenyo ng digital na lohika na may bilis at kakayahang umangkop.Ang pagkakahawak ng mga kakayahan nito ay nagpapabuti sa application nito, na ginagawa itong isang ginustong pagpipilian sa maraming mga advanced na setting ng teknolohikal.

Itinatag noong 1961, ang kumpanya ay nagsimula bilang Signetics, isang trailblazer sa integrated circuit rebolusyon, na hinimok ng isang walang tigil na pagtugis ng pagbabago.Ang naka -bold na diskarte na ito ay nagpukaw ng kanilang pagkuha ni Philips, na nagmamarka ng isang yugto ng pabago -bagong paglaki.Ang pagsasama sa Philips ay nagpalawak ng kanilang pag -abot sa teknolohiya at pinatibay ang kanilang paninindigan bilang mga payunir sa mga elektronikong pagsulong, na pinapayagan silang galugarin ang mga bagong abot -tanaw.Ang mga kontribusyon ng kumpanya ay nagtatampok ng masiglang ebolusyon ng larangan ng elektronika.Ang kanilang mga makabagong hakbang ay may malawak na epekto sa maraming mga sektor, na nagpapahiwatig ng isang hinaharap ng teknolohiya na magkasama sa kanilang mga pagsulong.Sa pamamagitan ng pag -aalaga ng isang kultura ng patuloy na pagpapahusay, hindi lamang sila umangkop ngunit aktibong hinuhubog ang pagbabago ng tanawin ng electronics.Ang matatag na pangako sa pag -unlad ay kumikilos bilang isang katalista para sa malalim na paglilipat ng industriya.Ang pagbabagong -anyo mula sa Signetics hanggang sa kanilang kasalukuyang form sa ilalim ng NXP ay kumakatawan sa isang pambihirang Odyssey ng pagkamalikhain at pagiging matatag.
Ang 74LS08 ay nagpapatakbo bilang isang digital at logic gate processor, nagtatrabaho sa dalawang estado ng pag-input: mataas (3-5V) at mababa (0-2.6V).Ito ay gumaganap ng isang papel sa pagsasagawa ng mga lohikal na pangatnig sa loob ng mga digital na circuit, maayos na pagsasagawa ng mga lohikal na operasyon sa mga gawain sa computational.Ang matatag na presensya nito sa mga digital na elektroniko ay nagpapakita ng isang malalim na pag-upo na pagiging maaasahan sa mga sitwasyon na nangangailangan ng tumpak na lohikal na mga resulta.
Nagtatampok ang chip ng apat na 2-input at mga pintuan, na pinalakas ng isang solong supply, na ginawa upang mahawakan ang magkakaibang mga pag-andar.Tinitiyak ng istraktura na ito ang walang tahi na kakayahang umangkop sa iba't ibang mga pangangailangan ng circuit, pinasimple ang mga disenyo at pagbabawas ng paggamit ng kuryente.Ang pagsasama ng maraming mga pintuan sa loob ng isang chip ay sumasalamin sa isang maalalahanin na diskarte upang i -streamline ang paglikha ng circuit habang iniiwasan ang mga hadlang sa pagsasama.
Nag -aalok ang serye ng 74LS00 ng pinahusay na bilis at pino na kahusayan, kahit na naghahatid ito ng isang mas mababang kasalukuyang output kumpara sa 7400 serye.Ang pagkakaiba na ito ay gumaganap ng isang papel sa mga senaryo kung saan ang pag -iingat ng kuryente at pagpapalakas ng pagganap.Ang banayad ngunit makabuluhang pagkakaiba -iba sa pagitan ng mga seryeng ito ay nagtatampok ng maalalahanin na mga pagsasaalang -alang sa pagpili ng mga angkop na sangkap ng lohika para sa mga natatanging layunin.
Ang 74LS08 ay gumagamit ng lohika ng TTL na may matatag na 5V na supply, habang ang 74HC08 ay gumagamit ng teknolohiyang CMOS, na akomodasyon ng isang saklaw ng boltahe na 2V hanggang 6V.Ang pagkakaiba sa teknolohiya ay tumutugma sa isang mas malawak na hanay ng mga aplikasyon at mga kondisyon ng kuryente.Ang kakayahang umangkop ng teknolohiya ng CMOS sa 74HC08 ay binibigyang diin ang pagiging kapaki -pakinabang nito sa mga sitwasyon na nangangailangan ng kakayahang umangkop sa pagpapatakbo nang hindi sinasakripisyo ang kahusayan sa pagganap.
Mangyaring magpadala ng isang pagtatanong, tutugon kami kaagad.
sa 2024/10/24
sa 2024/10/24
sa 8000/04/18 147757
sa 2000/04/18 111935
sa 1600/04/18 111349
sa 0400/04/18 83719
sa 1970/01/1 79508
sa 1970/01/1 66904
sa 1970/01/1 63028
sa 1970/01/1 63012
sa 1970/01/1 54081
sa 1970/01/1 52123