
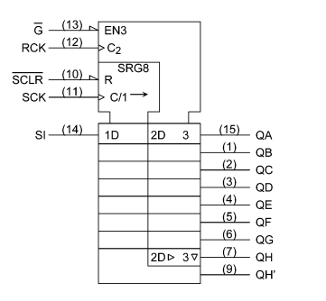
Ang 74HC595D ay isang 8-bit shift rehistro/latch na maingat na binalak gamit ang advanced na teknolohiya ng Silicon Gate C2MOS.Ang sopistikadong disenyo na ito ay nagsisiguro na nagpapatakbo ito sa bilis na katulad ng mga circuit ng LSTTL, pinagsasama ang kahusayan ng kuryente na tipikal ng teknolohiyang CMOS.Kasama sa mga pangunahing sangkap nito ang isang 8-bit static shift rehistro at isang 8-bit na rehistro ng imbakan.Kapag ang input ng SCK ay sumasailalim sa isang positibong paglipat, ang data ay maayos na nagbabago sa rehistro.Bukod dito, sa isang positibong paglipat sa input ng RCK, ang data na ito ay walang putol na paglilipat sa rehistro ng imbakan.
Ang isang kapansin -pansin na tampok ng 74HC595D ay ang paghahati ng mga signal ng RCK at SCK, na makabuluhang nagpapatatag at nagpapanatili ng mga kahanay na output sa buong proseso ng paglilipat.Ito ay lalong kapaki -pakinabang sa mga konteksto na nangangailangan ng kaunting katiwalian ng data at integridad ng mataas na output.Nagtatampok ang aparato ng 3-state parallel output na nagbibigay-daan sa madaling mga koneksyon sa isang 8-bit na bus, pinapahusay ang utility nito sa iba't ibang mga gawain ng serial-to-parallel na conversion.
Maaari kang madalas na lumiko sa 74HC595D para sa isang napakaraming praktikal na aplikasyon, karamihan sa serial-to-parallel na conversion at pagtanggap ng data.Ang disenyo ay nagsasama ng mga mekanismo ng proteksiyon laban sa static na paglabas at lumilipas na mga spike ng boltahe.Tinitiyak nito ang maaasahang pagganap sa iba't ibang mga kapaligiran.Sa disenyo at pagpapatupad ng circuit, ang 74HC595D ay pinupuri para sa kahusayan at katatagan nito, mga katangian na hinahangad para mabawasan ang pagkonsumo ng kuryente habang pinapanatili ang mga kakayahan sa pagproseso ng high-speed data.Ang aspetong ito ay lalong may kaugnayan sa mga modernong elektronika kung saan ang parehong pag -iimpok ng enerhiya at pagganap ay lubos na pinahahalagahan.




|
Tampok |
Paglalarawan |
|
Mataas na bilis |
fmax = 55 MHz (typ.) sa VCC = 5 V |
|
Mababang pagwawaldas ng kuryente |
ICC = 4.0 µA (MAX) sa TA = 25 ° C. |
|
Balanseng pagkaantala ng pagpapalaganap |
tplh ≈ tPhl |
|
Malawak na saklaw ng boltahe ng operating |
VCC (OPR) = 2.0 V hanggang 6.0 v |
|
I -type |
Parameter |
|
Oras ng tingga ng pabrika |
12 linggo |
|
Uri ng pag -mount |
Surface Mount |
|
Package / Kaso |
16-soic (0.154, 3.90mm lapad) |
|
Bilang ng mga elemento |
1 |
|
Temperatura ng pagpapatakbo |
-40 ° C ~ 125 ° C. |
|
Packaging |
Cut Tape (CT) |
|
Serye |
74HC |
|
Bahagi ng Bahagi |
Aktibo |
|
Antas ng Sensitivity ng kahalumigmigan (MSL) |
1 (walang limitasyong) |
|
Boltahe - Supply |
2V ~ 6V |
|
Function |
Serial sa kahanay |
|
Uri ng output |
Tri-State |
|
Uri ng lohika |
Shift Register |
|
Bilang ng mga piraso bawat elemento |
8 |
|
Katayuan ng ROHS |
Sumunod ang ROHS |


|
Bahagi |
Ihambing |
Mga tagagawa |
Kategorya |
Paglalarawan |
|
74HC595D |
Kasalukuyang bahagi |
NXP |
Mga rehistro ng shift |
NXP 74HC595D Shift Register, HC Pamilya, 74HC595, Serial
sa kahanay, serye sa serial, 1element, 8bit, soic |
|
74HC595D, 118 |
74HC595D vs 74HC595D, 118 |
NXP |
Mga rehistro ng shift |
NXP 74HC595D, 118 Shift Register, HC Pamilya, 74HC595,
Serial sa kahanay, serye sa serial, 8element, 8bit, soic |
|
74HC595D-Q100,118
|
74HC595D VS 74HC595D-Q100,118 |
NXP |
Mga rehistro ng shift |
IC Shift Register 8bit 16SOIC |
|
SN74HC595N |
74HC595D VS SN74HC595N |
Ti |
Mga rehistro ng shift |
Shift Register, HC Pamilya, 74HC595, Serial sa kahanay,
1Element, 8bit, dip, 16pins |
Ang 74HC595D ay may perpektong angkop para sa pagkontrol sa mga LED board, lalo na kung tungkulin sa pamamahala ng isang malaking bilang ng mga LED gamit ang isang microcontroller.Ang rehistro ng shift na ito ay nag -stream ng proseso ng multiplexing, sa gayon makabuluhang binabawasan ang bilang ng I/O pin na kinakailangan sa microcontroller.Halimbawa, sa mga kumplikadong mga sistema ng pagpapakita tulad ng mga scoreboards o mga dynamic na mga board ng impormasyon, ang pagsasama ng 74HC595D ay maaaring gawing simple ang pangkalahatang disenyo ng circuit, na ginagawang mas mahusay at mapapamahalaan.
Ang 74HC595D ay mahusay na mga interface na may mga LCD screen sa pamamagitan ng pagbibigay ng mga pangunahing data bits, na nagtatatag ng isang walang tahi na channel ng komunikasyon sa pagitan ng microcontroller at ang pagpapakita.Pinapayagan ng tampok na ito ang mas maayos na pag -update ng nilalaman ng pagpapakita.Ito ay kadalasang kapaki -pakinabang sa mga control panel ng mga pang -industriya machine at electronics ng consumer, kung saan ang malinaw at napapanahong pagpapakita ng impormasyon ay aktibo.Ang pagsasama na ito ay naghihikayat ng mas compact at epektibong disenyo.
Ang 74HC595D ay may kakayahang makontrol ang 5V na naglo-load, tulad ng mga relay, sa pamamagitan ng isang 3.3V microcontroller, dahil sa 3.15V na mataas na antas ng boltahe.Ang katangiang ito ay pangunahing kapaki -pakinabang sa mga kapaligiran na nangangailangan ng maaasahang mga mekanismo ng paglipat sa loob ng mga napipilitang mga sistema ng kuryente.Kasama sa mga praktikal na aplikasyon ang mga sistema ng automation ng bahay at robotics, kung saan ang pamamahala ng mas mataas na mga sangkap ng boltahe mula sa isang mas mababang boltahe na logic circuit ay kapaki -pakinabang para sa makinis at mahusay na operasyon.Ang pagsasama ng 74HC595D ay nagsisiguro ng makinis na mga paglilipat sa pagitan ng iba't ibang mga domain ng boltahe, sa gayon pinapanatili ang integridad ng buong sistema.
Ang isang kilalang lakas ng 74HC595D ay ang papel nito sa pagpapalakas ng pagiging maaasahan at scalability ng mga electronic circuit.Ipinapakita ng karanasan na ang mga rehistro ng shift tulad ng 74HC595D ay makakatulong na mapanatili ang integridad ng signal sa mas mahabang distansya, isang karaniwang kinakailangan sa malakihang pag-install ng LED tulad ng mga sistema ng pag-iilaw ng arkitektura o malawak na mga pampublikong pagpapakita ng impormasyon.Pinasimple din nila ang arkitektura ng disenyo, na ginagawang mas madali upang mapalawak ang bilang ng mga nakokontrol na output na may kaunting mga pagbabago sa hardware, sa gayon tinitiyak na ang system ay nananatiling naaangkop sa mga pangangailangan sa hinaharap.
Ang pagsasama ng 74HC595D sa mga disenyo ng circuit ay nagpapabuti sa pangkalahatang kahusayan ng disenyo at pamamahala ng kuryente.Ang kakayahang isentro ang control ay nagpapadali sa organisadong pamamahagi ng kuryente, na mahalaga sa mga aparato na pinapagana ng baterya kung saan ang pag-iingat ng enerhiya ay isang priyoridad.Ang benepisyo na ito ay nakahanay sa mga kontemporaryong pilosopiya ng disenyo na binibigyang diin ang kaunting pagkonsumo ng kuryente habang pinapalaki ang pagganap, tulad ng nakikita sa masusuot na teknolohiya at portable na mga aparatong medikal.
Ang 74HC595D ay madalas na ginagamit sa mga senaryo kung saan ang data ay kailangang lumipat mula sa isang serial format sa isang kahanay na format.Ang kakayahang ito ay seryoso sa iba't ibang mga digital na aplikasyon na humihiling ng mahusay na pamamahala ng data at pagproseso.Ang mga sistemang batay sa Microcontroller ay madalas na nahaharap sa hamon ng mga limitadong GPIO pin.Sa pamamagitan ng pag -agaw ng 74HC595D, ang mga sistemang ito ay maaaring epektibong makontrol ang isang mas malaking bilang ng mga output na may mas kaunting mga pin ng input, na -optimize ang magagamit na mga mapagkukunan.
Sa mga praktikal na aplikasyon, maaari mong madalas na gamitin ang IC na ito upang magmaneho ng mga LED matrice o pamahalaan ang maraming mga aparato, tulad ng mga relay o pagpapakita ng mga segment.Ang pagpapadala ng data ng serially at pagkatapos ay palawakin ito sa kahanay na mga output ay pinapasimple ang mga kable at binabawasan ang bilang na kinakailangan para sa mga kumplikadong operasyon.Ang paggamit ng 74HC595D ay ipinakita sa pamamagitan ng karanasan upang i -streamline ang disenyo ng hardware, na nagreresulta sa mas compact at mahusay na mga circuit board.
Ang isa pang natatanging aplikasyon ng 74HC595D ay ang papel nito sa mga rehistro ng remote control na may hawak, na kadalasang kapaki -pakinabang sa mga programmable logic controller (PLC) at iba pang mga sistema ng automation ng industriya.Ang aparatong ito ay maaaring mag -imbak ng mga signal ng control, kahit na hindi sila aktibong ipinapadala.Madalas mong matuklasan na ang paggamit ng 74HC595D na may mga remote control system ay nagpapaganda ng pagiging maaasahan at binabawasan ang dalas ng manu -manong interbensyon.Bukod dito, ang mga paghawak ng rehistro ay gumana bilang mga intermediate buffer, pagpapabuti ng integridad ng data sa mga malalayong komunikasyon.Ang pagbabawas ng pangangailangan para sa patuloy na paghahatid ng data nang hindi direktang humahantong sa mas mababang pagkonsumo ng kuryente at pinalalaki ang pangkalahatang kahusayan ng system.

Ang Toshiba Semiconductor & Storage ay nagtatanghal ng isang magkakaibang hanay ng mga solusyon sa teknolohiya na nagpapasigla sa mga orihinal na tagagawa ng kagamitan (OEM), mga orihinal na tagagawa ng disenyo (ODM), mga tagagawa ng kontrata (CMS), at mga kumpanya ng walang kabuluhang chip.Ang mga solusyon na ito ay nagtataguyod ng pag -unlad ng sopistikadong integrated na mga produkto sa maraming mga merkado, kabilang ang computing, networking, komunikasyon, digital consumer electronics, at mga aplikasyon ng automotiko.
Ang mastery ng Toshiba ng semiconductor at teknolohiya ng imbakan ay maliwanag sa iba't ibang mga kontribusyon.Sa pag -compute, ang kanilang mga microprocessors at mga solusyon sa memorya ay nakakatugon sa pangangailangan ng burgeoning para sa mas malakas at mahusay na mga kakayahan sa pag -compute.Sa networking at komunikasyon, tinitiyak ng mga sangkap ng Toshiba ang maaasahan at high-speed data transfer, na ginagamit para sa mga mapanganib na aplikasyon ng modernong imprastraktura.Ang digital na merkado ng consumer ay umunlad sa mga makabagong ideya ng Toshiba, pagpapahusay ng iyong mga karanasan sa pamamagitan ng higit na mahusay na pagganap ng aparato at kahusayan ng enerhiya.Sa loob ng industriya ng automotiko, ang mga semiconductors ng Toshiba ay nagtutulak ng paglipat patungo sa mas matalino at mahusay na mga sasakyan.Ang kanilang mga teknolohiya ay nagbibigay daan para sa mga pagsulong sa mga de-koryenteng sasakyan (EV), mga autonomous na sistema ng pagmamaneho, at libangan sa kotse.Ang mga praktikal na karanasan ay nagpapakita na ang paggamit ng na -optimize na pamamahala ng kapangyarihan ng Toshiba at sensor ay makabuluhang nagpapalawak ng saklaw at pagiging maaasahan ng EV, na ginagawang mas nakakaakit sa mga mamimili at tagagawa.
Ang epekto ni Toshiba ay lalo na malalim sa networking at komunikasyon.Ang kanilang mga high-speed at low-latency na mga sangkap ay kapaki-pakinabang para sa paglikha ng mga susunod na gen na network, karamihan sa drive patungo sa 5G na teknolohiya.Nagbibigay din sila ng mga ginamit na sangkap na matiyak na walang tahi na koneksyon at mataas na data throughput.Binibigyang diin ng feedback ng industriya na ang pagsasama ng mga solusyon sa Toshiba ay kapansin -pansing nagpapabuti sa kahusayan at pagiging maaasahan ng network, na sumusuporta sa magkakaibang mga aplikasyon mula sa pinahusay na mobile broadband sa mga aparato ng Internet of Things (IoT).
Cylindrical Battery Holders.PDF
Ang 74HC595D ay isang integrated circuit na pinagsasama ang isang 8-yugto na serial shift rehistro na may isang rehistro ng imbakan at mga output ng tri-estado.Gumagamit ito ng magkahiwalay na mga orasan para sa mga rehistro ng shift at imbakan, na may data na lumilipat sa positibong gilid ng pag -input ng orasan ng shift (SHCP).Ang pagpapakita ng data mula sa rehistro ng imbakan ay nangyayari kapag ang output ay nagpapagana ng input (OE) ay mababa.
Ang 74HC595D ay nagpapatakbo gamit ang isang serial-in parallel-out (SIPO) protocol.Ang microcontroller ay nagpapadala ng data ng serially sa rehistro ng shift, kasunod na na -output sa pamamagitan ng kahanay na mga pin.Ang bawat chip ay nagbibigay ng walong karagdagang mga pin ng output, na nagpapahintulot sa pinalawak na mga kakayahan sa I/O kapag ginamit nang magkasama.Ang maramihang 74HC595D chips ay maaaring kumonekta sa isang pagsasaayos ng Daisy-chain, na makabuluhang pagtaas ng mga potensyal na pin ng output.Ang kakayahang umangkop na ito ay pangunahing kapaki -pakinabang sa mga proyekto na nangangailangan ng maraming mga signal ng output, tulad ng pagmamaneho ng maraming mga LED o pamamahala ng mga kumplikadong digital na pagpapakita.Ang pag -unawa sa pag -synchronise sa pagitan ng serial data input at mga signal ng orasan ay angkop para sa maaasahang pagganap.Sa maraming mga naka -embed na sistema, ang tumpak na tiyempo ay nagsisiguro ng integridad ng data sa panahon ng mga paglilipat.
Ang pangunahing pagkakaiba ay namamalagi sa mga detalye ng pagba -brand at packaging.Ang 74HC595D's 'D' suffix ay nagpapahiwatig ng isang tiyak na packaging (maliit na balangkas na integrated circuit - SOIC) o saklaw ng temperatura ng operating, na angkop para sa partikular na mga kondisyon sa pagmamanupaktura o kapaligiran.Habang ang 74HC595 ay nagsisilbing pangkaraniwang pangalan, ang mga tagagawa tulad ng mga instrumento sa Texas ay nagpapahiwatig ng kanilang bersyon na may prefix ng 'SN'.Ang pagpili ng naaangkop na packaging, tulad ng 74HC595D, ay maaaring mapabuti ang pagganap ng system at kahabaan ng buhay, lalo na isinasaalang -alang ang mga hadlang sa disenyo tulad ng puwang o kapaligiran sa pagpapatakbo.Ang desisyon na ito ay madalas na gumagamit ng iyong karanasan, pagbabalanse ng mga teknikal na pagtutukoy na may praktikal na mga senaryo ng pagbuo para sa pinaka -epektibong mga kinalabasan.
Mangyaring magpadala ng isang pagtatanong, tutugon kami kaagad.
sa 2024/10/17
sa 2024/10/17
sa 8000/04/18 147757
sa 2000/04/18 111936
sa 1600/04/18 111349
sa 0400/04/18 83721
sa 1970/01/1 79508
sa 1970/01/1 66905
sa 1970/01/1 63031
sa 1970/01/1 63012
sa 1970/01/1 54081
sa 1970/01/1 52125