
Ang isang tipikal na single-digit na 7-segment na display ay may 10 pin.Ang bawat pin ay kumokontrol sa isang tiyak na segment, maliban sa dalawang pin na kumikilos bilang karaniwang mga terminal para sa kapangyarihan.Halimbawa, ang PIN 1 ay kumokonekta sa segment na 'E' (kaliwa sa kaliwa), habang kinokontrol ng pin 2 ang segment na 'D' (ibaba).Ang mga pin 3 at 8 ay ang mga karaniwang terminal alinman sa lahat na konektado sa lupa (karaniwang katod) o kapangyarihan (karaniwang anode).Ang natitirang mga pin ay nagpapagaan ng mga segment na 'C', 'B', 'A', 'F', 'G', at ang punto ng desimal.

Larawan 2. 7-Segment Display PIN Configur
| Numero ng pin | Pangalan ng pin | Paglalarawan |
| 1 | e | Kinokontrol ang kaliwang ilalim na LED ng 7-segment na display |
| 2 | d | Kinokontrol ang ilalim na pinaka-LED ng 7-segment na display |
| 3 | Com | Nakakonekta sa ground/VCC batay sa uri ng pagpapakita |
| 4 | c | Kinokontrol ang kanang ilalim na LED ng 7-segment na display |
| 5 | DP | Kinokontrol ang decimal point na LED ng 7-segment na display |
| 6 | b | Kinokontrol ang tuktok na kanang LED ng 7-segment na display |
| 7 | a | Kinokontrol ang pinakamataas na LED ng 7-segment na display |
| 8 | Com | Nakakonekta sa ground/VCC batay sa uri ng pagpapakita |
| 9 | f | Kinokontrol ang kaliwang kaliwang LED ng 7-segment na display |
| 10 | g | Kinokontrol ang gitnang LED ng 7-segment na display |
At Istraktura ng segment: Ang isang 7-segment na display ay may kasamang pitong lightable bar na nakaayos upang mabuo ang mga numero, na kahawig ng hugis ng isang "8."Ang mga segment na ito ay may label na 'A' sa pamamagitan ng 'G', na may isang opsyonal na ikawalong segment, ang point point (DP), na karaniwang matatagpuan sa kanang ibaba.Sa pamamagitan ng pagsasama -sama ng mga segment na ito sa iba't ibang mga pattern, ang display ay maaaring kumatawan sa mga numero 0-9 at ilang simpleng mga titik tulad ng A -F.Ang prangka na layout na ito ay ginagawang mainam para sa mga numero ng pagpapakita dahil sa kadalian nitong paggamit.
At Ipakita ang teknolohiya: Ang mga pagpapakita na ito ay karaniwang gumagamit ng mga LED, kung saan ang bawat segment ay nag -iilaw kapag ang mga de -koryenteng kasalukuyang dumadaloy dito.Ang mga modelo na batay sa LED ay maliwanag, mahusay ang enerhiya, at nakikita sa iba't ibang mga kondisyon ng pag-iilaw.Ang ilang mga bersyon ay gumagamit ng teknolohiyang LCD, na kumokonsumo ng mas kaunting lakas at mahusay na angkop para sa mga aparato na pinapagana ng baterya, kahit na ang mga LCD ay karaniwang dimmer at hindi gaanong nakikita sa mga maliliwanag na setting.
At Mga Uri ng Pag -configure: Mayroong dalawang pangunahing pamamaraan ng mga kable: Karaniwang Cathode (CC) at Karaniwang Anode (CA).Sa mga pagpapakita ng CC, ang lahat ng mga negatibong terminal ay magkakaugnay, at ang mga segment ay isinaaktibo sa pamamagitan ng pagbibigay ng isang positibong boltahe.Sa mga ipinapakita ng CA, ang lahat ng mga positibong terminal ay konektado, at ang mga segment ay naka -on sa pamamagitan ng saligan ng mga indibidwal na cathode.Ang pagpili ay nakasalalay sa disenyo ng circuit at kung paano hinihimok ang display.
At Representasyon ng character : Bagaman pangunahing dinisenyo para sa mga numero, ang mga pagpapakita na ito ay maaari ring magpakita ng isang limitadong hanay ng mga titik lalo na A hanggang F, na kapaki -pakinabang para sa mga output ng hexadecimal.Dahil sa pagkakaroon lamang ng pitong mga segment, hindi nila tumpak na mabuo ang karamihan sa mga titik o kumplikadong mga simbolo, ngunit sapat na sila para sa mga pangunahing pangangailangan ng alphanumeric.
At Kontrol at interface: Ang bawat segment ay maaaring i -on o i -off nang paisa -isa, madalas na kinokontrol ng microcontroller GPIO pin.Upang gawing simple ang kontrol, ang mga decoder/driver ng IC tulad ng 7447 o CD4511 ay maaaring mag -convert ng mga binary input sa tamang mga kumbinasyon ng segment, na binabawasan ang bilang ng mga koneksyon na kinakailangan.
At Kalamangan: Ang kanilang pangunahing lakas ay may kasamang mababang gastos, kadalian ng kontrol, at kakayahang mabasa.Ang mga uri ng LED ay maliwanag at matibay, habang ang mga variant ng LCD ay nagtataguyod ng kapangyarihan.Ang mga katangiang ito ay ginagawang tanyag sa kanila para sa maraming mga elektronikong aparato, lalo na kung saan sapat ang simpleng numero ng output.
At Mga limitasyon: Ang pinakamalaking disbentaha ay ang limitadong set ng character, hindi nila maipakita ang buong teksto o masalimuot na graphics.Ang mga modelo ng LED ay maaaring magkaroon ng makitid na mga anggulo ng pagtingin, habang ang mga LCD ay maaaring makipaglaban sa kakayahang makita sa maliwanag na ilaw.Ang mga limitasyong ito ay dapat isaalang -alang kapag pumipili ng isang uri ng pagpapakita para sa isang proyekto.
|
Ipakita
I -type |
Paglalarawan |
Kalamangan |
Mga limitasyon |
|
7-segment na nagpapakita |
Pitong mga segment ng LED para sa mga numero
at ilang mga character. |
Napakadaling gamitin |
Nagpapakita lamang ng mga numero at limitadong mga character |
|
DOT matrix display |
Grid ng mga LED (hal., 5x7 o 8x8) na bumubuo ng napapasadyang
mga character at animation. |
Murang at malawak na magagamit |
Hindi angkop para sa teksto o graphics |
|
Mababang pagkonsumo ng kuryente |
Mas kumplikado sa programa |
||
|
Ginamit sa signage, orasan, atbp. |
|||
|
Alphanumeric lcds |
Preformatted LCDS (hal., 16x2, 20x4) na nagpapakita ng mga hilera ng
naayos na laki ng mga character (karaniwang 5x8 DOT format). |
Simple sa interface (karaniwang mga protocol) |
Naayos na laki ng mga character |
|
Mahusay para sa mga menu/status display |
Limitadong mga kakayahan sa graphics |
||
|
Mababasa sa iba't ibang pag -iilaw |
Mas mabagal na pag -refresh kaysa sa mga graphic na display |
||
|
OLED SCREENS |
Ang mga pagpapakita sa sarili na may mataas na kaibahan;Magagamit sa
monochrome o buong kulay. |
Mataas na kaibahan at malawak na mga anggulo ng pagtingin |
Mas mataas na gastos |
|
Payat at magaan |
Mas maiikling lifespan (lalo na ang mga asul na piksel) |
||
|
Mababang lakas kapag nagpapakita ng madilim na nilalaman |
Nangangailangan ng higit pang memorya at pagproseso |
||
|
TFT screen |
Buong kulay, mataas na resolusyon na LCD na may aktibong matrix,
madalas na pinapagana ng touch. |
Mayaman na kulay at detalye |
Mataas na pagkonsumo ng kuryente |
|
Maaaring isama ang touch |
Nangangailangan ng higit pang RAM/pagproseso |
||
|
Tamang -tama para sa mga video, guis, dashboard |
Costlier at kumplikado upang maisama |
Ang operasyon ng isang 7-segment na display ay batay sa pasulong na biasing ang ilaw na naglalabas ng mga diode (LED) sa loob ng bawat segment.Kapag ang isang boltahe ay inilalapat sa tamang direksyon, mula sa anode hanggang sa katod, nag -iilaw ang segment.Ang bawat segment ay maaaring kontrolado nang nakapag -iisa, karaniwang sa pamamagitan ng isang digital output pin microcontroller o isang dalubhasang display driver IC.Natutukoy ng mga Controller kung aling mga segment ang isinaaktibo sa anumang naibigay na oras batay sa nais na character.
Upang maiwasan ang pinsala sa mga LED mula sa labis na kasalukuyang, ang isang kasalukuyang naglilimita sa risistor ay konektado sa serye sa bawat segment.Tinitiyak ng risistor na ito na ang kasalukuyang dumadaloy sa bawat LED ay mananatili sa loob ng isang ligtas na saklaw, na karaniwang nasa paligid ng 20 hanggang 30 milliamperes (MA).Gayunpaman, ang eksaktong halaga ay maaaring mag -iba depende sa uri ng LED na ginamit at ang kinakailangang ningning.Mayroong dalawang pangunahing mga mode ng pagpapatakbo para sa 7-segment na mga display:
1. Static Mode: Sa mode na ito, ang bawat digit at ang kaukulang mga segment nito ay patuloy na naka -on.Ang pag -setup na ito ay nangangailangan ng isang hiwalay na linya ng kontrol para sa bawat segment ng bawat digit, na maaaring maging hindi epektibo kung maraming mga numero ang ginagamit.Gayunpaman, nag -aalok ito ng pagiging simple at patuloy na ningning.
2. Multiplexed mode : Upang mabawasan ang bilang ng mga linya ng control at pagkonsumo ng kuryente, ang mga pagpapakita ay madalas na tumatakbo sa maraming mode.Sa mode na ito, isang digit lamang ang naiilawan nang sabay -sabay, ngunit ang system ay mabilis na lumipat sa pagitan ng mga numero sa isang bilis na sapat na mataas upang makita ang lahat ng mga numero na patuloy na naiilawan.Ang paglipat na ito ay madalas na hawakan gamit ang mga timer ng microcontroller o mga rehistro ng shift, na nagpapahintulot sa tumpak na tiyempo at kontrol.

Larawan 3. Pagma-map sa segment sa isang 7-segment na LED display
Ang figure sa itaas ay naglalarawan ng istraktura at pag-label ng isang 7-segment na display.Ipinapakita nito ang hugis -parihaba na pag -aayos ng pitong mga segment (A, B, C, D, E, F, at G) sa buong sampung magkakaibang pananaw ng pagpapakita.Sa bawat imahe, ang iba't ibang mga segment ay shaded green upang kumatawan sa kanilang pag -activate.Makakatulong ito na mailarawan kung paano nag -aambag ang bawat indibidwal na segment sa pagbuo ng mga numero.Ang figure na sistematikong nagtatampok ng iba't ibang mga kumbinasyon, pagtulong sa pag -unawa sa kung paano ang pag -on sa mga tukoy na segment ay lumilikha ng mga nakikilalang character.
Upang ipakita ang isang digit, ang microcontroller ay nagpapadala ng isang binary code na lumiliko sa tamang kumbinasyon ng mga segment.Halimbawa, upang ipakita ang "0," mga segment A, B, C, D, E, at F ay naka -on, at si G ay naka -off.Para sa isang karaniwang display ng katod, ito ay binary 0B00111111 (o 0x3F sa hex).Para sa isang karaniwang anode, ang lohika ay inverted 0B11000000 (0xc0).Ang code ay dapat tumugma sa uri ng pagpapakita, o ang mga maling segment ay magaan.Ang paggamit ng mga talahanayan ng pag -look ng binary ay nakakatipid ng oras sa pagproseso at tinitiyak ang mabilis, tumpak na mga pag -update lalo na sa mga dynamic na aplikasyon tulad ng mga counter o timer.
Ang talahanayan sa ibaba ay naglalarawan kung paano lumilitaw ang mga numero sa isang 7-segment na display na may isang karaniwang pagsasaayos ng anode:
|
Bilang |
g f e d c b a |
Hex code |
|
0 |
1000000 |
C0 |
|
1 |
1111001 |
F9 |
|
2 |
0100100 |
A4 |
|
3 |
0110000 |
B0 |
|
4 |
0011001 |
99 |
|
5 |
0010010 |
92 |
|
6 |
0000010 |
82 |
|
7 |
1111000 |
F8 |
|
8 |
0000000 |
80 |
|
9 |
0010000 |
90 |
Ipinapakita ng talahanayan sa ibaba ang mga numero habang lumilitaw ang mga ito sa isang 7-segment na display gamit ang isang karaniwang pagsasaayos ng katod:
|
Bilang |
g f e d c b a |
Hex code |
|
0 |
0111111 |
3f |
|
1 |
0000110 |
06 |
|
2 |
1011011 |
5B |
|
3 |
1001111 |
4f |
|
4 |
1100110 |
66 |
|
5 |
1101101 |
6d |
|
6 |
1111101 |
7d |
|
7 |
0000111 |
07 |
|
8 |
1111111 |
7f |
|
9 |
1001111 |
4f |
Sa pag-setup na ito, ang bawat segment ng isang dual-digit na 7-segment na display ay konektado sa Arduino UNO sa pamamagitan ng isang kasalukuyang nililimitahan na risistor (karaniwang 220Ω hanggang 330Ω).Ang mga segment na may label na A hanggang G (at opsyonal na decimal point DP) ay naka -wire na kahanay sa parehong mga numero at konektado sa digital pin D2 hanggang D9 sa Arduino.Halimbawa, ang segment na 'A' ay konektado sa D2, 'B' hanggang D3, at iba pa.Ang bawat digit ay may sariling karaniwang cathode pin (CC), na kinokontrol kung pinagana ang digit na iyon.Ang mga karaniwang pin na ito ay konektado sa Arduino Pins D10 at D11 at ginagamit para sa multiplexing: ang isang digit lamang ang isinaaktibo nang sabay -sabay, ngunit ang paglipat sa pagitan ng mga ito ay sapat na mabilis (karaniwang> 50Hz) na ginagawang parehong mga numero na lumilitaw nang sabay -sabay.Gumamit ng digitalWrite () upang makontrol kung aling mga segment ang nasa at kung aling digit ang aktibo.Ang isang talahanayan ng lookup sa iyong mga numero ng mapa ng sketch (0–9) sa kanilang kaukulang mga kumbinasyon ng segment.Upang mahawakan nang maayos ang maraming mga numero, gumamit ng multiplexing sa iyong code o isang library na sumusuporta dito.Binabawasan nito ang bilang ng mga kinakailangang Arduino I/O pin habang pinapagana ang mga dinamikong pag -update ng display.

Larawan 4. 7-segment na display circuit na may Arduino
Sa isang karaniwang cathode (CC) 7-segment na display, ang lahat ng mga terminal ng katod ng mga indibidwal na LED na bumubuo ng mga segment ng pagpapakita ay panloob na konektado at na-ruta sa isa o higit pang mga panlabas na karaniwang mga pino ng katod.Ang mga karaniwang cathode pin na ito ay karaniwang konektado sa lupa (GND) sa circuit.Ang bawat isa sa mga indibidwal na mga segment, na may label mula sa 'A' hanggang 'G', pati na rin ang opsyonal na punto ng desimal (DP), ay may sariling anode pin, na kung saan ay kontrolado nang nakapag -iisa.
Upang maipaliwanag ang isang tiyak na segment sa ganitong uri ng pagpapakita, ang isang mataas na boltahe (karaniwang +5V o +3.3V, depende sa system) ay dapat mailapat sa kaukulang anode pin.Dahil ang mga cathode ay saligan, ang kasalukuyang ay dumadaloy mula sa anode patungo sa katod, na pinapayagan ang LED segment na magaan.Ang paggamit ng isang karaniwang katod ay nagpapasimple sa pakikipag -ugnay sa mga microcontroller, dahil ang magsusupil ay maaaring aktibong mapagkukunan ng kasalukuyang sa mga indibidwal na pin ng segment kaysa sa paglubog nito.
Ang pagsasaayos na ito ay sikat sa mga proyekto ng nagsisimula na elektroniko dahil sa prangka nitong mga kable at lohika ng programming.Pinapayagan nitong lumikha ng numero o limitadong mga alpabetong character sa pamamagitan ng pagsasama ng iba't ibang mga segment.Halimbawa, upang ipakita ang bilang na "2," ang mga segment A, B, D, E, at G ay nakabukas.Ang microcontroller ay nagpapa -aktibo sa bawat segment sa pamamagitan ng pagtatakda ng kani -kanilang PIN na mataas.
Gayunpaman, ang pagsasaalang -alang ay lumitaw kapag sinusubukang ipakita ang mga character tulad ng "8", na nangangailangan ng lahat ng pitong mga segment na sabay -sabay.Ang bawat segment ng LED ay kumukuha ng isang tiyak na halaga ng kasalukuyang (karaniwang sa paligid ng 10-20 mA), at ang pag-iilaw ng lahat ng mga segment ay maaaring magdagdag ng hanggang sa 140 mA o higit pa.Karamihan sa mga microcontroller I/O pin ay hindi idinisenyo upang mapagkukunan tulad ng isang malaking kabuuang kasalukuyang sa maraming mga pin nang sabay -sabay.Kung ang sobrang kasalukuyang ay iguguhit, maaari itong makapinsala sa microcontroller o maging sanhi ito ng hindi magandang pag -andar.Upang mabawasan ito, marami ang gumagamit ng mga panlabas na driver ng IC (tulad ng ULN2003A), mga transistor arrays, o kasalukuyang naglilimita sa mga resistors upang ligtas na hawakan ang pag-load nang hindi labis na labis ang microcontroller.

Larawan 5. Karaniwang Cathode 7-Segment Display Circuit Diagram
Ipinapakita ng figure ang panloob at panlabas na mga kable ng isang karaniwang cathode 7-segment display.Ang display ay may label na may mga segment A sa pamamagitan ng G at isang decimal point (DP).Ang bawat segment ay konektado sa isang simbolo ng diode (D1 hanggang D8), na kumakatawan sa mga indibidwal na mga segment ng LED.Ang lahat ng mga cathode ay konektado nang magkasama at naka -link sa lupa, na nagpapahiwatig ng karaniwang pagsasaayos ng katod.Ang paglalapat ng isang mataas na signal sa anode ng anumang segment ay nagbibigay -daan sa kasalukuyang dumaloy sa segment, na nagpapaliwanag nito.
Sa isang pangkaraniwang display ng anode (CA) 7-segment, ang lahat ng mga terminal ng anode ng mga segment ng LED ay magkakasamang konektado at inilabas sa isang karaniwang pin na may label bilang karaniwang anode (CA).Ang karaniwang pin na ito ay konektado sa isang positibong supply ng boltahe, madalas +5V.Ang bawat indibidwal na segment ng display, na may label na A sa pamamagitan ng G (na may isang opsyonal na decimal point na may label na DP), ay nakalantad ang katod nito para sa panlabas na koneksyon at kontrol.
Upang maipaliwanag ang isang tiyak na segment, ang katod nito ay dapat na konektado sa lupa (mababa) habang ang karaniwang anode ay nananatiling nasa +5V (mataas).Ito ay nagpapahiwatig na ang lohika upang makontrol ang mga segment ay baligtad na hindi katulad sa isang karaniwang display ng katod, kung saan ang mga segment ay naka -on na may isang mataas na signal, sa isang karaniwang pagpapakita ng anode, sila ay nakabukas na may isang mababang signal.Bilang isang resulta, ang iyong control code ay dapat baligtarin ang binary pattern na ginamit para sa isang karaniwang cathode display.Halimbawa, ang isang pattern na nagpapasaya sa numeral na "0" sa isang karaniwang cathode display ay maaaring gumamit ng isang hexadecimal na halaga tulad ng 0x3F;Ang parehong pattern para sa isang karaniwang display ng anode ay 0xc0, na kung saan ay ang medyo kabaligtaran.
Ang mga Microcontroller na may kakayahang paglubog ng kasalukuyang (i.e., paghila ng output pin sa lupa) ay mas mahusay na angkop para sa pagmamaneho ng mga pagpapakita ng CA, dahil maaari nilang epektibong makumpleto ang circuit para sa anumang segment na kailangang i -on.Ang mga pagpapakita na ito ay kapaki-pakinabang din sa mga system kung saan ang iba pang mga sangkap ay nagpapatakbo na may aktibong mababang lohika, tulad ng kapag gumagamit ng mga transistor ng NPN o ilang mga uri ng mga lohika na pintuan.Gayunpaman, dapat mong tiyakin na ang firmware o lohika ng driver ay maayos na na -configure upang account para sa baligtad na pag -uugali na ito upang maiwasan ang mga pagkakamali sa pagpapakita.

Larawan 6. Karaniwang anode 7-segment display circuit diagram
Ang figure ay binubuo ng dalawang bahagi.Sa kaliwa, mayroong isang diagram ng isang karaniwang anode 7-segment display na nagpapakita ng mga panloob na label ng segment (A hanggang G at DP) at kung paano sila nakaayos upang mabuo ang mga numero.Ang isang solong karaniwang anode pin ay ipinapakita na konektado sa tuktok.Sa kanan, ang isang pinasimple na circuit schematic ay naglalarawan kung paano ang bawat segment (A hanggang G, DP) ay konektado sa kaukulang diode (D1 hanggang D8), kasama ang lahat ng mga anod na nakatali sa isang karaniwang mataas na boltahe (CA).Ang bawat katod ay maaaring isa -isa na kontrolado sa pamamagitan ng saligan upang i -on ang kaukulang segment.

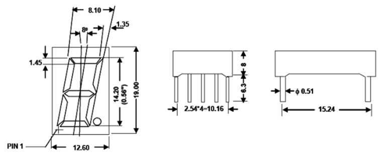
Larawan 7. 7-Segment Dip Display Outline
Ang diagram sa itaas ay naglalarawan ng karaniwang mga sukat para sa isang 7-segment na display sa isang dual in-line package (DIP) na format, na karaniwang ginagamit para sa mga pag-install ng PCB.Ang display ay nakatayo ng 19.00 mm ang taas mula sa base hanggang sa itaas, na may mga numero na may sukat na 14.20 mm (0.56 pulgada) ang taas, isang malawak na ginagamit na laki na nagsisiguro ng mahusay na kakayahang makita sa parehong mga panloob at panlabas na mga setting.Ang mga segment ay anggulo papasok sa 8 °, pagpapahusay ng kakayahang mabasa mula sa isang overhead na pananaw.
Ang katawan ng pagpapakita ay halos 12.60 mm ang lapad at may kapal na na -optimize para sa mga karaniwang layout ng PCB.Sinusundan ng pin spacing ang maginoo na 2.54 mm pitch, na may bawat hilera na naglalaman ng apat na mga pin at pagsukat ng 10.16 mm sa kabuuang haba.Ang mga hilera ay spaced 15.24 mm bukod sa buong pakete.Ang bawat pin ay may diameter na 0.51 mm, na katugma sa mga karaniwang mga socket ng dip o mga sukat na hole.Ang standoff sa pagitan ng ibabaw ng PCB at ang base ng display ay mula sa 6.3 mm hanggang 8.0 mm, na nagbibigay ng sapat na clearance para sa paghihinang at daloy ng hangin.
Upang piliin ang tamang 7-segment na display, magsimula sa pamamagitan ng pagpapasya ng tamang sukat.Ang mga mas maliit na ay gumagana nang maayos para sa mga handheld na aparato, habang ang mga mas malaki ay nagpapabuti sa kakayahang mabasa sa mga metro o pampublikong pagpapakita.Susunod, isipin ang tungkol sa kulay.Karaniwan ang mga pulang LED dahil sila ay mahusay na enerhiya at nangangailangan ng mas mababang boltahe.Ang iba pang mga kulay tulad ng berde o asul ay gumagamit ng mas maraming lakas at nangangailangan ng mas mataas na boltahe.
Kailangan mo ring tumugma sa uri ng display (karaniwang anode o karaniwang katod) sa iyong circuit.Halimbawa, kung ang iyong microcontroller ay maaaring magbigay ng kasalukuyang (mapagkukunan), ang isang karaniwang cathode display ay isang mas mahusay na akma.Kung maaari lamang itong lumubog sa kasalukuyan, sumama sa isang karaniwang anode.Laging suriin ang datasheet para sa kasalukuyang mga rating, ningning, at mga takdang -aralin.Tinitiyak nito ang iyong pagpapakita ay gumagana tulad ng inaasahan at maiiwasan ang pinsala mula sa hindi tamang mga boltahe o alon.
Ang isa sa mga pinaka-karaniwang paggamit ng 7-segment na mga display ay sa mga digital na orasan at wristwatches.Ang mga pagpapakita na ito ay mainam para sa pagpapakita ng oras sa mga oras, minuto, at segundo dahil sa kanilang kalinawan at pagiging simple.Kung ito ay isang alarm clock sa isang talahanayan ng kama o isang orasan na naka-mount na orasan ng opisina, ang 7-segment na mga display ay nagbibigay ng isang mabilis at madaling paraan upang mabasa ang oras mula sa isang distansya.Ang kanilang maliwanag na pag-iilaw ay ginagawang nakikita rin sa mga mababang ilaw o madilim na kapaligiran.
Sa parehong mga kapaligiran sa bahay at medikal, ang mga digital na thermometer ay madalas na gumagamit ng 7-segment na mga display upang ipakita ang mga pagbabasa ng temperatura.Ginagamit ang mga ito sa mga panloob/panlabas na thermometer ng panahon, mga thermometer ng katawan, at mga sistema ng HVAC.Dahil kailangan lamang nilang ipakita ang mga numero, karaniwang dalawa o tatlong mga numero, ang 7-segment na mga display ay isang perpektong akma, na nag-aalok ng mabilis, madaling basahin na output nang hindi nangangailangan ng isang buong graphical na display.
Ang 7-segment na mga display ay isang karaniwang tampok sa mga digital voltmeter at multimeter, na mga tool na ginagamit upang masukat ang boltahe, kasalukuyang, at paglaban.Ang mga pagpapakita na ito ay nagbibigay -daan upang agad na makita ang tumpak na mga pagbasa ng numero.Ang kanilang mabilis na oras ng pagtugon at pagiging legibility ay ginagawang maayos ang mga ito para sa pagsubok at pag-aayos ng electronics.
Sa mga istasyon ng gas, ang mga dispenser ng gasolina ay gumagamit ng malaki, matatag na 7-segment na nagpapakita upang ipakita ang dami ng dispensasyon ng gasolina, ang gastos sa bawat galon/litro, at ang kabuuang gastos.Ang kanilang kakayahang manatiling mababasa sa sikat ng araw at malupit na mga kondisyon sa labas ay ginagawang perpekto para sa kapaligiran na ito.Masungit din sila at pangmatagalan, na binabawasan ang mga pangangailangan sa pagpapanatili.
Maraming mga kagamitan sa kusina, lalo na ang mga microwaves, ay gumagamit ng 7-segment na mga display upang ipakita ang oras ng pagluluto, countdowns, o mga setting ng kuryente.Ang display ay madaling maunawaan at madaling bigyang kahulugan, kahit na hindi ka nakakiling teknolohikal.Dahil nangangailangan sila ng kaunting lakas at espasyo, ang mga ito ay epektibong mga solusyon para sa mga tagagawa ng appliance.
Parehong mga kaliskis sa banyo sa bahay at mga sistema ng pagtimbang ng pang-industriya na grade ay gumagamit ng 7-segment na mga display upang ipakita ang mga halaga ng timbang.Ang mga pagpapakita na ito ay madalas na pinili para sa kanilang pagiging maaasahan at kakayahang mabasa.Sa mga pang -industriya na konteksto, ang mga pagpapakita ay maaaring sapat na malaki upang makita mula sa isang distansya sa mga bodega o sahig na produksyon.
Sa mga setting ng propesyonal, ang mga 7-segment na pagpapakita ay madalas na matatagpuan sa mga instrumento sa pagsukat, mga suplay ng kuryente, at mga sistema ng pagsubaybay.Ginagamit ang mga ito upang ipakita ang mga pangunahing data ng numero tulad ng dalas, presyon, boltahe, o oras ng pagpapatakbo.Ang mga pagpapakita na ito ay nag-aalok ng tibay, kawastuhan, at kadalian ng pagsasama sa mga sistema na naka-mount na panel.
Sa maraming mga naka-embed na aplikasyon kung saan ang mga numero lamang ang kinakailangan tulad ng mga counter, timer, scoreboards, o pangunahing mga tool sa diagnostic, ang 7-segment na nagpapakita ay nag-aalok ng isang murang alternatibo sa mas kumplikadong mga interface ng grapiko.Kumonsumo sila ng kaunting kapangyarihan at madaling i-program, na ginagawang angkop para sa mga sistema na pinapagana ng baterya o limitadong mapagkukunan.
Ang isang madaling paraan upang makontrol ang isang 7-segment na display ay upang maglagay ng isang risistor sa harap ng bawat segment.Makakatulong ito na maprotektahan ang mga maliliit na ilaw sa loob ng display, na tinatawag na LEDs, mula sa pagkuha ng labis na kuryente.Masyadong maraming kasalukuyang maaaring gawin ang mga LED na overheat o ihinto ang pagtatrabaho.Ang mga resistor na ito ay makakatulong din na mapanatili ang antas ng ilaw kahit na sa lahat ng mga segment.Ang halaga ng bawat risistor ay karaniwang sa pagitan ng 220 ohms (Ω) at 470 ohms (ω).Ang eksaktong numero ay nakasalalay sa dalawang bagay: ang boltahe ng supply ng kuryente at kung gaano maliwanag ang nais mong maging display.Halimbawa, kung gumagamit ka ng isang 5-volt na supply ng kuryente at ang bawat segment ay gumagamit ng tungkol sa 2 volts, kung gayon ang isang 150-ohm risistor ay hahayaan ang tungkol sa 20 milliamps (MA) ng kasalukuyang.Ito ay isang mahusay na halaga ng kasalukuyang upang gawing maliwanag ang pagpapakita ngunit ligtas pa rin para sa mga LED.
Kung gumagamit ka ng mas malaking resistors, mas mababa ang kasalukuyang dumadaloy, at ang display ay magiging dimmer.Ngunit makakatulong ito sa mga LED na mas mahaba at gumamit ng mas kaunting lakas.Kung gumagamit ka ng mas maliit na mga resistors, mas maraming kasalukuyang daloy, at ang display ay mukhang mas maliwanag, ngunit maaari itong mas mabilis na mas mabilis at maging mas mainit.Sa mas advanced na mga pag -setup, tulad ng kapag ang isang risistor ay ibinahagi sa pagitan ng maraming mga segment (tinatawag na multiplexing), ang ningning ay maaaring magmukhang hindi pantay.Iyon ay dahil ang iba't ibang mga segment ay maaaring gumuhit ng iba't ibang mga kasalukuyang.Sa mga kasong iyon, mas mahusay na gumamit ng isang risistor para sa bawat segment o gumamit ng mga espesyal na chips na awtomatikong kumokontrol sa kasalukuyang.Ang mga pamamaraan na ito ay ginagawang mas mahusay ang pagpapakita at mas maaasahan.

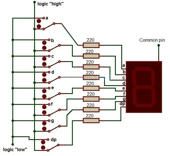
Larawan 8. Pangunahing Resistor-Based 7-Segment Display Diagram
Ang figure ay naglalarawan ng isang pangunahing diagram ng circuit para sa pagmamaneho ng isang solong 7-segment na LED display gamit ang mga indibidwal na resistors para sa bawat segment.Ang bawat isa sa mga segment ng display (may label na A, B, C, D, E, F, G, at DP (Decimal Point)) ay konektado sa serye na may isang 220Ω risistor, na naglilimita sa kasalukuyang sa ligtas na mga antas.Ang mga resistors na ito ay kinokontrol sa pamamagitan ng mga switch na i -toggle ang input sa pagitan ng lohika na "mataas" at lohika na "mababa", na pinapayagan ang bawat segment na i -on o off nang nakapag -iisa.Ang karaniwang pin ng 7-segment na display ay konektado sa isang ibinahaging mapagkukunan ng boltahe, pagpapagana ng operasyon ng mga indibidwal na LED sa loob ng display batay sa mga signal ng pag-input ng input.Ang pagsasaayos na ito ay nagpapakita ng pinakasimpleng at pinaka direktang paraan upang subukan at mapatakbo nang manu-mano ang isang 7-segment na display.
Ang mga transistor ay tulad ng maliliit na elektronikong switch na makakatulong na makontrol kung aling mga bahagi ng isang 7-segment display light up.Sa isang "karaniwang katod" na pag -setup, ang lahat ng mga negatibong dulo (cathode) ng mga LED ay pinagsama at konektado sa lupa.Upang magaan ang isang segment, ang microcontroller ay nagpapadala ng isang signal sa positibong pagtatapos (anode).Dahil ang lupa ay kailangang i -on at i -off upang makontrol ang bawat digit, ginagamit ang mga transistor ng NPN.Ang microcontroller ay nagpapadala ng isang maliit na signal sa base (gitnang binti) ng transistor, at pinapayagan nito ang kasalukuyang dumaloy sa pamamagitan nito, pag -iilaw ng segment.
Sa isang "karaniwang anode" na pag -setup, ang lahat ng mga positibong dulo (anod) ay konektado nang magkasama at naka -hook hanggang sa kapangyarihan (karaniwang 5V).Dito, maaari mong gamitin ang mga transistor ng PNP o mga espesyal na switch tulad ng N-Channel MOSFET upang makontrol ang mga negatibong dulo (cathode).Ang ilaw ay nag -iilaw kapag ang microcontroller ay nagpapadala ng isang signal upang hilahin ang katod na mababa (malapit sa 0V).Para sa mga pagpapakita na may higit sa isang digit, ginagamit ang multiplexing.Nangangahulugan ito na ang microcontroller ay lumiliko sa isang digit nang sabay -sabay, napakabilis na mukhang ang lahat ng mga numero ay sabay -sabay.Ang bawat digit ay gumagamit ng sariling transistor, na kung saan ang microcontroller ay lumipat at naka -off sa pagkakasunud -sunod, habang nagpapadala ng tamang mga signal sa mga segment.
Upang maprotektahan ang microcontroller at tiyakin na gumagana nang maayos ang mga transistor, isang maliit na risistor (karaniwang sa paligid ng 1,000 ohms) ay inilalagay sa pagitan ng microcontroller at base ng transistor.Nililimitahan nito kung magkano ang kasalukuyang dumadaloy. Gayundin, mahalaga na pumili ng mga transistor na maaaring hawakan ang dami ng kasalukuyang kinakailangan ng mga LED.Kung ang mga transistor ay masyadong mahina, maaari silang mag -init o tumigil sa pagtatrabaho, at ang display ay maaaring hindi mukhang tama.Ang pagpili ng mga tamang bahagi at pamamahala ng init na maingat na tumutulong sa pagpapakita ng maayos at mas matagal.

Larawan 9. Ang kontrol na batay sa transistor ng isang diagram ng display ng 7-segment
Ang diagram ay naglalarawan ng isang simpleng pamamaraan ng pagmamaneho ng isang solong-digit na pitong-segment na display gamit ang walong switch (SW1 hanggang SW8), ang bawat isa ay konektado sa pamamagitan ng isang 220Ω risistor sa mga indibidwal na segment ng display.Ang mga linya ng control control ay naka -ruta sa mga input ng display, na pinapagana sa pamamagitan ng isang transistor switch (Q1).Ang isang 1kΩ risistor (R9) ay nag -uugnay sa base ng transistor sa 5V control line, na pinapayagan ang pagpapakita na maisaaktibo kapag naka -on ang transistor.Tinitiyak ng setup na ito ang wastong kasalukuyang kontrol at mahusay na operasyon ng display.
Ang isang 7-segment na nagpapakita ay isang simple at kapaki-pakinabang na paraan upang ipakita ang mga numero sa mga elektronikong aparato.Ang bawat segment ay tulad ng isang maliit na ilaw, at sa pamamagitan ng pag -on sa mga kanan, maaari kang magpakita ng anumang digit mula 0 hanggang 9. Maaari mong gamitin ang alinman sa isang karaniwang katod o karaniwang pagpapakita ng anode, depende sa iyong circuit.Upang maprotektahan ang display at ang iyong microcontroller, kailangan mong gumamit ng mga resistors o transistor.Kung mayroon kang higit sa isang digit, maaari kang gumamit ng isang pamamaraan na tinatawag na multiplexing upang magaan ang mga ito nang paisa -isa, kaya lahat sila ay mukhang naiilawan.Ang mga pagpapakita na ito ay ginagamit sa maraming mga bagay tulad ng mga digital na orasan, kaliskis, metro, at kagamitan sa kusina dahil mura, madaling gamitin, at malinaw na basahin.Sa mga tip mula sa gabay na ito, maaari kang ligtas at madaling magdagdag ng 7-segment na mga display sa iyong sariling mga proyekto.
Mangyaring magpadala ng isang pagtatanong, tutugon kami kaagad.
Ang pinakakaraniwang IC na ginamit upang magmaneho ng 7-segment na mga display ay BCD hanggang 7-segment decoder/driver ICS, tulad ng 74LS47 (para sa karaniwang anode) o CD4511 (para sa karaniwang katod).Ang mga IC na ito ay kumuha ng isang 4-bit na binary coded decimal (BCD) input at awtomatikong magaan ang tamang mga segment upang ipakita ang mga numero 0-9.Nakakatipid ito ng mga microcontroller pin at pinapasimple ang mga kable.Para sa advanced na kontrol, ang mga rehistro ng shift tulad ng 74HC595 o mga driver ng display tulad ng MAX7219 ay maaaring magamit para sa multi-digit o maraming mga display.
Ang isang pag-setup ng BCD hanggang 7-segment ay nangangahulugan na gumagamit ka ng isang binary coded decimal (BCD) na halaga (apat na digital bits na kumakatawan sa isang numero mula 0 hanggang 9) at i-convert ito sa tamang pattern upang magaan ang isang 7-segment na display.Ang isang espesyal na IC tulad ng CD4511 ay nagbabasa ng halaga ng BCD at awtomatikong lumiliko ang tamang mga segment.Halimbawa, ang pag-input ng BCD 0100 (Decimal 4) ay magaan ang mga segment na nagpapakita ng numero 4 sa 7-segment.
Upang ikonekta ang isang 7-segment decoder tulad ng CD4511:
Ikonekta ang mga pin ng input ng BCD (karaniwang may label na A, B, C, D) sa apat na mga digital na output mula sa iyong microcontroller.
Ikonekta ang mga output ng segment (A hanggang G) mula sa decoder hanggang sa pagtutugma ng mga pin ng segment sa display.
Ikabit ang kasalukuyang naglilimita ng mga resistors (karaniwang 220Ω hanggang 470Ω) sa pagitan ng mga output ng decoder at pagpapakita ng mga segment upang maprotektahan ang mga LED.
Siguraduhin na tumugma sa decoder sa uri ng pagpapakita: Ang CD4511 ay para sa karaniwang katod, at ang 74LS47 ay para sa karaniwang anode.
Magbigay ng kapangyarihan (+5V at GND) sa IC, at paganahin nang maayos ang output nito sa pamamagitan ng pagtatakda ng anumang control pin (tulad ng BI o LE) nang maayos.
Ang bawat isa sa pitong mga segment (hindi kasama ang desimal point) ay maaaring maging nakapag -iisa o naka -off, kaya ang kabuuang bilang ng mga kumbinasyon ay 2⁷ = 128. Gayunpaman, hindi lahat ng mga kumbinasyon na ito ay kumakatawan sa mga makabuluhang numero o titik.Sa pinaka -praktikal na mga kaso ng paggamit (tulad ng BCD), tanging ang mga kumbinasyon para sa 0 hanggang 9, at kung minsan ay isang f para sa hexadecimal, ay ginagamit.Nangangahulugan ito sa paligid ng 16 na karaniwang mga pattern ng character ay regular na ginagamit sa pang -araw -araw na electronics.
Karamihan sa 7-segment na mga display ng LED ay nagpapatakbo sa paligid ng 2V bawat segment, na kung saan ay ang pasulong na pagbagsak ng boltahe ng isang tipikal na pulang LED segment.Gayunpaman, ang aktwal na boltahe ng supply na kinakailangan ay nakasalalay sa disenyo ng circuit.Kung pinalakas nang direkta mula sa isang microcontroller o sa pamamagitan ng mga resistors, ang display ay karaniwang tumatakbo sa +5V o +3.3V system, at ang mga resistors ay ginagamit upang i -drop ang labis na boltahe at limitahan ang kasalukuyang.Para sa mga uri ng LCD, ang boltahe ay maaaring mas mababa, madalas sa paligid ng 1.5V hanggang 3V, at kinokontrol gamit ang iba't ibang mga pamamaraan.
sa 2025/05/6
sa 2025/05/6
sa 8000/04/18 147757
sa 2000/04/18 111931
sa 1600/04/18 111349
sa 0400/04/18 83719
sa 1970/01/1 79508
sa 1970/01/1 66882
sa 1970/01/1 63010
sa 1970/01/1 62977
sa 1970/01/1 54081
sa 1970/01/1 52108