Ang 2N6488 Ang transistor, na gaganapin sa loob ng isang TO-220 plastic case, ay kinikilala para sa maaasahang paggamit nito sa mga setting ng power linear at low-frequency.Ang package na ito ay pinapaboran sa industriya, pinagsama ang pagiging praktiko at kahusayan, na angkop para sa magkakaibang mga sitwasyon.Sinusuportahan ng disenyo ang mahusay na pagwawaldas ng init, na nakakaimpluwensya sa tibay at pag -andar ng mga transistor.Ang 2N6488 ay nagtatagumpay sa mga aplikasyon ng power linear dahil sa matatag na build at thermal na kakayahan.Tinitiyak nito ang pare -pareho ang kasalukuyang at pamamahala ng boltahe para sa katatagan sa mga circuit.Ang pagiging maaasahan na ito ay kumikinang sa mga audio amplifier at regulated na mga suplay ng kuryente, kung saan kinakailangan ang paghawak ng iba't ibang mga naglo -load nang hindi nawawala ang pagganap.
Sa mga mababang gawain ng dalas, ang 2N6488 ay nagpapakita ng kahanga-hangang kakayahang umangkop at pagganap.Ang kapasidad nito upang mahawakan ang mga signal na may kaunting pagbaluktot ay nagtatampok ng lakas nito.Ang pamamahala ng thermal output ay sentro kapag nagtatrabaho sa 2N6488.Gamit ang epektibong mga heat sink at thermal compound aid sa pag -optimize ng paglipat ng init.Kailangan itong maiwasan ang sobrang pag -init, na maaaring makapinsala sa pag -andar at mabawasan ang habang buhay ng sangkap.Ang isang umuusbong na view sa patlang ay umaangkop sa mga tradisyonal na sangkap tulad ng 2N6488 para sa mga makabagong gamit.Tulad ng pagsulong ng teknolohiya, ang pagsasama ng mga ito sa hybrid, ang mga sistema ng mahusay na enerhiya ay trending.Ang pamamaraang ito ay gumagamit ng naitatag na pagiging maaasahan ng 2N648 habang tinutugunan ang mga modernong pangangailangan para sa pagpapanatili at kahusayan ng enerhiya.
At 2N60
• 2N600
• 2N6000
• 2N6001
• 2N6002
At 2N6491




Ipinagmamalaki ng 2N6488 Transistor ang isang kilalang DC kasalukuyang pakinabang sa tabi ng kahanga -hangang bandwidth.Ang mga katangiang ito ay nakataas ang pagiging epektibo nito sa mga senaryo na hinihingi ang high-fidelity audio amplification at makinis na mga operasyon sa paglipat.Maraming madalas na natutuwa sa pag -agaw ng mga katangiang ito upang mabawasan ang pagbaluktot ng signal sa mga kumplikadong sistema, na tinitiyak ang kalinawan at katumpakan.
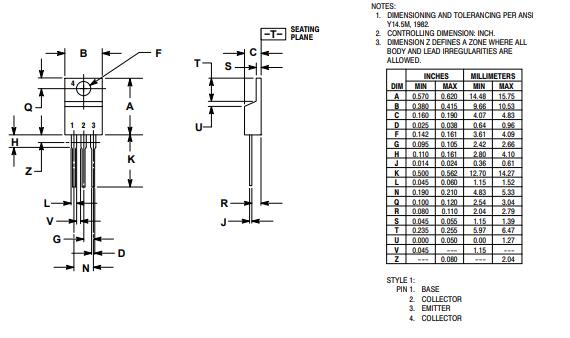
Naka-encode sa isang naka-streamline na TO-220 package, ang 2N6488 ay nagtataguyod ng thermal kahusayan at prangka na pag-install.Ang istraktura nito ay mahusay na nagpapadali sa pagwawaldas ng init para sa pag-iwas sa sobrang pag-init sa mga application na may mataas na kapangyarihan.Marami ang mas gusto ang package na ito para sa adept na paghawak ng init at compact form.
Ang 2N6488 ay umaayon sa mga pamantayan ng ROHS, na nagtatampok ng isang disenyo na maalalahanin ang kagalingan sa kapaligiran sa pamamagitan ng pagliit ng mga nakakapinsalang sangkap.Sa lumalagong kahalagahan sa kontemporaryong pagbabago ng produkto, ang pag -align na ito ay umaakma sa mga pandaigdigang layunin sa ekolohiya.
Nag-aalok ng isang kolektibong breakdown boltahe ng 80V, ang 2N6488 ay nakatayo na nababanat sa mga setting ng high-boltahe.Ang katangian na ito ay kumikita ng pagpapahalaga kapag ang maaasahan na pagganap sa ilalim ng presyon ay kinakailangan.Ang industriya ay madalas na pumili ng mga nasabing sangkap para sa kanilang kapasidad upang matiis ang malaking pagkakaiba -iba ng boltahe.
Ang 2N6488 transistor ay nakatayo sa mga audio system kung saan ito ay gumaganap ng isang papel sa pagpapalakas ng kuryente.Nagbibigay ito ng kamangha -manghang pagganap habang nagmamaneho ng mga nagsasalita at mga sangkap ng audio sa pamamagitan ng mahusay na pamamahala ng mga antas ng kasalukuyang at boltahe.Tinitiyak nito ang isang tunog output na parehong malinaw at libre mula sa pagbaluktot.Ang audio ay madalas na pinapaboran ang mga transistor tulad ng 2N6488 para sa crafting class ab amplifier circuit.Pinahahalagahan nila ang kakayahang maihatid ang pare -pareho na katatagan ng thermal at mahusay na mawala ang init, pagpapahusay ng kalidad ng audio.
Ang pagpapakita ng katatagan sa mababang-dalas na paglipat ng mga gawain, ang kakayahang umangkop sa 2N648 ay maliwanag.Madalas itong ginagamit sa mga circuit na nangangailangan ng tumpak na kontrol, tulad ng sa mga driver ng motor at iba pang mga sistema ng electromekanikal.Maraming mga pagpili para sa mga transistor tulad ng 2N6488 ay maaaring makamit ang matatag na pagganap sa mga kapaligiran kung saan ang pangmatagalang pagiging maaasahan ay isang pangunahing pagsasaalang-alang.
|
I -type |
Parameter |
|
Katayuan ng Lifecycle |
Lipas na (huling na -update: 3 araw na ang nakakaraan) |
|
Package / Kaso |
TO-220ab |
|
Package ng aparato ng supplier |
TO-220ab |
|
Kasalukuyang Kolektor (IC) (MAX) |
15a |
|
Temperatura ng pagpapatakbo |
-65 ° C hanggang 150 ° C TJ |
|
Nai -publish |
2007 |
|
Antas ng Sensitivity ng kahalumigmigan (MSL) |
1 (walang limitasyong) |
|
Min operating temperatura |
-65 ° C. |
|
Max Power Dissipation |
1.8w |
|
BASE PART NUMBER |
2N6488 |
|
Pagsasaayos ng elemento |
Walang asawa |
|
Makakuha ng Produkto ng Bandwidth |
5MHz |
|
Kolektor ng Emitter Voltage (VCEO) |
3.5v |
|
DC Kasalukuyang Gain (HFE) (min) @ ic, vce |
20 @ 5A 4V |
|
Vce saturation (max) @ ib, ic |
3.5V @ 5A, 15A |
|
Kadalasan - Paglilipat |
5MHz |
|
Emitter Base Voltage (Vebo) |
5v |
|
Libre ang Lead |
Naglalaman ng tingga |
|
Uri ng pag -mount |
Sa pamamagitan ng butas |
|
Bilang ng mga pin |
3 |
|
Boltahe ng Breakdown ng Kolektor-Emitter |
80v |
|
hfe/min |
20 |
|
Packaging |
Tube |
|
Bahagi ng Bahagi |
Lipas na |
|
Max na temperatura ng operating |
150 ° C. |
|
Boltahe - Na -rate na DC |
80v |
|
Kasalukuyang rating |
15a |
|
Polarity |
NPN |
|
Kapangyarihan - Max |
1.8w |
|
Uri ng transistor |
NPN |
|
MAX Kolektor Kasalukuyan |
15a |
|
Kasalukuyang - Kolektor Cutoff (Max) |
1ma |
|
Boltahe - Breakdown ng Emitter ng Kolektor (MAX) |
80v |
|
Boltahe ng Base ng Kolektor (VCBO) |
90V |
|
Katayuan ng ROHS |
Ang sumusunod na hindi rohs |
|
Bahagi
Bilang |
Tagagawa |
Package |
Polarity |
Breakdown ng Kolektor ng Emitter
Boltahe |
Boltahe - Kolektor ng Emitter
Breakdown (Max) |
MAX Kolektor Kasalukuyan |
Dalas ng paglipat |
Saturation ng Emitter ng Kolektor
Boltahe |
hfe min |
|
2N6488 |
Sa semiconductor |
TO-220-3 |
NPN |
80 v |
80v |
15 a |
5MHz |
3.5 v |
20 |
|
BD243B |
Sa semiconductor |
TO-220-3 |
NPN |
80 v |
80v |
3 a |
3MHz |
1.2 v |
25 |
|
TIP31B |
Sa semiconductor |
TO-220-3 |
NPN |
80 v |
80v |
6 a |
- |
1.5 v |
15 |
|
BDW42 |
Sa semiconductor |
TO-220-3 |
NPN |
100 v |
- |
15 a |
4MHz |
- |
- |

Sa semiconductor ay naghahatid ng mga solusyon na parehong makabagong at may pag -iisip ng paggamit ng enerhiya, inukit ang isang nangungunang posisyon sa electronics.Ang malawak na pag -abot nito sa buong mundo ay sumusuporta sa magkakaibang mga aplikasyon kabilang ang mga automotiko, pang -industriya, at elektronikong consumer.Ang malawak na impluwensya na ito ay nagpapanatili ng kumpanya sa timon ng pag -unlad ng tech.Habang tinitingnan natin, ang pag -iisip kung paano maaaring balansehin ang semiconductor na patuloy na pagbabago na may pagpapanatili ay nakakaintriga.Ang interplay ng mabilis na paglago ng tech at pangangasiwa ng kapaligiran ay nagdudulot ng parehong mga hadlang at mga bagong landas.Ang katapangan ng kompanya sa pagtataya at pag-adapt sa mga uso sa industriya sa hinaharap ay ihuhubog ang pangmatagalang tagumpay nito.
Maramihang mga aparato 19/jun/2009.pdf
Tip31 (a, b, c), tip32 (a, b, c) .pdf
Mangyaring magpadala ng isang pagtatanong, tutugon kami kaagad.
sa 2024/10/29
sa 2024/10/29
sa 8000/04/18 147757
sa 2000/04/18 111935
sa 1600/04/18 111349
sa 0400/04/18 83720
sa 1970/01/1 79508
sa 1970/01/1 66905
sa 1970/01/1 63028
sa 1970/01/1 63012
sa 1970/01/1 54081
sa 1970/01/1 52124